青岛垚鑫智能科技有限公司
宣传

位置:中冶有色 >

有色技术频道 >

> 真空冶金技术

分类:
全部
矿山技术
冶金技术
材料制备及加工技术
环境保护技术
分析检测技术
 
全部
火法冶金技术
湿法冶金技术
电冶金技术
真空冶金技术
地区:
全部
北京
天津
上海
重庆
河北
山西
辽宁
吉林
黑龙江
江苏
浙江
安徽
福建
江西
山东
河南
湖北
湖南
广东
海南
四川
贵州
云南
陕西
甘肃
青海
内蒙
广西
西藏
宁夏
新疆
其他
其他
展开
 
全部

有色金属真空冶金技术理论与应用

免费发布技术信息>>
纯铜定向凝固方法
纯铜定向凝固方法 523     
 0

本发明涉及一种纯铜定向凝固方法,包括以下步骤:将锭模在温度300℃‑400℃中保温12h‑18h,对锭模进行预热;将电解铜在真空氛围中熔化为铜水;启动第一冷却水循环泵,使冷却水流经冷却底座内的循环流道,冷却所述冷却底座上的锭模;将铜水浇注至锭模内,启动加热线圈,所述加热线圈沿着锭模的高度方向设有多圈;浇注完成:将铜水在锭模中静置120min‑180min,获得定向凝固的铜铸锭。通过冷却底座上的循环流道实现强制锭模底部单向散热,形成稳定温度梯度,促进柱状晶生长以优化力学性能。

标签:
纯铜定向凝固方法 真空冶金方法
山东 - 烟台 来源:烟台万隆真空冶金股份有限公司 2025-09-26
短流程高效处理高砷贵铅的方法

本发明属于有色金属冶炼技术领域,具体涉及一种短流程高效处理高砷贵铅的方法,适用于含金、银、砷等组分复杂的铅阳极泥还原熔炼副产物贵铅处理及贵金属回收过程。该方法通过将高砷贵铅与铅铋合金按照一定比例配料,使入炉物料成分可进入连续性真空蒸馏炉中进行连续真空蒸馏,显著缩短熔炼周期,降低能耗。该方法可显著降低贵铅中的砷、铜、锑含量,减少金属银的杂质烟尘夹带流失,提高银富集倍数。与传统火法跑锑炉工艺相比,本发明采用真空冶金手段,绿色环保,处理周期短,可高效产出高银合金。

标签:
有色金属冶炼技术 高砷贵铅
云南 - 曲靖 来源:云南驰宏资源综合利用有限公司 2025-09-26
真空炉用的浇铸设备
真空炉用的浇铸设备 579     
 0

本实用新型涉及浇铸设备技术领域,且公开了一种真空炉用的浇铸设备,包括真空炉炉体,所述真空炉炉体的外部固定安装有螺纹安装柱,所述螺纹安装柱的内部螺纹安装有螺栓一,所述螺栓一的外部设置有边耳,所述边耳的内侧设置有拆卸固定机构,所述拆卸固定机构的右侧设置有排料浇铸机构。该真空炉用的浇铸设备,通过设置的拆卸固定机构,在使用过程中,利用螺栓二与螺母一对上卡环与下卡座进行限位固定,同时利用能够拆卸的固定盘,能够在使真空炉炉体实现转动浇铸的功能的同时,能够对真空炉炉体进行拆卸

标签:
真空炉 浇铸设备
辽宁 - 锦州 来源:锦州和力真空冶金工业有限公司 2025-08-28
真空感应炉浇铸模具自动转运平台装置

本发明涉及一种真空感应炉浇铸模具自动转运平台装置,台面模车驱动支架沿着预设轴线设置在旋转平台上方;第一驱动机构设置在台面模车驱动支架的一端并固定于旋转平台上;模车设置于台面模车驱动支架上;铸锭室沿着预设轴线设置于旋转平台的一侧,浇铸前将模车转运至铸锭室内;焙烧炉设置于铸锭室预设轴线的垂直方向并靠近旋转平台;模车驱动支架设置于焙烧炉内,模车驱动支架横向放置并垂直于铸锭室方向;

标签:
真空感应炉 真空感应炉浇铸模具
上海 - 上海 来源:合智熔炼装备(上海)有限公司 2025-04-09
高温合金真空冶炼浮渣去除装置

本发明专利公开了一种高温合金真空冶炼浮渣去除装置,具体涉及高温合金真空冶炼技术领域。包括壳体和高温合金冶炼坩埚,壳体上设有移动机构,移动机构用于带动壳体移动至高温合金冶炼坩埚的正上方,壳体的正下方设有位于同一高度的移动杆和固定杆,移动杆和固定杆上靠近高温合金冶炼坩埚内壁的端部设有与高温合金冶炼坩埚内壁相配合的弧面,壳体上还设有用于驱动移动杆沿高温合金冶炼坩埚内壁转动的驱动机构,移动杆在转动的过程中保持端部始终与固定杆的端部相抵触,移动杆未转动时与固定杆侧壁相抵触。

标签:
真空冶炼浮渣去除装置 真空冶炼浮渣
湖南 - 衡阳 来源:衡阳市金则利特种合金股份有限公司 2025-04-03
真空感应炉及金属冶炼方法

本发明提供一种真空感应炉及金属冶炼方法,属于冶金技术领域,其中装置包括真空感应炉本体和设置在真空感应炉本体上的虹吸出渣装置;虹吸出渣装置包括熔渣收集分离装置和出渣通道;熔渣收集分离装置设置在真空感应炉本体的熔池上部;出渣通道包括竖向设置在真空感应炉本体的加热坩埚的侧壁内部的内通道、与内通道的下部连通的过渡通道和与过渡通道的外端口连接的外通道;外通道竖向设置,下部与过渡通道的外端口连通;

标签:
真空感应炉 真空冶炼
北京 - 北京 来源:北京中冶设备研究设计总院有限公司 2025-04-03
金属镁真空冶炼炉及其使用方法

本发明提供一种金属镁真空冶炼炉及其使用方法,其中冶炼炉包括罐体和罐盖,在所述罐体内设置有坩埚和防溅盖,在所述罐体的底部设置有液态硅铁保温输入机构、残渣虹吸排出机构、残铁排出机构,在罐盖上设置有喷粉枪安装机构和破渣取样枪安装机构。本发明可保证液态的硅铁还原剂输入时不会凝固,还原反应后残渣可顺畅排出,使喷粉枪和破渣取样枪安装稳定牢固、运行稳定。

标签:
真空冶炼炉 金属镁真空冶炼炉
北京 - 北京 来源:北京中冶设备研究设计总院有限公司 2025-04-03
真空感应炉电源配置方法及加热方法

本发明提供一种真空感应炉电源配置方法及加热方法,属于冶金设备技术领域,通过在真空感应炉的坩埚外侧壁上,沿竖直方向排列套设至少两个独立电加热机构,并在真空感应炉的外部,对应于每个独立电加热机构均设置相应独立的控制电源柜,独立电加热机构的电源接头与相应的控制电源柜的出线端连接,从而共同组成一个总电源,可满足真空感应炉大功率电源的需求,有效解决了现有技术中,因电源电压过高发生真空电晕放电的问题;并且在安装和拆除时可分别从真空感应炉中吊出独立电加热机构,便于安装、拆卸和检修;

标签:
真空感应炉
北京 - 北京 来源:北京中冶设备研究设计总院有限公司 2025-03-03
钛合金生产用真空自耗电弧炉

本发明公开了一种钛合金生产用真空自耗电弧炉,涉及电弧炉技术领域,所述真空自耗电弧炉包括炉体、升降装置、支撑架和电极棒,所述升降装置设置在炉体的上方,所述支撑架设置在炉体的侧方,相比于目前的真空自耗电弧炉,本发明设置有控温器,当外界冷却系统输送的冷却水温度不达标时,通过控温器对冷却水进行二次降温,当外界冷却系统因为各种原因而发生故障,以至于冷却水无法正常流动时,通过控温器、密封组件和液泵能够避免铜坩埚和炉体因过热而损坏,本发明还设置有除垢机构

标签:
真空自耗电弧炉 钛合金生产设备
陕西 - 宝鸡 来源:陕西中晶有色金属有限公司 2025-02-20
真空炉熔炼室内中频炉体翻转支撑装置

真空感应熔炼炉(Vacuum Induction Melting Furnace,简称VIM)是一种在真空条件下利用电磁感应加热进行金属熔炼的设备。它广泛应用于生产高品质合金,尤其是在航空航天、医疗、汽车和核工业等领域。真空感应熔炼炉使用中频感应加热技术,通过交变电磁场在导电材料中产生热量,从而实现金属的熔化。感应线圈围绕装有待熔金属的坩埚,当交流电流经过线圈时,会在金属中产生感应涡流,迅速升温并熔化金属。

标签:
真空炉 中频炉
上海 - 上海 来源:上海炜麦科技有限公司 2024-12-20
真空感应熔炼炉腔体密封门

真空感应熔炼炉(Vacuum Induction Melting Furnace,简称VIM)是一种在真空条件下利用电磁感应加热进行金属熔炼的设备。它广泛应用于生产高品质合金,尤其是在航空航天、医疗、汽车和核工业等领域。真空感应熔炼炉使用中频感应加热技术,通过交变电磁场在导电材料中产生热量,从而实现金属的熔化。感应线圈围绕装有待熔金属的坩埚,当交流电流经过线圈时,会在金属中产生感应涡流,迅速升温并熔化金属。本实用新型涉及特种冶金领域,特别是涉及一种真空感应熔炼炉腔体密封门。

标签:
真空感应熔炼炉 熔炼炉 腔体密封门
上海 - 上海 来源:上海炜麦科技有限公司 2024-12-17
高效冶金真空吸铝装置

本发明解决的技术问题在于克服现有技术中铝液因与空气接触易氧化和污染、传统添加精炼剂方式存在精炼效率和质量低且成本高,以及生产时高温铝液喷溅的缺陷,从而提供一种高效冶金真空吸铝装置。

标签:
真空吸铝装置 真空冶金技术
云南 - 大理白族自治州 来源:大理戴卡汽车部件有限公司 2024-11-20
真空感应熔炼炉可调节自动泄压装置

本发明要解决的技术问题是提供一种根据熔炼生产环境(金属材料、炉体的大小以及熔炼工艺的细节等)不需要拆换设备能在线精准调节泄压阈值,能实现被动泄压和主动降压联动的真空感应熔炼炉可调节自动泄压装置。

标签:
真空感应熔炼炉 自动泄压装置
上海 - 上海 来源:上海炜麦科技有限公司 2024-11-20
用于高真空炉的热处理工艺控制方法及系统

高真空炉是一种用于热处理工艺的设备,常被应用于金属材料的加热、冷却和改变物理性质的过程。在高真空炉中进行热处理需要严格控制温度、压力和真空度等参数,以确保工件可以达到预期的性能要求。由于不同材料、不同几何形状的工件对热处理工艺的要求各异,如何精确控制高真空炉的热处理过程,确保工件在热处理过程中获得均匀且稳定的加热效果,一直是工业制造领域面临的重要挑战。

标签:
真空炉 真空冶金技术 高真空炉
江苏 - 南通 来源:信安真空科技(江苏)有限公司 2024-11-08
铝合金真空熔炼炉
铝合金真空熔炼炉 835     
 0

真空熔炼炉,是指在真空条件下,对金属与合金进行熔炼的炉体,目前,主要包括真空感应熔炼、真空电弧重熔和电子束熔炼。相比于大气熔炼和浇注,真空熔炼不受周围气氛污染,金属液与大气中的氧和氮脱离接触,所以真空熔炼能严格控制合金中活泼元素,如铝、钛等的含量,将合金成分控制在很窄的范围内,因而能保证合金的性能、质量及其稳定性。

标签:
真空熔炼炉 熔炼炉
广东 - 清远 来源:广东豪美精密制造有限公司, 广东豪美新材股份有限公司 2024-10-29
有色金属真空冶金提纯技术:挑战、突破与价值

本文深入探讨了有色金属真空冶金提纯技术的核心价值与面临的挑战。面对铜、锡、铅、锌、镍等金属提纯中的复杂难题,我们团队凭借严谨的科学态度与创新精神,设计出了高效经济的提纯工艺。这些成果不仅显著提升了金属纯度,还助力中小企业实现技术升级与降本增效,推动了有色金属产业的绿色可持续发展。

标签:
真空冶金
云南 - 昆明 来源:昆明永佳矿冶研究有限公司 2024-09-26
固态储氢及复杂合金的真空电磁热场熔炼炉

本设备拥有自主知识产权,处于国际领先水平,综合了感应加热同时施加电磁搅拌技术,还具有快速凝固(100℃/s 冷却速率)、电磁净化、机械搅拌、真空加料等多项功能,适用于以下领域:(1)制备半导体材料如 Ca 基、Si 基,固态储氢合金 TiMn2、LaNi5、 Li-Mg-N-H、V60 等合金; (2)制备中高熵合金; (3)实现半固态制备技术; (4)水冷铜坩埚制备大块非晶;

标签:
固态储氢 复杂合金 熔炼炉
浙江 - 台州 来源:付亚波 2024-07-23
浅析真空冶金过程自动控制技术的进展

摘 要 真空冶金技术近年来发展比较好,因此在各方面的应用也比较突出。本文描述了若干真空冶金过程的测控技术,介绍了以精炼和熔炼为代表的一些典型真空冶金过程监控的新进展。结合有关项目实践,对真空冶金自动控制的未来进行了展望。关键词 真空冶金 技术进展 自动控制 过程中图分类号:TF13 文献标识码:A0引言真空技术的

标签:
真空冶金 自动控制技术
其他 - 其他 来源:李柏荣 2024-03-12
真空冶金技术发展探讨
真空冶金技术发展探讨 1474     
 0

摘 要:真空冶金的概念和特点是笔者本文的落笔处,然后再回顾真空冶金的发展史,并探寻其未来发展的方向。笔者希望能够更好的利用真空冶金这一技术,为生产和生活服务。关键词:真空冶金 发展史 发展方向一、真空冶金的概念与特点对于真空冶金的定义,是一种材料制备的共性技术,它是指对金属进行冶炼、提纯、精炼等处理必须

标签:
真空冶金 真空冶金技术
其他 - 其他 来源:吴谋智 2024-03-08
真空冶金技术的开发及应用

摘要:真空冶金技术指的是在比大气压还小的气压之下展开的冶金作业,该项技术是在真空技术的技术上得以广泛应用的。在目前,真空冶金技术包含着多种熔炼方法。为了对真空冶金技术的开发历史及应用有进一步了解,本文重点就真空冶金技术的开发及其的应用领域等问题展开分析探讨,并指出该技术在今后的发展前景。关键词:真空冶

标签:
真空冶金技术 真空冶金
其他 - 其他 来源:侯传安 2024-03-08
真空冶金过程自动控制技术的进展

【摘 要】 真空冶金技术指的是在比大气压还小的气压之下展开的冶金作业,该项技术是在真空技术的技术上得以广泛应用的。在目前,真空冶金技术包含着多种熔炼方法。为了对真空冶金技术的开发历史及应用有进一步了解,本文重点就真空冶金技术的开发及其的应用领域等问题展开分析探讨,并指出该技术在今后的发展前景。【关键词】

标签:
真空冶金
其他 - 其他 来源:曹永雷 2024-03-06
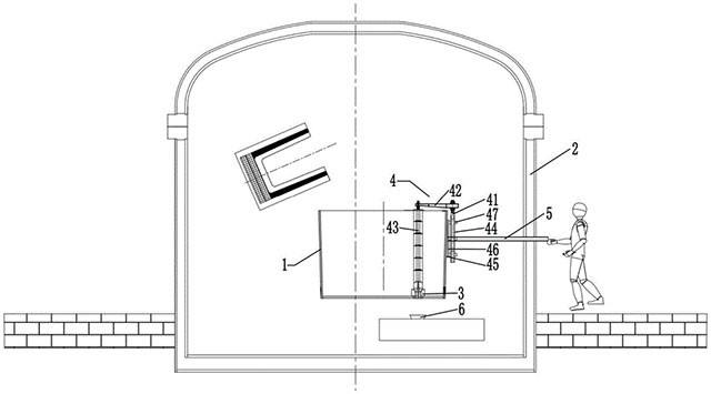
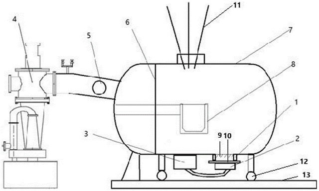
真空回转窑进料装置
真空回转窑进料装置 1447     
 0

本发明涉及一种真空回转窑进料装置,回转窑包括进行反应处理的高温滚筒、第一轴承座、第一机械密封,进料装置包括轴套、进料管、螺旋输送轴、排气管、排气轴,轴套穿设在第一轴承座、第一机械密封的中部并且轴套的内侧端对接高温滚筒,轴套的外侧端突出于第一机械密封并且在轴套的外侧端面上开设有两个固定孔,进料管与排气管分别固定在一固定孔中,螺旋输送轴穿设在进料管中并且通入至高温滚筒,排气轴穿设在排气管中并且通入至高温滚筒,轴套的壁板为具有内部空腔的双层板,在壁板上开设有进水口与出水口,在内部空腔中构成降温用的水循环结构。本申请可实现更为高效的降温效果,对机械密封及轴承进行保护,从而使得设备的整体耐热性能更好。

标签:
真空回转窑 回转窑 进料装置
江苏 - 常州 来源:常州市东工电器有限公司 2024-02-22
热处理用真空回火炉
热处理用真空回火炉 1106     
 0

本实用新型公开了一种热处理用真空回火炉,包括外壳,所述外壳的下端设有底座,外壳的前端设有安全门,所述外壳的下端设有电机一,所述电机一通过连接杆与外壳连接,所述连接杆安装在电机一的左右两端,所述外壳的上端设有电机二,所述电机二的右侧位于外壳上端设有进气管,所述外壳的内部左右侧壁和底端均设有加热器,所述外壳内部底端上方设有放置盘,所述放置盘的下端设有支撑盘,所述支撑盘与电机一的电机轴连接,所述支撑盘的下方设有支撑杆。本实用新型,外壳内的温度高于预定值时,出现了故障,打开喷头使其将水雾化喷出,然后利用风扇吹动雾化的水,使得外壳内快速降温,从而避免造成不必要的损失。

标签:
真空回火炉 回火炉
福建 - 莆田 来源:蔡俊涛 2024-01-08
真空脱水机用供料装置
真空脱水机用供料装置 1367     
 0

本实用新型提供一种真空脱水机用供料装置,包括供料装置的主体,所述主体的内部设置有筛料板,所述筛料板上连接有转轴,所述转轴上连接有活动轴套,所述活动轴套上设置有多个与筛料板相适应的叶片,所述转轴上还设置有与活动轴套相适应的限位机构,可以通过叶片与挤压斜板相互配合在转轴旋转时将颗粒物料进行收集并在挤压斜板上进行挤压,迫使其完全破碎避免颗粒物料进入真空脱水机损坏滤网,同时能够通过筛料板将颗粒物料进行存留并持续破碎极大地减少了颗粒物料进入真空脱水机的情况。

标签:
真空脱水机 供料装置
湖北 - 黄冈 来源:红安伟杰现代农业发展有限公司 2023-12-08
原位合成真空热处理炉隔热复合涂层及其制备方法

本发明属于陶瓷涂层技术领域,公开了一种原位合成真空热处理炉隔热复合涂层及其制备方法,该隔热复合涂层由过渡层和陶瓷涂层组层,其中过渡层包括ZrN和Fe两种组分,而陶瓷涂层为ZrN单一组分,此外过渡层和陶瓷涂层分别为Zr/Fe混合粉末和纯Zr粉末在含氮反应气氛下通过等离子喷涂原位反应生成。制备方法步骤依次为:原料配比;球磨制粉;喷雾干燥制团聚颗粒;基底表面预处理;喷涂过渡层;喷涂陶瓷层电子束熔覆处理。本发明制备的复合涂层热导率为1.4~3.4W/(mK)(25℃),涂层结合力为28~38MPa,复合涂层具有良好的隔热和结合力,制备方法操作简单、效率高。

标签:
真空热处理炉 热处理炉
江苏 - 南京 来源:江苏美特林科特殊合金股份有限公司 2023-12-06
真空闪蒸浓缩冷却结晶一体化工艺

本发明公开了一种真空闪蒸浓缩冷却结晶一体化工艺,具体工艺过程如下:物料进入真空闪蒸浓缩结晶罐,在高温段采用闪蒸进行蒸发浓缩;然后用循环泵从罐底部抽吸蒸发浓缩后下落至罐底的物料,然后将物料泵入罐顶端强制循环,强化蒸发,使物料在浓缩至一定浓度后停止浓缩;采用冷冻介质进入罐内换热圆盘内进行冷却,达到物料所需结晶温度;将冷却结晶后的物料再进入下一工序进行过滤分离,得到合格的液体和结晶产物。本发明将浓缩单元操作工序和结晶单元操作工艺工序结合在一起,在一台设备中完成二个单元操作工艺,实现了工序简化、大幅节能、减少人工的目的。

标签:
浓缩冷却结晶 冷却结晶
江苏 - 无锡 来源:江苏瑾瑜节能环保科技有限公司 2023-12-04
超声辅助铜合金真空熔炼炉

本发明提供一种超声辅助铜合金真空熔炼炉,包括机械泵、扩散泵、分离式炉体、水冷炉盖和超声设备:机械泵和扩散泵分别与分离式炉体内连通;分离式炉体上部通过真空波纹管与超声设备相连;分离式炉体能在轨道上滑动,并向水冷炉盖方向旋转,以实现分离式炉体与水冷炉盖的配合;水冷炉盖靠近分离式炉体的一侧设置有感应线圈,感应线圈与水冷炉盖内均设置有水冷通道,所述感应线圈的电源线穿过水冷炉盖与加热电源连接;当超声设备下降时,超声设备的超声探头能自真空波纹管深入到感应线圈内。该熔炼炉能兼具铜合金熔炼与超声处理置,实现在在铜合金熔体中施加超声波,以用于研究超声在高温溶体中的作用原理以及对第二相分布的影响规律。

标签:
熔炼炉 真空熔炼炉
辽宁 - 大连 来源:大连理工大学 2023-11-30
真空过滤系统
真空过滤系统 818     
 0

本实用新型公开了一种真空过滤系统,包括真空带式过滤机、分离器和水环式真空泵,所述分离器通过输液管与真空带式过滤机相连,所述分离器通过输气管与水环式真空泵相连,所述水环式真空泵启动后可抽取真空带式过滤机的过滤介质上的料浆中的水分,所述水分经输液管进入分离器;所述分离器连通有破真空电磁阀和排液管一,所述破真空电磁阀打开后。有益效果:本实用新型的技术方案通过将系统的排水口伸入收集槽内的废液液面下,利用废液作为液封对排水口进行封堵,既不影响系统排水,又可靠的对系统进行密封,系统不易漏气,系统内气压稳定,

标签:
真空过滤系统 真空带式过滤机
云南 - 昭通 来源:云南水富云天化有限公司 2023-11-29
水环式真空泵
水环式真空泵 482     
 0

本实用新型涉及一种水环式真空泵,包括泵体以及安装在泵体上的水循环降温系统,泵体两侧设有第一泵盖和第二泵盖,第一泵盖和第二泵盖上均设有连通泵体内部的工作液接口,用于向泵体内叶轮处补充工作液,工作液接口之间连通工作液通管,工作液通管上安装有制冷机,用于对进入泵体内的工作液进行降温;泵体上部两端均设有进气口和出气口,出气口之间连通水循环降温系统设有的汽水分离器,用于出气口对排出的高温气体进行汽水分离,汽水分离器底部设有排水口,排水口通过排水管连接到制冷机;本实用新型在进液管上安装制冷机,避免高温造成泵体内的部件磨损;减少真空泵的占地面积,形成工作液的循环,提高真空泵的工作效率。

标签:
水环式真空泵 真空泵
山东 - 淄博 来源:山东淄博德西瑞泵业有限公司 2023-11-29
高效脱水真空筛
高效脱水真空筛 1074     
 0

本实用新型公开了一种高效脱水真空筛,包括物料出口、双层筛板区、振动电机、倾斜筛板区、进料端筛板、筛体、参振密封水斗、金属软管、水封真空管、排水槽、底座和真空发生器,底座通过四组减振弹簧与筛体连接,且筛体下端位于底座内设有排水槽,筛体上端通过电机座与振动电机连接,筛体内从右至左以此设有进料端筛板、倾斜筛板和双层筛板区,且双层筛板区下端设有相对应的参振密封水斗,参振密封水斗的出水口通过金属软管与水封真空管的入水口连接,水封真空管的抽气口通过管道与真空发生器的入气口连接,本实用新型结构简单、便于操作,不仅大大提高了脱水率,同时还可满足不同粒度、不同粘度物料的筛分,应用范围广泛。

标签:
真空筛 脱水真空筛
河南 - 新乡 来源:新乡市高服机械股份有限公司 2023-11-28
上一页 1 2 3 4 5 ... 280 下一页
共280页    到第

中冶有色为您提供最新的有色金属真空冶金技术理论与应用信息,涵盖发明专利、权利要求、说明书、技术领域、背景技术、实用新型内容及具体实施方式等有色技术内容。打造最具专业性的有色金属技术理论与应用平台!

全国热门有色金属设备推荐
展开更多 +
全国热门有色金属技术推荐
展开更多 +

 

江西省隆恩特环保设备有限公司
宣传

报名参会
更多+

2025年10月15日 ~ 17日
2025年10月17日 ~ 19日
2025年10月31日 ~ 11月02日
2025年11月07日 ~ 09日

报告下载

有色专家
更多+

北京科技大学
主任/教授
矿冶科技集团有限公司
所长/研究员级高工
中南大学
院长/教授
重庆大学
副院长/教授
中南大学
教授、博士生导师
赤泥综合利用研究报告2025
推广

热门技术
更多+

推荐企业
更多+

福建省金龙稀土股份有限公司
宣传

发布

在线客服

公众号

电话

顶部
咨询电话:
010-88793500-807