青岛垚鑫智能科技有限公司
宣传

位置:北方有色 >

有色技术频道 >

分类:
全部
矿山技术
冶金技术
材料制备及加工技术
环境保护技术
分析检测技术
地区:
全部
北京
天津
上海
重庆
河北
山西
辽宁
吉林
黑龙江
江苏
浙江
安徽
福建
江西
山东
河南
湖北
湖南
广东
海南
四川
贵州
云南
陕西
甘肃
青海
内蒙
广西
西藏
宁夏
新疆
其他
其他
展开
 
全部

有色金属技术理论与应用

免费发布技术信息>>
免煅烧制备玻璃轻石负载废旧锂电池材料复合催化剂的方法

本发明公开一种免煅烧制备玻璃轻石负载废旧锂电池材料复合催化剂的方法,涉及光环境功能材料与资源循环利用技术领域。制备方法具体为:将退役废旧锂电池经放电、拆解、破碎、筛分后得到正极粉体,对正极粉体清洗、干燥,得到回收正极材料粉;将玻璃轻石用酸液浸泡,之后水洗、干燥,得到处理后的玻璃轻石;将回收正极材料粉制成悬浮液;将处理后的玻璃轻石加入到悬浮液中,得到负载后的悬浮液,将负载后的悬浮液干燥,在惰性气体气氛下梯度干燥、清洗得到复合催化剂。

标签:
废旧锂电池材料 复合催化剂
云南 - 昆明 来源:昆明理工大学, 云南交通职业技术学院 2026-03-02
矿山破碎机防尘装置
矿山破碎机防尘装置 257     
 0

本实用新型公开了一种矿山破碎机防尘装置,属于破碎机技术领域,包括破碎箱,所述破碎箱的背面固定安装有降尘箱,所述降尘箱的背面通过合页铰接有箱门,所述降尘箱的内底壁安装有收集罩,所述箱门的背面开设有出气孔,所述出气孔的内壁固定安装有横板,所述横板的背面固定安装有排气扇,所述降尘箱的上表面固定连通有两个传输管,通过在降尘箱的内底壁安装收集罩,使得可以有效对粉尘进行集中,通过在横板的背面安装排气扇,使得排气扇运行时产生的吸力可以将降尘箱内部的空气抽出,通过在破碎箱的内壁安装第一吸尘件和第二吸尘件

标签:
矿山破碎机 防尘装置
内蒙 - 鄂尔多斯 来源:李建洋 2026-03-02
矿山破碎机用偏心套加工工装

本申请公开了一种矿山破碎机用偏心套加工工装,其包括放置套、固定座以及压盖,所述放置套的内部开设有与所述偏心套本体形状对应的放置内孔,所述放置内孔贯穿所述放置套的两端,所述固定座连接于所述放置套的一端,所述偏心套本体插设于所述放置内孔中,所述连接环与所述固定座抵接,所述压盖设置于偏心套本体位于所述放置套外侧的一端,所述压盖通过连接件与所述固定座可拆卸连接。本申请具有提高偏心套的加工精度的效果。

标签:
矿山破碎机 偏心套加工工装
江苏 - 常州 来源:江苏湘林嘉雨机械有限公司 2026-03-02
可防物料飞溅的矿山破碎机

本实用新型公开了一种可防物料飞溅的矿山破碎机,涉及矿山破碎机技术领域,包括破碎机本体、进料口、出料口和破碎辊,所述破碎机本体的顶端设置有进料口,所述破碎机本体的底端设置有出料口。将橡胶垫带动连接块与移动板卡合,然后第一电机的输出端能带动移动板移至进料口内部,避免物料通过进料口飞溅出去,导致工作人员受伤,通过拉动弹簧限位杆,然后将过滤网放入安装座内部,将弹簧限位杆松动,使得弹簧限位杆能与过滤网锁紧,然后水通过进水口进入过滤箱过滤,使得过滤后的水进入水箱内部

标签:
矿山破碎机 破碎机
安徽 - 芜湖 来源:安徽荻港海螺水泥股份有限公司 2026-03-02
矿山破碎机用圆锥衬板

本发明公开了一种矿山破碎机用圆锥衬板,涉及圆锥破碎机技术领域,该圆锥衬板,包括:圆锥衬板基体;复合堆焊层,覆盖于所述圆锥衬板基体表面,所述复合堆焊层由碳化钨颗粒与D212焊丝通过二氧化碳气体保护焊工艺熔合形成,其中:所述碳化钨颗粒的粒度为14‑24目,所述D212焊丝包含铬(3.0‑5.0wt%)和钼(1.0‑2.0wt%);所述复合堆焊层的厚度为4‑10mm,硬度≥380HB,碳化钨颗粒与D212焊丝形成的复合堆焊层,硬度达到≥380HB,远高于传统堆焊层的硬度,能够有效抵御各种工况下的强烈摩擦和冲击。

标签:
矿山破碎机 圆锥衬板
福建 - 三明 来源:中机焊业科技(福建)有限公司 2026-03-02
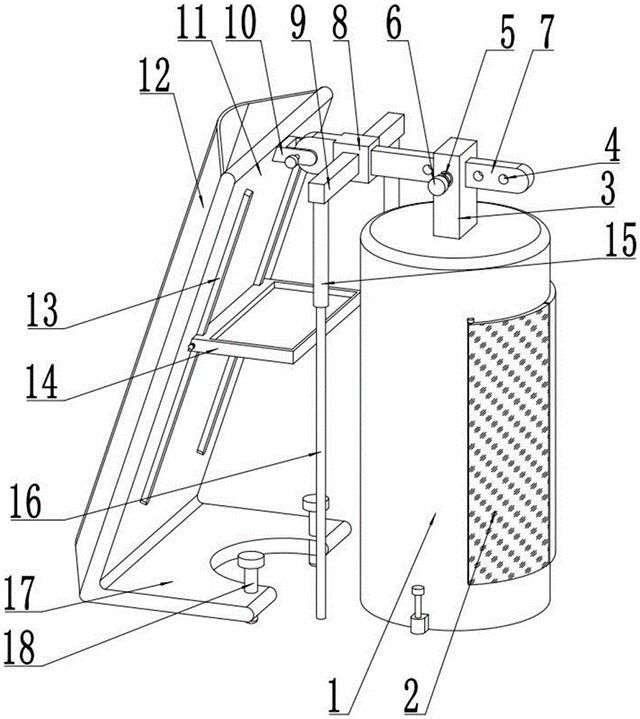
用于锌锭的表面清洁处理装置

本实用新型涉及锌锭表面处理技术领域,且公开了一种用于锌锭的表面清洁处理装置,解决了锌锭用表面清洁处理装置在使用的过程中,无法达到自动处理效果的问题,其包括处理箱,处理箱的外侧对称安装有箱门,处理箱的内部设置有放置板,且放置板的内部均匀贯穿开设有通孔,放置板的两端中部均固定安装有伸缩固定杆,且两根伸缩固定杆互相靠近的一端均固定安装有固定条板,放置板的顶部四角边均固定安装有调节伸缩杆,且四根调节伸缩杆的顶部均与处理箱的内部顶端固定连接,处理箱的内部顶端中部安装有清洁处理组件;

标签:
锌锭 锌锭表面清洁处理装置
天津 - 天津 来源:天津市宏宸金属材料有限公司 2026-03-02
提升铸造铝合金中锌元素均匀性的方法及装置

本发明涉及铝合金熔炼净化设备技术领域,公开一种提升铸造铝合金中锌元素均匀性的方法及装置,其基本构思为:1)将锌锭浸没入铝合金熔炼产线流槽的铝水中5mm‑10mm;2)根据设定的参数自动调节锌锭的高度使锌锭保持在最佳的升降位置,进而实现锌元素在铸造铝合金中的均匀分布。本发明还提供一种提升铸造铝合金中锌元素均匀性的装置,包括底座和安装在底座上的电子称重装置、伺服电机、上下升降装置、铝水液位测量装置、控制器和锌锭,上下升降装置可升降地安装在底座上并在伺服电机的驱动下进行升降

标签:
铝合金 锌元素
广东 - 佛山 来源:广东齐力澳美高新材料股份有限公司 2026-03-02
湿法炼锌电解液中总碳含量的测定方法

本发明公开了一种湿法炼锌电解液中总碳含量的测定方法,步骤一,用容器采集一定量的锌电解液后过滤得到滤液,分取适量滤液测定酸度;步骤二,移取适量锌电解液并调节至中性,得到待测液;步骤三,将待测液冷冻干燥得到干燥固体,然后将干燥固体转入密封式化验制样粉碎机,制成均匀、粉末状待测试样;步骤四,称取适量待测试样,引入高频红外碳硫仪测定碳含量,根据高频红外碳硫仪的测定结果换算锌电解液的碳含量;

标签:
湿法炼锌电解液 碳含量测定方法
江西 - 九江 来源:江西铜业铅锌金属有限公司 2026-03-02
耐腐蚀压铸铝合金及其制备方法和阳极氧化方法

本发明公开了一种耐腐蚀压铸铝合金及其制备方法和阳极氧化方法,所述铝合金的材料组成包括:Si≤0.3wt%;Fe≤1.0wt%;Cu≤0.5wt%;Mn1.5‑2.0wt%;Mg0.1‑0.3wt%;Zn2.5‑4.5wt%;Ti0.05‑0.15wt%;Cr0.5‑1.5wt%;Co2.5‑3.5wt%;余量为Al和杂质,杂质总含量小于等于0.25wt%;所述铝合金的抗拉强度≥200MPa,屈服强度≥110MPa,延伸率≥10%;

标签:
压铸铝合金 铝合金制备
广东 - 佛山 来源:广东正沅材料科技有限公司 2026-03-02
带钢镀锌锅溢流式锌液补充装置

一种带钢镀锌锅溢流式锌液补充装置,属于带钢加工设备技术领域,包括用于盛纳锌液并进行热浸镀锌的镀锌锅和用于将锌锭熔化成高温锌液的熔锌炉,熔锌炉的底部高于镀锌锅的底部,所述熔锌炉底部设有出液口,所述镀锌锅和熔锌炉之间设有位于出液口下方的导流通道,且导流通道沿锌液流向向下倾斜延伸,所述镀锌锅的外部设有缓冲室,缓冲室与镀锌锅之间通过开设在镀锌锅上的通槽连通,通槽底壁和缓冲室底壁均低于镀锌锅内锌液液面,导流通道的底端搭设在缓冲室顶端,使熔锌炉内的锌液经导流通道流入缓冲室,然后通过通槽进入镀锌锅内。

标签:
带钢加工设备 带钢镀锌锅
宁夏 - 石嘴山 来源:宁夏建龙龙祥钢铁有限公司 2026-03-02
矿山充填胶固粉充填材料磨粉装置

本实用新型公开了一种矿山充填胶固粉充填材料磨粉装置,涉及磨粉装置技术领域,包括球磨组件、卸料组件,所述球磨组件包括支撑底架、前滚筒、后滚筒,所述卸料组件包括中部滚筒、环形槽、装卸口、封堵板、固定单元、锁止单元、导向单元;所述固定单元用于实现中部滚筒与后滚筒的连接固定;所述锁止单元用于在中部滚筒与后滚筒不固定时对中部滚筒的位置进行锁止,所述导向单元用于使前滚筒、后滚筒内侧的研磨体导向滚动至中部滚筒区域。

标签:
矿山充填胶固粉充填材料 磨粉装置
山东 - 济南 来源:山东菲恩新材料有限公司 2026-02-28
酸性矿山废水处理用多孔吸附材料及其制备方法

本发明属于废水处理技术领域,具体涉及一种酸性矿山废水处理用多孔吸附材料及其制备方法,其中,所述多孔吸附材料包括以下重量份原料:改性膨润土55‑80份、碳源10‑20份、L‑半胱氨酸1‑4份、GPTMS5‑21份、DMC10‑35份、DMA5‑21份、致孔剂2.5‑10.5份、过硫酸铵0.5‑2.1份,以酸活化的膨润土纳米片作为骨架,与S‑CDs、GPTMS通过共价键和非共价键交联,形成“刚柔并济”的有机‑无机杂化三维网络,通过DMC、DMA原位聚合引入多种吸附位点,并在致孔剂作用下构建了具有多级孔道的凝胶结构

标签:
酸性矿山废水处理 多孔吸附材料
贵州 - 毕节 来源:毕节职业技术学院(贵州省毕节农业学校), 贵州大学 2026-02-28
以铅冶炼渣为主料的矿山充填胶凝材料的制备方法及其实施装置

本发明涉及一种以铅冶炼渣为主料的矿山充填胶凝材料的制备方法及其实施装置,所述制备方法包括:S1:对铅冶炼渣实施筛分、磁选及烘干、粉磨四道预处理工序以获得预处理渣料;S2:按质量比三比二比一混合硅酸盐水泥熟料、偏高岭土及硫酸钠以构成辅助激发组分;S3:按质量比五比三比二混合纳米二氧化硅、磷酸二氢钙及木质素磺酸钠以构成稳定化添加剂。本发明通过构建以铅冶炼渣为主料的胶凝体系,通过优化辅助激发组分配比,减少对高成本化学激发剂的依赖,使单位胶凝材料成本降低20%以上。

标签:
矿山充填胶凝材料 铅冶炼渣
青海 - 西宁 来源:西部矿业股份有限公司, 西部矿业集团科技发展有限公司, 巴彦淖尔西部铜业有限公司, 西部矿业股份有限公司锡铁山分公司, 青海西部矿业工程技术研究有限公司 2026-02-28
矿山生态修复用隔离带

本发明属于生态修复技术领域,具体涉及一种矿山生态修复用隔离带,由多个隔离单元沿长度方向连接而成,每个隔离单元包括:对称设置的链条框架,链条框架贴合矿山斜坡倾斜设置;链条框架内部设有多功能填充体,多功能填充体从下至上依次包括:仿形压板、设置在仿形压板上的防渗衬底层、设置在防渗衬底层上方的分级过滤净化腔,以及设置在分级过滤净化腔上方的生态恢复基座层;链条框架上设有立杆,立杆侧部设有石土分离装置,石土分离装置用于过滤分离矿山斜坡上冲下的石块与水土,完成过滤分离石块,且将水土传输至生态恢复基座层上表面。

标签:
矿山生态修复 生态修复技术
江苏 - 南京 来源:江苏省地质调查研究院, 南京大学 2026-02-28
固废基自愈合型矿山充填材料及其制备方法与应用

本发明公开了固废基自愈合型矿山充填材料及其制备方法与应用,属于固废资源利用的技术领域,按重量百分比计,各组分组成如下:固废基材料35~40%、自愈合母料A 2~3%、自愈合母料B 3~5%、半干法脱硫灰8~13%与尾矿砂40~50%;当固废基自愈合型矿山充填材料水化完成后出现裂纹渗水时,自愈合母料B中甲基硅酸钠的硅醇基与固废基胶凝材料中硅酸二钙、硅酸三钙发生脱水交联反应,形成具有“反毛细管”效应的抗渗硅酸盐;

标签:
矿山充填材料 采矿技术
安徽 - 马鞍山 来源:中钢集团马鞍山矿山研究总院股份有限公司 2026-02-28
金属非金属矿山井下涌水观测装置

本实用新型公开了一种金属非金属矿山井下涌水观测装置,包括:测量容器,设置有进水口,所述进水口上设置有进水接头,所述测量容器上设置有读取测量容器水量的刻度;导水软管,一端连接进水接头,另一端连接钻孔接头;钻孔接头,包括管体和设置在管体内的胀紧机构,所述胀紧机构能够伸入到钻孔中并与钻孔内壁连接,将钻孔接头固定在钻孔位置,所述导水软管与管体连接。观测装置结构简单,与钻孔之间的连接稳定,不会出现在测量过程中钻孔接头从钻孔上脱落的问题,保证测量的精度,通过钻孔接头与钻孔之间的连接,能够适用于岩壁、洞顶等部

标签:
矿山井下涌水观测装置 矿山装置
青海 - 海西蒙古族藏族自治州 来源:都兰金辉矿业有限公司 2026-02-28
用于热处理后的冷却设备

本实用新型属于硅锰合金球加工技术领域,尤其为一种用于热处理后的冷却设备,包括支撑罩,所述支撑罩内壁转动连接有驱动载轮,所述驱动载轮外侧设置有若干个分区容料槽,所述驱动载轮两侧均安装有若干个遮挡网板,所述遮挡网板安装于对应所述分区容料槽内壁,所述支撑罩顶端安装有投料箱,所述支撑罩一侧开设有排料口;通过若干个分区容料槽、若干个遮挡网板和投料箱的配合使用,硅锰合金球一次性投入较多时,多余的硅锰合金球能够留在投料箱中,避免分区容料槽携带较多的硅锰合金球同时进入支撑罩中冷却

标签:
冷却设备 硅锰合金球加工
河南 - 南阳 来源:西峡县东泰冶金材料有限公司 2026-02-28
高钙石灰破碎机
高钙石灰破碎机 175     
 0

本实用新型公开了一种高钙石灰破碎机,涉及石灰石破碎机技术领域,包括破碎台,所述破碎台的两端分别固定安装有支撑架,所述破碎台一侧的中部固定安装有破碎仓,所述破碎仓的内部转动连接有破碎辊,所述破碎辊的一端传动连接有驱动电机。本实用新型中,泵机将水泵入到进水管的内部,水雾从出水喷头的一端喷出,对飘浮在粉尘封闭仓内壁的粉尘进行除尘操作,避免粉尘结块污染作业现场的环境,同时设置在破碎仓与降尘组件之间的防护滤网能够将破损过程中产生的碎石隔离在破碎仓的内部

标签:
高钙石灰破碎机 破碎机
山东 - 济南 来源:山东鲁顺冶金材料有限公司 2026-02-28
稀土钕基粉末冶金材料的制备装置

本实用新型公开了一种稀土钕基粉末冶金材料的制备装置,涉及稀土钕基粉末制备技术领域,包括主体架,所述主体架的内壁设置有混合组件,通过设置的混合组件,使得电机的输出端转动带动转动柱转动,转动柱转动带动从而带动混合桶,混合桶转动从而对混合桶内部的稀土钕基粉末原料与其他添加剂进行倒复混合,从而避免不同粒径的原料与添加剂出现大颗粒沉降、轻细颗粒上浮分层现象,当混合桶转动时通过齿轮盘和圆锥齿轮相互配合使用从而带动活动柱和打散架转动,活动柱和打散架转动从而便于在混合桶将内部原料倒复混合的同时进行打散

标签:
稀土钕基粉末冶金材料 稀土钕基粉末制备
山东 - 青岛 来源:青岛蓝海新材料科技有限公司 2026-02-28
单晶炉料筒自动挂料系统

本实用新型提供一种单晶炉料筒自动挂料系统,包括外壳体、提挂组件、导向罩和料筒接头,外壳体的侧边开设有活动槽和开孔,提挂组件包括限位销、弹簧压杆和活动臂,导向罩顶部与外壳体螺纹连接,导向罩顶部与外壳体连通,料筒接头底部与石英石料筒固定连接,料筒接头另一端能够连接在提挂组件上。本实用新型能够实现料筒的快速、准确悬挂,降低安全风险,减少人工操作的时间和成本,还可以避免因人为因素导致的悬挂不稳或操作失误等问题

标签:
单晶炉料筒 自动挂料系统
云南 - 红河哈尼族彝族自治州 来源:云南嘉泰来新材料有限公司 2026-02-28
锰合金添加剂开发粉碎装置

本实用新型公开了一种锰合金添加剂开发粉碎装置,包括两级粉碎设备、出口管一、出口管二,第一级粉碎设备破碎后的锰合金颗粒通过导流板输送至第二级粉碎设备,第二级粉碎设备粉碎后的锰合金颗粒通过导流板输送至存储罐内,两级粉碎设备破碎后的颗粒通过导流板筛分后、经过支撑板输送至传送带上回收,实现分级粉碎和废弃颗粒筛分回收,实现粉碎后的锰合金添加剂颗粒度均匀。进行粉尘处理过滤,粉尘过滤箱优选‌复合纤维滤筒除尘器,以实现较高的过滤效率和较好的耐磨损性。

标签:
锰合金添加剂 粉碎装置
江苏 - 徐州 来源:徐州市永晟冶金材料有限公司 2026-02-28
湿法深度净化+电解精炼+真空熔炼/区域熔炼 高纯金属制备组合工艺技术

随着半导体、新能源、航空航天等战略新兴产业的快速发展,高纯金属(纯度≥99.999%)已成为支撑现代高科技产业的核心基础材料。研究表明,"湿法深度净化+电解精炼+真空熔炼/区域熔炼"的组合工艺已成为制备5N级以上高纯金属的主流范式。

标签:
高纯金属材料制备 除金属杂质装置 高纯铼粉制备工艺
北京 - 北京 来源:科海思(北京)科技有限公司 2026-02-28
可调节偏心距的矿山设备振动筛

本发明公开了一种可调节偏心距的矿山设备振动筛,涉及可调节偏心距的振动筛技术领域。本发明包括底座,所述底座的顶部固定连接有减震弹簧,所述减震弹簧的一端固定连接有框架,所述框架的内侧面固定连接有筛网,所述框架的内侧面固定连接有引流收集槽板,所述底座的顶部设置有偏心距调节振动装置,所述偏心距调节振动装置包括电机,所述电机的圆周面固定连接在底座的顶部上,所述电机的输出轴固定连接有转轴,所述转轴的圆周面设置有皮带,所述转轴通过皮带传动连接有转动轴,本发明通过偏心距可调结构设计,实现了振动筛振幅的灵活控制。

标签:
矿山设备振动筛 振动筛
福建 - 漳州 来源:漳州市德睿机械设备有限公司 2026-02-27
矿用防堵塞净化装置
矿用防堵塞净化装置 180     
 0

本实用新型涉及污水过滤技术领域,且公开了一种矿用防堵塞净化装置,包括过滤箱,过滤箱的内壁滑动安装有安装框,安装框的上内壁固定安装有过滤网,过滤箱的两侧固定安装有固定框,固定框的内部转动安装有丝杆,丝杆的外侧螺纹安装有移动块,移动块的上表面固定安装有连接板,连接板的下部固定安装有安装板,安装板的表面固定安装有液压杆,液压杆的下端固定安装有刮板,过滤箱的侧边固定安装有水泵,安装板的两侧固定安装有出水板,出水板的下部设置有高压喷头,过滤箱的外侧固定安装有水箱。

标签:
矿用防堵塞净化装置 污水过滤技术
河南 - 安阳 来源:河南志林矿山设备科技有限公司 2026-02-27
废气处理吸收塔
废气处理吸收塔 198     
 0

本实用新型提供一种废气处理吸收塔,涉及废气处理技术领域,包括塔体,所述塔体内部下端的一侧贯通安装有进气管,所述塔体的内部上端安装有喷淋机构,所述塔体的内部中间安装有暂存筒,所述暂存筒位于进气管和喷淋机构之间,所述暂存筒的内部安装有若干填料层。本实用新型通过液体流动推动叶轮旋转,叶轮带动第二转轴转动,经链条和链轮传动,使第一转轴带动暂存箱和喷头转动,实现多角度喷洒,相比固定喷头,多角度喷洒能让水雾更全面地覆盖废气,大大增加了水雾与废气的接触面积,从而更充分地吸收废气中的有害物质

标签:
废气处理吸收塔 吸收塔
江苏 - 南通 来源:南通仁源节能环保科技有限公司 2026-02-27
化工废气无害化处理装置

本实用新型涉及废气处理技术领域,且公开了一种化工废气无害化处理装置,包括箱体,箱体的顶部插接有第一框架、第二框架以及第三框架,第一框架的内壁固定连接有粉尘过滤网,第二框架的内壁固定连接有颗粒过滤网,第三框架的内壁固定连接有活性炭过滤网,第一框架、第二框架以及第三框架的顶部均固定连接有第一拉块;

标签:
废气处理 废气处理装置
广东 - 深圳 来源:深圳市富硒科技有限公司 2026-02-27
控制结晶混盐量降低杂盐率的高盐废水处理方法

本发明属于化工废水蒸发结晶领域,公开了一种控制结晶混盐量降低杂盐率的高盐废水处理方法。方法:对高盐废水进行纳滤得到硫酸钠浓水和氯化钠浓水;将硫酸钠浓水和十水硫酸钠溶解液预热后送入硫酸钠蒸发结晶装置得到硫酸钠固体产品和母液S1;将氯化钠浓水和冷冻结晶后母液S4预热后送入氯化钠蒸发结晶装置得到氯化钠固体产品和母液S2;将母液S1和母液S2混合后送入混盐蒸发结晶装置得到混盐湿物料和母液S3;将混盐湿物料与换热后的蒸发冷凝水混合溶解,得到混盐溶解液经预冷后送入混盐冷冻结晶装置得到十水硫酸钠固体和冷冻结晶后母液S4。

标签:
高盐废水处理 废水处理方法
安徽 - 合肥 来源:鲁信天地人环境科技(安徽)集团有限公司 2026-02-27
化学镀废水的分质电解-氧化协同处理方法及装置

本发明属于电镀废水处理技术领域,具体涉及一种化学镀废水的分质电解‑氧化协同处理方法及装置。本发明将化学镀废水进行调节配伍,得到预处理废水,所述化学镀废水中含有重金属元素;将所述预处理废水进行荷电纳滤膜分离,得到络合态重金属废水和离子态重金属废水;将所述络合态重金属废水进行臭氧氧化处理,得到氧化后废水,将所述氧化后废水进行第一隔膜电解处理,回收重金属;将所述离子态重金属废水进行第二隔膜电解处理,回收重金属。

标签:
电镀废水处理 化学镀废水处理
广东 - 广州 来源:生态环境部华南环境科学研究所(生态环境部生态环境应急研究所), 南京华创环境技术研究院有限公司 2026-02-27
基于膜分离的钨冶炼废水零排放方法及系统

本发明涉及钨冶炼废水处理技术领域,一种基于膜分离的钨冶炼废水零排放方法及系统,包括:基于废水零排放指令确认废水零排放环境,基于一级沉淀单元对所述初始冶炼废水进行一级沉淀处理,利用二级沉淀单元对一级沉淀废水进行二级沉淀处理,利用预构建的离子检测机构对二级沉淀废水进行特征离子检测,基于所述预处理单元对所述高盐废水进行预处理,用纳滤装置对所述预处理废水进行纳滤操作,基于反渗透装置对所述纳滤浓水进行深度浓缩,基于末端浓水处理单元获取末端浓水处理指令。本发明可提高钨冶炼废水零排放的效率和可持续性。

标签:
钨冶炼废水 废水处理方法
江西 - 九江 来源:江西省修水赣北钨业有限公司 2026-02-27
诱导结晶除氟装置及方法

本发明属于废水处理技术领域,公开了一种诱导结晶除氟装置及方法,包括晶体生长池、沉淀分离池和复合吸收塔,所述晶体生长池的底部通过晶种导流管与沉淀分离池的晶种入口连接,晶种导流管上设有截止阀Ⅲ,沉淀分离池的底部通过晶种回流管与晶体生长池连通,晶种回流管上设有回流泵、流量计和截止阀Ⅳ,流量计和截止阀Ⅳ位于回流泵的出口侧;沉淀分离池的出水口通过出水管与复合吸收塔的废水入口连接。

标签:
废水处理技术 结晶除氟装置
陕西 - 西安 来源:西安建筑科技大学 2026-02-27
上一页 1 2 3 4 5 ... 500 ... 2000 ... 5000 ... 10000 ... 20000 ... 30000 ... 32494 下一页
共32494页    到第

北方有色为您提供最新的有色金属技术理论与应用信息,包括矿山技术、冶金技术、材料制备及加工技术、环境保护技术和分析检测技术等有色技术信息。打造最具专业性的有色金属技术理论与应用平台!

全国热门有色金属设备推荐
展开更多 +
全国热门有色金属技术推荐
展开更多 +

 

江西省隆恩特环保设备有限公司
宣传

报名参会
更多+

报告下载

有色专家
更多+

矿冶科技集团江苏北矿金属循环利用科技有限公司
书记 / 总经理
武汉工程大学
教授
西安建筑科技大学
教授
云南锡业集团(控股)有限责任公司
副总经理
北京工业大学、中国工程院
中国工程院 院士
赤泥综合利用研究报告2025
推广

热门技术
更多+

推荐企业
更多+

福建省金龙稀土股份有限公司
宣传

发布

在线客服

公众号

电话

顶部
咨询电话:
010-88793500-807