青岛垚鑫智能科技有限公司
宣传

位置:中冶有色 >

有色技术频道 >

分类:
全部
矿山技术
冶金技术
材料制备及加工技术
环境保护技术
分析检测技术
 
全部
火法冶金技术
湿法冶金技术
电冶金技术
真空冶金技术
地区:
全部
北京
天津
上海
重庆
河北
山西
辽宁
吉林
黑龙江
江苏
浙江
安徽
福建
江西
山东
河南
湖北
湖南
广东
海南
四川
贵州
云南
陕西
甘肃
青海
内蒙
广西
西藏
宁夏
新疆
其他
其他
展开
 
全部
武汉
黄石
十堰
宜昌
襄阳
鄂州
荆门
孝感
荆州
黄冈
咸宁
随州
恩施土家族苗族自治州
仙桃
潜江
天门

湖北武汉有色金属冶金技术理论与应用

免费发布技术信息>>
铝基材料的渗铝及嵌铸工艺

一种铝基材料的渗铝及嵌铸工艺,包括渗铝材料的选取与铝基材料表面活化处理,渗铝材料的选取是指根据铝基材料来选取渗铝材料,铝基材料表面活化处理是指将铝基材料置于碱性溶液中浸泡,然后取出清洗、干燥,渗铝材料的选取与铝基材料表面活化处理之后还包括渗铝与嵌铸,渗铝与嵌铸是指先将选取的渗铝材料熔化后再进行保温,然后将表面活化处理的铝基材料进行加热,再将铝基材料置于渗铝材料熔液中并将铝基材料上下振动,然后将取出的铝基材料置于模具中并用渗铝材料熔液进行浇注形成铸件,铸件凝固后铝基材料与渗铝材料之间形成冶金结合面。本设计不仅操作简便,成本低,易于推广使用,而且铝基材料与渗铝材料形成冶金结合面。

标签:
电冶金技术
湖北 - 武汉 来源:中冶有色网 2023-03-18
铝铁合金、其制备方法及用途

本发明涉及冶金领域,具体涉及一种铁铝合金球的制备方法,以各原料重量总和为百分比基准,各原料的重量百分比组成为:Al?39.9?65%、Fe?10?35%、添加剂20?25%、P≤0.05%、S≤0.05%;其中,所述添加剂为高钙水泥和氮化铝粉的混合物;制备过程包括材料准备、混料、机械压制、烧烤。整个过程无需使用电炉,对设备、工艺要求较低,大大节省成本,在炼钢过程中,使用本发明所述的铝铁合金球能够促进脱氧产物上浮、易球排出、明显减少浇铸水的结瘤程度,改善钢的性能,细化晶粒,提高钢的可塑性;使用本发明的方法制备的脱氧剂后,钢中含氧量降低至150ppm以下。

标签:
电冶金技术
湖北 - 武汉 来源:中冶有色网 2023-03-18
回转窑液压挡轮油缸
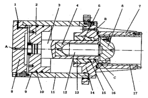
回转窑液压挡轮油缸 731     
 0

回转窑液压挡轮油缸,包括活塞、活塞杆、缸筒、缸底、端盖、凹面球塞、推杆、辅助支承组件、导向筒、导向套、前端导向套、排气塞、组合密封件、防尘圈、支承环等零件。缸底上有进油口,端盖上有泄油口,端盖上设有限位面。具有在使用中,活塞及活塞杆所受的径向力小,活塞杆与导向套的磨损小,密封可靠,使用寿命高和运转平稳性好的特点,适用于有色冶金、水泥等行业。

标签:
电冶金技术
湖北 - 武汉 来源:中冶有色网 2023-03-18
铝镁轻质浇注料及其制备方法

本发明涉及一种铝镁轻质浇注料及其制备方法。其技术方案是:以60~85wt%的铝-镁系多孔陶瓷颗粒为骨料,以10~35wt%的刚玉细粉、0~0.3wt%的氧化硅微粉、1~6wt%的氧化镁微粉和2~8wt%的活性氧化铝微粉为基质料;外加骨料和基质料之和的1~3wt%的减水剂与基质料预混,再将预混后的基质料加入骨料中,然后再外加骨料和基质料之和的8~20wt%的水搅拌均匀,浇注振动成型,成型后的坯体在110~150℃条件下干燥6~36小时。本发明所制备的产品具有硅含量低、无水泥、气孔率高、平均孔径小、耐火度高、高温强度大、热导率低、热震稳定性好和抗钢渣等介质侵蚀能力强的特点,为高温冶金等工业炉节能工作衬材料,能与高温钢渣等介质直接长期接触。

标签:
电冶金技术
湖北 - 武汉 来源:中冶有色网 2023-03-18
水热法制备三氧化二钒的方法

本发明属于有色金属冶金领域,尤其涉及一种水热法制备三氧化二钒的方法,包括有以下步骤:采用氢气与钒浓度大于6g/L、氢离子浓度为10?5~10?14mol/L的高价钒溶液在高温高压反应装置中搅拌反应1小时以上,得到三氧化二钒水浆,所述的高价钒溶液为四价态与五价态钒的混合溶液,其中,反应温度为50~300℃,氢气分压大于1MPa;三氧化二钒水浆经固液分离后得到三氧化二钒滤饼与滤液;三氧化二钒滤饼经真空干燥,得到三氧化二钒。本发明具有工艺简单、环境友好、生产成本低的优点。

标签:
电冶金技术
湖北 - 武汉 来源:中冶有色网 2023-03-18
大线能量焊接非调质高韧性低温钢及其生产方法

本发明涉及一种大线能量焊接非调质高韧性低温钢及其生产方法,属低合金钢制造领域。本发明钢主要含有C、Si、Mn、P、S、Al、Ti、N、B,此外还含有Cu、Ni、Nb、V、Mo、RE中的一种或一种以上,余量为Fe。采用Ti-B的复合氧化物获得抗大线能量(≥50kJ/cm)焊接性能,通过降低碳及夹杂物含量,提高钢的低温韧性。本发明钢以非调质状态交货,生产工艺简单,钢材成本低廉,在各冶金企业均可实施,并可大大提高工程结构的焊接效率,降低制造成本。本发明钢最适合作为低温球罐、储罐、其他大型低温容器及高寒地区使用的工程机械用钢。

标签:
电冶金技术
湖北 - 武汉 来源:中冶有色网 2023-03-18
用于十二辊可逆轧机的轧制油组合物

本发明一种用于十二辊可逆轧机的轧制油组合物,属冶金轧钢油品领域,本轧制油组合物以重量百分数计含有:复合新戊基多元醇酯60-70%;矿物油14-28%;含磷、硫极压抗磨剂各1-5%;复合乳化剂2-12%;防锈剂1-3%;抗氧剂1-3%;消泡剂0.01-0.5%,本轧制油组合物是以具有优异润滑性能的复合新戊基多元醇酯合成酯作为润滑性基础组份,通过添加含磷、含硫两类极压抗磨剂的科学组配,组成高润滑和极压抗磨性能的油性剂主体,再协和采用适当比例的矿物油、防锈油、乳化剂和抗氧化剂,保证了防锈性和乳液稳定性,从而创造性解决了润滑性和清净性的矛盾,既保证了在轧制薄规格钢板质量的润滑性要求,又保护了背衬轴承的润滑需求,并且可在免清洗条件下保证挥发性和退火清净性。

标签:
电冶金技术
湖北 - 武汉 来源:中冶有色网 2023-03-18
冷轧带钢生产机组带尾剪切时防止带尾碎片卡剪的方法

本发明属于冶金冷轧自动控制领域,具体涉及一种冷轧连续带钢生产机组带尾剪切时防止带尾碎片卡剪的方法。计算带尾经过入口转向夹送辊出口光电管的距离,从而计算出需要剪切的剩余带尾总长度L1(第一刀剪切时,L1=L);理想的每片碎片长度ι是一个范围量,当不断的根据剩余待剪切的废料总长度L来调整剪切刀数N,使L/N的值始终落在ι的范围内,从而可保证剪切带尾的每一片碎片包括最后一片都能顺利的通过入口剪输送到废料装置中(就能防止带尾碎片卡剪了)。该方法在冷轧带钢生产机组带尾剪切时,能防止带尾碎片卡剪。

标签:
电冶金技术
湖北 - 武汉 来源:中冶有色网 2023-03-18
楔效应动态密封旋转接头

楔效应动态密封旋转接头是用于印染、化工、造纸、橡胶、塑料、冶金、烟草等工业有流体介质输送进入回转设备的端部接头部位,能持久而有效地防止流体介质跑、冒、滴、漏的新型旋转接头。具有最少的动态密封面(一个);最少的动态密封元件(二个);能在运转中调整密封压力;能自动补偿磨损并保持自润滑的功能;能满足需不断排出或不需排出冷凝介质的回转设备的不同功能要求。

标签:
电冶金技术
湖北 - 武汉 来源:中冶有色网 2023-03-18
基于磁脉冲的多层板料复合成形焊接加工方法

本发明涉及一种基于磁脉冲的多层板料复合成形焊接加工方法,其特征在于,包括以下步骤:S1、取两块或多块平板待加工板料,分别将其置于模具平台上;S2、按照预先设定好的柔性线圈运动轨迹路线,对两块或多块加工板料进行电磁渐进复合成形焊接,电磁渐进复合成形焊接的过程中通过调节放电回路中电容值及放电电压的大小实现电磁渐进成形与电磁脉冲焊接的耦合,最终实现两块或多块平板待加工板料的一体成形与冶金结合;S3、重复迭代进行上述步骤S2,直至满足加工板料形状精度要求以及力学性能要求。本发明通过将电磁渐进成形与电磁脉冲焊接融合在一起,从而实现了异种金属板料复合成形的同时完成冶金结合。

标签:
电冶金技术
湖北 - 武汉 来源:中冶有色网 2023-03-18
原位生成连续空间网状结构的热等静压成形方法

本发公开了一种原位生成连续空间网状结构的热等静压成形方法。根据基体材料在实际应用中的增强需求,该方法在热等静压前,将粉末基体材料表面包覆上一层增强材料,在热等静压高温高压的作用下基体材料与增强材料发生原位反应,生成具有强增效果的新化合物,并且该化合物以空间连续网状结构的形式存在于原始粉末颗粒边界。空间网状结构有效的减少了原始粉末颗粒表面氧化层所带来的冶金缺陷,提高了粉末与粉末间冶金结合的强度,并且生成新的增强相能提高基体材料相关性能,提升热等静压制件的使用寿命与安全性。

标签:
电冶金技术
湖北 - 武汉 来源:中冶有色网 2023-03-18
无旋涡水口
无旋涡水口 700     
 0

本发明公开了一种无旋涡水口,涉及一种冶金行业钢水的流出口(即出钢口)。它是在普通水口本体的通道形空腔内增设了内挡板,水口上沿增设了上挡板。内挡板与上挡板均匀或不均匀分布,内挡板与上挡板的数目相同或不相同。本实用新型的技术方案非常简单,仅仅只增加了上挡板和内挡板,即取得了显著的技术效果。它抑制了钢水的旋涡,使钢水卷渣量小,为精炼提供了条件,提高了钢水质量。本实用新型的水口适用于钢水借助重力作用从一个容器转移到另一个容器的流出口。它包括转炉的出钢口,钢包的座砖和上水口,中间包的座砖水口等;还适用于有色金属铸造时的容器水口。

标签:
电冶金技术
湖北 - 武汉 来源:中冶有色网 2023-03-18
快速制造可摘局部义齿支架的方法

本发明公开了一种激光快速制造可摘局部义齿支架的工艺方法,主要 包括:获取患者的牙颌三维零件模型、对模型添加锯齿状薄壁支撑、分层 离散生成激光加工数控指令、在预热和保温的金属基板上逐层铺粉;然后 利用光束质量M2<1.1的连续YAG或光纤激光器,在10~100μm的聚焦光斑 下,利用优化的铺粉厚度、成型缸下降高度和激光加工工艺把特定粒度范 围的金属或合金粉末逐层熔化,完成整个零件的熔化堆积加工;最后对成 型零件进行回火热处理,获得一个冶金结合、组织密度接近100%的可摘局 部义齿支架。本发明可以克服现有技术的难点,直接制造出高精度和高表 面光洁度、无变形且具有优良机械性能的可摘局部义齿支架。

标签:
电冶金技术
湖北 - 武汉 来源:中冶有色网 2023-03-18
立式轧机换辊小车
立式轧机换辊小车 964     
 0

本发明涉及冶金轧制技术领域,尤其涉及一种使用方便、快捷的立式轧机换辊装置。包括车身和轨道,所述车身配置有车架及驱动机构,底部设有轮子和L形导轨,以便驱动机构推动车身在轨道上滚动;还包括可安装于立式轧机上的托板,所述托板开设有与换辊小车定位用的销孔,所述车身上开设有与所述销孔相应的安装孔,并配置有防锈定位销。本发明具有使用方便、快捷的特点。

标签:
电冶金技术
湖北 - 武汉 来源:中冶有色网 2023-03-18
铜及铜合金表面激光熔覆复合耐磨层及制备方法

本发明涉及铜及铜合金表面激光熔覆复合耐磨层及制备方法,该复合耐磨层为至少两层或两层以上的多层激光熔覆层构成,连接基材的涂层为第一层,也称过渡层,是一种镍基合金,按重量百分比计算其成分为:Cu?20.0~30.0%,Al?6.0~8.0%,Si?0.3~0.6%,Zr?1.7~2.4%,余量为Ni;其余层为钴基合金,按重量百分比计算其成分为:C?1.0~1.5%,Cr?25~30%,Fe?2~4%,W?10~15%,Si?0.8~1.2%,B?3~4%,Ti?8~12%,Ni?10~12%,余量为Co。本发明所述的复合耐磨层组织致密,无裂纹、气孔,与铜及铜合金表面形成良好的冶金结合。本发明所述的制备方法能够精确控制复合耐磨层的厚度及整个过程实现自动控制,具有能耗低,无污染,效率高,成本低的优点。

标签:
电冶金技术
湖北 - 武汉 来源:中冶有色网 2023-03-18
连铸结晶器内钢液凝固传热过程仿真方法

本发明提供的连铸结晶器内钢液凝固传热过程仿真方法,包括由模型数据初始化模块进行模型数据初始化过程、由数据运行模块进行数据仿真计算和仿真结果输出过程步骤,数据运行模块中将初始化过程中的数据导入计算模型,利用所选择的模型和计算方式仿真连铸结晶器内钢液凝固传热过程,得到连铸生产过程中包括与结晶器相关的铸坯表面温度、凝固坯壳厚度、结晶器冷热面温度、冷却水量、冷却水温差和结晶器锥度分布的重要冶金参数。本发明简便易行、可靠性高,适用于离线仿真不同连铸机型的结晶器内钢液凝固传热过程,为大规模生产中连铸生产工艺的确定和调整提供理论依据。

标签:
电冶金技术
湖北 - 武汉 来源:中冶有色网 2023-03-18
烧结、球团及炉窑烟气氨法脱硫后产物硫酸铵溶液提纯装置及方法

本发明涉及一种冶金工业烧结、球团及炉窑工艺中产生的烟气用氨法脱硫后产物硫酸铵溶液提纯的装置及方法。提纯装置包括调PH值箱1、离心分离单元,调PH值箱1和离心分离单元通过管道连接,在连接管道上设置转料泵4,在调PH值箱1的下部连接曝气器3,离心分离单元为卧式螺旋卸料沉降离心机2。本发明利用氨法脱硫工艺中的氨水作为硫酸铵溶液的PH调节剂及金属离子去除剂,采用曝气、化学中和沉淀及物理离心分离的方法对硫酸铵溶液进行提纯,提纯装置结构简单,经济适用,分离后的硫酸铵溶液通过浓缩结晶干燥后,品质可以达到国家硫酸铵标准《GB535-1995》中合格品以上的要求。

标签:
电冶金技术
湖北 - 武汉 来源:中冶有色网 2023-03-18
FeSiBNbCu纳米晶软磁合金及其制备方法

本发明提供了一种FeSiBNbCu纳米晶软磁合金及其制备方法。该制备方法以铁矿石或含有铁矿石、铌铁矿、铜砂、硼砂的混合物作为反应原料,采用氢基还原的方式对反应原料进行还原熔炼,得到的还原合金经熔融除渣、合金化,形成精炼钢液;再采用单辊旋淬法快速冷却精炼钢液,制得FeSiBNbCu非晶带材;在高于晶化温度的条件下进行热处理后,得到FeSiBNbCu纳米晶软磁合金。通过上述方式,本发明能够有效利用冶金工艺与纳米晶软磁合金成型工艺之间的协同作用,在精确控制冶炼条件的基础上有效简化工艺流程,从而在保证制得的纳米晶软磁合金具有优异软磁性能的同时以低成本实现大规模高效生产。

标签:
电冶金技术
湖北 - 武汉 来源:中冶有色网 2023-03-18
集成电路陶瓷电路板表面铜-石墨烯复合涂层及其制备方法

本发明公开了一种集成电路陶瓷电路板表面铜‑石墨烯复合涂层及其制备方法。该复合涂层从里到外由过渡金属(M)扩散层、过渡金属结合层、M/Cu交替多层过渡层、中频磁控Cu加厚支撑层以及冷喷加厚Cu层构成。为了克服电镀铜的污染问题,本发明将电弧离子镀、中频磁控溅射、冷喷和真空热处理等技术联合使用。本发明充分利用多层复合涂层技术,形成结构和成分渐变,涂层和基体为冶金结合,具有良好的附着力;与常规热扩散方法相比,本发明采用涂层技术可以大幅度降低基体温度,但可以获得更优的铜镀层;本发明利用石墨烯的高导热和高导电特性,大幅度提高常规铜涂层的性能。开发出色环保型的陶瓷电路板表面镀铜技术,工业应用前景良好。

标签:
电冶金技术
湖北 - 武汉 来源:中冶有色网 2023-03-18
基于Sialon陶瓷的自润滑热锻模具及其制备方法

本发明公开了一种基于Sialon陶瓷的自润滑热锻模具,包括外模具以及嵌于外模具中的内模具,其中,所述内模具包括镍铬基体相、陶瓷硬质相以及自润滑相,其中,镍铬基体相为NiCr合金粉末,陶瓷硬质相为Sialon陶瓷粉末,润滑相为CaF2粉末,利用球磨机将镍铬基体相、陶瓷硬质相以及自润滑相三相粉末混合均匀,再通过粉末冶金的方法制备得到内模具。本发明提出的基于Sialon陶瓷的自润滑热锻模具,解决了热锻模具在高温环境下发生摩擦磨损和润滑油污染的问题。

标签:
电冶金技术
湖北 - 武汉 来源:中冶有色网 2023-03-18
高强度铲斗
高强度铲斗 1182     
 0

高强度铲斗是指制造出来的铲斗,其材料硬度在HRC40度以上,它在形状结构上于目前所使用的铲斗结构没有区别。铲齿或铲刀采用中、低合金钢,斗的用材采用中、低碳钢或中、低合金钢,铲齿或铲刀与斗的连接可以是冶金连接,也可以是机械连接,斗的结构的各组成部位均为冶金连接。

标签:
电冶金技术
湖北 - 武汉 来源:中冶有色网 2023-03-18
工模具表面改质和修复方法

工模具表面改质和修复方法,属于表面加工方法,目的是既发挥熔射法高效、低成本的优点,又保留激光熔覆法将基体表面上的涂覆材料与基体形成冶金结合的长处,并采用多轴数控加工技术,得到具有不同性能、复杂形状的工模具表面处理层。本发明步骤依序为:(1)通过熔射方法快速地在工模具或零件表面形成所需材料的致密涂层;(2)用激光对涂层按设定的扫描轨迹进行扫描重熔处理,使该涂层与基体冶金结合并得到高度致密的表面处理层;(3)根据表面层厚度要求,将上述步骤(1)、(2)反复进行。本发明适合各种难熔难加工的耐磨、耐腐蚀、耐热、抗氧化材料、形状复杂的工模具或零件表面的高效率、高质量的改质和修复。

标签:
电冶金技术
湖北 - 武汉 来源:中冶有色网 2023-03-18
盾构同步注浆料及其制备方法

本发明提供了一种盾构同步注浆料及其制备方法,所述盾构同步注浆料包括以下重量份数的组分:特种水泥12‑22%、冶金渣微粉26‑34%、尾矿砂45‑52%、流变稳定剂1.6‑4%、悬浮分散剂0.4‑2%、保水增塑剂0.5‑1.5%、减水剂0.8‑1.6%、消泡剂0.04‑0.09%、增强组分3‑11%。本发明通过采用胶凝效率高的特种水泥,将冶金渣微粉和尾矿砂作为主要原材料,并采用多功能添加剂代替传统的注浆料外加剂,制得的盾构同步注浆料具有高流动性、良好的粘接性和微膨胀性;同时由于对固废进行资源化利用,降低了成本,有利于推动固废资源二次利用。

标签:
电冶金技术
湖北 - 武汉 来源:中冶有色网 2023-03-18
FeSiBPNbCr非晶磁粉及其制备方法

本发明提供了一种FeSiBPNbCr非晶磁粉及其制备方法。该制备方法以高磷铁矿或高磷铁矿与铌铁矿、铬砂、石英砂、硼砂、磷灰石的混合物作为反应原料,采用氢基还原的方式对反应原料进行还原熔炼,将得到的还原合金熔融除渣并合金化,得到精炼钢液;再采用气雾化法快速冷却精炼钢液,制得FeSiBPNbCr非晶粉体;经热处理后,得到FeSiBPNbCr非晶磁粉。通过上述方式,本发明能够有效利用冶金工艺与非晶磁粉成型工艺之间的协同作用,在精确控制冶炼条件的基础上有效简化工艺流程,控制杂质含量,并精确控制非晶磁粉的成分,大幅降低生产成本,从而在保证制得的非晶磁粉具有优异软磁性能的同时以低成本实现大规模高效生产。

标签:
电冶金技术
湖北 - 武汉 来源:中冶有色网 2023-03-18
高强度耐冲击耐热耐低温的合金钢及制造工艺

本发明公开了一种高强度耐冲击耐热耐低温的合金钢及制造工艺。它具有良好的铸造性、热处理性、可加工性和焊接性。广泛用于制造应用工温在500℃以下或在500℃到‑50℃冷热兼故并要求强度高、耐冲击、耐磨损、耐低温、耐蚀的石化采油装备中形体复杂的中空曲轴、矿山、冶金装备管式磨机中的中空轴及以铸代锻的齿轮、盘形或环件重要零部件。本发明钢主要性能:屈服强度Бs=(756‑813)N/mm2,抗冲击韧性αku=(61‑69)J/cm2,‑50℃时,αku=(45‑53)J/cm2;它较现有应用较多的ZG35SiMn屈服强度提升了86.8%,韧性提升了85.7%,比德国公司产品性能Бs提升了12.07%,αku提升了47.73%,若按进口产品价(12万元/T)下降45%(即6.6万元/T),生产出口15000T则每年可创汇约1.5亿美元。

标签:
电冶金技术
湖北 - 武汉 来源:中冶有色网 2023-03-18
热轧U型钢板桩及其微合金化生产方法

本发明涉及一种热轧U型钢板桩及其微合金化生产方法,属于钢铁冶金及材料领域。其钢的化学成分按重量百分比的配比如下:C 0.12~0.26、MN 0.6~1.8、SI 0.25~0.60、P≤0.020、S≤0.020、ALS 0.010~0.050、V 0.01~0.20、N≤0.005,它依次包括转炉或电炉冶炼、炉外精炼、连铸、加热和轧制。本发明提高了钢板桩的综合性能,改善了钢板桩的焊接性能,提高了钢板桩的利用率,而且生产工艺简单。

标签:
电冶金技术
湖北 - 武汉 来源:中冶有色网 2023-03-18
单曲柄摆动飞剪
单曲柄摆动飞剪 923     
 0

本发明公开了一种单曲柄摆动飞剪,主要用于冶金行业对于黑色和有色金属冷、热带材进行连续同步剪切的横切生产线,本发明通过伺服电机的传动来带动箱形套筒中的单根曲柄轴转动,从而带动箱形套筒在移动机架内做上下垂直移动的同时,又带动移动机架在固定机架内做左右水平直线运动,上述结构则能实现上下两刀片在相对运动时的线速度同步,再通过电气拖动,能使飞剪在剪切区域内的剪切速度与带材运动速度达到同步。具有结构简单,易于制造和维修,切口平直,剪切速度快,剪切精度高等诸多优点。

标签:
电冶金技术
湖北 - 武汉 来源:中冶有色网 2023-03-18
兼顾成形效率和成形质量的双光束SLM成形方法及系统

本发明属于先进制造技术领域,并具体公开了一种兼顾成形效率和成形质量的双光束SLM成形方法及系统,其利用能量分布呈高斯模式的中/低功率、中/小光斑激光束实现金属零部件的高精度成形,利用能量分布呈环形或平顶模式的高功率、大光斑激光束实现金属零部件的高效率成形,以此实现金属零部件的高效率高质量的SLM成形。本发明可实现高效率成形区域与高精度成形区域的紧密冶金结合,并有效抑制不充分熔合、大颗粒夹杂等内部冶金缺陷的形成,显著降低成形材料的残余应力,实现金属零部件的高效率高质量SLM成形。

标签:
电冶金技术
湖北 - 武汉 来源:中冶有色网 2023-03-18
陶瓷/金属梯度结构高温封装材料及其制备方法

本发明涉及一种陶瓷/金属梯度结构高温封装材料,其中陶瓷材料包括氮化物(AlN、Si3N4、BN等)、碳化物(SiC、ZrC、TiC等)、氧化物(Al2O3、SiO2、ZrO2等)中的一种或多种,金属材料包括高熔点金属W、Mo、Ta、Cr、Nb中的一种。该材料的制备方法是:按照设计的梯度组分、梯度层数及每层中各组分含量将所需的金属、陶瓷粉末充分混合,得到所需的各梯度层原料,堆叠所述各层并压制成形,使陶瓷粉体质量分数沿轴向对称从内至外在100%至0%之间呈连续梯度变化,利用粉末冶金结合热压共烧技术,最终获得氦漏率<1×10‑11Pa·m3/s、抗弯强度>200Mpa、电阻率>6×109Ω·cm的陶瓷/金属梯度结构高温封装材料。

标签:
电冶金技术
湖北 - 武汉 来源:中冶有色网 2023-03-18
大塑性非晶基复合材料的制备方法

本发明公开了一种非晶基复合材料的制备方法,其特征在于,包括:将片状非晶合金与增韧第二相材料交替层叠后置于夹具中,其中所述增韧第二相为板状且上下表面开有阵列通孔的结构;在恒压或渐增载荷的条件下,对层叠的非晶合金及多孔板加热,同时对其实施超声振动,非晶合金迅速软化并被压入第二相增韧板的孔中,使得非晶相合金与增韧第二相的界面冶金良好结合,而且成形过程中不会发生晶化,从而获得塑形良好的非晶合金复合材料。本发明还公开了利用上述方法制备的非晶基复合材料。本发明的方法其可以制备出具有高强度大塑性的非晶基复合材料,其中的非晶相与第二相的界面冶金结合良好,而且成形过程中不会发生晶化。

标签:
电冶金技术
湖北 - 武汉 来源:中冶有色网 2023-03-18
上一页 36 37 38 39 40 ... 58 下一页
共58页    到第

中冶有色为您提供最新的湖北武汉有色金属冶金技术理论与应用信息,涵盖发明专利、权利要求、说明书、技术领域、背景技术、实用新型内容及具体实施方式等有色技术内容。打造最具专业性的有色金属技术理论与应用平台!

全国热门有色金属设备推荐
展开更多 +
全国热门有色金属技术推荐
展开更多 +

 

江西省隆恩特环保设备有限公司
宣传

报名参会
更多+

报告下载

有色专家
更多+

郑州大学
中国工程院 院士
有研科技集团有限公司
首席科学家
蒙纳士苏州校区
中国工程院外籍院士/校长
任灵宝金源矿业股份有限公司
技术发展部经理
西安建筑科技大学
教授
赤泥综合利用研究报告2025
推广

热门技术
更多+

推荐企业
更多+

福建省金龙稀土股份有限公司
宣传

发布

在线客服

公众号

电话

顶部
咨询电话:
010-88793500-807