青岛垚鑫智能科技有限公司
宣传

位置:中冶有色 >

有色技术频道 >

分类:
全部
矿山技术
冶金技术
材料制备及加工技术
环境保护技术
分析检测技术
地区:
全部
北京
天津
上海
重庆
河北
山西
辽宁
吉林
黑龙江
江苏
浙江
安徽
福建
江西
山东
河南
湖北
湖南
广东
海南
四川
贵州
云南
陕西
甘肃
青海
内蒙
广西
西藏
宁夏
新疆
其他
其他
展开
 
全部
广州
韶关
深圳
珠海
汕头
佛山
江门
湛江
茂名
肇庆
惠州
梅州
汕尾
河源
阳江
清远
东莞
中山
潮州
揭阳
云浮

广东有色金属理论与应用

免费发布技术信息>>
低温自动加热的锂电池

本实用新型适用于锂电池技术领域,提供了一种低温自动加热的锂电池,包括电池组件、换热组件和加热组件;通过设置控制器、温度传感器和电热管,使得温度传感器可以实时检测该电池使用环境的温度,并实时传输至控制器,当温度低于控制器中的预设温度时,控制器控制电热管和电机通电工作,在电热管通电工作时产生的热量可以通过盒体传输至油腔内腔的换热油中,再由换热油通过盒体的内侧壁和隔板对电池进行加热,同时电机通过主动齿轮和从动齿轮带动叶轮转动,进而使油腔内腔的换热油可以不断流动,使得对电池加热的更加均匀,传统锂电池无加热功能,在温度较低的环境下使用,容易造成电容量下降,充电缓慢的问题。

标签:
加工技术
广东 - 深圳 来源:中冶有色网 2023-03-18
环保安全防火防水的智能锂电池装置

本实用新型公开一种环保安全防火防水的智能锂电池装置,包括箱体,所述箱体上方设有箱盖,所述箱体和箱盖通过紧固螺栓固定安装在一起,所述箱体的侧面对称开设有第二螺孔,所述箱盖的侧面与第二螺孔相对应的位置开设有第一螺孔,所述紧固螺栓螺纹安装在第一螺孔和第二螺孔内,所述箱盖的底部中空,所述箱盖的中空位置并列设有两个压缩灭火器罐,所述压缩灭火器罐的两端对称设有安装板,所述压缩灭火器罐的底部固定安装有熔断主体。本实用新型通过在锂电池外安装的安全防护装置中设置压缩灭火器罐和熔断主体,能够有效防止锂电池发生自燃时产生的火焰蔓延到安全防护装置外,显著提高了装置的安全性能,有效保护了驾乘人员的生命安全。

标签:
加工技术
广东 - 深圳 来源:中冶有色网 2023-03-18
便于组合连接的锂离子蓄电池

本实用新型公开了一种便于组合连接的锂离子蓄电池,包括外壳,所述外壳内设置有内壳,所述内壳内设置有若干电池仓,所述电池仓之间设置有隔板,所述电池仓内设置有电池组,所述内壳内填充电解液,所述外壳上设置有盖体,所述盖体上设置有接电柱及电解液添加口,所述电解液添加口与电池仓对应布置。本便于组合连接的锂离子蓄电池,对环境的污染小,能够根据不同的用电需要及电池组状态对电池组进行组合及单个电池组更换,具有较好的散热效果和安全系数,而采用锂电子电池作为供电主体,对环境的污染小,避免大规模使用铅酸电池对环境造成严重的污染;同时有着较好的散热效果,提高该电池的安全系数。

标签:
加工技术
广东 - 东莞 来源:中冶有色网 2023-03-18
锂电池自动贴青稞纸机构

本实用新型涉及锂电池加工领域,具体是一种锂电池自动贴青稞纸机构,包括支撑框,支撑框下端设置有第一螺纹杆,第一螺纹杆上螺纹连接有连接罩,连接罩上侧固定安装有连接槽,连接槽内部安装有固定杆,固定杆左右两端设置有移动块,移动块上侧设置有连接件,连接件内侧固定安装有夹持板,支撑框的顶部安装有连接滑槽,连接滑槽顶部安装有同步电机,同步电机下侧安装有第二螺纹杆,第二螺纹杆上安装有滑块,滑块之间设置有连接板,连接板上侧中部固定安装有连接辊,连接板左右两端设置有凹口,凹口内部左右两端设置有伸缩杆,伸缩杆内侧安装有第二挤压辊,本实用新型可以有效地方便了在锂电池表面进行青稞纸的贴合,方便设备的使用。

标签:
加工技术
广东 - 深圳 来源:中冶有色网 2023-03-18
手机锂电池保护电路
手机锂电池保护电路 1133     
 0

本实用新型公开了手机锂电池保护电路,其特征在于,包括:正极输入端P+、负极输入端P-、锂电池保护芯片U1、充放电控制芯片U2、电池正极连接端B+、电池负极连接端B-、身份识别端口ID及温度电阻端口T。采用专用控制芯片,能有效对锂电池进行过充、过放、过流的保护,工作灵敏度高、主回路通态电阻低以及内部损耗低;通过增加身份识别电阻,便于智能充电设备提供最优的充电电压和充电电流;保护电路中增加NTC,在没有发生故障而发生温度上升的情况下,对电池提供保护,保证电池不发生安全性问题。

标签:
加工技术
广东 - 惠州 来源:中冶有色网 2023-03-18
快速充电高能量密度锂电池

本实用新型公开了一种快速充电高能量密度锂电池,锂电池是由糖葫芦串状的负极片、隔膜、正极片以铜箔圆片、隔膜圆片、铝箔圆片、隔膜圆片、铜箔圆片、隔膜圆片交替叠合在一起,卷成上下面分别为正极和负极的电芯结构,本实用新型是通过电池的内部叠加结构,可批量生产出能量密度较高的锂离子电池。

标签:
加工技术
广东 - 深圳 来源:中冶有色网 2023-03-18
发热锂电池组件及其组成的超低温发热鞋

本实用新型涉及锂电池技术领域,提供一种发热锂电池组件及其组成的超低温发热鞋。该发热锂电池组件包括发热电池本体,其还包括设于发热电池本体上且为发热电池本体加热的PET发热膜,以及与PET发热膜连接的控制装置。本实用新型采用控制装置控制PET发热膜对发热电池本体加热,使普通常规电池的使用环境温度降低到零下40度以内也能正常工作。

标签:
加工技术
广东 - 深圳 来源:中冶有色网 2023-03-18
全密封防爆锂电池
全密封防爆锂电池 974     
 0

本实用新型适用于锂电池,提供了一种全密封防爆锂电池,所述锂电池的盖板上固定有防爆盖,该防爆盖包括通气孔,所述通气孔的下端为外凸型密封孔,通气孔的上端通过压缩弹簧连接有密封针,密封针在压缩弹簧的作用下置于密封孔内。采用压缩弹簧配合的密封针结构,密封效果好,在电池内部压力超过压缩弹簧提供的安全压力时,密封针向上运动,高压气体进入储气室内,能有效地缓解气体的冲力,防止不当使用造成的爆炸。

标签:
加工技术
广东 - 深圳 来源:中冶有色网 2023-03-18
基于超声技术的软包锂离子电池密封性检测装置

本实用新型公开了一种基于超声技术的软包锂离子电池密封性检测装置,包括运动控制系统、次品剔除单元、超声检测系统、数据采集模块、微信号放大模块及计算机;所述运动控制系统包括用于传送软包锂离子电池的传送带及用于驱动传送带运动的电机,所述电机与计算机连接;所述超声检测系统包括超声激励模块和至少一组空气耦合超声探头组;所述次品剔除单元与计算机连接。本实用新型提供了高速、无损、可在线的锂离子软包电池热封封口密封性检测装置,相对于传统破坏式抽检方法,具有非接触、无污染无破坏的特点,可显著提高检测效率,具有广泛的应用价值。

标签:
加工技术
广东 - 广州 来源:中冶有色网 2023-03-18
锂电池金属材料修边机

本实用新型公开了一种锂电池金属材料修边机,包括控制箱和机架,所述机架上的修边机构从进料端到出料端依次设有放料轮、进料滚轮、除尘机构、第一去毛刺机构、整形机构、第二去毛刺机构、检测头、出料滚轮和收料轮。有益效果在于:采用进料、除尘、去毛刺、整形、再去毛刺、收料的工艺流程,实现对锂电池金属带全自动修边,提高了加工效率;并采用所述除尘机构方便将金属带除尘,采用所述第一去毛刺机构和所述第二去毛刺机构可提高修边的精度,并利用所述整形机构将锂电池金属带碾压平整,使用方便。

标签:
加工技术
广东 - 东莞 来源:中冶有色网 2023-03-18
锂离子电池浆料自动输送装置

本实用新型提出了一种锂离子电池浆料自动输送装置,解决了现有技术中浆料在输送过程中易产生结块和存在金属杂质的问题。该锂离子电池浆料自动输送装置包括中转罐,所述中转罐内盛装有浆料;筒体,所述筒体设置于所述中转罐的下游位置,所述筒体的下部与所述中转罐之间通过输入管道相连通,所述输入管道上还设有隔膜泵;过滤网,所述筒体的上部连通有输出管道,所述输出管道的末端位于所述过滤网的上方,所述过滤网为磁性过滤网;涂布机,所述涂布机位于所述过滤网的下方。本实用新型的锂离子电池浆料自动输送装置结构简单,使用方便,能够有效地解决浆料在输送过程中易产生结块和存在金属杂质的问题,具有很好的实用性。

标签:
加工技术
广东 - 惠州 来源:中冶有色网 2023-03-18
动力锂电池全生命周期智能监管系统

本实用新型公开了一种动力锂电池全生命周期智能监管系统,包括动力电池组单元、高压管控单元、成组电池管理单元、无线传输单元、云管理系统和用户终端,动力电池组单元包括多个并联的动力电池组子单元,动力电池组子单元包括多个串联的单组电池模块,单组电池模块包括电池组、采样保护单元、单组电池管理单元和隔离通信模块,采样保护单元对电池组进行采集,单组电池管理单元计算电池组的健康状态和电量状态,通过无线传输单元分别传送到云管理系统和用户终端。实施本实用新型的动力锂电池全生命周期智能监管系统,具有以下有益效果:能对各电池组进行独立管理、提高锂电池组使用安全性、有利于电池的梯次回收利用、能提高电池组的有效使用率。

标签:
加工技术
广东 - 深圳 来源:中冶有色网 2023-03-18
负极极耳及锂电容
负极极耳及锂电容 1100     
 0

本实用新型公开了一种负极极耳及锂电容,其中负极极耳包括极耳本体,所述极耳本体由圆柱状的主层材料和设置在主层材料表面的圆柱状的镀层组成,所述圆柱状的主层材料为不锈钢或铁,所述圆柱状的镀层为铜、锡、镍或银。本实用新型的负极极耳可以在锂电子电容的负极材料采用石墨等碳材料时,不会因较低的工作电位影响性能甚至使锂电容失效,同时极片的机械强度加强,产品性能更加稳定可靠。

标签:
加工技术
广东 - 广州 来源:中冶有色网 2023-03-18
磷酸铁锂动力电池组的充放电控制器

本实用新型公开了一种磷酸铁锂动力电池组的充放电控制器,涉及磷酸铁锂动力电池相关技术领域,为解决背景技术中提出的现有的磷酸铁锂动力电池组的充放电控制器不便于对通线孔进行保护,从而使得通线孔容易出现阻塞的情况,且不便于对电源线进行固定的问题。所述控制器主体的上方表面设置有电源孔,所述固定架的前后两侧均贯穿有第一螺纹杆,所述安装板分别设置在控制器主体的左右两侧,所述保护框分别设置在控制器主体的下方,所述保护框的上方两侧均与凹槽配合连接,且凹槽开设在控制器主体的下表面,且凹槽设置在通线孔的外侧,所述第二螺纹杆分别贯穿保护框的两侧和控制器主体的外壁,且第二螺纹杆的末端设置在螺纹槽内。

标签:
加工技术
广东 - 东莞 来源:中冶有色网 2023-03-18
锂电池生产线上检测用具

本实用新型公开了一种锂电池生产线上检测用具,包括检测台,检测台两端顶面分别垂直固定设有第一压板和滑动卡接有第二压板,第二压板两端底部固定设有的滑块滑动卡接在检测台顶面设有的滑槽内,且滑块背向第一压板的一侧固定设有插块,插块滑动延伸至检测台外通过连接板固定连接,且插块一侧设有若干个调节孔,调节孔与滑槽侧壁设有的贯穿孔位于同一水平线上,且调节孔和贯穿孔内螺纹插设有定位销,第二压板面向第一压板的一面设有空腔,空腔内滑动密封有活塞板,活塞板侧壁和第一压板侧壁相对固定设有一层绝缘板,利用压缩流体来施加压力的办法来对锂电池进行固定,使得锂电池在检测时受力更加均匀,更加安全可靠。

标签:
加工技术
广东 - 河源 来源:中冶有色网 2023-03-18
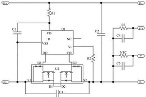
锂电池快速充电电路
锂电池快速充电电路 835     
 0

本实用新型涉及一种锂电池快速充电电路,该电路包括:连接到变压器的初级端的电源模块,连接到变压器次级端的充电控制模块,充电控制模块连接到锂电池,充电控制模块包括同步整流模块,同步整流模块包括偏置电路模块、功率MOSFET模块、电压比较模块和推挽输出模块;功率MOSFET模块的漏极电压VD、源极电压VS分别通过一个端口信号处理模块输入电压比较模块,变压器的次级端为偏置电路模块提供电压,偏置电路模块提供的参考电压输入电压比较模块,电压比较模块输出信号至推挽输出模块,推挽输出模块输出信号至功率MOSFET模块。实施本实用新型,能够得到一种降低成本同时能够提高锂电池快速充电转换效率的充电电路。

标签:
加工技术
广东 - 深圳 来源:中冶有色网 2023-03-18
具备除尘功能的锂电池组散热装置

本实用新型涉及锂电池组技术领域,尤其为一种具备除尘功能的锂电池组散热装置,包括固定板、水箱和清洁刷,所述固定板的外侧固定连接有散热片,所述固定板外侧设有水银管,所述水银管的内侧滑动连接有电触头,所述固定板的底端固定连接有水箱,所述水箱的右侧设有收线轮,所述收线轮的外侧转动连接有连接管,所述连接管的一端固定连接有水平设置的喷水管,所述喷水管的外侧设有支撑板,所述支撑板的外侧固定连接有清洁刷,所述支撑板的左端固定连接有齿轮,本实用新型可以锂电池组的温度进行监控,对资源进行节约利用,同时本装置便于灰尘的清除,可以提高装置的散热效果,具有巨大的经济效益和广泛的市场前景,值得推广使用。

标签:
加工技术
广东 - 珠海 来源:中冶有色网 2023-03-18
软包锂电池顶封限位封头

本实用新型公开一种软包锂电池顶封限位封头,包括上封头和与上封头相对应设置的下封头,所述上封头和下封头均包括相互对应并成镜像对称的用于铝箔袋顶封的主封头,设置于主封头一侧的用于对铝箔袋进行限位的辅助限位封头。通过主封头和辅助限位封头的限位来实现软包锂电池顶封封印的厚度一致且外观对称规则,将下封头的上端设置主封头和辅助限位封头,使顶封作业时上封头和下封头接触面积增加,减小主封头的磨损,使限位更加精准,以致软包锂电池顶封封印一致性更高。

标签:
加工技术
广东 - 东莞 来源:中冶有色网 2023-03-18
高安全型锂离子电池
高安全型锂离子电池 1032     
 0

本实用新型公开了一种高安全型锂离子电池,包括外护壳、内壳和锂离子电池电芯,所述外护壳的内部设有内壳,内壳与外护壳之间设有散热空腔,且散热空腔的内部均匀设有减震弹簧,减震弹簧的两端分别与外护壳以及内壳固定连接,所述内壳的内侧壁上设有换热片,换热片的背面散热空腔内均匀设有散热鳍片,且内壳的内部安装有锂离子电池电芯。本实用新型通过在内壳的内侧壁上设置换热片,配合换热片的背面散热空腔内均匀设有的散热鳍片,使得电池内部短路时发生电化学反应释放出大量的热量能够快速的散发出去,提高电池散热性能,避免出现起火或爆炸情况,明显的改善了电池安全可靠性能。

标签:
加工技术
广东 - 深圳 来源:中冶有色网 2023-03-18
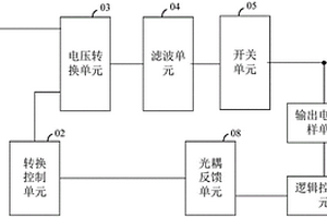
锂电池充电装置及充电器

本实用新型属于电源领域,公开了一种锂电池充电装置及充电器,通过转换控制单元根据反馈信号生成转换控制信号;电压转换单元根据转换控制信号将第一直流电转换为第二直流电;滤波单元根据第二直流电生成第三直流电;开关单元根据模式控制信号连通或关断所述第三直流电;输出电源采样单元根据第三直流电生成输出电源采样电压;逻辑控制单元根据输出电源采样电压生成模式控制信号和调整电压;光耦反馈单元根据调整电压生成反馈信号;由于模式控制信号可包括高电平、低电平和第一脉冲宽度调制信号,故实现了在不同阶段根据不同的电压进行充电,防止了锂电池的老化,提高了锂电池的使用寿命。

标签:
加工技术
广东 - 深圳 来源:中冶有色网 2023-03-18
方便安装电池的防摔锂电池电池组

本实用新型公开了一种方便安装电池的防摔锂电池电池组,包括盒盖和盒体,盒盖顶部两侧开设有第一圆弧边,第一圆弧边外侧胶接有第一加固角,盒盖底部设有穿刺板,盒盖通过穿刺板活动连接有盒体,盒体底部两侧开设有第二圆弧边,第二圆弧边外侧胶接有第二加固角,两个第二圆弧槽顶部之间设有卡边,卡边为圆弧形结构且其顶部开设有与穿刺板相匹配的穿刺槽,第二圆弧槽一端固定有两个弹簧,弹簧顶部通过限位槽与第二隔板固定连接,弹簧底部通过限位槽固定有连接板,连接板底部焊接有连接块。本实用新型通过弹簧的压缩以及卡边的卡接方便锂电池的安装,通过盒盖顶部两侧的第一加固角与盒体底部两侧的第二加固角防止锂电池掉落摔坏内部元件。

标签:
加工技术
广东 - 广州 来源:中冶有色网 2023-03-18
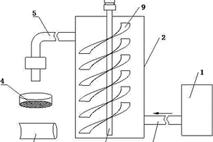
用于锂电池的输送搅拌筒

本实用新型公开了用于锂电池的输送搅拌筒,包括输送筒和搅拌筒。输送筒内设有沿输送筒的轴向延伸的螺旋叶片。螺旋叶片开设有沿自身轴向延伸的快速送料孔。快速送料孔可拆卸地插接有挡料轴,挡料轴用于阻挡原料沿快速送料孔进行输送。搅拌筒与输送筒固定连接;搅拌筒内设有多排搅拌排,各搅拌排均沿搅拌筒的轴向延伸,多排搅拌排以搅拌筒的轴线为中心线进行圆周阵列分布;搅拌排包括多个相互独立且相互间隔设置的搅拌块,搅拌块固定于搅拌筒的内壁,隶属于同一搅拌排的多个搅拌块沿搅拌筒的轴向间隔地设置,以使相邻的两个搅拌块之间形成用于供原料掉落的间隔槽。其不仅能够提高锂电池原料的混合效率,而且能够按需求改变锂电池远离的输送效率。

标签:
加工技术
广东 - 佛山 来源:中冶有色网 2023-03-18
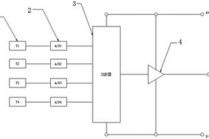
卡车锂电池温差式温控采样电路

本实用新型公开的属于锂电池技术领域,具体为卡车锂电池温差式温控采样电路,包括温度探头、A/D转换器、比较器与运算放大器,所述温度探头与A/D转换器的数量不少于一个,且温度探头的输出端与A/D转换器的输入端连接,所述A/D转换器的输出端与比较器的输入端并联,所述比较器的输出端与运算放大器的输入端连接,且运算放大器的输出端与报警装置连接,本实用新型采用多个温度探头进行独立采样,当锂电模组出现故障的初期局部温升加快,多个温度探头检测到其中任意二个采样点温差加大,当温差>5℃时触发切断电源或驱动报警装置报警,可实现故障初期报警。

标签:
加工技术
广东 - 东莞 来源:中冶有色网 2023-03-18
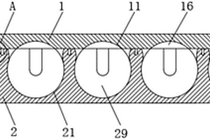
圆柱形锂电池的绝缘隔圈及含该隔圈的电池

本实用新型公开了一种圆柱形锂电池的绝缘隔圈,其上设有同心的弧形带状通孔,绝缘隔圈的外沿设有环形凸台,所述绝缘隔圈表面还设置有三个定位凸台,所述定位凸台与所述环形凸台位于绝缘隔圈的同一面,绝缘隔圈在位于环形凸台的另一面的中心处设置有定位杆。本实用新型并提供具有上述绝缘隔圈的圆柱形锂电池。本实用新型有益的技术效果在于:由于绝缘隔圈上设置有定位凸台,且所述定位凸台与环形凸台位于绝缘隔圈的同一面,当圆柱锂电池受到撞击或震动后,绝缘隔圈不会因受到电芯的挤压而变形或移位,保证了电池的安全性。

标签:
加工技术
广东 - 深圳 来源:中冶有色网 2023-03-18
锂电池高温自动保护板

本实用新型公开了一种锂电池高温自动保护板,包括保护板本体,所述保护板本体四个拐角处均开设有通孔,所述保护板本体下方设有保护壳,所述保护壳顶端的四个拐角均开设有螺纹孔,所述保护壳的两侧开设有通风孔多个,所述通风孔表面设有防尘装置,所述保护壳中部开设有底孔,所述底孔内部固定连接有鼓风装置,所述鼓风装置的吸风口处设有散热片多个,此种锂电池高温自动保护板,增加了保护板外壳上通风孔的防尘装置,解决了散热片工作时表面易产生浮灰的问题,从而提高了锂电池高温自动保护板的工作性能,延长了使用寿命。

标签:
加工技术
广东 - 深圳 来源:中冶有色网 2023-03-18
均衡充放电的串联锂离子电池组

本实用新型公开了一种均衡充放电的串联锂离子电池组,其包括若干个串联在一起的单体锂离子电池,单体锂离子电池设有正极、正极辅助电极和负极、负极辅助电极,正极、正极辅助电极和负极、负极辅助电极分别连接至第一电压检测电路和第二电压检测电路后又对应连接至第一平衡电容电路和第二平衡电容电路。相对于现有技术,本实用新型均衡充放电的串联锂离子电池组中加入了辅助电极,能够有效分析出电池中各电极的电位差异情况。通过电容的电子缓冲能力,不断调谐单体锂离子电池之间的电压差,在不消耗额外能量的同时,达到电池组性能提升的目的。

标签:
加工技术
广东 - 东莞 来源:中冶有色网 2023-03-18
能够显示充放电百分比的锂离子移动电源

本实用新型公开了一种能够显示充放电百分比的锂离子移动电源,包括锂离子移动电源本体、连接线和显示盒,显示盒设置在连接线上;连接线的两端设有两个插头:一个插头连接充电器,另一个插头接锂离子移动电源本体;显示盒上设有显示屏。显示盒中设有微处理器和A/D转换器,A/D转换器和显示屏均与微处理器连接,A/D转换器的输入端与锂离子移动电源本体的电池电压端电连接。该能够显示充放电百分比的锂离子移动电源带有充放电百分比显示部件,便于使用者及时了解电源的电量状况,实用性好。

标签:
加工技术
广东 - 深圳 来源:中冶有色网 2023-03-18
锂离子电池散热防爆装置

一种锂离子电池散热防爆装置,包括锂离子电池,其特征在于:锂离子电池与散热铝片交错相隔,散热铝片的面积大于锂离子电池。本实用新型结构合理,通过夹装于锂离子电池组中的大面积铝板散热,散热效果更好;另还可与安全阀一起构成防爆双保险;同时具有阻燃的效果;安全可靠,适用于汽车电池等大型电池组上。

标签:
加工技术
广东 - 广州 来源:中冶有色网 2023-03-18
带有散热管的车用锂电池

本实用新型公开了带有散热管的车用锂电池,旨在提供一种散热均匀、散热效果好的带有散热管的车用锂电池。本实用新型包括相配合的盖体(1)、壳体(2),所述壳体(2)内设置有上固定座(31)、下固定座(32),所述上固定座(31)和下固定座(32)之间安装有若干纵横排列的锂电池单体(4),所述锂电池单体(4)之间的间隙还设置有散热管(5),所述散热管(5)与所述电池单体(4)相接触,所述盖体(1)及所述上固定座(31)开有通孔,所述散热管(5)穿过所述通孔伸出所述壳体(2)外部。本实用新型可广泛应用于车用锂电池领域。

标签:
加工技术
广东 - 珠海 来源:中冶有色网 2023-03-18
无线充电锂电池
无线充电锂电池 732     
 0

无线充电锂电池,它涉及电子技术领域;它包含第一接收线圈、锂电池电芯、第二接收线圈、无线充电接收板、无线充电输出线、电池正极引出线、电池负极引出线;所述的第一接收线圈内自下到上依次设置有锂电池电芯、第二接收线圈、无线充电接收板;所述的锂电池电芯通过第二接收线圈与无线充电接收板连接;所述的无线充电接收板上设置有无线充电输出线、电池正极引出线、电池负极引出线。本实用新型所述的无线充电锂电池,消除续航烦恼、免去带线麻烦,降低准入门槛,节省资源,应用成本大大缩小,新旧产品轻松加入,有线无线自由切换,本实用新型具有结构简单、设置合理、制作成本低等优点。

标签:
加工技术
广东 - 深圳 来源:中冶有色网 2023-03-18
上一页 1991 1992 1993 1994 1995 ... 2000 ... 3373 下一页
共3373页    到第

中冶有色为您提供最新的广东有色金属理论与应用信息,涵盖发明专利、权利要求、说明书、技术领域、背景技术、实用新型内容及具体实施方式等有色技术内容。打造最具专业性的有色金属技术理论与应用平台!

全国热门有色金属设备推荐
展开更多 +
全国热门有色金属技术推荐
展开更多 +

 

江西省隆恩特环保设备有限公司
宣传

报名参会
更多+

报告下载

有色专家
更多+

武汉理工大学
副主任/研究员
矿冶科技集团有限公司
党委书记 / 董事长
广西大学
处长/教授
中国矿业大学(北京)
院长/教授
中国瑞林工程技术有限公司
中国工程院院士
赤泥综合利用研究报告2025
推广

热门技术
更多+

推荐企业
更多+

福建省金龙稀土股份有限公司
宣传

发布

在线客服

公众号

电话

顶部
咨询电话:
010-88793500-807