青岛垚鑫智能科技有限公司
宣传

位置:中冶有色 >

有色技术频道 >

分类:
全部
矿山技术
冶金技术
材料制备及加工技术
环境保护技术
分析检测技术
地区:
全部
北京
天津
上海
重庆
河北
山西
辽宁
吉林
黑龙江
江苏
浙江
安徽
福建
江西
山东
河南
湖北
湖南
广东
海南
四川
贵州
云南
陕西
甘肃
青海
内蒙
广西
西藏
宁夏
新疆
其他
其他
展开
 
全部
广州
韶关
深圳
珠海
汕头
佛山
江门
湛江
茂名
肇庆
惠州
梅州
汕尾
河源
阳江
清远
东莞
中山
潮州
揭阳
云浮

广东有色金属理论与应用

免费发布技术信息>>
叠片型锂离子电池及其制作方法

本发明涉及二次聚合物锂电池技术领域,更具体的说是涉及一种叠片型锂离子电池的制作方法,该叠片型锂离子电池包括设在壳体中的电池芯,所述的电池芯由正极片、负极片和隔膜层叠而成,所述的正负极极片在叠片过程中通过光纤感应挑出断极耳、极耳露黑的极片。本发明的叠片锂离子电池的制作方法,改善了叠片电池安全性能。本发明公开了的叠片锂离子电池,电芯不存在少片、极耳焊接不良的情况,其安全性能有显著提高。

标签:
加工技术
广东 - 广州 来源:中冶有色网 2023-03-18
方型锂离子电池卷绕电芯及其制作方法

本发明提供了一种方型锂离子电池卷绕电芯及其制作方法,所述方型锂离子电池卷绕电芯包括正极片、隔膜和负极片,所述正极片设有正极极耳,所述负极片设有负极极耳,所述方型锂离子电池卷绕电芯的中心设有内部支撑架。采用此发明的技术方案,改善了传统方型卷绕电芯在充放电循环中的极片易变形问题以及极片弯曲的半圆形状位置上材料易脱落的问题,最大限度保持了方型锂离子电池在静态以及充放电循环动态下的一致性,提高了卷绕电芯的生产合格率、方型锂离子电池的安全性,为方型卷绕电芯可靠地应用在动力电池领域创造了条件。

标签:
加工技术
广东 - 深圳 来源:中冶有色网 2023-03-18
含硫电极、含有该电极的锂硫电池及其制备方法

本发明属于锂硫电池领域,尤其涉及一种锂硫电池电极,包括集流体和涂敷层,所述涂敷层包括表层涂层及位于所述表层涂层之下的底层涂层;所述表层涂层中含有类石墨烯组分,所述表层涂层的厚度为H,所述底层涂层中含有含硫活性物质;所述表层涂层中的类石墨烯组分包括多孔类石墨烯,且多孔类石墨烯的片层厚度为h,多孔石墨烯的相邻的两孔边缘之间的距离为d,且H/h×d≤2cm。表层的多孔石墨烯可以有效的阻隔锂硫化物溶解于电解液中并扩散至负极;H/h*d≤2cm时,锂离子在正负极之间穿梭时,多孔石墨烯表层对锂离子的阻隔效应较弱,不会影响电池的整体性能。

标签:
加工技术
广东 - 东莞 来源:中冶有色网 2023-03-18
锂电池储能电源和太阳能路灯

本发明公开一种锂电池储能电源和太阳能路灯,其中,该锂电池储能电源包括塑胶外壳、光伏控制器和与光伏控制器连接的锂电池组,塑胶外壳包括壳身和壳盖,锂电池组和控制器适配装放于壳身内,壳盖与壳身密封固定连接,壳盖上具有用于连接光伏板的充电接口和用于连接负载的放电接口,充电接口和放电接口均与光伏控制器连接。本发明技术方案提升了塑胶外壳的空间利用率,以及方便了锂电池组和光伏控制器在塑胶外壳中的固定。

标签:
加工技术
广东 - 深圳 来源:中冶有色网 2023-03-18
电解液添加剂、含添加剂的电解液及使用电解液的锂电池

本公开涉及一种电解液添加剂、含添加剂的电解液及使用电解液的锂电池,该电解液添加剂含有式(1)所示的具有磺酰胺结构的磺酸酯化合物,其中,R1和R2各自独立地为H、取代或未取代的C1‑C7烃基;R3为取代或未取代的C1‑C6亚烃基;R4和R5各自独立地为取代或未取代的C1‑C6烃基。本公开的锂电池添加剂中含有具有磺酰胺结构的磺酸酯化合物,化学稳定性较高,可以在室温下长期保存,所述锂电池添加剂在非水电解液二次储能设备的充放电循环过程中更容易发生分解并在极片表面形成SEI膜,其分解产物含有大量的硫、氮、氧等杂原子,锂离子更容易通过SEI膜,从而改善锂离子电池的循环性能。

标签:
加工技术
广东 - 惠州 来源:中冶有色网 2023-03-18
纳米磷酸铁锰锂的水热合成方法

本发明涉及锂电池原料制备技术领域,尤其涉及一种纳米磷酸铁锰锂的水热合成方法,包括以下步骤:将磷酸锂和水混合后加入高压釜1中,搅拌下从室温加热至140‑150℃,得到料浆A;将硫酸亚铁和硫酸锰用水溶解,加入高压釜2中,加热至140‑150℃,得到料浆B;将高压釜3加热到140‑150℃,向高压釜3中并流加入料浆A和料浆B,搅拌,维持140‑150℃反应2‑4小时;停止加热,降温,打开出料阀,过滤生成物,洗涤滤饼,真空干燥,得到磷酸铁锰锂粉末,再进行碳包覆处理。本发明采用高温混合反应原料,创造了真正的分子级混合的反应起始条件,制得的材料颗粒均匀,三维尺度均可达到纳米级别,有利于锂离子扩散路径的缩短,从根本上有利于提高材料的电化学性能及延长循环寿命。

标签:
加工技术
广东 - 深圳 来源:中冶有色网 2023-03-18
废旧锂电池的拆解回收装置及其拆解回收方法

本发明公开了一种废旧锂电池的拆解回收装置及其拆解回收方法,包括装置外壳,装置外壳的底部设置支撑脚,装置外壳的一侧面设置有一个开合的门板,正对门板的装置外壳另一侧抽拉式设置一过滤支撑板,位于门板两侧的装置外壳上自上而下各开设一条导向通槽,导向通槽内均滑动设置一旋转压紧装置,废旧锂电池穿过门板放入至拆解腔内并通过两个旋转压紧装置压紧固定。本发明利用一种全新的结构以及方式,对废旧锂电池进行一个拆解,可充分排出碎屑中的电解液,创新性的利用废旧锂电池外壳作为一个封闭的载体,使得整个拆解破损过程能够在其内部进行,减少电解液的残留量以及电解液对外界的影响,能够更好的处置拆解后的废旧锂电池。

标签:
加工技术
广东 - 东莞 来源:中冶有色网 2023-03-18
锂电池极片涂布方法
锂电池极片涂布方法 852     
 0

本发明涉及一种锂电池极片涂布方法,该方法是通过多层坡流的涂布工艺,在箔材表面由内到外同步涂覆导电炭层浆料、锂电池浆料和PVDF胶液浆料。本发明提供的锂电池极片涂布方法能优化所制备的正/负极极片的涂覆层的孔隙分布,本发明提供的方法所制备的正极极片、负极极片能与现有的普通隔膜匹配组装成锂电池电芯,该锂电池电芯具有较好的浸润性和倍率充放电性能。

标签:
加工技术
广东 - 惠州 来源:中冶有色网 2023-03-18
分体式锂电池
分体式锂电池 1112     
 0

本发明公开了一种分体式锂电池,包括P1,P1为电池电压检测口和电路芯片的供电输入口,P1通过多个电池均衡电路与主控芯片和电池电性连接,电池均衡电路包括第一电池均衡电路、第二电池均衡电路、第三电池均衡电路以及第四电池均衡电路;单个串联锂电池出现安全问题的过程时间更长,对外释放能量时间更长,能量更小,让撤离的时间更长,更安全,且通过可以对单个锂电池更换或者返厂维修,达到更加环保、经济、快速地服务用户,并通过生产单体,组装单个成品锂电池,实现标准化模块化和自动化生产,并且动力锂电池模块化模组维护方便,实现双重替换维护方式。

标签:
加工技术
广东 - 东莞 来源:中冶有色网 2023-03-18
锂电池极耳焊接拉力测试方法

本发明提供一种锂电池极耳焊接拉力测试方法,锂电池极耳焊接拉力测试方法包括:将极耳焊接在集流体的第一表面上;对集流体进行裁剪使集流体为第一预设宽度;在集流体的第二表面上贴上第二预设宽度的胶纸;使用拉力测试仪的一个机械手夹住极耳,另一个机械手夹住集流体与胶纸重叠处,对极耳进行拉力测试。该锂电池极耳焊接拉力测试方法能够有效地测试极耳焊接处的实际拉力,监控软包锂离子电芯极耳焊接效果,防止极耳虚焊流出,提高了软包锂离子电芯性能,降低不良成本。

标签:
加工技术
广东 - 深圳 来源:中冶有色网 2023-03-18
锂电池均匀干燥机
锂电池均匀干燥机 1204     
 0

本发明涉及一种干燥机,尤其涉及一种锂电池均匀干燥机。要解决的技术问题是:提供一种干燥均匀和效率高的锂电池均匀干燥机。一种锂电池均匀干燥机,包括有定量槽、下料管、开关机构、干燥机构、支板、排气管等;左右两侧的支架的顶部放置有支板,左右两侧的支板中间安装有干燥槽,干燥槽内后壁设有干燥机构,干燥槽的左壁下部连接有排气管,排气管上设有第三单向阀,干燥槽的底部连接有出料管,出料管上配合有旋盖,干燥槽的左壁上部连接有下料管。本发明达到了干燥均匀和效率高的效果,合适且定量的锂电池可以使得干燥槽和干燥机构实现最佳干燥状态,使得电池干燥相对均匀,锂电池不断被混匀板和混匀条搅动,加快干燥速率,更加提高干燥的均匀度。

标签:
加工技术
广东 - 深圳 来源:中冶有色网 2023-03-18
介孔二氧化硅改性无纺布隔膜及锂硫电池中的应用

本发明公开了一种介孔二氧化硅改性无纺布隔膜及锂硫电池中的应用。该发明的介孔二氧化硅改性无纺布隔膜包括介孔二氧化硅、粘合剂、溶剂、无纺纤维膜,先由介孔二氧化硅、粘合剂、溶剂混合得到介孔二氧化硅改性修饰液,再用此修饰液对无纺纤维膜进行改性。本发明的介孔二氧化硅改性无纺布隔膜还应用在锂硫电池中,隔膜具有优秀的机械性能和耐热性,还能提高锂硫电池吸液量和持液能力,降低锂硫电池阻抗;而且隔膜可有效吸附多硫离子,减缓穿梭效应,因此可以提高锂硫电池的电化学性能。本发明还公开了介孔二氧化硅改性无纺布隔膜的制备过程。

标签:
加工技术
广东 - 东莞 来源:中冶有色网 2023-03-18
锂离子电池浆料检测方法及装置

本发明公开一种锂离子电池浆料检测方法及装置,其装置包括一端开口的定量容器和插设于定量容器内的电导率测量尺,电导率测量尺包括尺体和沿尺体的长度方向均匀设置的多个导电探针。通过量取一定量的锂离子电池浆料置于定量容器内,然后将电导率测量尺插入至定量容器内的锂离子电池浆料内对不同深度的锂离子电池浆料进行电导率测量,并根据不同静置时间后测得的电导率的对比可快速得出锂离子电池浆料的均一性和沉降性能。

标签:
加工技术
广东 - 惠州 来源:中冶有色网 2023-03-18
废旧三元锂电池选择性浸提回收方法

一种废旧三元锂电池选择性浸提回收方法,通过将废旧三元锂电池正极材料与磷酸溶液进行混合调浆后,再加入双氧水进行氧化还原反应并调节pH值,陈化并过滤后得到了富含锂离子的第一滤液,接着通过将第一滤渣加水溶解后再加入氰化钾,获得富含Ni(CN)42‑离子的第二滤液后再经过电解操作得到了镍单质,再接着向第二滤渣中加入氨水,过滤后得到富含Co[(NH3)x]2+离子的第三滤液和磷酸锰沉淀,最后对第三滤液进行加热获得磷酸钴。如此,通过更加合理简单的整体工艺流程设计,使得本发明提供的废旧三元锂电池选择性浸提回收方法的工业可操作性更强,同时还能够针对性地分别得到可直接工业利用的三元元素及锂元素。

标签:
加工技术
广东 - 惠州 来源:中冶有色网 2023-03-18
具有极高热导率含双相α+β的镁锂合金及其加工工艺

本发明公开了一种具有极高导热性能且含双相α+β的镁锂合金材料及其加工工艺。按重量百分比计,合金的组成为:Li:8.0‑10.0wt.%,Si:5.0‑14.0wt.%,In:1.0‑3.0wt.%,Sn:0.2‑1.2wt.%,Ti:0.8‑1.2wt.%,Mo:0.2‑0.4wt.%,Cd:2.0‑4.0wt.%,Al:1.2‑1.4wt.%,Co:1.0‑5.0wt.%,Mn:3.0‑5.0wt.%,余量为镁。该材料具有传统镁锂合金的力学性能:弹性模量为50‑70GPa,屈服强度为90‑120MPa,抗拉强度为140‑160MPa,延伸率为6‑18%。并具有传统镁锂合金不具备的高导热性能:热导率为120‑130W/m﹒K,传统镁锂合金为80W/m﹒K左右。在保证常见镁锂合金的力学性能的同时,可以将合金的传热系数提高50%左右。使得合金在发热量大,且需要器件轻量化的场合有了进一步的具体应用,便于工业化大规模应用。

标签:
加工技术
广东 - 广州 来源:中冶有色网 2023-03-18
含铍且单相α的镁锂合金及其加工工艺

本发明公开了一种含铍且单相α的镁锂合金及其加工工艺,按重量百分比计,合金的组成为:Li:2.0‑4.0wt.%,Be:0.1‑0.4wt.%,Co:0.2‑0.4wt.%,Cu:1.0‑3.0wt.%,Ge:0.2‑0.4wt.%,Hf:0.1‑0.2wt.%,Sb:0.2‑0.4wt.%,Al:0.6‑0.8wt.%,余量为镁。通过优选多元微合金化元素配方和随后的进一步优化熔炼工艺和热处理参数,实现镁锂合金中高温相和强化相的完美匹配,最终获得一种多元微合金化新型高强耐热镁锂合金材料。室温下该镁锂合金的性能:屈服强度为120‑140MPa,抗拉强度为170‑190MPa,延伸率为6‑14%。100度时,该镁锂合金的性能:屈服强度为110‑130MPa,抗拉强度为150‑160MPa,延伸率为18‑20%。该合金冶炼加工方法简单,生产成本比较低,便于工业化大规模应用。

标签:
加工技术
广东 - 广州 来源:中冶有色网 2023-03-18
负极材料及其制备方法和全固态锂电池

本申请提供了一种负极材料,所述负极材料包括内核以及包覆所述内核的无定形态锂硅合金层,所述内核包括玻璃态固体电解质以及分散在所述玻璃态固体电解质中的无定形态锂硅合金颗粒,所述无定形态锂硅合金颗粒的材质为LixSi,0<x≤4.4,所述无定形态锂硅合金层的材质为LiySi,0<y≤4.4。该负极材料之间的接触性好,负极材料的体积膨胀效应小,循环稳定性好,电化学性能优异。本申请还提供了该负极材料的制备方法和全固态锂电池。

标签:
加工技术
广东 - 深圳 来源:中冶有色网 2023-03-18
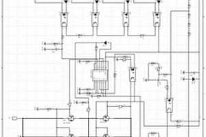
锂离子电池保护芯片
锂离子电池保护芯片 1015     
 0

本实用新型公开了一种锂离子电池保护芯片,包括PMOS管、恒流-恒压控制模块以及充电控制模块,所述PMOS管M0与M1的栅极相连,所述PMOS管的M1的漏极外连接锂离子电池,M1的漏极与锂离子电池之间设置有稳压电阻R0,所述恒流-恒压控制模块分别与锂离子电池、PMOS管M1的栅极以及M0的漏极相连接,所述充电控制模块分别与锂离子电池以及PMOS管的M0漏极连接。本实用新型中设计了恒流-恒压充电方式对锂离子电池充电的保护,恒流-恒压充电方式实现的关键是恒流与恒压充电模式的平稳过渡,以及充电完成时锂电池电压的精度。

标签:
加工技术
广东 - 惠州 来源:中冶有色网 2023-03-18
车用锂电池的恒温装置

本实用新型涉及锂电池保护装置技术领域,具体为一种车用锂电池的恒温装置,包括基础保护外壳,所述基础保护外壳的内部固定连接有支撑隔板,所述支撑隔板的顶部固定连接有金属散热限位板,所述支撑隔板的底部固定连接有固定支撑块,所述固定支撑块的底部与基础保护外壳固定连接,所述基础保护外壳一侧的底部固定连接有进风管道。该车用锂电池的恒温装置,通过设置有支撑隔板,支撑隔板可以将通过进风管道的风进行分割混匀,对锂电池均匀散热,散热效果好,利于增加锂电池的使用寿命,通过设置有金属散热限位板,有利于对锂电池进行快速降温,使用效果好,通过设置有绝缘涂层,防止锂电池漏电发生危险,大大提高了该装置的安全性。

标签:
加工技术
广东 - 深圳 来源:中冶有色网 2023-03-18
具有防挤压结构的锂电池装置

本实用新型公开了一种具有防挤压结构的锂电池装置,包括锂电池本体、隔板和防挤压机构,所述锂电池本体的顶端设置有盖板,所述盖板的内侧表面安装有散热机构,所述隔板的内侧安装有内置石蜡填充物,所述隔板的右侧设置有第二电池组,所述防挤压机构的外表面安装有阻燃PC膜层,所述防挤压机构的左右两端均安装有固定手柄。该具有防挤压结构的锂电池装置,与现有的普通锂电池装置相比,可以对该锂电池装置内部进行多处散热辅助,提高了该锂电池装置在使用过程中的降温冷却的速率,并且可以利用其内部设置的波形板,提高了该装置的抗冲压性能及防挤压性能,降低了该装置在使用过程中由于受到外界冲击而产生的变形度。

标签:
加工技术
广东 - 深圳 来源:中冶有色网 2023-03-18
锂电池太阳能LED路灯装置

本实用新型公开了一种锂电池太阳能LED路灯装置,其结构包括:锂电池太阳能板、支撑立柱杆、防滑落固定环、配电导线壳套、路灯固定块、LED路灯壳体、对射探照灯、LED灯板、斜杆支架柱、弧形引线管,配电导线壳套倾斜焊接在支撑立柱杆右侧,弧形引线管竖直焊接在支撑立柱杆左侧,斜杆支架柱倾斜固定在配电导线壳套与支撑立柱杆右下角,本实用新型锂电池太阳能板设有分流导线管、液晶太阳能板、锂电池板块、回流电路板,实现了锂电池太阳能LED路灯装置的媒介缓冲电路板对接太阳能板和锂电池块,这样的处理更有效保护太阳能板设备与锂电池的充电安全,可以分流导入更加高效。

标签:
加工技术
广东 - 中山 来源:中冶有色网 2023-03-18
锂离子电池传送装置
锂离子电池传送装置 850     
 0

本实用新型提供一种锂离子电池传送装置,包括承载板、转盘及转轴;转盘为圆形且包括上表面、下表面及侧面,侧面开设有多个卡持槽;承载板为扇形且与转盘同轴设置,所述承载板位于靠近所述下表面的位置,所述承载板的边缘超出所述转盘的边缘形成圆弧形的承载部,所述承载部用于承载锂离子电池;所述转轴的一端贯穿所述上表面及下表面且所述转轴带动所述转盘相对所述承载板转动,所述转盘上的卡持槽进一步推动所述锂离子电池沿所述承载部运动以实现锂离子电池的传送。本实用新型提供的锂离子电池传送装置,能够实现锂离子电池的自动传送,且装置的结构简单、体积较小,占用空间小,自动传送有利于提高锂离子电池的生产效率。

标签:
加工技术
广东 - 东莞 来源:中冶有色网 2023-03-18
防护外壳可拆式锂电池

本实用新型涉及锂电池技术领域,且公开了一种防护外壳可拆式锂电池,包括防护外壳,所述防护外壳内腔的底壁固定安装有内壳,所述内壳的左右两侧均开设有穿孔,所述内壳的内部活动安装有电池座,所述电池座的左右两侧均固定安装有穿过穿孔的连接杆,所述电池座的顶部放置有锂电池,所述防护外壳的顶部开设有密封槽,所述密封槽内固定安装有密封条,所述密封槽内活动安装有防护盖,所述防护盖的底部固定安装有与锂电池接触的软垫。该防护外壳可拆式锂电池,通过转动螺母内的螺纹紧固杆在轴套内转动的同时带动防护盖向下移动,同时伸缩杆进行伸缩,软垫对锂电池进行按压稳定,进而实现了整个壳体的快速安装和拆卸,方便了对锂电池的维修。

标签:
加工技术
广东 - 江门 来源:中冶有色网 2023-03-18
新能源汽车用锂电池保护装置

本实用新型公开了一种新能源汽车用锂电池保护装置,属于锂电池技术领域,解决了现有装置不能对锂电池进行缓冲保护,导致锂电池使用过程中容易损坏的问题;其技术特征是:包括基座和安装座,基座的上部设有安装座,安装座的底部均布有多个用于保护安装座的缓冲组件,安装座内设有水平通槽,水平桶槽内设有用于降噪的降噪腔;本实用新型实施例设置了缓冲组件,缓冲组件的设置实现了对安装座的减震保护,避免了锂电池的损坏,同时延长了锂电池的使用年限,降噪板的长度从上至下依次减小设置能够起到吸收噪音的作用,且设置多个降噪板,目的在于充分吸收噪音,避免了锂电池工作过程中产生的噪音污染。

标签:
加工技术
广东 - 广州 来源:中冶有色网 2023-03-18
锂电池盖板整形装置
锂电池盖板整形装置 890     
 0

本实用新型公开一种锂电池盖板整形装置,该锂电池盖板整形装置包括机座,所述机座上设有盖板夹具、位于所述盖板夹具上方的整形压板和用于驱动所述整形压板上下竖直移动的第一驱动组件,所述盖板夹具包括基板、设于所述基板的上端面的凹腔和若干并排间隔设置于所述凹腔中、用于支撑锂电池盖板的支撑块组,相邻两所述支撑块组之间形成容置锂电池盖板的容置空间,所述整形压板的下端面设有压块组,所述压块组包括若干并列间隔设置的压块。本实用新型锂电池盖板整形装置替代人工以实现对锂电池盖板的批量整平工艺,提高了加工效率、降低了人工花费成本,并且通过压块组的若干压块可以实现对锂电池盖板的整体压形整平,提高了整平一致性和整平效果。

标签:
加工技术
广东 - 深圳 来源:中冶有色网 2023-03-18
便于拆卸密封结构的锂电池极耳

本实用新型公开了一种便于拆卸密封结构的锂电池极耳,包括金属带与锂电池内芯,所述金属带的下端固定连接有极耳固定片,所述极耳固定片的左端与右端的中部均转动连接有转杆,所述转杆的上端固定连接有限位片;所述锂电池内芯的外侧设置有锂电池外壳,所述锂电池外壳与金属带的连接处设置有密封垫;所述密封垫、锂电池外壳、锂电池内芯设置有排气通孔,所述排气通孔的上端固定连接有排气阀;所述金属带的上端设置为半圆。本实用新型中,限位片在固定极耳工作时起固定作用,在极耳拆卸时会收起,不会使极耳运动受到阻碍,大大提高了极耳的拆卸效率。

标签:
加工技术
广东 - 惠州 来源:中冶有色网 2023-03-18
锂电池安装结构及载体装置

本实用新型公开了一种锂电池安装结构及载体装置,涉及电池安装技术领域。该锂电池安装结构包括主体、第一电极、第二电极及防呆件,主体上凹设有用于安装锂电池的安装腔,第一电极设置于安装腔的侧壁或底壁上,第二电极凸设于安装腔的侧壁上,第一电极与第二电极之间具有间隙,第一电极与第二电极分别用于抵持锂电池的两个电极,防呆件的一端连接于主体上,防呆件的另一端凸出于安装腔的侧壁,第一电极、第二电极与防呆件在安装腔的延伸方向上依次设置且逐渐远离安装腔的底壁,防呆件用于防止锂电池在安装过程中向靠近安装腔的底壁的方向压持第二电极。本实用新型提供的锂电池安装结构能够对锂电池的安装起到防呆作用,保护电极不被压坏。

标签:
加工技术
广东 - 深圳 来源:中冶有色网 2023-03-18
紧凑型结构的锂电池
紧凑型结构的锂电池 1051     
 0

本实用新型涉及锂电池技术领域,公开了一种紧凑型结构的锂电池,包括:箱体内部采用隔板分隔为双层以上结构,外表面上设有端子组;第一固定装置设置在箱体内部的上层;第二固定装置设置在箱体内部的下层;锂电池组设于第一固定装置、第二固定装置,经由第一固定装置、第二固定装置固定;锂电池管理模块设于箱体内,锂电池管理模块与锂电池组电性连接。提供了一种结构设计紧凑、布局合理的锂电池。

标签:
加工技术
广东 - 东莞 来源:中冶有色网 2023-03-18
锂电池加工用夹持夹具

本实用新型提供了一种锂电池加工用夹持夹具,适应于夹具技术领域的生产与应用,锂电池加工用夹持夹具包括,支撑座,支撑座顶端中心位置处通过螺钉固定有气缸,且气缸顶端布置有通过螺钉与其动力输出端处固定的承接板,承接板上方熔接有抬升板,本实用新型的有益效果在于:通过设置左卡块、右卡块弹簧、活动轴以及块板,使得使用者则无需用手将锂电池扶持住,从而避免产生在夹持锂电池时使用者的手部被夹伤的现象,同时通过设置活动板、铁板以及磁板,能够使锂电池无需被加工的部分被遮挡,从而便于使用者进行操作,提升了该种锂电池加工用夹持夹具的实用性和安全性,解决了现有的锂电池加工用夹持夹具实用性低和安全性低的问题。

标签:
加工技术
广东 - 深圳 来源:中冶有色网 2023-03-18
锂离子电池爆炸原因测试方法

本发明公开了一种锂离子电池爆炸原因测试方法,它是通过建立爆炸原因的标准,对发生爆炸的电池的残留物进行收集,然后研磨过筛得到粉体,并对过筛后的产物进行差示扫描量热分析;将分析所得的差示扫描量热分析(DSC)曲线与标准参照图进行比较以确定其爆炸原因。标准参照图是通过分析标准锂离子电池的特定爆炸原因所得到的差示扫描量热分析(DSC)曲线。本发明操作方法简单,分析结果准确,能较好的分辨出锂电池引起的爆炸的原因。

标签:
加工技术
广东 - 深圳 来源:中冶有色网 2023-03-18
上一页 1989 1990 1991 1992 1993 ... 2000 ... 3373 下一页
共3373页    到第

中冶有色为您提供最新的广东有色金属理论与应用信息,涵盖发明专利、权利要求、说明书、技术领域、背景技术、实用新型内容及具体实施方式等有色技术内容。打造最具专业性的有色金属技术理论与应用平台!

全国热门有色金属设备推荐
展开更多 +
全国热门有色金属技术推荐
展开更多 +

 

江西省隆恩特环保设备有限公司
宣传

报名参会
更多+

报告下载

有色专家
更多+

长沙矿冶研究院有限责任公司
中国工程院院士
中国矿业大学
副院长/教授
长沙有色冶金设计研究院有限公司
正高级工程师/中国铝业首席工程师/全国有色金属行业设计大师/国家注册采矿工程师
红河学院
研究员
中南大学
粉末冶金国家重点实验室 主任
赤泥综合利用研究报告2025
推广

热门技术
更多+

推荐企业
更多+

福建省金龙稀土股份有限公司
宣传

发布

在线客服

公众号

电话

顶部
咨询电话:
010-88793500-807