青岛垚鑫智能科技有限公司
宣传

位置:中冶有色 >

有色技术频道 >

分类:
全部
矿山技术
冶金技术
材料制备及加工技术
环境保护技术
分析检测技术
地区:
全部
北京
天津
上海
重庆
河北
山西
辽宁
吉林
黑龙江
江苏
浙江
安徽
福建
江西
山东
河南
湖北
湖南
广东
海南
四川
贵州
云南
陕西
甘肃
青海
内蒙
广西
西藏
宁夏
新疆
其他
其他
展开
 
全部
广州
韶关
深圳
珠海
汕头
佛山
江门
湛江
茂名
肇庆
惠州
梅州
汕尾
河源
阳江
清远
东莞
中山
潮州
揭阳
云浮

广东有色金属理论与应用

免费发布技术信息>>
防针刺锂电池的制作方法

本发明涉及锂电池制备的技术领域,公开了防针刺锂电池的制作方法,具体包括如下步骤:S1:对呈波浪状的内隔挡片、外隔挡片的片峰、片谷进行打磨处理,并将绝缘片依次粘附内隔挡片、外隔挡片的片峰、片谷上,粘附完成后降至室温待用;S2:对内隔挡片进行冲压处理,使内隔挡片的片谷抵接电池内芯外侧壁上,并向内隔挡片与电池内芯的间隙中进行灌胶,胶水凝固后形成内粘结胶层。本发明所制备出的防针刺锂电池内部分别设置了内隔挡片、外隔挡片,外部针刺电池内部时需要依次通过外粘结胶、外隔挡片、绝缘胶、内隔挡片、内粘结胶才能刺入至电池内芯内部,穿刺难度增加,增强了电池的抗针刺性能。

标签:
加工技术
广东 - 东莞 来源:中冶有色网 2023-03-18
含铝负极材料、负极极片及锂离子二次电池

本发明公开了一种含铝负极材料、负极极片及锂离子二次电池,涉及锂离子电池技术领域。该含铝负极材料,按质量分数计,包括铝粉负极活性材料1‑40%、石墨负极活性材料55‑95%、改性剂0.5‑3%、粘结剂1‑4%;所述改性剂选自主链含有酰亚胺环、酰胺基团、胺基、氰基、酯基、四氟取代基中的一种或多种的具有粘结性能的聚合物。本发明利用改性剂与铝粉形成氢键、化学键等,对铝粉进行表面改性,提高铝粉和其他材料之间的粘结性,解决了铝粉或铝粉/石墨复合材料循环稳定性差的问题;进而使制得的含铝负极极片具有良好的粘结性和柔韧性,采用该含铝负极极片制得的锂离子二次电池具有高能量密度、高安全性,以及好的循环稳定性。

标签:
加工技术
广东 - 深圳 来源:中冶有色网 2023-03-18
粘结剂及含有该粘结剂的锂离子电池

本发明公开了一种粘结剂及含有该粘结剂的锂离子电池,所述粘结剂包括至少一种聚合物;其中,所述聚合物具有如式1所示的结构。所述粘结剂利用主链为聚乙二醇、聚合物链两端含有邻苯二酚的复合结构,分别赋予粘结剂分子高离子电导和高粘结性。含有该粘结剂的负极片,具有较高的离子电导率和剥离强度。同时,本发明的粘结剂应用于锂离子电池中,对比使用常规聚合物粘结剂的锂离子电池,循环容量保持率更高、循环膨胀率更低、倍率性能更优异。

标签:
加工技术
广东 - 珠海 来源:中冶有色网 2023-03-18
野外锂电池充电装置和方法

本发明公开一种野外锂电池充电装置和方法,主要包括用于给发电模块提供动力的动力模块、用于给充电模块进行充电的发电模块和用于给设备进行充电的充电模块,动力模块包括恒压控制器,油门电机和内燃机,发电模块包括整流器和发电机,充电模块包括充电器和锂电池组,内燃机与发电机连接,整流器与恒压控制器、充电器和发电机连接。本发明公开的野外锂电池充电装置,结构简单,充电方式方便,尤其适合于野外作业,其主要由内燃机,发电机,充电器组成;其特点是直接使用30V以下的低压恒压发电系统,在野外复杂情况下也可安全使用,不会发生触电危险;没有降压过程,效率更高。

标签:
加工技术
广东 - 深圳 来源:中冶有色网 2023-03-18
高频隔离双向单功率锂离子电池化成分容设备

本发明公开了一种锂离子电池化成分容设备,旨在提供一种效率高、发热量少、生产效率高的高频隔离双向单功率锂离子电池化成分容设备。本发明包括至少一个单元模块,所述单元模块包括MCU(1)、双向AC/DC控制板(2)、双向DC/DC控制板(3)、与所述双向AC/DC控制板(2)相连接的双向AC/DC整流器(4)以及与所述双向DC/DC控制板(3)相连接的双向AC/DC转换器(5),所述双向AC/DC控制板(2)和所述双向DC/DC控制板(3)均与所述MCU(1)相连接,所述双向AC/DC整流器(4)和所述双向AC/DC转换器(5)相连接。本发明应用于锂离子电池化成分容设备的技术领域。

标签:
加工技术
广东 - 珠海 来源:中冶有色网 2023-03-18
盐湖卤水离心萃取制备高纯无水氯化锂的工艺

本发明公开一种盐湖卤水离心萃取制备高纯无水氯化锂的工艺。它解决了现有技术存在的制备纯度不高等技术问题。本工艺包括除杂、盐酸调配、多级逆流离心萃取、多级逆流洗涤、多级逆流反萃、皂化、除铁、除油等步骤最终蒸发浓缩、结晶、分离、干燥、包装工序、获得99.995%的高纯度污水氯化锂产品。与现有的技术相比,本工艺优点在于:该工艺在萃取锂之前设置了皂化工序,可使含有酰胺类络合萃取剂的萃取有机相再生;引入了变频器闭环流量控制系统可精准控制流量;采用本级回流可解决大相比进料引起的相接触面小的问题;设置备台离心萃取机并自动切换技术保证生产的连续与可靠。

标签:
加工技术
广东 - 深圳 来源:中冶有色网 2023-03-18
硅/石墨烯复合材料及其制备方法与锂离子电池

本发明涉及一种硅/石墨烯复合材料的制备方法,是采用化学气相沉积法制备硅/石墨烯复合材料,具体包括如下步骤:将衬底泡沫镍放入无氧反应室中,并将所述泡沫镍加热到500~1300℃,充入气体碳源和气体硅源,反应30~300分钟后将所述泡沫镍放入FeCl3溶液中,直至泡沫镍完全溶解,过滤,用去离子水洗涤固体产物并烘干即得到所述硅/石墨烯复合材料。本发明还涉及该硅/石墨烯复合材料作为锂离子电池负极材料所制备的锂电子电池。与现有技术相比,本发明所制备的硅/石墨烯复合材料孔洞丰富,用作于锂离子电池负极材料具有优异的储能性能和循环性能。

标签:
加工技术
广东 - 深圳 来源:中冶有色网 2023-03-18
高压锂离子二次电池
高压锂离子二次电池 1003     
 0

本发明公开了一种高压锂离子二次电池,充电截止电压大于4.2V而小于等于4.5V,包括:活性物质为锂过渡金属氧化物的阴极;活性物质为含有石墨的阳极;置于阴极与阳极之间的隔板;以及非水电解液,所述非水电解液包括:非水有机溶剂、锂盐和结构式(1)所示的4-氟甲苯,所述4-氟甲苯的含量按电解液的总重量计为0.01%~1%重量百分比。4-氟甲苯能有效的改善电解液的循环性能,能明显的提高电池循环后的容量保持率,降低其循环后的内阻增长和厚度膨胀率;同时能改善电池的高温存储特性。在氟代碳酸乙二酯基础上添加4-氟甲苯,电池的循环性能和高温存储性能也得到有效提高,进一步使电池得以实用化。

标签:
加工技术
广东 - 深圳 来源:中冶有色网 2023-03-18
锂离子二次电池用隔膜、其制备方法以及含该隔膜的电池

本发明公开了一种锂离子二次电池用隔膜,包括隔离膜和设置在隔离膜的至少一个表面上的多层包括无机粒子和粘结剂的多孔绝缘层,每层多孔绝缘层的无机粒子的平均颗粒大小在隔离膜表面到极片的方向上逐渐变大;还公开了其制备方法,先将无机粒子和粘结剂搅拌分散在溶剂中,得到混合物A,采用平均粒径呈现梯度变化的无机粒子制得多种混合物A,在隔离膜的表面上按包含的无机粒子平均粒径从小到大的顺序涂布多种混合物A,干燥后即得本发明隔膜;还公开了含该隔膜的锂离子二次电池;本发明具有以下优点:隔膜热稳定性良好、超低热收缩、安全性能优异和电化学性能优良,其制备方法操作简便,含前述隔膜的锂离子二次电池安全性能优异和电化学性能优良。

标签:
加工技术
广东 - 东莞 来源:中冶有色网 2023-03-18
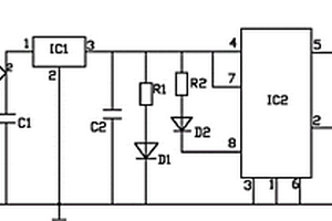
锂电池可调充电器
锂电池可调充电器 841     
 0

本发明公开了一种锂电池可调充电器,包括电阻R4、电容C4、整理桥T和芯片IC1,所述电阻R4的一端连接电容C4和220V交流电,电阻R4的另一端连接电容C4的另一端和整流桥T的端口1,整流桥T的端口2连接电容C1和芯片IC1的引脚1,电容C1的另一端连接电容C2、电容C3、二极管D1的阴极、电阻R3、锂电池E的负极、整流桥T的端口4、芯片IC1的引脚2、芯片IC2的引脚1、芯片IC2的引脚3和芯片IC2的引脚6。本发明锂电池可调充电器电路结构简单、元器件少,不仅能够方便的调节充电电压的大小,而且还具有充电指示功能,因此具有使用方便、性能稳定和制作成本低的优点。

标签:
加工技术
广东 - 惠州 来源:中冶有色网 2023-03-18
锂电池干燥冷却自动化加工系统

本发明公开了一种锂电池干燥冷却自动化加工系统,包括主移动线、干燥炉、搬运六轴机械手以及冷却炉,多个干燥炉分别安装在主移动线两侧,搬运六轴机械手安装在主移动线上,搬运六轴机械手的工作端安装有夹具夹持组件;主移动线一端设置有自动上料机组,另一端设置有冷却下料机组;自动上料机组包括输入传送线、上料六轴机械手以及夹具承接台;冷却下料机组包括冷却上料平台、冷却炉、冷却下料平台以及输出传送线,冷却上料平台、冷却下料平台分别设置在冷却炉的两端,输出传送线设置在冷却下料平台连接。本发明能够自动地对锂电池进行上下料,并且自动地完成对锂电池的干燥和冷却处理工艺。

标签:
加工技术
广东 - 深圳 来源:中冶有色网 2023-03-18
含Y和Te可阻燃的铝锂合金及其加工工艺

本发明公开了一种在700‑800度之间熔炼时含Y和Te可阻燃铝锂合金及其加工工艺。按重量百分比计,合金的化学成分为:Li:4.0‑8.0wt.%,Y:2.0‑4.0wt.%,Sr:2.0‑6.0wt.%,Te:1.0‑2.0wt.%,Ca:1.0‑3.0wt.%,Mn:1.0‑2.0wt.%,Ba:0.5‑1.5wt.%,Er:0.2‑0.6wt.%,Dy:0.2‑0.3wt.%,余量为铝。本专利针对目前高温下铝锂合金在熔炼时需要进行保护熔炼的现状提供了一种新颖材料学解决方案。通过筛选合金元素来改变熔体表面生成的氧化膜和氮化膜的类型,成分和含量,在铝锂熔体表面形成一层结构致密持久的保护膜。该合金熔体在静态下具有极其优异的阻燃性能,可以达到在700‑800度范围内在大气环境下保温5个小时而没有明显的燃烧。在动态过程中,例如对液态合金进行搅拌、吹气等熔体处理过程中,当其表面膜因剧烈搅拌被破坏后,仍能快速再生,成功阻碍合金的氧化燃烧。

标签:
加工技术
广东 - 广州 来源:中冶有色网 2023-03-18
锂电池裸电芯接触式预热炉

本发明公开了一种锂电池裸电芯接触式预热炉,包括主安装机架、竖直并排安装在所述主安装机架内的多个接触式自动预热结构以及对应所述主安装机架前后两侧设置的自动上下料装置;所述接触式自动预热结构包括若干两端套设有支撑滑杆的加热板,相邻所述加热板在竖直方向沿着所述支撑滑杆相对滑动,在相邻所述加热板之间形成若干预热工位;所述自动上下料装置包括竖直移动组件和纵向移动组件,所述竖直移动组件和所述纵向移动组件驱动一横向基板,所述横向基板下侧设置有若干电芯夹持组件,将所述锂电池裸电芯分别从所述主安装机架的两侧进入或者离开所述预热工位。本申请能够实现自动化的锂电池裸电芯预热处理,预热处理效果好,工作效率高。

标签:
加工技术
广东 - 深圳 来源:中冶有色网 2023-03-18
基于原位生长氧化铜/钴酸镍纳米线复合材料的锂离子电池负极的制备方法

本发明提供一种基于原位生长氧化铜/钴酸镍纳米线复合材料的锂离子电池负极的制备方法,包括铜箔的预处理,并使用铜箔胶带对铜箔的一面进行覆盖;然后在铜箔上单面长氧化铜/钴酸镍纳米线,得到氧化铜/钴酸镍纳米线复合材料;将原位生长氧化铜/钴酸镍纳米线复合材料片用剪刀剪掉铜箔胶带和铜箔粘连的部分;将单面长钴酸镍纳米线铜箔剪裁,得到氧化铜/钴酸镍纳米线复合材料锂离子电池负极片,通过组装得到纽扣电池并对其进行测试,本发明通过将铜箔的一面灵活可卸除覆盖,只在铜箔一面上原位生长钴酸镍纳米线,解决了集流体与电池壳之间的电子传导的问题;通过形成微量的氧化铜,提高锂离子电池负极的性能;进一步提高了比容量和倍率性能。

标签:
加工技术
广东 - 江门 来源:中冶有色网 2023-03-18
锂离子电池水性粘合剂及其制备方法

本发明公开了一种锂离子电池水性粘合剂,由乳液及分散在乳液中的胶乳粒子组成,所述胶乳粒子是三层结构,内核由低玻璃化转变温度的聚合物组成,中间过渡层是由中等玻璃化转变温度的聚合物组成,外壳层由高玻璃化温度的聚合物组成,从内到外逐渐由软变硬;乳液的固含量为5~30%,内核聚合物、中间过渡层聚合物、外壳层聚合物的质量比为:(5~30):(20~60):(30~60)。本发明得到的锂离子电池水性粘合剂,其粘合剂以水为分散介质,解决了锂电池用粘合剂的环保问题;采用分别合成内核、过渡层、外壳的合成方法,制备出的粘合剂乳液的机械稳定性好,在分散过程中不会出现团聚等破乳现象;表面张力较低,大大提高分散效率以及成膜性。

标签:
加工技术
广东 - 惠州 来源:中冶有色网 2023-03-18
含硅负极片、其制备方法及锂离子电池

本发明涉及电池领域,尤其涉及一种含硅负极片、其制备方法及锂离子电池。本发明的含硅负极片,包括:集流体,第一含硅层,所述第一含硅层涂布于所述集流体至少一侧的表面,所述第一含硅层中的硅含量为50~80wt%;第二含硅层,所述第二含硅层涂布于所述第一含硅层的表面,所述第二含硅层中包括多孔纳米硅,所述第二含硅层中的硅含量为10~50%;以及外层,所述外层涂布于所述第二含硅层的表面;所述外层中的硅含量为0~10wt%。所述硅负极片材料用于锂离子电池时,锂离子扩散系数大,可抑制硅材料的体积膨胀,结构稳定,导电率高,循环稳定性高。

标签:
加工技术
广东 - 珠海 来源:中冶有色网 2023-03-18
高性能磷酸锰铁锂正极材料及其制备方法

本发明公开一种高性能磷酸锰铁锂正极材料及其制备方法。本发明利用一种高效球磨助剂、复合碳源和控制预煅烧相协同的策略,优化磷酸锰铁锂(LiMnFe0.5Mn0.5PO4@C)正极材料的碳层包覆、孔结构并提升其电化学性能。该方法将磷酸二氢锂、草酸亚铁、碳酸锰以及复合碳源球磨均匀混合后,利用复合碳源的熔点和热分解温度不同的特点,通过合成过程中的预煅烧温度和时间的有效调控,制备具有碳包覆层均匀、粒度分布均匀和分级孔结构的“LiMnFe0.5Mn0.5PO4@C”正极材料。该材料具有比容量高、倍率性能优良及循环稳定性好等特点。本发明制备工艺简单,便于扩大生产规模。

标签:
加工技术
广东 - 广州 来源:中冶有色网 2023-03-18
废旧锂离子电池中不同磁性金属的分离装置

本发明公开了一种废旧锂离子电池中不同磁性金属的分离装置,包括真空高温炉和分选模块;其中,真空高温炉用于对由废旧锂离子电池中筛分得到的电极粉末进行抽真空处理,得到待分选的混合粉末;分选模块用于将待分选的混合粉末分选为磁性金属粉末和非磁性粉末。本发明技术方案通过碳热还原法和磁力‑风力作用来分离废旧锂离子电池中的磁性金属,能避免产生二次污染,具有环境友好型特点,而且本装置能实现不同种类磁性金属混合氧化物的有效分离,提高磁性金属的分离数量和分离效率。

标签:
加工技术
广东 - 广州 来源:中冶有色网 2023-03-18
电池负极涂层、电池负极片及其制造方法、锂离子电池

本发明适用于锂离子电池领域,公开了电池负极涂层、电池负极片、电池负极片的制造方法、锂离子电池,其中,电池负极涂层的组分包括负极活性物质、负极导电剂、悬浮剂和负极粘结剂,负极活性物质包括人造石墨颗粒和包覆于人造石墨颗粒外的硬碳材料层。本发明由于采用包覆有硬碳材料的人造石墨颗粒作为负极活性物质,故,可利用硬碳材料层在人造石墨颗粒外形成保护层防止电解液的溶剂分子嵌入到负极石墨结构层中,且硬碳材料具有导电性能好的特性,因而利于进一步提升锂离子电池的循环性能。

标签:
加工技术
广东 - 深圳 来源:中冶有色网 2023-03-18
硼氮共掺杂三维结构锂硫电池正极材料的制备方法

本发明提供一种硼氮共掺杂三维结构锂硫电池正极材料的制备方法,包括以下几个步骤:步骤(1)将氧化石墨加入到水中超声,形成氧化石墨烯悬浮液;步骤(2)将氨水加入到氧化石墨烯悬浮液中,再加入硼氢化钠,得到三维硼氮共掺杂石墨烯;步骤(3)取步骤(2)得到的三维硼氮共掺杂石墨烯与科琴黑加入到N-甲基吡咯烷酮中超声反应形成悬浮液;步骤(4)将硫加入到N-甲基吡咯烷酮中超声,直到单质硫完全溶解形成悬浮液;步骤(5)将步骤(4)和步骤(3)得到的两种悬浮液混合,然后加入蒸馏水,得到三维结构的锂硫电池正极材料。硼氮共掺杂石墨烯中的氮原子和硼原子的协同作用对硫的吸附,减少飞梭效应,提高锂硫电池的循环寿命。

标签:
加工技术
广东 - 深圳 来源:中冶有色网 2023-03-18
立库式锂电池自动干燥控制系统

本发明公开了一种立库式锂电池自动干燥控制系统,能够简化系统布线,实现协调统一控制,大大地减少PLC控制器的数量,并且自动化地完成对锂电池的干燥和冷却处理工艺。该立库式锂电池自动干燥控制系统,包括主控服务器、上料六轴机械手控制模块、下料六轴机械手控制模块、搬运六轴机械手控制模块,自动密封门控制模块、抽真空模块、温度模块;所述主控服务器与所述上料六轴机械手控制模块、下料六轴机械手控制模块、搬运六轴机械手控制模块电性连接;对应移动轨道一侧设置的多个干燥炉体的所述自动密封门控制模块、所述抽真空模块和所述温度模块通过一第一PLC控制器与所述主控服务器电性连接,对应移动轨道另一侧设置的多个干燥炉体的所述自动密封门控制模块、所述抽真空模块和所述温度模块通过一第二PLC控制器与所述主控服务器电性连接。

标签:
加工技术
广东 - 深圳 来源:中冶有色网 2023-03-18
用于带有保护装置的锂电池的装配设备

本发明涉及一种带有保护装置的锂电池,它包括电池主体、铜片和盖板,铜片的上下表面依次贴有镍带和胶带,盖板的内侧两端上下部均开设有定位孔,且上下部的定位孔配合定位柱分别安装有上保护插块和下保护插块,上保护插块包括与上部铜片靠近盖板一侧配合的上保护块主体,上包括块主体的中部设置有插入到两组铜片之间的保护定位块,保护定位块的下部开设有保护定位插槽,下保护插块包括与下部铜片靠近盖板一侧配合的下保护块主体,下保护块主体上设置有保护定位插块;本发明在锂电池的电池主体与盖板之间设置有安装在盖板上并相互扣合的上保护插块和下保护插块形成的保护装置,能够确铜片不会发生移位,提高了锂电池的使用寿命。

标签:
加工技术
广东 - 东莞 来源:中冶有色网 2023-03-18
热调偏置硅铌酸锂混合集成调制器及制备方法

本发明公开了一种热调偏置硅铌酸锂混合集成调制器及制备方法,可以高效地利用硅材料固有的高热光系数,实现一个高集成度、高稳定性的偏置点控制,在调制器方面保留了混合集成将硅高折射率、易于集成和铌酸锂高电光系数、线性高速远距离调制相结合的优点,相比较传统的利用铌酸锂普克尔斯效应的直流偏压控制偏置点具有更好的稳定性。

标签:
加工技术
广东 - 广州 来源:中冶有色网 2023-03-18
镍钴锰酸锂前驱体的制备方法

本发明涉及一种镍钴锰酸锂前驱体的制备方法,包括以下步骤:配制含镍源、钴源、锰源和锂源的混合溶液;将该混合溶液分为两份或两份以上,向其中至少两份分别加入有机物,制备得到各前驱体溶液;对各前驱体溶液分别进行结晶、破碎,混合均匀后于助燃气气氛条件下进行加热,即制备得到镍钴锰酸锂前驱体。该制备方法操作简单、产品稳定性好,而且可以连续产出,具有良好的工业应用前景。

标签:
加工技术
广东 - 东莞 来源:中冶有色网 2023-03-18
正极活性材料及其制备方法、正极极片以及锂离子电池

本申请涉及电池制造技术领域,具体而言,涉及一种正极活性材料及其制备方法、正极极片以及锂离子电池。正极活性材料的制备方法,包括:将LiNi0.5Mn1.5O4、第一物料以及第二物料混合后烧结;其中,第一物料包括LiFePO4以及LiFexMn1‑xPO4中的至少一种,0<x<1;第二物料包括B2O3以及H3BO3中的至少一种。本申请提供的正极活性材料的制备方法有利于同时提高锂离子电池的阴阳极界面稳定性,进而有利于提高锂离子电池的循环性能。

标签:
加工技术
广东 - 广州 来源:中冶有色网 2023-03-18
锂电池外侧鼓包检测装置及使用方法

本发明公开了一种锂电池外侧鼓包检测装置及使用方法,包括固定箱,所述固定箱的内部设置有传送带,所述固定箱的内部开设有方槽,所述方槽内壁的顶部固定连接有弹簧一,所述弹簧一的底部固定连接有检测板,所述检测板的顶部固定连接有连接杆,所述连接杆的顶部固定连接有动触头,所述方槽内壁的顶部开设有与连接杆配合使用的短槽,所述短槽的内部设置有固定块。本发明通过设置鼓包锂电池通过检测板与连接杆使动触头与静触头接触,使电磁铁断电,弹簧二通过标记箱对鼓包锂电池进行标记,解决了现有的检测装置无法及时对锂电池的鼓包情况进行检测,鼓包后的锂电池存在一定的爆炸风险,安全隐患较大的问题。

标签:
加工技术
广东 - 深圳 来源:中冶有色网 2023-03-18
锂电池多工位顶升移栽机构

本发明涉及锂电池输送技术领域,尤其涉及锂电池多工位顶升移栽机构,包括移送工作台,移送工作台沿长度方向成型有通过槽,通过槽沿途间隔布置有多个定位槽;移送工作台底部设置有移送装置,移送装置包括沿驱动板以及驱动件,驱动板顶部安装有多个间隔布置的吸合件,移送工作台底部还设置有滑动通道,锂电池置于移送工作台顶部的定位槽,吸合件可升降地穿过定位槽将锂电池底面吸住,吸合件顶起穿过定位槽后,驱动板通过滑动座与导轨件的滑动配合,横向移送,使锂电池对齐到下一个定位槽进行待加工;移送装置不会占用移送工作台顶部的空间,可与加工设备的安装位置分离,相互影响较小,且不会影响到加工设备的布置,提高了空间利用率。

标签:
加工技术
广东 - 东莞 来源:中冶有色网 2023-03-18
四氟草酸磷酸锂的制备方法

本发明提供一种四氟草酸磷酸锂的制备方法,所述四氟草酸磷酸锂通过六氟磷酸锂和二氟草酸硼酸锂反应制备得到。所述制备方法无需使用PF5、HF等毒性大的反应原料,就能够制备出氯化合物和游离酸含量低的高纯度四氟草酸磷酸锂,且反应步骤简单、操作便捷,产品收率高,易于提纯,增大了工业化生产的可行性。

标签:
加工技术
广东 - 东莞 来源:中冶有色网 2023-03-18
聚合物/镍锰酸锂复合材料的制备方法及其制品与应用

本发明公开了一种聚合物/镍锰酸锂复合材料的制备方法及其制品与应用,属于电池材料领域。本发明所述方法无需依靠特殊工艺条件或加工设备,仅通过化学聚合法将非微孔结构复合型导电聚合物以π‑π键堆积的形式均匀致密地包覆在尖晶石相镍锰酸锂上形成复合材料,不仅具有生产成本低、适用于大规模生产的特点,同时可有效减少其在应用于锂离子电池正极材料时电解液接触发生副反应的概率,提升正极材料的离子/电子电导率、结构稳定性、和循环稳定性。本发明还公开了所述制备方法制备得到的聚合物/镍锰酸锂复合材料及其进一步制备的锂离子电池正极材料。

标签:
加工技术
广东 - 佛山 来源:中冶有色网 2023-03-18
废锂电池正极片回收方法、电池

本申请涉及废锂电池正极片技术领域,尤其涉及一种废锂电池正极片回收方法、电池。本申请废锂电池正极片回收方法,包括如下步骤:用含有剥离试剂的第一溶液对回收的正极片进行剥离处理,实现正极片的正极材料和集流体的剥离;用含有还原剂的第二溶液对正极材料进行加热洗涤处理后,进行固液分离处理,得到含有锂离子的第三溶液和未溶解的正极材料按照相应正极材料所含的元素比例,采用相应金属化合物对未溶解的正极材料进行修复处理,得到正极材料前驱体;向正极材料前驱体进行煅烧处理,得到修复的正极材料。为回收锂电池正极片提供了一条合理路径,流程短,技术适用性强。

标签:
加工技术
广东 - 广州 来源:中冶有色网 2023-03-18
上一页 2008 2009 2010 2011 2012 ... 3373 下一页
共3373页    到第

中冶有色为您提供最新的广东有色金属理论与应用信息,涵盖发明专利、权利要求、说明书、技术领域、背景技术、实用新型内容及具体实施方式等有色技术内容。打造最具专业性的有色金属技术理论与应用平台!

全国热门有色金属设备推荐
展开更多 +
全国热门有色金属技术推荐
展开更多 +

 

江西省隆恩特环保设备有限公司
宣传

报名参会
更多+

报告下载

有色专家
更多+

鞍钢集团有限公司
中国工程院院士
赣州有色冶金研究所有限公司
副主任/高级工程师
中国有色金属工业协会
副会长兼秘书长
北京航空航天大学、中国工程院
院士
矿冶科技集团有限公司
正高级工程师/副所长
赤泥综合利用研究报告2025
推广

热门技术
更多+

推荐企业
更多+

福建省金龙稀土股份有限公司
宣传

发布

在线客服

公众号

电话

顶部
咨询电话:
010-88793500-807