青岛垚鑫智能科技有限公司
宣传

位置:中冶有色 >

有色技术频道 >

分类:
全部
矿山技术
冶金技术
材料制备及加工技术
环境保护技术
分析检测技术
地区:
全部
北京
天津
上海
重庆
河北
山西
辽宁
吉林
黑龙江
江苏
浙江
安徽
福建
江西
山东
河南
湖北
湖南
广东
海南
四川
贵州
云南
陕西
甘肃
青海
内蒙
广西
西藏
宁夏
新疆
其他
其他
展开
 
全部

有色金属技术理论与应用

免费发布技术信息>>
用于电镀废水吸附处理的吸附剂

本发明公开了一种用于电镀废水吸附处理的吸附剂,其特征在于,包括以下质量份的组分:硅藻土粉20‑30份、麦饭石粉15‑20份、脂肪酶液25‑30份、腐殖酸钠5‑8份、纳米四氧化三铁15‑18份、羧甲基淀粉钠15‑18份、聚合氯化铝5‑8份、无水氯化镁5‑9份、氧化镁6‑9份、2,4-二氯苯氧乙酸异丁酯5‑10份、蜡状芽孢杆菌菌剂5‑12份。本发明的用于电镀废水吸附处理的吸附剂,这种吸附剂对电镀废水中重金属的吸附能力强,对电镀废水中重金属吸附力达到90%;而且增加了菌剂,有效对电镀废水中的细菌进行处理,处理后的污水达到排放要求。

标签:
废水处理
江苏 - 南通 来源:中冶有色网 2023-03-19
重金属废水量化处理的方法

本发明公开了一种重金属废水量化处理的方法,其使用一种重金属废水量化处理设备,所述重金属废水量化处理设备包括清泥箱体,所述清泥箱体内设有清泥腔,还包括设置于清泥腔内的清泥机构,所述清泥机构包括电机,本发明结构简单,操作方便,清泥机构通过控制螺纹主杆和螺纹副杆的运动,带动第一清泥板和第二清泥板的的左右上下移动,更好的将一定面积内的重金属废水内的淤泥清理起,通过吸泥泵吸出,进入过滤装置进行过滤,同时,移动机构可以带动整个装置左右移动,可以清理更大面积的重金属废水中的淤泥,值得推广。

标签:
废水处理
浙江 - 衢州 来源:中冶有色网 2023-03-19
难降解石油化工废水的处理方法

本发明涉及一种难降解石油化工废水的处理方法,该方法包括步骤:1)将废水进行隔油、气浮等预处理。2)预处理后的废水进入填充催化剂的氧化塔,在催化剂的作用下被二氧化氯氧化剂氧化降解。3)氧化后的废水进入生物降解处理工序。4)处理出水达标排放。该处理方法突破了难降解石油化工废水的传统“隔油、气浮+絮凝+生化”处理工艺,中段采用二氧化氯催化氧化处理,减少污泥的产生,降低处理成本的同时,保证出水的稳定性,使整个工艺出水水质长期达到排放要求。

标签:
废水处理
吉林 - 吉林 来源:中冶有色网 2023-03-19
煤化工废水处理系统及处理工艺

本发明公开了一种煤化工废水处理系统及其处理工艺,所述煤化工废水处理系统包括依次连接设置的原水槽、厌氧槽、好氧槽和膜槽,煤化工废水经提升泵至原水槽后,先后通过厌氧槽,好氧槽和膜槽,所述好氧槽内设有曝气装置,所述膜槽下部与厌氧槽之间设置有回流循环管道,所述厌氧槽上设有活性焦投加系统,在厌氧槽内投加一定量的活性焦。活性焦在所述废水处理系统中能够充分发挥其中孔发达的特性,对废水中的难降解有机物和大分子有机物等具有非常好的吸附作用,同时活性焦可以作为活性污泥胶核,改善污泥性能和含水特性,在膜表面形成良好的水力通道,保证膜通量、防止膜污堵;且活性焦可再生或者与污泥混合脱水后掺烧,使用成本低。

标签:
废水处理
北京 - 北京 来源:中冶有色网 2023-03-19
化工废水综合处理方法

本发明涉及一种化工废水综合处理方法,包括前处理系统、一级生化系统、臭氧处理系统、二级生化系统、以及后处理系统,本发明采用两级生化处理系统,第一级生化处理系统前有铁碳处理系统,两级生化处理系统间有臭氧处理系统,大大的提高了废水的可生化性,废水处理后可以达到直排的要求;本发明适用于各类化工废水的综合处理,具有处理成本低,工艺稳定性强,污染物去除率高,出水水质稳定达标等优点,适合在化工类废水处理中广泛使用。

标签:
废水处理
浙江 - 杭州 来源:中冶有色网 2023-03-19
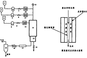
丙烯酸生产中高浓度有机物废水处理的方法

本发明涉及一种丙烯酸生产中高浓度有机物废水处理的方法,包括(1)将氧化剂和去离子水混合配制成氧化剂溶液,并置于氧化剂罐内;(2)将丙烯酸生产废水和清水分别置于废水和清水罐内,并在废水内加入催化剂;(3)首先将预热器加热到300-400℃,反应器加热到400-600℃;(4)打开高压柱塞泵进样,废水和氧化剂溶液分别经预热、加压后进入反应器微孔陶瓷管内,在压力22-28MPA和温度374℃-600℃下进行超临界水氧化反应,清水由陶瓷膜外壁渗入微孔陶瓷管内;(5)处理出水经冷却和气液分离后可实现达标排放。本发明解决了传统超临界水氧化技术的反应釜内壁腐蚀和管路堵塞的问题;实现对有机物去除率达99.99%以上,且不会产生二次污染,对环境友好。

标签:
废水处理
上海 - 上海 来源:中冶有色网 2023-03-19
丁辛醇装置缩合废水综合处理的方法

本发明公开了一种丁辛醇装置缩合废水综合处理的方法:浓缩后的活性污泥加入厌氧池、缺氧池、好氧池,向三池加入缩合废水原水;向厌氧池、缺氧池中投放KO复合型厌氧菌,向好氧池投放KO复合型好氧菌,向三池加入尿素和过磷酸钙;向好氧池中曝气,开始菌种驯化;丁辛醇装置的缩合废水原水进入原水调节池,送至羟基自由基预处理装置后送至贮水池;生化调节池废水送至厌氧池,厌氧池废水送至缺氧池,以此类推,依次泵入厌氧沉淀池、好氧池、好氧沉淀池;厌氧沉淀池厌氧污泥返送厌氧池,好氧沉淀池好氧污泥返送好氧池;当好氧沉淀池出水COD≥200mg/L,将其返回好氧池处理;否则将其送至羟基自由基后处理装置中循环,处理后水作为合格水送回生产系统循环使用。

标签:
废水处理
天津 - 天津 来源:中冶有色网 2023-03-19
重金属沉淀剂、应用、制备方法以及污酸废水处理方法

本发明涉及一种重金属沉淀剂、应用、制备方法以及污酸废水处理方法。该重金属沉淀剂为二甲基二硫代氨基甲酸锌,该处理方法在污酸废水中加入所述重金属沉淀剂进行第一次沉淀,将铜离子回收,得到去除铜离子的废水;再加入所述重金属沉淀剂进行第二次沉淀,对镍离子进行回收。本发明的重金属沉淀剂对污酸废水中的铜离子和镍离子进行沉淀去除,去除率大于99%;本发明的处理方法能够高选择性的分级回收污酸中铜、镍离子,具有便捷、高效以及环保的特点,不仅能够实现传统意义上的污酸废水处理,而且能够使产物得到再利用。

标签:
废水处理
北京 - 北京 来源:中冶有色网 2023-03-19
磁性纳米颗粒回收处理含铬废水的方法

本发明专利提供了一种磁性纳米颗粒回收处理含铬废水的方法,采用特殊工艺合成的磁性Fe3O4纳米颗粒,通过磁性Fe3O4纳米颗粒‑氢氧化铬胶体粒子结合形成纳米团簇以及磁性分离操作,直接从含铬废水中把铬提取出来,实现含铬废水中铬的完全去除,变含铬废水为不含铬废水,后续化学絮凝沉淀无含铬危废排放。进一步,本发明采用氧化剂把磁性Fe3O4纳米颗粒‑氢氧化铬胶体纳米团簇结合体中的氢氧化铬氧化成能溶于水的六价铬酸盐,通过磁性分离或固液分离操作,实现了磁性纳米颗粒回收循环使用和铬资源的回收再利用。

标签:
废水处理
北京 - 北京 来源:中冶有色网 2023-03-19
维生素C生产废水生物处理方法

本发明公开了一种维生素C生产废水生物处理方法,其特征在于:所述维生素生产废水进入调节池,通过提升泵进入到SBR生化池内,同时通过进气管向SBR生化池内安装的曝气管通入空气,经过EMO复合菌微生物处理后进入到中间池中,SBR生化池产生的污泥通过位于池体高度40%处的排泥管排入到污泥浓缩池中,中间池内的废水通过提升泵抽取到混凝沉淀池中,将PAC和PAM通过加药器定量加入到混凝沉淀池内,进入到混凝沉淀池内的废水通过药物混凝沉淀后,混凝沉淀池上清液自流入清水池内,混凝沉淀池内底部污泥通过管路进入到污泥浓缩池中。本发明处理效率高,成本低,同时能通过生物法可靠处理维生素C废水,处理效果相比传统生物法更优。

标签:
废水处理
湖南 - 湘潭 来源:中冶有色网 2023-03-19
热压缩脱硫废水零排放处理方法及系统

本发明提供了一种热压缩脱硫废水零排放处理方法,包括澄清和软化处理、浓缩处理、蒸发结晶和干燥包装处理四个步骤:处理过程中首先经水澄清和软化处理,可以经济有效地澄清和软化燃煤电厂脱硫废水;其次经浓缩处理不仅可以回收水资源,实现废水达标排放,同时采用零排放处理,可以有效减小后续零排放处理负荷;最后采用蒸汽压缩工艺,增加结晶器的传热效果并防止产生腐蚀及结垢,并且降低了耗能。本发明还提供了热压缩脱硫废水零排放的处理系统,该系统流程设计合理,系统运行稳定,废水处理效率高,有效降低了处理成本。

标签:
废水处理
北京 - 北京 来源:中冶有色网 2023-03-19
碳化硅微粉废水的循环利用方法

本发明公开了一种碳化硅微粉废水的循环利用方法,旨在解决用一种操作简便、成本更低且无污染的方法实现碳化硅微粉废水循环利用的技术问题。它包括下列步骤:向碳化硅微粉废水中加酸调节其pH值;静置一段时间后进行过滤,收集过滤所得的碳化硅微粉;过滤所得的上清液通过阴离子树脂交换柱;最后对该上清液进行电导率调节。该方法能够在不添加化学絮凝剂的前提下,将碳化硅微粉废水中的碳化硅颗粒去除,使处理后的水能够作为碳化硅微粉水力分级生产用水被循环使用;收集的碳化硅微粉可以作为副产品销售或再次用于生产。本发明既能实现废水的资源化回收利用,避免环境污染,同时也能降低企业的生产成本、提高经济效益。

标签:
废水处理
河南 - 开封 来源:中冶有色网 2023-03-19
餐厨垃圾废水处理方法

本发明公开了一种餐厨垃圾废水处理方法,其特征在于:包括以下阶段:(1)、物化预处理阶段:废水进入破乳混凝气浮除渣单元,主要除去废水中的动植物油和水质中悬浮物质;(2)、生化处理阶段:包括:a:SHARON短程硝化-反硝化的步骤;b:水解酸化的步骤;c:经水解酸化后的废水进入A/O系统中去除有机物、脱氮;d:从A/O系统出来的废水进入MBR膜生物反应器,最终达标排放。本发明工艺技术先进、达标运行可靠、工程投资合理、运行费用低,能提高企业的经济效益、环境效益和社会效益。

标签:
废水处理
重庆 - 重庆 来源:中冶有色网 2023-03-19
造纸废水资源化处理系统及相应工艺

本发明公开了一种造纸废水资源化处理系统,包括通过管道顺次相连的物化处理装置、生化处理装置、深度处理装置。本发明实现了废水分级处理、分级回用、污泥处理、烟气净化一体化的功能,该系统结构简单,过程易于控制,操作安全,易于检修。本发明还提供了相应的废水资源化处理工艺,包括物化处理、生化处理、二级回用水处理、深度处理、污泥处理和烟气处理等步骤,工艺简单,废水分级处理、分级回用,处理效果好,造粒后的污泥易于燃烧,实现了循环经济与环境保护的目的。本发明适用于造纸废水、污泥的处理。

标签:
废水处理
河北 - 唐山 来源:中冶有色网 2023-03-19
含有机酚废水的高效处理方法

一种含有机酚废水的高效处理方法,属于废水处理技术领域。在有机酚类废水中加入聚乙二醇400,在电解作用下溶液中产生粒径为50~200nm的氧气、臭氧纳米气泡,利用电化学氧化和纳米气泡的协同作用,对有机酚类废水进行高效处理。本发明使用的材料均价格低廉,无二次污染,且电极在多次实验后也不被腐蚀,能有效提高反复利用率,降低废水处理的成本。

标签:
废水处理
江苏 - 扬州 来源:中冶有色网 2023-03-19
专用于化工废水处理的装置

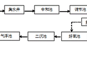
本实用新型公开了一种专用于化工废水处理的装置,属于废水处理技术领域。该装置包括依次连接的格栅、集水井、中和池、调节池、初沉池、厌氧池、好氧池、二沉池、气浮池和清水池,初沉池、二沉池和气浮池与污泥浓缩池连接,中和池用于调节废水的pH,初沉池用于降低废水的SS,厌氧池中设置填料用于废水中有机物的降解,好氧池为生物接触氧化池,清水池通过超越管与调节池连接,初沉池、二沉池和气浮池与污泥浓缩池连接,污泥浓缩池与调节池连接,污泥浓缩池还与污泥脱水装置连接,污泥脱水装置与调节池连接。本实用新型采用物化+生化(厌氧+好氧)相互结合的工艺装置处理化工废水,具有处理效果稳定、经济有效的优点。

标签:
废水处理
江苏 - 南京 来源:中冶有色网 2023-03-19
处理废水的系统
处理废水的系统 1161     
 0

本实用新型公开了一种处理废水的系统,该系统包括:中和装置,所述中和装置具有废酸入口、碱液入口和中和后废水出口;第一沉降装置,所述第一沉降装置具有含酸废水入口、中和后废水入口、沉降剂入口和沉降后混合物出口;过滤装置,所述过滤装置具有沉降后混合物入口、废渣出口和废液出口;第二沉降装置,所述第二沉降装置具有废碱入口、上清液出口和沉降渣出口;混合装置,所述混合装置具有上清液入口、含碱废水入口、废液入口和配置碱液出口,所述配置碱液出口与所述碱液入口相连。采用该系统可减少酸洗废水处理量达60%,节约用水量达50%,减少新碱使用量达50%,具有优异的经济和环保效益。

标签:
废水处理
北京 - 北京 来源:中冶有色网 2023-03-19
用于电厂的脱硫废水零排放系统

本实用新型提供一种用于电厂的脱硫废水零排放系统,包括依次连接的脱硫塔、脱硫废水收集池、砂滤系统、烟道换热系统、闪蒸系统、蒸母液收集箱和闪蒸母液固化系统。闪蒸母液固化系统包括均化装置、成型装置和养护装置。脱硫塔排出的废水经过滤加热后进入闪蒸系统,填充料放入闪蒸母液固化系统内,与闪蒸母液收集箱流出的闪蒸母液搅拌均匀后成型养护,制成可用于路面砖的固化体。本实用新型设计了一种用于电厂的脱硫废水零排放系统,充分利用了除尘系统后烟气的余热,对脱硫废水进行闪蒸,填充料中的凝胶相将闪蒸母液的重金属离子包裹,并生成溶解度小的产物,形成高强度和韧性的固化体,避免了脱硫废水中杂盐进入粉煤灰造成的潜在二次污染。

标签:
废水处理
北京 - 北京 来源:中冶有色网 2023-03-19
废水处理用混凝沉淀池
废水处理用混凝沉淀池 1005     
 0

本实用新型公开了一种废水处理用混凝沉淀池,涉及废水处理设施技术领域,包括沉淀池,所述沉淀池的左侧固定套装有水泵,且沉淀池的右侧固定套装有进水口。该废水处理用混凝沉淀池,通过渗透板和渗透口以及汲水管和水泵的配合使用,使得该废水处理用混凝沉淀池在沉淀池的内部设置了渗透板,通过渗透板将沉淀池分隔为两个部分,并在渗透板的外部开设渗透口,沉淀物能够通过渗透口落入渗透板的下方,由于渗透口的直径值由上至下逐渐缩小,因此水泵在通过汲水管进行水流的抽取时,沉淀物难以再次通过渗透口穿过渗透板,从而降低水流被抽出后带出的沉淀物,提升了该废水处理用混凝沉淀池的废水处理效果。

标签:
废水处理
江苏 - 苏州 来源:中冶有色网 2023-03-19
活性污泥处理废水的方法

本发明提出一种活性污泥处理废水的方法,包括如下步骤:第一废水与活性污泥在第一曝气池中充分混合,氧化代谢;上述处理后的混合液进入二沉池静置沉淀,上层净化水直接排放,活性污泥一部分回流至曝气池,另一部分收集起来并用于处理第二废水;处理完成后,收集沉淀池内的固体物质,经脱水、浓缩处理后填埋处理。本发明提出的活性污泥处理废水的方法,除能妥善处理和有效利用沉淀池内污泥固体外,更能在节约工艺成本的基础上,提高废水处理效率,是现有工艺的提升和优化。

标签:
废水处理
安徽 - 安庆 来源:中冶有色网 2023-03-19
高PH、高硫化物、高氨氮、高COD废水的处理方法

本发明提供了一种高PH、高硫化物、高氨氮、高COD的“四高”废水处理方法,首先,采用酸化-铁盐絮凝沉淀进行预处理,降低废水中S2-浓度,排除S2-对生物处理的抑制作用并去除因S2-引起的COD,同时将废水中易酸化分解的物质分解;然后进行生物处理,生物处理由水解酸化-自养SBR工艺组成,难降解有机物在水解酸化段被分解,并为反硝化提供碳源;自养SBR由曝气提供氧,利用好氧微生物作用去除废水中的COD,外加NAHCO3调整PH在自养硝化细菌的最佳生长环境,其利用氧和HCO32-将氨氮氧化而去除;最后,采用絮凝沉淀-CLO2氧化进行深度处理,去除废水色度,使各项指标达到排放标准。本发明技术方案的工艺路线简单,有效地节省了运行费用及能耗。

标签:
废水处理
湖南 - 长沙 来源:中冶有色网 2023-03-19
厌氧废水处理系统出水挥发性脂肪酸的软测量方法

本发明涉及了一种厌氧废水处理系统出水挥发性脂肪酸的软测量方法,该方法采用主成分分析实现高维辅助变量的降维处理采用最小二乘支持向量机对特别适用于解决小样本、非线性、局部极小点等问题,且训练速度快,二者结合实现厌氧废水处理系统挥发性脂肪酸的软测量,对厌氧废水处理系统的在线监测及后续工艺优化控制具有重要意义。实验证明,该软测量方法的模型理论正确,LS-SVM智能算法的应用使得厌氧废水处理系统出水的重要控制参数挥发性脂肪酸实现实时预测和估计,可以解决测定仪价格昂贵、维护困难且测量滞后的问题,对厌氧废水处理系统的控制与优化有重要意义。

标签:
废水处理
广东 - 广州 来源:中冶有色网 2023-03-19
微波辅助电催化氧化技术处理难生物降解有机废水装置

本实用新型涉及废水处理装置,具体地说是一种微波辅助电催化氧化技术处理难生物降解有机废水装置,调节池的进水口为难生物降解有机废水的进口,调节池的出水口通过管路与微波反应器的进水口相连,并在管路上设有调节池出水提升泵,微波反应器的出水口与电催化氧化反应器的进水口连接,电催化氧化反应器的出水口即为最终排放清水的出口。本实用新型借助微波技术,利用微波辐射改变废水中有机物分子运动形式的原理,通过有机物分子剧烈运动从使有机物分子化学键断裂,降低废水处理难度,提高电催化氧化反应器的对难生物降解有机废水的处理效果。

标签:
废水处理
辽宁 - 沈阳 来源:中冶有色网 2023-03-19
管道式皮革废水处理装置

本实用新型公开一种管道式皮革废水处理装置,该装置由螺杆泵(1)、一级管道净化装置(2)、二级管道净化装置(3)、三级管道净化装置(5)、沉淀池(6)、污水回流泵(4)、污泥回流泵(7)、污泥管道(8)、风机(9)组成;一级管道净化装置(2)、二级管道净化装置(3)和三级管道净化装置(5)均由两段平行的钢管组成,每段钢管长6米,直径600mm,且钢管内部用不锈钢板做成螺旋结构,螺距600mm。本专利优点如下:实现了皮革废水传输途中的高效控制,对于皮革废水中的有机物有明显去除效果;装置布置灵活,尤其适用于土地资源紧张的厂区;在皮革废水传输途中实现了废水“好氧-缺氧-厌氧-好氧”的交替过渡,有利于皮革废水氮素的去除。

标签:
废水处理
重庆 - 重庆 来源:中冶有色网 2023-03-19
混合电镀废水处理系统
混合电镀废水处理系统 1123     
 0

本实用新型公开了一种混合电镀废水处理系统,所述系统包括顺序连接的用于连接综合废水的综合废水收集池、综合废水调节池、破铬池、第一中和反应池、第一混凝池、第一絮凝池、第一沉淀池、第一集水池、一级破氰池、二级破氰池、第二中和反应池、第二混凝池、第二絮凝池、第二沉淀池、第二集水池、pH调整池、水解酸化池、接触氧化池、第三中和反应池、第三混凝池、第三絮凝池、第三沉淀池、第三集水池、排放池和用于在计量合格后控制达标排放的计量槽。本实用新型能够处理混合电镀废水,无需将废水分类处理,处理工艺简单,节省成本,适用范围广。

标签:
废水处理
广东 - 深圳 来源:中冶有色网 2023-03-19
从叶酸酸溶水析阶段废水中回收叶酸的方法

本发明提供了一种从叶酸酸溶水析阶段废水中回收叶酸的方法。所述方法包括如下步骤:(1)用含钙化合物调节叶酸酸溶水析阶段废水的pH至≥7,使所述废水中的叶酸转化为叶酸钙沉淀,固液分离,得到滤饼;(2)将步骤(1)得到的滤饼与酸混合,使叶酸钙溶解,得到溶液,或进行固液分离,得到滤液和滤饼;(3)调节步骤(2)得到的溶液或滤液的pH至3‑5,使叶酸沉淀出来,固液分离,得到叶酸。本发明提供的方法操作简单,成本低,在回收叶酸的同时减少了废水中的酸性物质,有利于废水的综合治理。

标签:
废水处理
安徽 - 蚌埠 来源:中冶有色网 2023-03-19
冲渣水余热驱动含盐废水多效闪蒸浓缩系统

一种冲渣水余热驱动含盐废水多效闪蒸浓缩系统,包括冲渣水多效闪蒸装置,冲渣水多效闪蒸装置的闪蒸蒸汽通过管道进入含盐废水换热器组,浓盐水经过含盐废水换热器组与闪蒸蒸汽换热后进入含盐废水多效闪蒸装置,含盐废水多效闪蒸装置的闪蒸蒸汽通过管道进入供暖换热器组,供暖水与供暖换热器组内闪蒸蒸汽换热后进行供暖。利用大量的冲渣水余热进行含盐废水浓缩,同时供热季对外供热,提高钢厂的能源使用效率。

标签:
废水处理
山东 - 济南 来源:中冶有色网 2023-03-19
玻璃研磨废水回收处理装置

本实用新型属于废水处理设备技术领域,特别是涉及一种玻璃研磨废水回收处理装置。包括废水箱、过滤机构和净水箱,废水箱通过过滤进水管与过滤机构连接,过滤机构通过过滤出水管与净水箱连接,净水箱通过反洗管与过滤机构连接,过滤进水管上安装有原水泵,反洗管上安装有反洗泵。本实用新型的有益效果是:通过废水箱、过滤机构和净水箱形成水处理循环系统,通过过滤机构将具有沉淀物的废水过滤净化后输入到净水箱中收集,再通过反洗管将净水箱中的用水返送到过滤机构内实现过滤机构的清洁,无需外界提供清洗用水,节约资源,同时通过原水泵和反洗泵提供水源输送动力,并且通过原水泵和反洗泵切换过滤机构的工作状态,结构简单、操作快速方便。

标签:
废水处理
重庆 - 重庆 来源:中冶有色网 2023-03-19
线路板蚀刻废液回收行业含氨氮废水资源化利用和处理的方法

本发明一种线路板蚀刻废液回收行业含氨氮废水回收处理的方法,涉及一种用于线路板蚀刻废液回收行业含氨氮废水的再生方法。本发明的目的是提供一种运行费用低、氨氮污染物消减率和利用率高的含氨氮废水回收处理方法。本发明采用除杂工段、MVR与超疏水脱气膜分离技术工艺组合方式,对线路板蚀刻废液回收重金属后的含氨氮废水进行处理后,得到分析纯的氯化铵,处理后出水氨氮含量≤8mg/L。本发明通过将对氨氮废水进行资源化利用和达标处理,不仅能够节约能源,安全有效地处理高浓度含氨氮危险废物,同时可得到高品质的铵盐产品,具有资源回收、能耗低、操作简单、运行成本低、管理方便、无二次污染、氨氮污染物削减率和利用率高等显著特点。

标签:
废水处理
广东 - 深圳 来源:中冶有色网 2023-03-19
焦化废水深度回用及浓缩蒸发结晶零排放系统

本实用新型提供了一种焦化废水深度回用及浓缩蒸发结晶零排放系统。本实用新型的焦化废水深度回用系统包括依次设置的深度处理单元和回用处理单元,深度处理单元包括依次设置的絮凝沉淀池、臭氧催化氧化装置、活性炭生物滤池和多介质过滤器,在臭氧催化氧化装置中填装有靶向催化剂,回用处理单元包括依次设置的超滤装置和原水反渗透装置,活性炭生物滤池、多介质过滤器和超滤装置的反洗废水进入反洗废水池,反洗废水池的出口与絮凝沉淀池连通,原水反渗透装置的产水出口与生产工艺用水系统或循环冷却水系统连通。本实用新型的系统能够稳定、高效、安全地运行,最终实现了焦化废水的零排放,经济效益显著。

标签:
废水处理
北京 - 北京 来源:中冶有色网 2023-03-19
上一页 9986 9987 9988 9989 9990 ... 10000 ... 20000 ... 30000 ... 32465 下一页
共32465页    到第

中冶有色为您提供最新的有色金属技术理论与应用信息,包括矿山技术、冶金技术、材料制备及加工技术、环境保护技术和分析检测技术等有色技术信息。打造最具专业性的有色金属技术理论与应用平台!

全国热门有色金属设备推荐
展开更多 +
全国热门有色金属技术推荐
展开更多 +

 

江西省隆恩特环保设备有限公司
宣传

报名参会
更多+

2025年10月15日 ~ 17日
2025年10月17日 ~ 19日
2025年10月31日 ~ 11月02日
2025年11月07日 ~ 09日

报告下载

有色专家
更多+

紫金矿业信息化研发中心
副总经理
国家钨与稀土产品质量检验检测中心
主任
中国铝业股份有限公司
总裁 党委副书记
中国铝业集团有限公司
中国铝业股份有限公司党委书记
中铝郑州有色金属研究院有限公司
正高级工程师/总经理
赤泥综合利用研究报告2025
推广

热门技术
更多+

推荐企业
更多+

福建省金龙稀土股份有限公司
宣传

发布

在线客服

公众号

电话

顶部
咨询电话:
010-88793500-807