青岛垚鑫智能科技有限公司
宣传

位置:中冶有色 >

有色技术频道 >

分类:
全部
矿山技术
冶金技术
材料制备及加工技术
环境保护技术
分析检测技术
地区:
全部
北京
天津
上海
重庆
河北
山西
辽宁
吉林
黑龙江
江苏
浙江
安徽
福建
江西
山东
河南
湖北
湖南
广东
海南
四川
贵州
云南
陕西
甘肃
青海
内蒙
广西
西藏
宁夏
新疆
其他
其他
展开
 
全部
武汉
黄石
十堰
宜昌
襄阳
鄂州
荆门
孝感
荆州
黄冈
咸宁
随州
恩施土家族苗族自治州
仙桃
潜江
天门

湖北有色金属理论与应用

免费发布技术信息>>
锂亚硫酰氯电池正负极抛光加工机械

本实用新型涉及一种锂亚硫酰氯电池正负极抛光加工机械,其不同之处在于:其包括第一安装轴、第二安装轴、调速电机、锥齿轮组、高速电机、皮带、羊毛抛光轮、圆盘刷、齿形带、链条,所述调速电机驱动所述链条传动,所述链条带动所述齿形带运动,所述高速电机通过所述锥齿轮组驱动所述第一安装轴转动,所述第一安装轴带动设置在第一安装轴上的所述羊毛抛光轮转动,同时所述第一安装轴通过所述皮带带动圆盘刷转动。本实用新型噪音小,低污染,生产率高,节约成本。

标签:
加工技术
湖北 - 武汉 来源:中冶有色网 2023-03-18
锂电池的自动卸料传输装置

一种锂电池的自动卸料传输装置,其结构包括:加强肋、防滑垫、主支架、可调挡板、传动工作台、传动履带、传动架、传动杆、动力电机、连接电线、调节转轮、固定座、高度杆、长度杆、挡板,挡板位于长度杆的前方,挡板与长度杆焊接成一体化结构,高度杆位于长度杆的上方,调节转轮位于高度杆的表面上,长度杆通过调节转轮与高度杆活动连接,固定座位于高度杆的底部,固定座与高度杆固定连接,其有益效果:在卸料传输装置上使用上可调挡板后,可以达到使得在卸料传输时,能够使得物料可以整齐划一,不会使得在传输过程中使得物料杂乱,甚至有可能会出现损坏的情况的发生,能够使得设备功能更加的强大的目的。

标签:
加工技术
湖北 - 荆门 来源:中冶有色网 2023-03-18
多电极式石墨锂电池负极材料粉碎装置

本实用新型公开了一种多电极式石墨锂电池负极材料粉碎装置,包括壳体、锥形罩、离心盘、甩料板、环形冲击板、第一筒体、第二筒体、第一螺旋叶片、第二螺旋叶片和驱动装置,由于甩料板的作用,使负极材料撞击环形冲击板上的齿形凸起,而撞击后的负极材料再次通过位于下侧的锥形罩,使负极材料再次被冲击到环形冲击板上,因此可根据需要来设置锥形罩的数量,达到需要的粉碎效果,由于第一螺旋叶片和第二螺旋叶片的螺旋方向相反,因此使负极材料在第一筒体和第二筒体内循环的流动,由于锯齿的作用,使流动状态下的负极材料持续受到切割、粉碎,当打开第二硬密封球阀时,使负极材料出料,因此可方便掌握切割、粉碎时间,来达到需要的粉碎效果。 1

标签:
加工技术
湖北 - 武汉 来源:中冶有色网 2023-03-18
锂电池电极用碳制备炉

本实用新型公开了一种锂电池电极用碳制备炉,包括:隔热筒、金属加热筒、进气管、进料口、出料口、电磁加热线圈以及电磁控制器;隔热筒前端设有前隔热端盖,后端设有后隔热端盖;金属加热筒套接于隔热筒内壁;进气管穿过前隔热端盖与金属加热筒内腔相通以向金属加热筒内腔通入气体原料;进料口设于前隔热端盖上部以向金属加热筒内填设催化剂;出料口设于后隔热端盖下部以排出反应产物;电磁加热线圈的导线呈螺旋状缠绕于隔热筒的外侧壁;电磁控制器的输入端与交流电源连接,电磁控制器的输出端与导线的外壁电性连接,用以产生交变磁场并在金属加热筒上形成电涡流发热,进以为反应原料在催化剂作用下转化为碳单质的反应提供加热条件。

标签:
加工技术
湖北 - 黄冈 来源:中冶有色网 2023-03-18
用于房车的动力锂电池
用于房车的动力锂电池 1027     
 0

本实用新型公开了一种用于房车的动力锂电池,包括电芯组件,电芯组件包括支架、多个电芯单元、多个护套,支架包括四个角钢、两个端板、两个固定圈,四个角钢呈矩形阵列分布,两个端板分别设置于角钢的两端;固定圈与端板一一对应设置,固定圈的一端连接于端板远离另一端板的一端,且固定圈可拆卸连接于每一角钢;每一电芯单元包括至少一个电芯,电芯沿角钢的长度方向并列设置,且电芯的四个角部分别相对四个角钢设置,电芯的一侧壁设置有正极和负极;护套与电芯一一对应设置,护套内部空心且一端开口,护套套设于电芯,且护套的开口端相对电芯含有正极和负极的一侧壁设置,护套抵接于四个角钢。本实用新型能有效保护电芯。

标签:
加工技术
湖北 - 荆门 来源:中冶有色网 2023-03-18
锂电池内阻检测电路
锂电池内阻检测电路 906     
 0

本实用新型涉及一种锂电池内阻检测电路,包括输入电路、主控制电路、信号转换耦合电路、校准电路和信号处理电路;输入电路、主控制电路、信号转换耦合电路和切换电路顺次电连接,切换电路分别与电池和校准电路电连接,校准电路与信号处理电路连接,校准电路与电池电连接,信号处理电路与主控制电路电连接。本实用新型中,信号转换耦合电路将正弦波电压信号转换为正弦波恒流信号,再加载至电池上并产生电压信号进行信号处理,同时主控制电路根据校准电路输出的电压信号确定信号处理电路对该电压信号产生的偏差,从而通过该偏差值校准电池内阻,得到准确的测量值,具有测量快速准确的优点,结合分选机构和上位机可以进行大批量自动化的生产测试。

标签:
加工技术
湖北 - 武汉 来源:中冶有色网 2023-03-18
在线监控锂电正极材料氧气浓度的装置

本实用新型提供一种在线监控锂电正极材料氧气浓度的装置,涉及氧气浓度检测装置技术领域,包括底板,底板的顶部设有检测管道,检测管道的顶面固定有扩散管道,且扩散管道贯穿检测管道,扩散管道的表面固定有进气管,且进气管贯穿扩散管道,进气管的表面固定有转接管,且进气管贯穿转接管,转接管的表面阵列固定有输气管,且输气管贯穿转接管,输气管的表面固定有电磁阀,装置中设有转接管,在转接管的表面阵列设有多个输气管,且对应的输气管表面设有电磁阀,可以将窑炉内的空气从不同的位置输送至转接管内,实现对窑炉内各个位置的空气进行检测,这种设计使氧气浓度检测装置能准确实时的对窑炉内的氧气浓度进行监控,测量误差较小。

标签:
加工技术
湖北 - 鄂州 来源:中冶有色网 2023-03-18
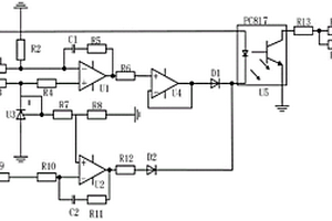
1800W密封式锂电池充电模块

本实用新型提出了一种1800W密封式锂电池充电模块,包括LLC谐振变换电路、恒流恒压充电电路,所述恒流恒压充电电路包括比较器U1、比较器U2、TL431芯片U3、电阻R1、电阻R2、电阻R3、电阻R9,本实用新型电路无需大量的三极管等开关控制元件,电路结构简单,有利于降低成本。

标签:
加工技术
湖北 - 武汉 来源:中冶有色网 2023-03-18
锂电池生产用废气处理装置

本实用新型属于废气处理装置技术领域,尤其为一种锂电池生产用废气处理装置,包括反应箱,所述反应箱的左端固定连接有进气管,所述进气管的左端固定连接有吸气嘴,所述吸气嘴内固定连接有除尘网,所述反应箱的左端固定连接有出液管和固定板,所述固定板的顶端固定连接有吸风机,所述进气管穿设在吸风机内,所述反应箱的顶端开设有进液口,所述反应箱内固定连接有过滤袋;本实用新型,通过设置废气与反应箱内的液体溶液进行充分融合能够将废气内的大颗粒除去,过滤袋能够对反应后的废气进行初步过滤,喷淋箱能够将废气内部的小颗粒除去,半导体制冷件能够将废气中的小颗粒液化,便于流入喷淋箱内。

标签:
加工技术
湖北 - 黄冈 来源:中冶有色网 2023-03-18
锂电池组交直流充电及主动均衡电路

一种锂电池组交直流充电及主动均衡电路,包括级联的电池单元、均衡电路、控制电路;所述级联的电池单元分为A、B、C三个桥臂,每个桥臂上有2(m+1)节电池,每个桥臂中间连有两个电感元件,A、B、C三个桥臂任意一个桥臂两个电感元件的连接节点,分别连接交流电源三相;所述均衡电路包括全桥模块,全桥模块与电池相连;所述级联的电池单元左边连有大电容C和直流电源Udc;所述控制电路连接级联的电池单元。采用本实用新型,电池可任意选择交流电网或者直流电网进行连接,连接于交流电网时可通过全桥控制电路进行整流后给电池充电。在充电过程、静置过程、使用过程中均可对电池组进行电量均衡。有效延长了电池组的使用寿命并且保障了使用的安全性。

标签:
加工技术
湖北 - 宜昌 来源:中冶有色网 2023-03-18
锂离子动力电池的成卷极片除尘装置

本实用新型公开了一种锂离子动力电池的成卷极片除尘装置,包括底板,所述底板的顶部外壁上通过螺栓固定有支撑架,所述底板顶部外壁的中间位置通过螺栓固定有固定架,所述固定架的顶部外壁上开有多个圆形口,所述底板顶部外壁上通过螺栓固定有多个电磁吸盘,电磁吸盘均位于固定架的正下方,所述支撑架的两侧内壁上均通过螺栓固定有电动滑轨,电动滑轨的一侧外壁上滑动连接有滑块。本实用新型电磁吸盘将极片固定在固定架的表面,使得极片表面完全无遮挡的被固定,便于完整除去表面粉尘,吸尘机连接有T型管,T型管上设有多个吸气嘴,每个吸气嘴负责一个扇形范围,且扇形范围相重叠,从而便于将除尘范围覆盖到极片的整个表面。

标签:
加工技术
湖北 - 天门 来源:中冶有色网 2023-03-18
方形圆柱复合钛锂电池PACK组装装置

本实用新型提供一种方形圆柱复合钛锂电池PACK组装装置,包括底框,多个底框组成电池组装的组合架,底框上设有多个用于安装电池的定位孔,底框的定位孔一端周圈设有多个第二固定扣,底框的定位孔另一端设有固定框架,固定框架一侧与底框卡接,固定框架另一侧设有多个第一固定扣,固定框架的多个第一固定扣将多个电池反向拉紧固定在底框内部。底框对电池进行整理,整理出规则的阵列,然后利用固定框架盖在底框上,将多块电池固定在底框上,保证电池阵列在翻转的过程中不会出现散架和掉落的情况,安装方便。

标签:
加工技术
湖北 - 宜昌 来源:中冶有色网 2023-03-18
锂离子动力电池正极材料用干燥装置

本实用新型公开了一种锂离子动力电池正极材料用干燥装置,包括箱壳,所述箱壳一侧外壁通过螺栓连接有转动电机,所述转动电机的输出轴通过联轴器固定有主转轴,所述主转轴固定有滚动机构,所述箱壳底部固定有加热机构,所述箱壳底部外壁两侧均通过螺栓连接有支腿,所述箱壳底部内壁固定有承接机构,所述箱壳底部内壁插接有气管,所述气管固定有风燥机构。本实用新型进行干燥时,将氮气箱中的氮气由气泵随气管通过副转柱内部的风孔中充入,提高内部的气流流动,带走电池材料的水分,并将水蒸气经过主转轴的风孔中流出至箱壳内,经过放气管中的单向阀放出,防止氧气进入,对正极材料造成氧化,保证气密性的同时,大大提高干燥速率。

标签:
加工技术
湖北 - 天门 来源:中冶有色网 2023-03-18
混合动力汽车锂电池及其保护电路

一种混合动力汽车锂电池及其保护电路,电路包括:基板,在基板上设置有电源连接端、控制模块、采集接口、可控开关、以及时间调节元件、电池平衡模块、可调限流元件,可控开关的第一端与启动电池连接,可控开关的另一端与电源输出端电性连接,电源输出接口与混合动力汽车的内燃机连接,时间调节单元的一端与控制模块连接,另一端与可控开关的一端连接,可调限流元件连接在可控开关另一端与电流输出端之间,采集接口还与汽车启动电池电性连接,用于采集启动电池的电压,以输入至控制模块,以供控制模块根据启动电池的电压控制电池平衡模块,电池平衡模块用于控制启动电池的充放电。应用该方案有利于提高电池的安全性,有利于延长电池寿命。

标签:
加工技术
湖北 - 襄阳 来源:中冶有色网 2023-03-18
锂离子电池注液机构
锂离子电池注液机构 780     
 0

本实用新型公开了一种锂离子电池注液机构,具有上料台,其特征在于,所述上料台上部并排设有多组注液针和多个真空静置箱,在上料台顶部还设有运送电池的输送履带,按照输送方向,真空静置箱配设在每组注液针的前方,输送履带位于注液针的下方并穿过每个真空静置箱,所述输送履带上放置有盛装电池的托盘。本实用新型具有的有益效果:通过采取分次注液的方式,减少电解液对正极耳,盖帽的污染。能够大大缩减生产所需时间以及对真空度的要求,并提高电芯的渗液效果,提高生产效率和产品质量。依靠特殊的托盘为转移工具,最终实现整条注液线的物料流转、生产,做到手不接触产品,又能大大减少设备投资的生产方式。

标签:
加工技术
湖北 - 咸宁 来源:中冶有色网 2023-03-18
软包锂离子电池外形注塑装置

一种软包锂离子电池外形注塑装置,包括装置器、下盖、上盖,装置器为两端开口的方型结构,装置器顶部内侧、底部内侧分别与上盖、下盖密封配合,装置器底部外侧套设有底座,上盖顶部设置有提手,上盖底部两端均设置有垫角,且上盖上还开设有注胶孔、极耳孔,下盖顶部设置有支撑柱,装置器、下盖、上盖的制造材料都为模具钢,底座的制造材料为橡胶。本设计不仅完全保护了单体电池的外形、保证了注塑后单体电池的形状规则,而且延长了注塑装置的使用寿命。

标签:
加工技术
湖北 - 武汉 来源:中冶有色网 2023-03-18
基于纯电动车的磷酸铁锂电池组散热装置

本实用新型提供了一种基于纯电动车的磷酸铁锂电池组散热装置,包括电池箱、保险扣,电池箱包括箱盖和箱体,箱盖和箱体通过保险扣连接,所述箱体侧围有半悬置式固定孔,箱盖背面、箱体的底部和内壁均设有真空腔均热板,箱体的底板安装有散热梳。本实用新型既能保证电池组在合理的温度区间工作,也能使得单体电池间的温差在合理范围内。在现有电池组基础上尽量实现轻量化和高效的换热能力,保证其具有良好的电池热管理效能。

标签:
加工技术
湖北 - 十堰 来源:中冶有色网 2023-03-18
用于锂盐酸化窑加温罩的燃烧控制系统

本发明涉及一种用于锂盐酸化窑加温罩的燃烧控制系统,设置在旋转的酸化窑外,酸化窑的外周设有密闭的加温罩,加温罩上均匀设置有多个燃烧器,多个燃烧器的火焰出口朝向酸化窑的外壁设置;燃烧控制系统包括燃气单元、助燃风单元以及控制单元,燃气单元为每个燃烧器提供稳定可调的燃气,助燃风单元为每个燃烧器提供稳定可调的助燃风,每个燃烧器、燃气单元和助燃风单元分别与控制单元双向信号连接;控制单元用于控制燃烧器的燃烧,还用于根据设定的酸化窑温度调节燃气单元和助燃风单元,从而控制燃烧器的火焰形态。多个燃烧器对酸化窑的外壁进行均匀地加热,物料受热更加均匀,热传递效率高,能源消耗较低,温度调节范围大,温度调节更加灵敏。

标签:
加工技术
湖北 - 襄阳 来源:中冶有色网 2023-03-18
纳微米级碳管及其制备方法、电极和锂离子电池

本发明公开了一种纳微米级碳管及其制备方法、电极和锂离子电池。该纳微米级碳管为中空管结构,内径为100‑4000nm。其制备:1)将含有高分子材料的静电纺丝前驱液进行静电纺丝得纳米纤维丝;2)将纳米纤维丝分散到含有机物单体的盐酸溶液中,加引发剂进行聚合反应,得表面包覆聚合物的纳米纤维丝;3)在表面包覆聚合物的纳米纤维丝中加入有机溶剂,搅拌充分溶解高分子材料,得中空的聚合物管;4)惰性气氛下进行预烧结和碳化,冷却即得纳微米级碳管。该纳微米级碳管同时具备导电能力和良好的导离子能力,作为导电剂加入电极中,能够有效的消除大电流充放电条件下,电子和离子传输能力不一致导致的极化现象,提升倍率性能。

标签:
加工技术
湖北 - 武汉 来源:中冶有色网 2023-03-18
动力锂电池防爆盖帽批量化组装成型系统

本发明涉及一种动力锂电池防爆盖帽批量化组装成型系统,涉及电池制造的技术领域,其包括点压装置以及设于地面上的安装板,所述点压装置上设有可以上下移动的点压头,所述安装板上方设有安装盘,所述安装盘与安装板之间通过安装筒连接,所述安装盘远离安装筒的一侧设有工作盘,所述安装筒内设有供工作盘转动的转动机构,所述工作盘上设有若干供绝缘圈卡设的工作孔,所述点压装置沿安装盘外周设有若干,且点压头朝工作孔方向延伸,所述安装盘周向还设有绝缘圈上料装置、盖体上料装置以及压合装置。本发明可以有效对绝缘圈以及盖体进行对中处理,避免压合时盖体与密封圈不再同一中心情况的发生,从而提高盖帽的装配质量。

标签:
加工技术
湖北 - 武汉 来源:中冶有色网 2023-03-18
具有梯度界面结构的有机/无机复合固体电解质及全固态锂电池

本发明涉及一种具有梯度界面结构的有机/无机复合固体电解质及全固态锂电池,所述复合固体电解质由有机/无机复合固体电解质层及复合在其表面的梯度结构层组成,所述固体电解质的梯度结构层与电池正极接触或作为正极;所述梯度结构层中含有正极活性物质和导离子电解质,所述导离子电解质为导离子无机物与导离子有机物的混合物,往有机/无机复合固体电解质层方向正极活性物质浓度逐渐减少,导离子无机物浓度逐渐增大。本发明在全固态电池的固体电解质界面设置梯度结构层,匹配电解质端与正极端不同的化学、电化学环境,使得正极与电解质间界面接触得到大大改善,降低电解质/正极界面阻抗,提高全固态电池的充放电性能。

标签:
加工技术
湖北 - 武汉 来源:中冶有色网 2023-03-18
用于生产锂电材料的气电混合加热辊道窑

本发明公开了一种用于生产锂电材料的气电混合加热辊道窑,它解决了现有技术存在电加热能耗高的问题,其特征在于:所述窑炉本体(1)分为升温段、保温段、缓冷段、冷却段,在窑炉本体(1)的升温段布置燃气加热系统,燃烧器采用上下排交错、多点对称均布,分多区脉冲时序控制,在窑顶设置排烟抽出管道(8)和排废抽出管道(9),并在每节窑顶设置一台搅拌风机(22),辊棒(3)采用密封盒密封,两侧漏出密封盒部分采用法兰密封;在保温段布置电加热棒(23),在缓冷段和冷却段设置了水冷却装置(10)及风冷管道(25),保护气置换室(2)设置在窑炉的进出口两端。具有结构合理、控制简单、气氛稳定、节省能源等优点,市场前景十分广阔。

标签:
加工技术
湖北 - 黄冈 来源:中冶有色网 2023-03-18
新能源三元锂电池包快速拆卸更换装置

本发明提供一种新能源三元锂电池包快速拆卸更换装置,涉及新能源技术领域,包括底板;底板的四个角落上开设有四个阶梯孔,且底板的底部安装有一个推动机构;底板的底部开设有一个竖向的矩形槽,且底板的一端开设有一个横向的圆形孔,圆形孔与旋转杆相契合,矩形槽与滑动块相契合;推动机构上安装有固定连接的连接板,且连接板上通过螺栓固定有压紧机构。在底板上设置有推动机构,转动旋转杆,使滑动块在底板上前后滑动,进而使滑动块带动连接板前后滑动,在取出下壳体和上壳体时比较省力,通过在铰接的支撑杆底部设置有滚轮,支撑杆的设置方便将连接板的直接移动,推动连接板将电池输送到指定位置。

标签:
加工技术
湖北 - 武汉 来源:中冶有色网 2023-03-18
锂离子动力电池剩余电量估计方法

本发明公开了一种锂离子动力电池剩余电量估计方法,首先对实时采样的数据与历史数据进行分析处理,根据开路电压与SOC的对应曲线,计算当前SOC初始值;然后分别利用卡尔曼滤波算法和安时积分法算法进行SOC的估算,接着以安时积分法为基准,判断卡尔曼滤波结果是否超过SOC计算误差的容忍度,最后若误差超过容忍度的则SOC结果以安时积分法算法为准,若结果未超过误差容忍度,则结果以卡尔曼滤波计算结果为准。本发明可以在电动汽车、电动船泊和混动船舶复杂工况下,保证电池剩余容量可靠稳定计算,提高系统全生命周期电池剩余容量估计精度。

标签:
加工技术
湖北 - 武汉 来源:中冶有色网 2023-03-18
方形锂离子电芯及制作工艺和应用

本发明提出了一种方形锂离子电芯及制作工艺和应用,通过卷绕设备,可生产叠片结构形式的芯包,大大提高了生产效率,且连续的极片强度较高,能防止卷绕过程中变形;设置预留槽,卷绕完成后切割连接部,变成叠片结构的电芯;每一圈的正极片或负极片在切割后变成两片,这两片可以串联也可以并联,这样在卷芯结构、材料体系和设备不变的情况下,卷芯内部在全部串联时有最大电压,全部并联时有最小电压,我们只需改变卷芯内部的连接方式就可以适应不同电压要求。

标签:
加工技术
湖北 - 武汉 来源:中冶有色网 2023-03-18
具有新型负极盖组的扣式锂电池

本实用新型提供了一种具有新型负极盖组的扣式锂电池,包括负极壳、负极、隔膜、正极、集流体、正极壳,负极壳外周缘镶嵌有密封胶圈形成负极盖组,正极壳和负极壳密封配合并形成一密闭空间,密封空间内填充有电解液,密封胶圈外端面开设有环形凹槽。本实用新型通过在负极盖组的密封胶圈外端面开设环形凹槽,因负极盖组特殊的具有环形凹槽的设计,使电池在挤压密封时更容易达到密封目的,同时电池在封口过程中不易变形,保证了电池上下面的平面度和平行度,提高了电池的密封性能和储存性能。

标签:
加工技术
湖北 - 宜昌 来源:中冶有色网 2023-03-18
锂离子电池及其陈化化成方法

一种锂离子电池及其陈化化成方法,包括电芯陈化、化成:电芯常温陈化,电芯放入常温陈化室进行常温陈化,温度范围:15℃~30℃,时间范围:12h~24h;电芯高温陈化,电芯从常温陈化室转入高温陈化室进行高温陈化,温度范围:30℃~85℃,时间范围:4h~12h;电芯在常温陈化、高温陈化阶段均放置在振动设备上振动,振动方向沿电芯厚度方向进行;电芯化成,化成加压范围:0.2Mpa~0.8Mpa,化成温度范围:30℃~85℃,化成温度与高温陈化温度保持一致,化成压力温度达到要求后对电芯进行梯度式逐渐增大电流式充电,本发明减少陈化时间从而缩短电池生产周期,而且可明显改善电池的一致性及高温循环性能。

标签:
加工技术
湖北 - 襄阳 来源:中冶有色网 2023-03-18
锂电池自动控温降温装置

本发明属于电气设备技术领域,尤其是一种锂电池自动控温降温装置,针对电池局部温度过高时,无法快速降低局部温度,导致热量积蓄过多,影响电池的使用的问题,现提出以下方案,包括主体,所述主体的内部设有若干电池和冷却管,所述主体的底端焊接有储液盒,储液盒的一侧焊接有固定盒,固定盒的内部设有驱动机构。本发明中,当局部电池温度过高时,电池附近的冷却管内部的冷却液温度升高,使冷却管内部的双金属片发生弯曲,双金属片使V形的弹性片弯曲,增大冷却管内部的直径,使冷却液的流速加快,使局部温度升高的电池温度迅速下降,将温度较低部分冷却液的流速转移到温度较高部分,使温度迅速降低,同时不用增加装置的功率。

标签:
加工技术
湖北 - 武汉 来源:中冶有色网 2023-03-18
电化学离子提取法电解制备高纯六氟磷酸锂的装置和方法

本发明属于材料和能源领域,具体涉及一种基于电化学离子提取法电解制备高纯六氟磷酸锂的装置和方法。包括电解槽A和电解槽B;电解槽A由可脱嵌阴、阳离子材料电极组成,两种电解质溶液之间可用离子交换膜进行隔离;所述电解槽B由电解槽A的两个电极组成,在相应的电解液体系中将提取出来的阴阳离子分别通过两个电极进行电化学离子释放,形成目标盐溶液,在通过溶剂处理方法得到相应电解质盐。本发明有效避免了传统电解质盐制备过程可能引入的杂质污染,同时可以制备一些传统方法难以合成的盐,为提升电解质盐的质量和发展新电解质盐的制备提供了一种可行方法。

标签:
加工技术
湖北 - 武汉 来源:中冶有色网 2023-03-18
锂电池配组方法
锂电池配组方法 1218     
 0

本发明公开了一种锂电池配组方法,S1)对N个单体电芯分别进行静态容量测试,并记录每个单体电芯的静态容量;S2)根据单体电芯的容量进行排序,将N个静态容量按照由高到低依次排列;S3)用F分法将N个单体电芯分组,配组过程中按照实际电池系统的套数和一套电池系统内单体电芯的数量进行配组;其中,F分法为二分法、三分法或五分法。通过容量数学排序并配组,大幅降低每串单体电芯之间和电池模组之间的容量差异,提高单体电芯配组利用率、降低误差、降低成本,同时保证电池模组和电池系统整体的一致性,从而提高电池系统的稳定性和使用寿命。

标签:
加工技术
湖北 - 十堰 来源:中冶有色网 2023-03-18
上一页 519 520 521 522 523 ... 1138 下一页
共1138页    到第

中冶有色为您提供最新的湖北有色金属理论与应用信息,涵盖发明专利、权利要求、说明书、技术领域、背景技术、实用新型内容及具体实施方式等有色技术内容。打造最具专业性的有色金属技术理论与应用平台!

全国热门有色金属设备推荐
展开更多 +
全国热门有色金属技术推荐
展开更多 +

 

江西省隆恩特环保设备有限公司
宣传

报名参会
更多+

报告下载

有色专家
更多+

东北大学
院长/教授
矿冶科技集团有限公司
所长/研究员级高工
昆明理工大学
校长
江西理工大学
教授
矿冶科技集团
副所长/研究员
赤泥综合利用研究报告2025
推广

热门技术
更多+

推荐企业
更多+

福建省金龙稀土股份有限公司
宣传

发布

在线客服

公众号

电话

顶部
咨询电话:
010-88793500-807