青岛垚鑫智能科技有限公司
宣传

位置:北方有色 >

有色技术频道 >

分类:
全部
矿山技术
冶金技术
材料制备及加工技术
环境保护技术
分析检测技术
地区:
全部
北京
天津
上海
重庆
河北
山西
辽宁
吉林
黑龙江
江苏
浙江
安徽
福建
江西
山东
河南
湖北
湖南
广东
海南
四川
贵州
云南
陕西
甘肃
青海
内蒙
广西
西藏
宁夏
新疆
其他
其他
展开
 
全部
成都
自贡
攀枝花
泸州
德阳
绵阳
广元
遂宁
内江
乐山
南充
眉山
宜宾
广安
达州
雅安
巴中
资阳
阿坝藏族羌族自治州
甘孜藏族自治州
凉山彝族自治州

四川有色金属理论与应用

免费发布技术信息>>
基于对锂离子电池的负极进行混料的工艺

本发明公开了一种基于对锂离子电池的负极进行混料的工艺,石墨300~400℃常压烘烤,除去表面油性物质,将负极和Super‑P倒入料桶同时加入球磨在滚瓶及上进行球磨,转速控制在60rmp以上;纯净水加热至至80℃倒入动力混合机;加入SBR和去离子水;负极干料分四次平均顺序加入,加料的同时加入纯净水,每次间隔28‑32分钟;第四次加料30±2分钟后进行高速搅拌;将动力混合机接上真空,保持真空度为‑0.09到0.10Mpa;取500毫升浆料,使用黏度计测量黏度;将负极料从动力混合机中取出进行磨料、过筛,流入拉浆作业工序。该工艺使得锂离子电池的负极混料均匀,使用的寿命和安全性得到了保证,充电过程平稳,不会出现发热、发烫或爆炸现象,保证了使用的安全性。

标签:
加工技术
四川 - 成都 来源:北方有色网 2023-03-18
高镍正极材料及其制备方法和锂离子电池

本发明属于电池制造技术领域,尤其涉及涉及一种高镍正极材料及其制备方法和锂离子电池,高镍正极材料包括由高镍基材和掺杂于高镍基材中的稀土化合物组成的稀土掺杂高镍正极材料,稀土掺杂高镍正极材料与苯胺单体通过原位聚合在稀土掺杂高镍正极材料的二次粒子的孔隙间形成纳米树状导电聚苯胺网络得到原位聚合材料,原位聚合材料的表面包覆有锂离子导体层;高镍基材为Li1+aNixCoyM1‑x‑yO2。相比于现有技术,本发明显著地提高材料的循环性能和倍率性能。

标签:
加工技术
四川 - 成都 来源:北方有色网 2023-03-18
高性能锂硫电池复合集流体的制备方法及其应用

本发明提供一种高性能锂硫电池复合集流体的制备方法及其应用,属于电池材料制备技术领域。本发明采用简单化学合成方法,将纳米金属片NiCo2O4与碳纳米纤维进行结合,一方面,利用金属氧化物具有极性的特点,将反应中产生的多硫化物固定于电池正极,解决了碳纳米纤维极性弱,无法吸附多硫化物的技术问题,提高了电池稳定性;另一方面,利用NiCo2O4金属纳片接触位点多,电子导通能力强的优势,加快电子传导,提高电池中电化学反应的反应速度,相比于传统集流体,单位容量提高了70%,循环稳定性提高了100%,将该集流体为基础制备锂硫电池,具有较高的倍率性能以及容量。

标签:
加工技术
四川 - 成都 来源:北方有色网 2023-03-18
锂离子电池的局部敏感度分析方法

本发明公开了一种锂离子电池的局部敏感度分析方法,其包括以下步骤:S1、根据基尔霍夫定律建立目标锂离子电池荷电状态估计中等效电路模型的电路方程;S2、通过HPPC实验获取等效电路模型中电路元件的参数值;S3、通过控制变量法获取等效电路模型中电路元件参数对等效电路模型准确性的局部敏感度和电路元件参数对荷电状态估计准确性的局部敏感度。本发明提供了统一、清晰、明确、定量的局部敏感度分析方法来衡量等效电路模型中不同电路元件参数变化时对模型准确性和SOC估计准确性的影响。

标签:
加工技术
四川 - 南充 来源:北方有色网 2023-03-18
锂电池正极材料制备处理设备

本实用新型公开一种锂电池正极材料制备处理设备,包括搅拌桶,所述搅拌桶的内部均匀设置有若干旋转轴,所述旋转轴上均匀设置有若干个搅拌杆,所述搅拌桶内壁上设置有电动机一,所述搅拌桶的上方设置有碾压桶,所述碾压桶内部设置有两个碾压杆,所述碾压桶的外部设置有两个电动机三,所述碾压桶的外部固定连接有支撑板三,所述支撑板三另一端固定连接在固定板上。简而言之,本申请技术方案,解决了传统的锂电池正极材料制备过程中,自动机械化较设备少,大部分加工工序都需要人工操作,浪费材料,极大增加了工作负担和成本的支出,同时也影响了产品完成的时间,降低了产能,额外增加了材料浪费和其他支出。

标签:
加工技术
四川 - 德阳 来源:北方有色网 2023-03-18
用于沉淀电池级碳酸锂的反应器

本实用新型公开了一种用于沉淀电池级碳酸锂的反应器,属于锂离子电池生产技术领域,包括反应容器,所述反应容器内设置有上层搅拌桨和下层搅拌桨,所述上层搅拌桨位于所述下层搅拌桨上方,所述反应器上部设置有第一加料管和第二加料管,所述第一加料管延伸至上层搅拌桨下方,所述第二加料管延伸至下层搅拌桨上方。通过设置上层搅拌桨和下层搅拌桨,能够强化反应混合,避免反应区域内具备过饱和浓度过高,造成爆发性成核。

标签:
加工技术
四川 - 成都 来源:北方有色网 2023-03-18
锂离子电池负极材料高速雾化包覆机

本实用新型公开了一种锂离子电池负极材料高速雾化包覆机,涉及材料加工技术领域。一种锂离子电池负极材料高速雾化包覆机,包括搅拌桶和包覆用竖筒,搅拌桶和包覆用竖筒之间设置有连通管,连通管另一端固定连接有雾化喷头,搅拌桶通过连通管与包覆用竖筒相连通,其中搅拌桶的离地高度大于包覆用竖筒的离地高度,连通管一端位于搅拌桶中部,连通管另一端连通于包覆用竖筒的顶部,连通管两端均连接于搅拌桶和包覆用竖筒内部。本实用新型通过搅拌桶、包覆用竖筒和加压器等的设置,该装置从输送原料到搅拌融化再到包覆完成的过程中均连续进行,不需要频繁的人工辅助,提高包覆工作的效率,降低操作人员的劳动量。

标签:
加工技术
四川 - 雅安 来源:北方有色网 2023-03-18
用于磷酸铁锂的微波干燥设备

本实用新型公开了一种用于磷酸铁锂的微波干燥设备,包括机架、传送带、微波干燥箱和抽湿系统,所述传送带下设置有传送带振动装置,所述传送带振动装置由电机和由电机带动的曲轴构成,所述抽湿系统的抽气口设置在微波干燥箱的顶部,所述微波干燥箱的底部设置有热风系统。本实用新型是专门针对干燥磷酸铁锂设计的微波干燥设备,由于传动带下设置有振动装置,可以使物料上下跳动,加速水分蒸发。而且在微波干燥箱的底部设置有热风系统,可以加速水分蒸发。本实用新型结构简单、干燥效率高。

标签:
加工技术
四川 - 自贡 来源:北方有色网 2023-03-18
改性锂低硅沸石分子筛及其制备方法

本发明涉及一种应用于吸附氮气、甲烷、一氧化碳等气体的低硅X型改性沸石分子筛,该分子筛可用于气体吸附分离、催化、离子交换等多种领域,具体为一种改性锂低硅沸石分子筛及其制备方法。该分子筛以低硅X型沸石分子筛原粉为原料,用锂离子交换去除Na‑LXS中钠离子,改性后的沸石分子筛显著提高了氮气、甲烷、一氧化碳等气体吸附容量,可广泛用于催化、离子交换、吸附分离等领域。

标签:
加工技术
四川 - 成都 来源:北方有色网 2023-03-18
锂离子电池电解液、制备方法及其应用

本发明公开了一种锂离子电池电解液、制备方法及其应用,电解液包括锂盐、溶剂和添加剂,所述溶剂包括溶剂I和溶剂II,所述添加剂包括添加剂I和添加剂II,所述溶剂II为环硫醚类溶剂,在电解液中所占的质量百分比是5%~40%,所述添加剂I为肟类有机化合物,在电解液中所占的质量百分比为0.1~5%。通过溶剂II与添加剂I联用,能够有效较低电解液粘度,形成有效且稳定的SEI膜,此类电解液能够提升电池的宽温性能、倍率性能、循环性能,并且能有效减小电池阻抗。

标签:
加工技术
四川 - 成都 来源:北方有色网 2023-03-18
Si@SiOx-TiN/C复合负极材料、制备方法及锂离子电池

本发明提供了一种Si@SiOx‑TiN/C复合负极材料、制备方法及锂离子电池,涉及钠离子电池技术领域,所述制备方法包括:将纳米硅加入到含有表面活性剂的醇溶剂中,得到稳定的悬浊液;将钛源滴加到悬浊液中,得到混合物A;将混合物A转移到水热釜中进行水热反应,得到Si@TiO2复合负极材料;将Si@TiO2复合负极材料与裂解碳前驱体或高导电炭球磨混合,得到混合物B;将混合物B在氮气保护下加热处理,并降到室温后,得到Si@SiOx‑TiN/C复合负极材料。与现有技术比较,本发明的Si@SiOx‑TiN/C复合负极材料作为锂离子电池负极材料时,表现出很好的充放电倍率性能和循环稳定性。

标签:
加工技术
四川 - 成都 来源:北方有色网 2023-03-18
薄膜复合型锂电池碳硅负极材料及制备方法

本发明提供了一种薄膜复合型锂电池碳硅负极材料及制备方法。将铜、铝、硅酸洗后真空烘干,接着加入高温炉中,升温混合得到铜‑铝‑硅合金,采用激光切割得到合金薄膜,接着将鳞片石墨、乙炔黑和聚乳酸的混合物热喷涂敷于合金薄膜表面,烘干、分条、制片,即得薄膜复合型锂电池碳硅负极材料。该方法通过利用激光切割技术,制得铜‑铝‑硅合金薄膜,再将石墨负极材料涂覆在铜‑铝‑硅合金薄膜上,使得碳和硅合理结合,合金材料存在大量气孔、缩孔、位错、空位和空穴的多缺陷组织结构,可减少体积膨胀,延长了负极材料的循环寿命,并且所得负极材料的比容量高,循环性能好。

标签:
加工技术
四川 - 成都 来源:北方有色网 2023-03-18
锂电池检测系统及其检测方法

为了解决现有锂电池真空氦检漏过程中存在的劳动强度大、效率低下、检漏准备性不高、无法批量化检测的问题,本发明提供一种锂电池检测系统,包括支撑平台,放置于支撑平台上的第一下箱体,第二下箱体;支撑平台在第一、第二下箱体底部设置有开口;支撑平台下部连接有旋转部件,旋转部件与水平驱动部件连接;支撑平台上方设置有上箱体;在支撑平台下方设置有顶升机构,顶升机构的活塞杆与第一下箱体或第二下箱体的开口相对应。本发明不仅实现了电池的连续自动检测,极大的提高了生产效率。而且通过水平往复式驱动机构,以及旋转机构,即可以完成多工位的运动,检测系统占位面积小,空间利用率高。

标签:
加工技术
四川 - 成都 来源:北方有色网 2023-03-18
新型的锂电池电解液高效连续消泡供料系统

本发明公开了一种新型的锂电池电解液高效连续消泡供料系统,包括电解液供料罐体、第一电解液消泡罐体和第二电解液消泡罐体,第一电解液消泡罐体上连通有进液管一、抽真空管一、大气连通管一,第二电解液消泡罐体上连通有进液管二、抽真空管二、大气连通管二,电解液供料罐体、第一电解液消泡罐体和第二电解液消泡罐体之间通过三通连接件连接,电解液供料罐体顶部设置有手动排气阀,电解液供料罐体底部设置有供料口,本发明可以实现在消除电解液中气泡的同时不影响电动注液泵的工作,解决了以往锂电池注液时真空消泡与注液等待的问题,提高了生产效率。

标签:
加工技术
四川 - 成都 来源:北方有色网 2023-03-18
柔性纤维状锂二氧化碳电池正极材料及制备方法

本发明公开了一种柔性纤维状锂二氧化碳电池正极材料,为金属/碳复合材料,包括金属基底和碳包覆层。本发明还提供了上述所述柔性纤维状锂二氧化碳电池正极材料的制备方法。本发明的材料具有高能量密度,较好的循环稳定性及柔性,基于此材料的柔性器件可在不同弯曲角度下正常工作。由于其特殊的纤维构型,在可穿戴器件领域具有广阔的应用前景。

标签:
加工技术
四川 - 绵阳 来源:北方有色网 2023-03-18
电动汽车锂电池电极片的清洁装置

本发明公开了一种电动汽车锂电池电极片的清洁装置,其包括第一传送带、第二传送带、第一缓冲垫、第二缓冲垫和电极片清洁组件,两个传送带上下相对设置并形成传送空隙,两个缓冲垫分别安装在两个传送带的内部,两个传送带在预定位置处设有空腔,电极片清洁组件设置于空腔内,电极片清洁组件包括电极片夹持件、高压喷气管、喷水管、接近传感器、电控阀和控制器,电极片夹持件为一对呈一定角度并形成夹持缝隙的夹片,高压喷气管的喷嘴正对接触喷水管的喷嘴,高压喷气管通过电控阀连接气源,接近传感器位于空腔内传送带的传送方向的前侧,控制器用于在接近传感器检测到锂电池经过时,控制电控阀开启。本发明能够提高电极片的清洁效率和效果。

标签:
加工技术
四川 - 成都 来源:北方有色网 2023-03-18
高效小功率质子交换膜燃料电池与锂电池混合动力系统

本发明公开了一种高效小功率质子交换膜燃料电池与锂电池混合动力系统,燃料电池输出接入一个升降压DC/DC变换器输出后与燃料电池并联。其中DC/DC变换器采用三模式双频双沿的控制策略。将由MOS管控制器与MOS管组成的低压降智能二极管串联在燃料电池输出级与母线之间,起到防止燃料电池电流倒灌的作用,同时最大程度上减小了正向损耗。在控制方面,采用M4单片机进行多个输入输出节点的综合控制,在保证燃料电池平稳输出的前提下,通过锂电池充放电的形式补偿功率输出、回收多余能量。

标签:
加工技术
四川 - 成都 来源:北方有色网 2023-03-18
锂离子电池负极用还原石墨烯氧化物/TiO2-B复合材料的制备方法

本发明公开了一种锂离子电池负极用还原石墨烯氧化物/TiO2?B复合材料的制备方法,包括:(1)以石墨烯氧化物悬浮液作为基底、金属碘化物溶液作为还原剂,以及钛前驱体溶液,搅拌均匀,得到混合物;(2)将混合物置于反应釜中,并于60~200℃下,加热3~80h,得到初产物;(3)对初产物依次进行离心、洗涤、干燥、煅烧后,得到还原石墨烯氧化物/TiO2?B复合材料。本发明能够有效提高锂离子电池负极的比容量和循环稳定性,因而具有很高的实用价值和广阔的应用前景。

标签:
加工技术
四川 - 成都 来源:北方有色网 2023-03-18
伴生细粒铌钽的锂多金属矿的综合回收工艺

本发明涉及一种伴生细粒铌钽的锂多金属矿的综合回收工艺,该工艺包括原矿粗磨、沉降脱泥、浮选、团聚磁选、重选等步骤,本发明的工艺方法特别适用于矿石含泥量大,矿区常年温度偏低,伴生的铌钽矿物品位低、嵌布粒度微细的锂多金属矿的综合回收,且该工艺技术先进可靠,简单合理,针对性强,原矿磨矿细度要求不高,再磨量少,运行成本低,综合回收率较高,具有良好的工业化前景。

标签:
加工技术
四川 - 成都 来源:北方有色网 2023-03-18
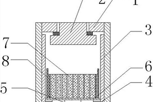
锂电池单体加热装置
锂电池单体加热装置 913     
 0

本实用新型公开了一种锂电池单体加热装置,属于锂电池领域,一种锂电池单体加热装置,包括包括电芯、加热片、控制器、温度传感器和电源,所述加热片与电芯的一侧固定连接,所述电芯远离加热片的一侧固定粘接有第一绝缘片,所述第一绝缘片远离电芯的一侧固定粘接有加热带,所述加热带远离第一绝缘片的一侧固定粘接有第二绝缘片,所述电芯的输出端与温度传感器的输入端连接,所述温度传感器的输出端与控制器的输入端连接,本方案可以实现能使电芯受热更均匀,而且电量的损耗也能更小,在硅胶加热带外面加一层导热硅胶绝缘片,在起到良好的导热效果时,也能起到很好的绝缘效果。

标签:
加工技术
四川 - 遂宁 来源:北方有色网 2023-03-18
圆柱锂电池在线清洗烘干装置

本实用新型公开了一种圆柱锂电池在线清洗烘干装置,包括机架和输送机构,输送机构安装在机架上,输送机构的输送带将圆柱锂电池依次输送至超声波清洗槽、清水槽和烘干箱,烘干箱的进料端设置有进料口,烘干箱的出料端开设有出料口,输送带从进料口进入并从出料口退出,输送带包括基体,基体的中部设置有若干凸起的三角块,若干三角块沿输送带的传输方向分布,相邻三角块之间形成倒三角卡槽,圆柱锂电池则位于倒三角卡槽内,烘干箱的顶部安装有热风机,热风机的出风管位于烘干箱内,且出风管连接有一风盘,风盘位于输送带上方,且风盘上开设有若干出风口。本实用新型的有益效果是:具有清洗效率高,烘干效果好的有点,实现了在线清洗和烘干。

标签:
加工技术
四川 - 宜宾 来源:北方有色网 2023-03-18
高稳定性锂电池制造点焊装置

本实用新型公开了一种高稳定性锂电池制造点焊装置,包括装置底座,所述装置底座的上端设有装置外壳,所述装置外壳内侧设有设有固定底座,所述固定底座的两侧位于装置外壳的内侧设有活动槽B,所述固定底座的一端位于活动槽B的内壁设有旋转电机,所述旋转电机的一端设有丝杆,所述丝杆贯穿固定底座延伸至装置外壳的底端,所述固定底座的上方位于装置外壳的内壁设有固定块,所述固定块的一端位于装置外壳内侧设有活动槽A。本实用新型通过丝杆转动使固定底座进行位移,使固定底座和固定块对锂电池进行卡持,通过连接杆对固定块进行限位,防止固定块下移速度过快对锂电池进行暴力夹持,造成损坏。

标签:
加工技术
四川 - 宜宾 来源:北方有色网 2023-03-18
氢氧化锂生产用冷冻釜

本实用新型公开了一种氢氧化锂生产用冷冻釜,涉及氢氧化锂生产技术领域。一种氢氧化锂生产用冷冻釜,包括反应釜体,所述反应釜体分为内胆壁和外胆壁,所述内胆壁内壁活动连接有填充块,所述填充块一侧活动连接螺纹杆,所述反应釜体顶部固定连接有顶盖,所述顶盖顶部一侧固定连接有固定架,所述固定架顶部固定连接有第二电机,所述第二电机输出端固定连接于螺纹杆顶部一端。本实用新型通过填充块的作用,减少底部空间,使得溶液只能向四周散去并向上运动,填充块填充了大部分区域,溶液只能在填充块与内胆壁间的缝隙处,加大了溶液与内胆壁的接触面积,夹块温度的传递,使降温效果更好。

标签:
加工技术
四川 - 雅安 来源:北方有色网 2023-03-18
汽车锂电池用快速拆装结构

本实用新型公开了一种汽车锂电池用快速拆装结构,涉及锂电池技术领域。本实用新型包括安装板、电池板本体、固定筒和固定板、缓冲弹簧,安装板包括有安装槽,安装槽内转动安装有插槽,电池板本体一端固定安装有插入板,电池板本体另一端开设有稳固插孔,安装槽内两侧壁均开设有限位槽,安装板上转动安装有固定夹板并开设有锁定孔,固定筒内螺纹连接有螺杆,安装板两端均固定安装有限位块,固定夹板内表面固定安装有稳固插杆,固定夹板两端均安装有锁紧螺栓。本实用新型便于稳定的装拆电池板本体,并降低汽车因长时间行驶颠簸使加固锂电池的螺栓发生松动,从而导致电池碰撞受损和降低使用寿命的问题。

标签:
加工技术
四川 - 成都 来源:北方有色网 2023-03-18
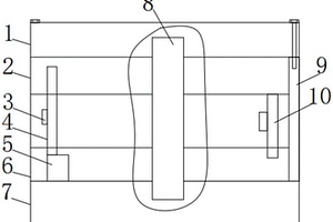
具有防爆阀结构的锂电池

本实用新型公开了一种具有防爆阀结构的锂电池,包括锂电池外壳、防爆阀外壳、连接孔、旋拧螺纹、通孔、第一垫片、螺纹柱、第二垫片、减压孔、防护网、密封垫、支撑柱、垫脚、连接柱、导向球和透气孔。本实用新型的有益效果是:防爆阀外壳呈正六边形,并在防爆阀外壳的表面上喷涂有一层防锈漆,便于操作人员的旋拧,并保证防爆阀外壳的美观,减压孔设置有六个,且每个减压孔设置在防爆阀外壳的每个立面中心处,并与防爆阀外壳内部空腔贯通连接,通过六个减压孔保证将锂电池外壳内部负压快速减压,防爆阀外壳通过螺纹柱与连接孔呈可拆卸式连接,便于对防爆阀外壳的安装与更换。

标签:
加工技术
四川 - 成都 来源:北方有色网 2023-03-18
低成本单节锂电自动充电路

一种低成本单节锂电自动充电路,可于用电池充电器的自动管理,采用电容恒流充电,监控管理采用两组TL431门限比较构成电压监控,设置高低电压门限,门限监控互锁转换,充电时高门限主控并关闭低门限电路,当电池电压大于高门限设置电压,光耦截止可控硅交流供电,充电器停止工作;高门限电路矢电退出,同时低门限电路被打开,当电池电压低于低门限设置电压,驱动光耦,可控硅导通,交流供电打开,高门限电路接管监控管理,交流供电自锁维持供电,采用通用元件,功耗小于4毫瓦,低成本单节锂电自动充电路实现充电器无待机功耗管理。低成本单节锂电自动充电路,有着广泛的用途和节能环保意义。?

标签:
加工技术
四川 - 成都 来源:北方有色网 2023-03-18
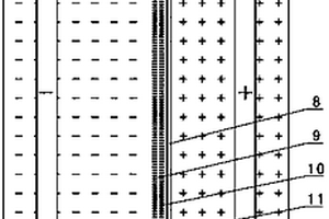
高安全性大电流隔膜锂电池

本实用新型公开了一种高安全性大电流隔膜锂电池,包括壳体、正极、负极、隔膜、第一安装块、第二安装块、活动隔离板和固定隔离板,隔膜为纳米壳聚糖复合锂电池隔膜;第一安装块和所述第二安装块分别安装于壳体的相对两个内壁上,活动隔离板和固定隔离板安装在第一安装块和第二安装块之间,活动隔离板和固定隔离板上分别设有多个均匀间隔的通孔,活动隔离板的第一端置于第一安装块的活动凹槽内并能够移动、第二端穿过第二安装块的开口并置于其内腔中,内腔内设有弹性囊体,弹性囊体内装有蒸发液。本实用新型使用性能优良的纳米壳聚糖复合锂电池隔膜,并增加主要包括两块隔离板的硬隔离结构,在温度很高时能快速减小电流、降低温度、保护电池。

标签:
加工技术
四川 - 成都 来源:北方有色网 2023-03-18
基于钛酸锂电池的电梯五方对讲系统备用电源

本实用新型专利涉及电梯技术领域,公开了一种基于钛酸锂电池的电梯五方对讲系统备用电源,其可提高备用电源的寿命和充电速度,提高电梯五方对讲系统的安全性,降低备用电源或电池的更换频率,达到节能环保的目的。其包括市电输入电路、开关电源、恒流充电电路、钛酸锂电池组、降压电路、电池保护电路、市电检测电路、短路保护电路、输出控制开关、LED显示电路;所述钛酸锂电池组内置于备用电源壳体内部。本实用新型专利适用与所有电梯五方对讲系统。

标签:
加工技术
四川 - 绵阳 来源:北方有色网 2023-03-18
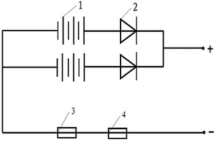
带有安全保护系统的一次锂电池组

本实用新型公开了一种带有安全保护系统的一次锂电池组,属于电源技术领域。它包括由单体一次锂电池、电池连接片和导线串、并联组成的电池组,还包括电池组安全保护系统,其由二极管、自复式元件和温度保险组成;电池组中各支路单体电池串联后正极分别与二极管连接,通过二极管后各支路正极并联在一起输出;各支路负极并联在一起后与自复式元件和温度保险连接后输出。本实用新型结构简单易组装,接入电池组安全保护系统增加了电池组的安全性,电池组安全保护系统具有电池短路、过流、过放、过温、充电等保护功能,可有效保护一次锂电池组的安全使用,延长其使用寿命。

标签:
加工技术
四川 - 成都 来源:北方有色网 2023-03-18
溴化锂吸收式联合热泵

本实用新型涉及一种溴化锂吸收式联合热泵,包括蒸发器、吸收器、冷凝器、换热器、冷却塔和一个或二个发生器,在一台热泵机组中,只需要通过切换阀门,就能实现溴化锂吸收式一类热泵或溴化锂吸收式二类热泵的运行功能,进而提高系统效率,降低运行成本。该联合热泵蒸发器、吸收器、冷凝器、换热器在运行一类热泵模式或二类热泵模式时共用。发生器、蒸发器、吸收器、冷凝器、换热器的布置位置可以任意设置。在运行二类热泵时,废热水可以串联或并联通过发生器和蒸发器,在串联模式时,可以从发生器到蒸发器,也可以从蒸发器到发生器。

标签:
加工技术
四川 - 成都 来源:北方有色网 2023-03-18
上一页 504 505 506 507 508 ... 1178 下一页
共1178页    到第

北方有色为您提供最新的四川有色金属理论与应用信息,涵盖发明专利、权利要求、说明书、技术领域、背景技术、实用新型内容及具体实施方式等有色技术内容。打造最具专业性的有色金属技术理论与应用平台!

全国热门有色金属设备推荐
展开更多 +
全国热门有色金属技术推荐
展开更多 +

 

江西省隆恩特环保设备有限公司
宣传

报名参会
更多+

报告下载

有色专家
更多+

矿冶科技集团有限公司
中国工程院院士
武汉理工大学
外籍院士/教授
赣州江钨钨合金有限公司
工程师
赣州有色冶金研究所有限公司
副主任/高级工程师
辽宁忠旺集团
教授级高工
赤泥综合利用研究报告2025
推广

热门技术
更多+

推荐企业
更多+

福建省金龙稀土股份有限公司
宣传

发布

在线客服

公众号

电话

顶部
咨询电话:
010-88793500-807