青岛垚鑫智能科技有限公司
宣传

位置:中冶有色 >

有色技术频道 >

分类:
全部
矿山技术
冶金技术
材料制备及加工技术
环境保护技术
分析检测技术
地区:
全部
北京
天津
上海
重庆
河北
山西
辽宁
吉林
黑龙江
江苏
浙江
安徽
福建
江西
山东
河南
湖北
湖南
广东
海南
四川
贵州
云南
陕西
甘肃
青海
内蒙
广西
西藏
宁夏
新疆
其他
其他
展开
 
全部
成都
自贡
攀枝花
泸州
德阳
绵阳
广元
遂宁
内江
乐山
南充
眉山
宜宾
广安
达州
雅安
巴中
资阳
阿坝藏族羌族自治州
甘孜藏族自治州
凉山彝族自治州

四川有色金属理论与应用

免费发布技术信息>>
铜镍复合带双极耳锂离子电池

本实用新型公开了一种铜镍复合带双极耳锂离子电池,包括铝塑外包装、固定块和铜镍复合材料极耳,所述铝塑外包装的内部安装有第一加强筋,且第一加强筋的内侧安装有第二加强筋,所述固定块在铝塑外包装的左右两端均有安装,且固定块的内部开设有限位孔,所述铜镍复合材料极耳贯穿安装在固定块的内部,所述铝塑外包装的内部安装有电解液,且电解液的下方安装有第一隔膜,所述第一隔膜的下方安装有负极,且负极的下方安装有第二隔膜,所述第二隔膜的下方安装有正极,所述铝塑外包装的外侧安装有第一卡片。该铜镍复合带双极耳锂离子电池,不仅能够延长其使用寿命,而且能够避免该电池出现弯折而受到磨损。

标签:
加工技术
四川 - 自贡 来源:中冶有色网 2023-03-18
锂电池激光焊接机
锂电池激光焊接机 847     
 0

本实用新型公开一种锂电池激光焊接机。该焊接机包括:激光发生器、激光反射镜、旋转装置、吊杆、第一水平移动平台和焊接平台;第一水平移动平台位于激光反射镜的正上方;吊杆的顶端固定在第一水平移动平台下表面,底端固定连接旋转装置;旋转装置的旋转部与激光反射镜的背面固定连接;激光反射镜位于激光发生器的激光出射光路上;焊接平台位于激光反射镜的正下方;第一水平移动平台用于驱动吊杆水平移动,进而带动旋转装置和激光反射镜水平移动;旋转装置用于调整激光反射镜的水平角度和竖直角度;激光反射镜用于将激光反射到焊接平台上,焊接平台用于承载并固定待焊接锂电池。本实用新型的焊接机,能够有效减少驱动能量的消耗。

标签:
加工技术
四川 - 南充 来源:中冶有色网 2023-03-18
锂电池正极材料分离装置

本实用新型公开了一种锂电池正极材料分离装置,其包括依次连接的反应缸、传输通道和粉末分离机,反应缸的上端分别设置有进料漏斗和超声探头,反应缸内设置有过滤膜,过滤膜上部一侧活动设置有推板,过滤膜下方设置有第一收集箱,第一收集箱通过回流管与反应缸连接,传输通道包括传送带,传送带的一端位于反应缸内与推板相同高度位置处,传输通道内设置有加热管。本实用新型能够解决现有技术中锂电池正极材料分离效率低、时间长、成本高的问题,结构简单、可靠性强。

标签:
加工技术
四川 - 成都 来源:中冶有色网 2023-03-18
锂电池卷绕叠片工装
锂电池卷绕叠片工装 905     
 0

本实用新型公开了一种锂电池卷绕叠片工装,其包括工作平台;辅助放卷卷筒设置在所述工作平台的一侧;左扣合模具、右扣合模具,二者以正相对的形式设置在所述工作平台的另一侧;所述左扣合模具和右扣合模具之间通过可调连接活页转动连接,所述右扣合模具能够顺着或逆着所述辅助放卷卷筒的转动方向折叠翻转。本实用新型所提供的锂电池卷绕叠片工装,可以完成双螺旋式的叠片结构,这一叠片结构相当于同时进行了双层隔膜的绕卷,在操作过程中每一次翻转均完成了两层叠片,提升了人员手工操作过程当中的操作效率。

标签:
加工技术
四川 - 成都 来源:中冶有色网 2023-03-18
制备Li<sub>x</sub>M<sub>y</sub>O<sub>z</sub>-石墨烯复合材料的方法和锂电池正极材料及其制备方法

本发明涉及锂电池技术领域,尤其涉及一种制备LixMyOz‑石墨烯复合材料的方法和锂电池正极材料及其制备方法。本发明的制备LixMyOz‑石墨烯复合材料的方法充分利用了石墨烯的结构和功能优势,从传统的将石墨烯直接与正极材料进行研磨复合的方式,改变成利用水热合成法将LixMyOz‑LDHs的前驱体直接原位生长在石墨烯表面,增强了正极材料与石墨烯之间复合的均匀性,两者的结合强度高,形成的晶粒更加细小、性能更加稳定,而且工艺流程简单,便于进行大规模生产制造。

标签:
加工技术
四川 - 成都 来源:中冶有色网 2023-03-18
独轮双轮三用锂电轻便自行车非轴连接装置

本实用新型提供一种独轮双轮三用锂电轻便自行车非轴连接装置,涉及一种车辆类技术领域。其特征是:在锂电独轮车脚踏吊臂总成上设置一横向穿心轴,穿心轴前端设置有与折叠式两轮自行车后叉连接的快拆扣件。本实用新型有益效果是:一车三用、作为代驾和代步工具,随意上街上路,不扩大自行车后叉开档,不影响自行车美观效果好。

标签:
加工技术
四川 - 成都 来源:中冶有色网 2023-03-18
生产氢氧化锂过程中的芒硝进行连续冷冻结晶分离的系统

本实用新型公开了一种能够将氢氧化锂生产过程中产生的芒硝进行连续冷冻结晶分离的生产氢氧化锂过程中的芒硝进行连续冷冻结晶分离的系统。该分离系统,包括冷冻结晶系统、稠厚养晶系统、细晶沉降系统;冷冻结晶系统,包括循环泵、制冷装置、冷冻结晶器、出料泵;稠厚养晶系统,包括稠厚器、芒硝离心机、旋液分离器;细晶沉降系统,包括沉降器、反冲泵;冷冻结晶器、出料泵、旋液分离器、稠厚器、芒硝离心机、沉降器、反冲泵顺次连通,且反冲泵出口连通到冷冻结晶器;冷冻结晶器上设置有进料管、循环液出口、冷冻出料管;循环液出口通过循环泵连通到制冷装置,制冷装置与冷冻结晶器连通。采用该分离系统能够提高芒硝的产量,提高芒硝的分离效率。

标签:
加工技术
四川 - 遂宁 来源:中冶有色网 2023-03-18
锂离子电池探针
锂离子电池探针 1043     
 0

本实用新型公开了一种锂离子电池探针,包括用于与测试装置连接的连接头,还包括若干长条形的具有弹性的压片,所述压片上端固定在连接头上,并按同一圆周分布;压片下端向内弯折,并且所有压片的下端围成圆形的夹持部。具有上述结构的锂离子电池探针,利用若干弹性的压片对极柱进行夹持,并且具有多个触点,使其不仅适用于各种大小规格各种形状的极柱,相对于现有的探针更加的灵敏更加的精确。

标签:
加工技术
四川 - 成都 来源:中冶有色网 2023-03-18
用于碳酸锂氢化的反应釜

本实用新型公开了一种用于碳酸锂氢化的反应釜,包括壳体,所述壳体顶壁中部设置有伺服电机,所述伺服电机与传动带的一端连接,所述传动带另一端设置在管状搅拌轴上,所述管状搅拌轴为中空结构,所述管状搅拌轴上部设置有二氧化碳增压器,所述管状搅拌轴延伸至壳体内,所述管状搅拌轴上设置有搅拌叶片,所述搅拌叶片为空心结构,且所述搅拌叶片上设置有多个通孔,所述搅拌叶片与搅拌轴连通,所述壳体顶部设置有进料口,所述壳体下部设置有第二电机,所述第二电机与搅拌棒的一端连接,所述搅拌棒的另一端延伸至壳体内部与安装座连接,所述搅拌棒上垂直设置有辅助搅拌扇叶。通过设置管状搅拌轴为中空结构,便于二氧化碳气体进入壳体内,使二氧化碳气体与锂溶液混合。

标签:
加工技术
四川 - 眉山 来源:中冶有色网 2023-03-18
锂电池芯
锂电池芯 736     
 0

本实用新型公开了一种锂电池芯,包括若干个正极片和若干个负极片,正极片和负极片依次交替层叠布置,且在正极片与负极片之间通过S形卷绕的隔膜隔离,在正极片与负极片堆叠并卷绕隔膜后形成的芯体外围缠绕裹设有所述的隔膜若干圈;所述的正极片或负极片均包括延伸出极片本体端部的连接部,且连接部偏离极片本体的所在端部中间位置布置,连接部靠近所述端部中间位置一侧与极片本体之间采用半径为35‑70mm的过渡圆角a,连接部的另外一侧与极片本体之间采用半径为10‑25mm的过渡圆角b;在正极片与负极片堆叠时,正极片的连接部与负极片的连接部相对布置。本实用新型的锂电池芯,结构强度高,极片连接部导电面积大。

标签:
加工技术
四川 - 成都 来源:中冶有色网 2023-03-18
磷酸铁锂废电池正极材料的浸出方法

本发明介绍的磷酸铁锂废电池正极材料的浸出方法是将从磷酸铁锂废电池中分离出的正极材料和磨细的软锰矿放入耐压和耐硝酸腐蚀的容器中,并将硝酸泵入该容器,然后密封容器进行浸出。

标签:
加工技术
四川 - 成都 来源:中冶有色网 2023-03-18
低温改善型钛酸锂电池及其制备方法

本发明涉及电池技术领域,且特别涉及低温改善型钛酸锂电池及其制备方法;该方法包括制备含导电剂的胶液、制备正极浆料、制备负极浆料、制备正极片、制备负极片和电池装配,其中,制备含导电剂的胶液包括将粘结剂、第一溶剂和导电剂混合;制备正极浆料包括将正极材料与含导电剂的胶液混合;制备负极浆料包括将负极材料与含导电剂的胶液混合;制备正极片包括将正极浆料涂覆于集流体并烘烤,制备负极片包括将负极浆料涂覆于集流体并烘烤;电池装配包括将正极片和负极片装入壳体,注入电解液并封装;由上述方法制备的钛酸锂电池具有较高的能量密度,且在低温环境下具有较佳的放电性能。

标签:
加工技术
四川 - 成都 来源:中冶有色网 2023-03-18
锂电池微孔隔膜挤出装置

本发明公开了一种锂电池微孔隔膜挤出装置,包括动力装置、绝缘装置和离心装置;所述离心装置通过绝缘装置与动力装置的输出端传动连接;所述离心装置外套装模具。本发明中隔膜采用干法即熔融拉伸制备,其制备过程对温度的要求较低,具有可连续生产、工艺流程操作简单、能耗低、无环境污染等优点;同时,制备的聚丙烯微孔膜具有良好的力学性能,尤其是较高的横向拉伸强度和穿刺强度,在高锂电池正负极之间具有良好的分隔效果,能够提高锂电池的整体质量。

标签:
加工技术
四川 - 自贡 来源:中冶有色网 2023-03-18
锂电池测试用电极夹
锂电池测试用电极夹 1210     
 0

一种锂电池测试用电极夹,包括端盖和位于端盖下方的电极夹,所述电极夹包括上环和连接在上环下方的多个对称分布的簧片,簧片内侧具有向上方斜向延伸的斜片,所述簧片根部至腰部宽度逐渐缩小,簧片腰部向下延伸有延长段;所述端盖顶部设置有导线连接头,端盖内部设置有内螺纹孔,所述电极连接头还包括顶针,所述顶针顶部具有与所述内螺纹孔配合的外螺纹柱,外螺纹柱下方连接有顶头。本实用新型所述锂电池测试用电极夹,适用于圆形或正多边形电池电极,能够与电极牢固连接,安装和卸下时采用旋转操作方式,操作简便,不会对电极造成损伤,多个簧片对称分布使电接触均匀,不易产生火花,减少了锂电池在测试中的损伤。

标签:
加工技术
四川 - 广安 来源:中冶有色网 2023-03-18
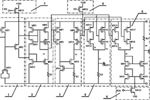
适用于两节锂电池保护芯片CMOS基准源

本发明公布了一种适用于两节锂电池保护芯片CMOS基准源,包括启动电路、PTAT产生电路、CTAT产生电路、第一基准产生电路、第二基准产生电路、以及三个关断控制电路。本发明只包含NMOS管,PMOS管和电阻,没有三极管,电路结构和制备工艺都相对简单;第一基准产生电路和第二基准产生电路输出的基准用于分别保护芯片比较器关于过充电,过放电,过电流的保护基准,其温度系数低、功耗低;适用于CMOS工艺实现。

标签:
加工技术
四川 - 成都 来源:中冶有色网 2023-03-18
锂电池用充电检测设备

本实用新型公开了一种锂电池用充电检测设备,包括检测仪、连接块和两个检测线,所述连接块位于检测仪的前侧,两个检测线的表面与连接块的内腔接触,所述连接块的内腔开设有收纳槽。通过设置连接块、检测线、定位机构和传动机构的配合使用,通过传动机构带动定位机构移动至合适位置后,将检测线与检测仪进行插接,松开传动机构,定位机构在复位的同时会对检测线进行固定,完成了对检测线的限位,解决了现有检测线在与检测仪对接后并无对检测线进行限位的组件,这样就会导致在检测的过程中受外力影响导致检测线脱落的情况,不便于使用者将检测线限位在检测仪上对锂电池进行充电检测的问题。

标签:
加工技术
四川 - 绵阳 来源:中冶有色网 2023-03-18
基于锂电池生产的烘干装置

本实用新型涉及锂电池生产设备技术领域,公开了一种基于锂电池生产的烘干装置,包括烘干仓,烘干仓仓体顶部表面安装有储料组件,储料组件一侧设置有发热组件;烘干仓仓体设置有循环管组件,循环管组件的管道内设置吸附组件,循环管组件正下方设置控制箱,储料组件包括固定板,固定板正下方设置有连接框,连接框框架中空位置设置有防护网,固定板板体上方设置有进料斗,发热组件包括固定板,固定板板体内设置有电加热棒;循环管组件包括循环管,循环管管体内设置有扇叶,扇叶固定在连接杆内,连接杆和电机转轴固定连接,吸附组件包括吸附仓,吸附仓内设置有吸附板;本实用新型通过在密封的烘干仓内形成循环的热气流来烘干物料,烘干效率高。

标签:
加工技术
四川 - 绵阳 来源:中冶有色网 2023-03-18
基于NTC贴片热敏电阻元件的锂电池保护板电路

本实用新型公开了一种基于NTC贴片热敏电阻元件的锂电池保护板电路,包括充电回路和放电回路,还包括BQ20Z75型控制芯片、多个阻容元件、多个MOSFET开关器件和PTC热敏电阻,所述BQ20Z75型控制芯片通过多个所述阻容元件检测电池电压与回路电流,并通过多个所述MOSFET开关器件控制所述充电回路与所述放电回路的导通与关断,所述PTC热敏电阻串联于多个所述阻容器件和电池之间,所述PTC热敏电阻采用NTC贴片。本实用新型为一种基于NTC贴片热敏电阻元件的锂电池保护板电路,用贴片NTC热敏电阻替代插件式NTC热敏电阻可节省生产加工工时;减免插件式NTC热敏电阻触头出现移位;减免出现线路短路;减免出现移位和断裂,减小人为损坏概率。

标签:
加工技术
四川 - 成都 来源:中冶有色网 2023-03-18
大容量锂离子蓄电池
大容量锂离子蓄电池 1018     
 0

本实用新型涉及蓄电池,提供一种大容量锂离子蓄电池,解决电池内部发热严重的问题。它包括极柱,多个单体电芯,壳体以及能将壳体盖住的壳盖;单体电芯上设有极耳;单体电芯位于壳体内,壳盖位于单体电芯上方,极柱位于壳盖上方,且与极耳连接;壳体侧面设有将壳体内部与外部连通的散热通道。本实用新型适用于大容量锂离子蓄电池,具有设计合理,结构简单、散热良好,机械强度高,高安全性,长使用寿命、工艺简单,易于实现批量生产的特点。

标签:
加工技术
四川 - 绵阳 来源:中冶有色网 2023-03-18
具有隔热层的金属锂及制品运输桶

本实用新型涉及一种具有隔热层的金属锂及制品运输桶,包括桶体和桶盖,桶体的内壁设有可拆卸隔热层和内衬架,内衬架形状与桶体内腔形状适配,隔热层位于内衬架与桶体内壁之间,内衬架使隔热层紧贴桶体内壁;其中隔热层包括环形层体、顶层体和底层体,环形层体与桶体内侧壁圆柱形状适配,顶层体与桶盖形状适配,底层体与桶体内底部形状适配;其中内衬架包括与桶体内壁高度适配的若干个支杆,支杆上垂直连接有连杆形成一整体。该运输桶的内壁设置可拆卸隔热层和内衬架,内衬架可将隔热层固定成形并紧贴桶体内壁,在运输桶运输过程中发生晃动或震动,不会影响隔热层对锂带的保护,提高了安全性;而且可拆卸的内衬架和隔热层,方便安装、可循环利用。

标签:
加工技术
四川 - 成都 来源:中冶有色网 2023-03-18
完全覆盖底壁的液态锂膜流结构

本实用新型属于流体流动控制技术领域,具体涉及一种完全覆盖底壁的液态锂膜流结构。本实用新型包括底壁,中间底壁,管道及侧槽道壁组成,本结构整体为一个凹槽,中间底壁和底壁之间的区域为管道,中间底壁上设置有若干圆形贯穿孔,以便液态金属锂由圆孔流入中间底壁上方。本实用新型提出的方法可以解决液体与固体底壁润湿性不好而带来的液态金属不能完全覆盖底壁的问题,该膜流系统的适应范围较广,能够较好的适应液态偏滤器的位形同时形成大面积的完全覆盖固体底壁的膜流流动。

标签:
加工技术
四川 - 成都 来源:中冶有色网 2023-03-18
锂电池极板吊装夹具
锂电池极板吊装夹具 1001     
 0

本实用新型公开了一种锂电池极板吊装夹具,包括2个相互平行的上悬架及分别设置在所述的上悬架两端下方的导轨,在所述的导轨上分别设置有直线轴承,在所述的导轨上设置有支板,所述的支板通过平行于所述的上悬架的销轴转动连接在位于同侧的所述的导轨之间,在所述的支板下端内侧设置有底板,在2个所述的上悬架下方设置有顶板,所述的顶板下端面分别固定连接在4个所述的直线轴承上,2个所述的上悬架通过悬梁相连接,所述的悬梁与所述的顶板之间设置有用于推动所述的顶板沿着导轨高度方向移动的液压缸,所述的直线轴承沿着导轨向下移动时能够推动所述的支板上端向所述的导轨外侧转动。本实用新型能够用于改善现有的锂电池极板移动不便的问题。

标签:
加工技术
四川 - 绵阳 来源:中冶有色网 2023-03-18
锂离子电池正极材料生产用窑炉

本实用新型公开了一种锂离子电池正极材料生产用窑炉,包括窑炉本体、运输组件,所述运输组件部分延伸至所述窑炉本体的外部;配合所述窑炉本体生产使用的闸钵,所述闸钵通过所述运输组件进入或移出所述窑炉本体;所述闸钵用以放置锂离子电池正极材料;所述窑炉本体上集成有辅助运输组件,所述辅助运输组件与所述闸钵接触地用以限制所述闸钵的上下位移、以及左右位移。本实用新型的窑炉在窑炉本体上设计了辅助运输组件,该辅助运输组件与闸钵接触地形成滑动配合,并利用其对闸钵形成左右位移和上下位移的限位,避免闸钵运载着正极材料生产时出现左右或上下的移动,确保生产中加热和冷却效果均衡,提高产品质量。

标签:
加工技术
四川 - 成都 来源:中冶有色网 2023-03-18
带有保险装置的锂电池

本实用新型公开了一种带有保险装置的锂电池,它包括外壳、上盖、正极柱,上盖上部设有由热敏电阻PTC元件、塑料盖、正极盖组成保险装置,PTC元件的一个引出端与电池正极柱焊接,另一引出端与正极盖6焊接;上盖上面设有塑料绝缘片。与未加保险装置的电池相比,外形大小不变,当外电路发生意外短路后,可保护电池。组装成电池组使用时只需其中的一只电池安装保险装置即可。成本低,且可靠性高。保险装置组件化,提高了装配效率,工艺简化,操作简单。本实用新型适用于WR34615、ER34615M等型号柱式锂电池。

标签:
加工技术
四川 - 成都 来源:中冶有色网 2023-03-18
锂电池产品用防潮存放箱

本实用新型公开了一种锂电池产品用防潮存放箱,包括存放箱、气泵、加热丝和连接孔,所述存放箱的内侧固定安装有分隔板,且存放箱的左右两端固定有竖杆,所述存放箱的下方固定有气泵,且气泵的右侧连接有导气管,并且导气管的右侧连接有加热箱,所述加热箱固定在存放箱的底部,且加热箱的右侧连通有排气管,所述竖杆的表面连接有挤压板,且挤压板的上方中部设置有转动套,并且存放箱的上方和分隔板的下方固定安装有螺纹杆。该锂电池产品用防潮存放箱,设置有转动套和螺纹杆,能够通过旋转转动套,使转动套与螺纹杆螺纹连接,方便使得转动套带动挤压板在竖杆的表面滑动,进而方便挤压板向下移动,提高该装置的实用性。

标签:
加工技术
四川 - 自贡 来源:中冶有色网 2023-03-18
锂离子电池负极材料烧结炉

本实用新型公开了锂离子电池负极材料烧结炉,涉及材料加工技术领域。锂离子电池负极材料烧结炉,包括侧边固定板,所述侧边固定板设置有两个,两个侧边固定板之间活动连接有转筒,转筒一侧设置有搅拌装置,两个侧边固定板四个拐角处固定连接有固定桩,每两个相邻固定桩底部均固定连接有紧固杆,紧固杆一端上方固定连接有第一担板,第一担板顶部固定连接有点火器,点火器与转筒相连接。本实用新型搅拌装置等的设置,该装置使用时通过搅拌装置的设置能够使得材料向搅拌装置一端输送,进而实现自动出料,只需要人工进行收集工作即可,并且通过搅拌装置的设置,在烧结过程过程中可以保持材料均匀的混合,使得烧结效果更好。

标签:
加工技术
四川 - 雅安 来源:中冶有色网 2023-03-18
钴酸锂生产中包装车间粉尘治理系统

本实用新型涉及一种钴酸锂生产中包装车间粉尘治理系统,包括收尘器主体,所述收尘器主体顶壁设置有进风口、侧壁设置若干净风出口、底壁设置有粉尘出口,所述收尘器主体内由上至下横向间隔排布有多个除尘滤筒,所述除尘滤筒为中空管且一端封闭另一端开口,所述除尘滤筒的开口端与所述净风出口连通。所述钴酸锂生产中包装车间粉尘治理系统采用撬装设备设计而成,占用生产车间的体积小,而且可以移动,适应车间不同时间不同地点除尘收尘的需求,具有较高的灵活性,有效改善车间空气质量。

标签:
加工技术
四川 - 成都 来源:中冶有色网 2023-03-18
用于锂电池洗涤试验的机电一体化综合控制装置

本实用新型公开了一种用于锂电池洗涤试验的机电一体化综合控制装置,包括箱体,所述箱体的底部设置有定位吸附组件,所述定位吸附组件之间通过横杆固定安装有电机,所述电机的输出端贯穿箱体底部通过立杆固定安装有清洗筛筒,所述清洗筛筒的顶部和箱体顶部皆设置有密封组件。本实用新型一种用于锂电池洗涤试验的机电一体化综合控制装置在使用过程中,可通过液位计对箱体内部的洗涤液进行实时监测,并通过显示器进行显示方便人工直观观察,然后根据实际液位数据打开控制阀通过进液口实时导入适量洗涤液,当洗涤液过多时,可通过打开排液口处的控制阀进行适当排放,使洗涤液剂量更加合理清洗的效果更好。

标签:
加工技术
四川 - 凉山彝族自治州 来源:中冶有色网 2023-03-18
钽酸锂晶体生长装炉用工装夹具

本实用新型的实施例提供了一种钽酸锂晶体生长装炉用工装夹具,涉及工装夹具领域。旨在提高坩埚装炉的效率。钽酸锂晶体生长装炉用工装夹具包括第一半圆坩埚夹、第二半圆坩埚夹、第一升降支架、第二升降支架以及紧固组件;第一半圆坩埚夹可拆卸地固定在第一升降支架上,第二半圆坩埚夹可拆卸地固定在第二升降支架上,第一半圆坩埚夹与第二半圆坩埚夹之间形成用于夹持坩埚的夹持空间;第一升降支架的高度可调,第二升降支架的高度可调。通过装炉的目标锅位,将第一升降支架以及第二升降支架的高度调整到位,再将坩埚装在夹持空间上,再整体移动到坩埚炉上,通过对中调整夹具来将坩埚对中,再填充保温材料,装炉完成,取下夹具,省时省力,方便操作。

标签:
加工技术
四川 - 成都 来源:中冶有色网 2023-03-18
锂电池组的循环液冷装置

本实用新型提供了一种锂电池组的循环液冷装置,其包括壳体、安装板、用于装冷却液的容纳槽和固定在容纳槽中并用于驱动冷却液的动力机构;壳体顶部设有开口,内底部固定设有安装柱和“W”形的第一盘管;安装板的板面小于壳体的横截面,安装板上设有与安装柱配合的通孔;安装板的板面中部设有两个竖板,安装板的板面上设有多个等间距且与竖板垂直的隔板,安装板、壳体内壁、竖板和隔板之间形成安装锂电池组的电池槽;第一盘管的顶尖处设有连接口,第一盘管的两端口与出口管连通,出口管与容纳槽连通;两个竖板之间设有“S”形的第二盘管,第二盘管的一个管口通过连接管与连接口接通,另一个管口与进口管连通,进口管和动力机构连通。

标签:
加工技术
四川 - 成都 来源:中冶有色网 2023-03-18
上一页 501 502 503 504 505 ... 1177 下一页
共1177页    到第

中冶有色为您提供最新的四川有色金属理论与应用信息,涵盖发明专利、权利要求、说明书、技术领域、背景技术、实用新型内容及具体实施方式等有色技术内容。打造最具专业性的有色金属技术理论与应用平台!

全国热门有色金属设备推荐
展开更多 +
全国热门有色金属技术推荐
展开更多 +

 

江西省隆恩特环保设备有限公司
宣传

报名参会
更多+

报告下载

有色专家
更多+

矿冶科技集团江苏北矿金属循环利用科技有限公司
书记 / 总经理
郑州大学
校长/党委书记
长沙矿冶研究院有限责任公司
中国工程院院士
北京科技大学
教授
长沙矿冶研究院
总经理
赤泥综合利用研究报告2025
推广

热门技术
更多+

推荐企业
更多+

福建省金龙稀土股份有限公司
宣传

发布

在线客服

公众号

电话

顶部
咨询电话:
010-88793500-807