青岛垚鑫智能科技有限公司
宣传

位置:中冶有色 >

有色技术频道 >

分类:
全部
矿山技术
冶金技术
材料制备及加工技术
环境保护技术
分析检测技术
地区:
全部
北京
天津
上海
重庆
河北
山西
辽宁
吉林
黑龙江
江苏
浙江
安徽
福建
江西
山东
河南
湖北
湖南
广东
海南
四川
贵州
云南
陕西
甘肃
青海
内蒙
广西
西藏
宁夏
新疆
其他
其他
展开
 
全部
南京
无锡
徐州
常州
苏州
南通
连云港
淮安
盐城
扬州
镇江
泰州
宿迁

江苏南京有色金属理论与应用

免费发布技术信息>>
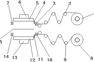
软包锂电池的循环夹具
软包锂电池的循环夹具 1097     
 0

本实用新型公开了一种软包锂电池的循环夹具,其包括:上夹板和下夹板,上夹板与下夹板之间设有支撑结构,移动结构,移动结构设置在上夹板上;中间夹板,中间夹板设置在上夹板和下夹板之间,并与移动结构连接,移动结构可带动中间夹板在上夹板和下夹板之间进行移动;压力传感器,压力传感器设置在中间夹板上;控制电机,控制电机设置在上夹板上,控制电机连接移动结构;压力显示器,压力显示器设置在上夹板上,压力显示器分别连接控制电机和压力传感器。本实用新型可用于电池循环但不限于循环的夹具,可有效控制电池在循环过程中的所受压力的一致性,延长电池循环寿命,同时有利于电池在化成、分容和循环测试中隔膜与正负极极片接触效果的研究。

标签:
加工技术
江苏 - 南京 来源:中冶有色网 2023-03-18
防止方形锂离子电池负极片裁切掉粉装置

本实用新型公开了一种防止方形锂离子电池负极片裁切掉粉装置,包括:工作台、第一贴胶装置、第二贴胶装置;工作台设有水平设置的支撑面;第一贴胶装置包括第一固定辊、多个第一过渡辊、第一压胶机构、第一切刀、第一吸附机构、第一气缸和第一牵拉机构;且第一固定辊、多个第一过渡辊、第一压胶机构、第一切刀、第一吸附机构、第一气缸和第一牵拉机构依次布置,第一固定辊与多个第一过渡辊互相平行且水平设置;第一气缸与第一吸附机构连接并驱动第一吸附机构上下运动;第一吸附机构的工作表面与支撑面平行。本实用新型当负极片被裁切时,避免了裁切位置所产生的掉粉情况,提高了电池的质量。

标签:
加工技术
江苏 - 南京 来源:中冶有色网 2023-03-18
连续叠片式锂离子动力电池

连续叠片式锂离子动力电池,包括隔膜、正极极片、负极极片、正极和负极电极、电液和长方体外壳;第一长条状隔膜上以均匀间隔粘置条状正极极片且极片两侧隔膜上设有均匀折缝,第二长条状隔膜上以均匀间隔粘置条状负极极片且极片两侧隔膜上设有均匀折缝,条状正极极片与条状负极极片的宽度相同且均略小于间隔,将粘置条状负极极片第二长条状隔膜覆盖在第一长条状隔膜的极片间隔上,连续在折缝处V型折叠,即对等面积的正负极片依次地连续V型折叠,直到达到电池的厚度。在长方体外壳填充电芯,并引出正负极并充电液后构成电池。

标签:
加工技术
江苏 - 南京 来源:中冶有色网 2023-03-18
应用太阳能与溴化锂热泵的油田余热回收系统

本实用新型公开了一种应用太阳能与溴化锂热泵的油田余热回收系统,包括太阳能集热器阵列、蓄热水箱、地下储热系统、换热补水箱、循环水箱、辅助热源、发生器、冷凝器、蒸发器、吸收器、溶液换热器、节流阀、溢流管等。本实用新型利用热泵技术提取采油产出水余热,降低品味热能转化为高品位热能,高温热源由可再生能源太阳能系统提供,制取的高温热水用于原油外输加热、清水加热、生活用水及采暖等。解决了现有技术原有外输管路加热消耗电或天然气等不可再生能源、制取热水温度低、油井掺水加热系统耗能量大的技术问题。

标签:
加工技术
江苏 - 南京 来源:中冶有色网 2023-03-18
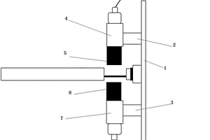
锂电池负极盖帽下压式焊接装置

本实用新型提供了一种锂电池负极盖帽下压式焊接装置,涉及电池制造设备技术领域。具体地,本实施例的该焊接装置可以包括转动机构、角度调节机构和激光焊接机。角度调节机构通过向下推动转动机构的抵接部来带动转动机构与焊接件转动到预设角度后进行焊接,并且激光焊接机位于焊接件的侧边,避免焊接形成的焊屑掉落在激光焊接机的焊接玻璃上。由于拉动部位于靠近转盘中心位置,因此该角度调节机构则设置在更靠近转盘位置处,从而使得安放位置处的空间被预留出来,可以放置其它的机器,使整个机械的占用空间更小。

标签:
加工技术
江苏 - 南京 来源:中冶有色网 2023-03-18
适用于磷酸铁锂储能电池舱的消防灭火系统

本实用新型公开了一种适用于磷酸铁锂储能电池舱的消防灭火系统,属于公共消防技术领域。系统包括位于储能电池舱内部的舱内灭火系统,及位于储能电池舱外部的冷却水系统,舱内灭火系统包括闭式细水雾灭火系统和消防排水系统,其中闭式细水雾灭火系统包括灭火介质存储容器和动力源,设置在电池模组内部的闭式细水雾喷头,以及设置在电池模组周边的防火隔板,闭式细水雾喷头通过细水雾管道与灭火介质存储容器和动力源连接,有效解决储能电池舱的消防问题。

标签:
加工技术
江苏 - 南京 来源:中冶有色网 2023-03-18
新型汽车锂电池隔膜
新型汽车锂电池隔膜 858     
 0

本实用新型公开了一种新型汽车锂电池隔膜,包括隔膜本体,所述隔膜本体的两端均设置有粘接固定座,所述粘接固定座的一侧开设有两个固定槽,所述固定槽的内部填充有粘接垫,本实用新型设置了亲液膜、陶瓷膜、多孔膜、粘接固定座、固定槽和粘接垫,粘接隔膜时,首先将陶瓷膜粘接于多孔膜的两侧,陶瓷膜具有较好的绝缘性,能更好的增加隔膜的隔离性能,然后将亲液膜粘接于陶瓷膜远离多孔膜的一侧,以此提高隔膜的亲液和能力,便于更好的实现隔膜挂液,并完成多膜多层固定,膜层完成粘接后,将多孔膜两侧的陶瓷膜分别对准粘接固定座一侧的两个固定槽,并通过粘接剂将膜层端面粘接于粘接固定座上。

标签:
加工技术
江苏 - 南京 来源:中冶有色网 2023-03-18
基于梯次利用的通讯锂电池

本实用新型公开了一种基于梯次利用的通讯锂电池,包括电池箱,电池箱内卡接多个电池模组,电池模组包括固定板,固定板为L型结构,固定板的端面侧壁上连接导轨,导轨上套接多个夹板,导轨的另一端连接锁定环,夹板一端安装定位板,相邻夹板间卡接电池芯,固定板底板端面连接端盖板,端盖板和固定板侧壁间安装侧盖板,侧盖板内壁安装调节压块。夹板通过导轨滑动,调节夹板间距,并通过锁定环进行锁定,将不同厚度的电池芯夹在相邻夹板间,电池芯靠近极柱的端面通过定位板对齐,便于接线,调整调节压块的长度,使得侧盖板安装后调节压块压在电池芯外壁上,将不同大小的电池芯进行固定,组成大小相同的电池模组,便于安装在电池箱内。

标签:
加工技术
江苏 - 南京 来源:中冶有色网 2023-03-18
用于动力锂离子电池化成或分容的数显二维码托盘

本实用新型公开了一种用于动力锂离子电池化成或分容的数显二维码托盘,包括:托盘主体和二维码在线管理系统;托盘主体顶部设有支撑面,托盘主体侧壁设有显示屏和状态灯;二维码在线管理系统与显示屏和状态灯连接。本实用新型数显二维码清晰、难以损坏,表面脏污容易清洁;配合二维码在线管理系统可以实现二维码使用的唯一性,避免因二维码异常导致的生产停滞和电池信息紊乱的现象。

标签:
加工技术
江苏 - 南京 来源:中冶有色网 2023-03-18
用于动力锂离子电池涂布干燥对流烘箱的喷嘴

本实用新型公开了一种用于动力锂离子电池涂布干燥对流烘箱的喷嘴,包括一下端开口的壳体,在壳体的上端为一进风板,在壳体的内部还连接有一内胆,在内胆的上端形成有一容腔,该容腔正对所述的进风板,在内胆外的两侧和壳体的内壁之间形成有出风的狭缝,狭缝的下端为出风口。本实用新型在壳体内设置内胆,并在内胆的上方形成气体进入后缓冲和再分配的容腔,使得从布风板进入的烘干气体能以稳定的流速和流量从内胆的狭缝喷出,不仅消弱了气体的流速,而且也改变了气体的流向,减少了气体的冲击。成狭缝的出风口可以成线状作用在工件上,使得烘干更均匀,质量提高。同时出风口的宽度可调,从而可以调整出风口的流速和流量,满足不同工件的烘干需求。

标签:
加工技术
江苏 - 南京 来源:中冶有色网 2023-03-18
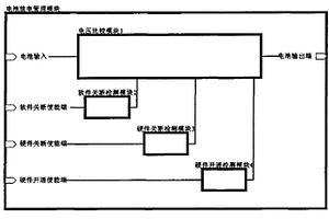
锂电池供电控制保护电路

锂电池供电控制保护电路及控制保护方法是一种通过对电池电压的检测,控制电池的供电,防止过放电,并且可以通过软件彻底关断电池的电路和方法。该电路由电压比较模块(1)、软件关断检测模块(2)、硬件关断检测模块(3)、硬件开通检测模块(4)组成;其中,电压比较模块使用型号为HT7027的电压检测芯片(U1),电压检测芯片的1端与硬件关断检测模块(3)中的关断按键(S2)的一端相接,开通按钮(S1)与硬件开通检测模块中的开关晶体管(Q1)的发射极相接,开关晶体管(Q1)的发射极为电池输入端,集电极为电池输出端;软件关断检测模块中的关断晶体管(Q3)的输入端接单片机的控制脚,输出端接电压检测芯片的输出脚。

标签:
加工技术
江苏 - 南京 来源:中冶有色网 2023-03-18
锂电池质量自动化智能检测系统

本发明公开了一种锂电池质量自动化智能检测系统,包括侧盘以及侧盘中心处通过两个转轴固定的支板,所述支板与侧盘固定处转动连接有两个第一转盘,所述支板竖直方向上开设有竖槽,所述竖槽内滑动连接有两个滑齿条,两个所述滑齿条互相远离的一端均通过竖杆固设有竖直轴,所述内槽内壁上开设有凹槽,所述凹槽内固设有内轴,所述第二转盘与传送带绕接。本发明中,采用了弯曲性传送带压弯检测结构,实现了电池包鼓包时受到快速的检测,采用了双齿条传动机构,实现了第一驱动副转动时推动两个第二转盘互相远离,以便于对于第二转盘进行调整使用,采用了弹性绷紧传动机构,实现了对于不同的产品进行同样有效的检测使用。

标签:
加工技术
江苏 - 南京 来源:中冶有色网 2023-03-18
锂电池快速充电器
锂电池快速充电器 796     
 0

本发明公开了一种锂电池快速充电器,涉及充电器技术领域,包括充电器本体、充电线和防护组件,所充电器本体的外部固定安装有防护组件,所述充电器本体的侧面设置有充电线,所述充电线的一端固定连接有插头,所述充电器本体的右侧设置有收线组件,所述充电器本体的左侧固定安装有安装座,所述安装座的内部固定安装有照明灯。本发明通过防滑凸纹的设计提高与其他物品接触的摩擦力,相比较光滑的表面,更加具有防滑性,其防水外壳的外部四个边角均设有防撞边角,防撞边角为弧形的设计,相比较直角的设计更加耐撞,有效地保护充电器本体,通过收线组件实现充电线的收纳,其结构简单,操作便捷,防止在不使用的时候充电线散乱在外,影响美观性。

标签:
加工技术
江苏 - 南京 来源:中冶有色网 2023-03-18
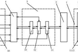
新能源锂电池储能并网控制系统

本发明公开了一种新能源锂电池储能并网控制系统,包括系统层、数据转换器、控制层、底层控制总线和功率层。其中功率层属于硬件范畴,控制层属于软件范畴,功率层与控制层通过底层控制总线进行通信,控制层的控制器与系统层控制器采用数据转换器进行数据传输,控制层的控制器与系统层控制器采用数据转换器进行数据传输,功率层将信号通过底层控制总线传输给控制层,控制层发出的控制信号通过底层控制总线传输给功率层。本发明能够实现充电和放电双重功能,采用分层控制策略实现了控制任务的优化分配,充分发挥了数字控制和数字通信的优势,即增加了系统的灵活性,又减少了各层之间的相互依赖。

标签:
加工技术
江苏 - 南京 来源:中冶有色网 2023-03-18
锂电池包装托盘清洁机构

本实用新型公开了一种锂电池包装托盘清洁机构,包括舱体、输送机构、清洁组件及异物回收组件,所述舱体具有一进口端及一出口端,所述输送机构、清洁组件及异物回收组件均设置于舱体内;所述输送机构包括两个滚筒输送机,该两个滚筒输送机水平间隔设置,且其中一个滚筒输送机靠近舱体的进口端,另一个滚筒输送机靠近舱体的出口端,清洁机构舱体的进口端及出口端分别配备除静电风刀组件,可起到中和静电作用,对静电吸附的异物进行有效去除,尤其是在出口端也配备除静电风刀组件,可去除在清洁过程中可能产生的静电吸附,多个风刀间隔交替设置,吹扫灰尘时不会产生扰流,清洁效果更佳。

标签:
加工技术
江苏 - 南京 来源:中冶有色网 2023-03-18
方形锂电池极耳贴胶缺陷检测装置

本实用新型提出了一种方形锂电池极耳贴胶缺陷检测装置,包括检测支架、上检测机构和下检测机构;上检测机构包括上检测组件和上驱动装置,下检测机构包括下检测组件和下驱动装置,上驱动装置、下驱动装置上下布置并且上驱动装置、下驱动装置均安装在检测支架上,上检测组件、下检测组件上下相对布置,上检测组件、下检测组件分别与上驱动装置、下驱动装置连接并分别由上驱动装置、下驱动装置驱动上下移动。本实用新型能够使检测的精度增加,更有效的识别极耳贴胶的缺陷产品,使用自动化的检测设备,节约了人工成本,显著的提高了生产效率,也大大减低了极耳贴胶缺陷产品流入后续工序造成的产品不良等问题。

标签:
加工技术
江苏 - 南京 来源:中冶有色网 2023-03-18
电池壳体及使用该壳体的锂离子电池

本实用新型涉及一种电池壳体及使用该壳体的锂离子电池;该电池壳体包括上端开口的壳本体和密封安装于所述壳本体上端的顶盖,所述壳本体内表面设有第一绝缘层,所述顶盖下表面设有第二绝缘层。相比于现有技术,本实用新型通过在壳本体内表面设置第一绝缘层,这样能够代替现有包裹于裸电芯的绝缘片;而通过在顶盖下表面设置第二绝缘层,则能够代替现有设于顶盖和裸电芯之间的顶盖支架;因此,本实用新型通过第一绝缘层和第二绝缘层的设置,不仅能够省却现有的绝缘片和顶盖支架,提高电池内部的空间利用率,进而减少电池壳体的厚度和重量,提高电池的能量密度,而且能有效满足裸电芯与顶盖以及裸电芯与壳本体之间的绝缘要求,提高电池的安全性能。

标签:
加工技术
江苏 - 南京 来源:中冶有色网 2023-03-18
溴化锂吸收式制冷机
溴化锂吸收式制冷机 936     
 0

本实用新型公开了一种溴化锂吸收式制冷机,由蒸发器、吸收器、发生器、冷凝器及溶液热交换器组成,吸收器由壳体和波纹板片组组成,波纹板片组设在壳体内,波纹板片组由波纹板相互层叠构成,并且,每两块波纹板层叠形成的板内通道相通,蒸发器由壳体和波纹板片组组成,波纹板片组设在壳体内,波纹板片组由波纹板相互层叠构成,并且,每两块波纹板层叠形成的板内通道相通,本实用新型具有强化传热,结构紧凑,重量轻,成本低,寿命长的优点。

标签:
加工技术
江苏 - 南京 来源:中冶有色网 2023-03-18
纯电动汽车用动力锂电池SOC估计系统

本实用新型提供了一种纯电动汽车用动力锂电池SOC估计系统,数据采集模块通过电压传感器、电流传感器和温度传感器采集得到动力电池的端电压、电流和温度数据,然后将采集的数据传到SOC估计模块,本实用新型使用遗忘因子的递推最小二乘方法实时在线辨识电池模型参数,并将实时模型参数输入到SOC估计器中估计得到SOC值,逻辑判断模块根据整车工况确定最终SOC值输出;控制模块判断SOC估计值情况,对整车发出相应信息指令,同时将估计结果显示到LCD显示器上。

标签:
加工技术
江苏 - 南京 来源:中冶有色网 2023-03-18
可通用锂电池多功能模块

本实用新型涉及一种可通用锂电池多功能模块,包括相互串联或者并联的电池芯组和可容纳电池芯组的壳体,所述壳体由盒盖和盒体组成,盒盖位于盒体上端,盒盖上端分别设有正负极输出端子,盒体与盒盖之间的安装空间内设有用于放置电池芯的框架,框架内均匀排布有若干放置框,各电池芯分别放置在放置框内,且各电池芯相互串联或者并联构成电池芯组,电池芯组的正负极分别与盒盖上正负极输出端子联接。优点:本实用新型具有结构简单、制造方便,可以任意更换电池模块中的每节电池芯,满足电池芯不同结构不同形状的匹配要求,且框架内设有冷却水道,从而对电池芯进行有效的均衡的散热。

标签:
加工技术
江苏 - 南京 来源:中冶有色网 2023-03-18
锂电池胶枪
锂电池胶枪 1121     
 0

本实用新型公开了一种锂电池胶枪,具体涉及胶枪技术领域,包括枪箱,所述枪箱内部设置有打胶机构;所述打胶机构包括电动气缸,所述电动气缸推动端设置有推动杆,所述推动杆一端连接有推动活塞,所述枪箱一侧设置有连接套管,所述连接套管外部套设有导热管,所述导热管外部套设有加热套环块,所述加热套环块一侧靠近四个拐角处均设置有加热槽。本实用新型通过设置打胶机构,密封盖板带动螺纹框在螺纹的作用下与加热套环块进行螺纹连接,起到密封的作用,避免热量散失,加热效率更快,通过温度控制器调节温度限位范围,温度传感器实现温度传感,更加方便使用,操作简单,更加省时省力,打胶效率更高,实用性更好。

标签:
加工技术
江苏 - 南京 来源:中冶有色网 2023-03-18
锂离子电池在线涂布缺陷检测系统

本实用新型公开了一种锂离子电池在线涂布缺陷检测系统,放料装置和收料装置相对设置且二者之间形成检测通道,上色标感应器和下色标感应器分别位于所述检测通道上方和下方,传感贴标设备的上贴标单元和下贴标单元分别用于根据上色标感应器和下色标感应器的检测结果贴标;该系统可有效标记在涂布工序中出现的缺陷问题并在辊压操作时便于识别,由于涂布过程中,利用色标感应装备检测极片上颜色的差异并进行贴标标记,可有效的降低人工识别带来的风险,减少不合格品流入下一道工序,提高设备的利用率。

标签:
加工技术
江苏 - 南京 来源:中冶有色网 2023-03-18
方形锂离子电池模块的测厚装置

本实用新型公开了一种方形锂离子电池模块的测厚装置,包括用以放置电池模块的支撑组件、装在支撑组件上部的夹紧机构以及装在夹紧机构上的测厚机构;所述支撑组件包括支撑板,所述夹紧机构包括装在支撑板上表面中部的夹紧气缸、以及在夹紧气缸带动下相对运动的两夹板;所述测厚机构包括分别装在两夹板上的测厚探头与探针组件。本实用新型通过设置的支撑组件、夹紧机构以及测厚机构相互配合使用,实现了焊接并打包好的电池模块的精准装入、稳定夹紧以及快速测厚,整个测厚装置结构简单紧凑、布局合理,操作简便、可重复利用,降低了电池模块测厚所需成本。

标签:
加工技术
江苏 - 南京 来源:中冶有色网 2023-03-18
锂离子动力电池的成卷极片除尘装置

本实用新型公开了一种锂离子动力电池的成卷极片除尘装置,包括底座,所述底座顶部焊接有主体,且底座顶部还滑动连接有集尘盒,所述主体一侧焊接有固定板,所述主体一侧面圆辊,且固定板一侧面滑动连接有限位块,所述限位块有两个,且两个限位块的对立面均焊接有凹槽,所述限位块一侧面均滑动连接有毛刷板,且毛刷板一侧面均焊接有凸块,所述凸块滑动连接于凹槽内部,且固定板内部滑动连接有滑杆,所述滑杆有两个,且两个滑杆的顶端分别焊接于两个限位块内侧,所述固定板内部设有移动两个滑杆的移动机构。本实用新型提高了成卷极片除尘的工作效率。

标签:
加工技术
江苏 - 南京 来源:中冶有色网 2023-03-18
锂离子电池的金属外壳
锂离子电池的金属外壳 1071     
 0

本实用新型提供一种锂离子电池的金属外壳,所述金属外壳包括一壳体、一盖体、一第一绝缘层以及一第二绝缘层,所述壳体呈一侧开口的盒状,所述盖体设于所述开口处以封闭所述开口,所述第一绝缘层设于所述壳体的内表面,所述第二绝缘层设于所述壳体的外表面。一方面省去了在壳体外表面包覆胶膜的步骤,降低了成本,避免了壳体外表面与外部环境的导电材料接触,造成漏电或短路,另一方面避免了电池壳内部的电芯和壳体直接接触而造成短路,改善了电池的循环性能和安全性能。

标签:
加工技术
江苏 - 南京 来源:中冶有色网 2023-03-18
环保磷酸铁锂电池直流一体化电源

本实用新型涉及一种环保磷酸铁锂电池直流一体化电源,属于变电、配电技术领域。该电源含有:交流配电模块、电池组、为电池组充电的充电模块、与电池组和充电模块连接的监控模块,以及无线通讯模块和输出模块;交流配电模块的输入端连接交流电源,其输出端连接充电模块;监控模块包括电压监测单元、电流监测单元、绝缘监测单元和温度监测单元;无线通讯模块与监控模块连接;输出模块的输入端连接电池组,将电池组电能通过第一输出端输出。本实用新型提供的一体化电源的监控模块具有过放、过充、过流、温度等保护功能,还可以对整个系统的交流、直流、绝缘及蓄电池的信号进行统一管理,并将信号以无线形式发送至监控中心,实现电池智能化管理。

标签:
加工技术
江苏 - 南京 来源:中冶有色网 2023-03-18
电动汽车用锂电池电源管理系统

本实用新型属于电子技术领域,是一种电动汽车用锂电池电源管理系统,包括一个主控单元和N个子控单元,各单元之间均通过CAN总线连接,各单元都通过供电总线连接供电系统;主控制单元包括CPU处理器、电流传感器、断路器、CAN总线通讯单元及光电隔离器,电流传感器和断路器都与CPU处理器连接,CPU处理器依次通过CAN总线通讯单元和光电隔离器连接至CAN总线;子控单元包括电压测量单元、功率旁路电路、大功率继电器或手动跳线装置、CAN总线通讯单元及光电隔离器;电压测量单元、功率旁路电路以及大功率继电器或手动跳线装置都与CPU处理器通信连接,CPU处理器依次通过CAN总线通讯单元和光电隔离器连接至CAN总线。本实用新型结构简单,可靠性强,增大了电动汽车续驶里程,提高了电池的充电效率,延长了电池寿命,降低了电池故障率。

标签:
加工技术
江苏 - 南京 来源:中冶有色网 2023-03-18
方形锂电池电芯在线贴胶机

本实用新型是通过如下的技术方案来实现:一种方形锂电池电芯在线贴胶机,包括贴胶机构,所述贴胶机构设置在生产线上;所述贴胶机构包括机架、转运生产线上产品的产品提升组件、进行胶带输送的胶带上料组件、以及转运胶带并贴合至产品的移栽贴胶组件;所述产品提升组件、胶带上料组件和移栽贴胶组件均设置在机架上。本实用新型优点在于,本设备架设于生产线上方,体积紧凑,不额外占用生产场地;实现电芯从极耳上端至底部进行C形贴胶,相比传统滚轮贴胶方式具有结构简单,效率高,节约胶带用量优点;并且调整方便快捷,适用于多种规格的电芯贴胶,适用范围更广,避免电芯在生产搬运环节引起极片错位现象。

标签:
加工技术
江苏 - 南京 来源:中冶有色网 2023-03-18
锂电池自动化产线托盘快速换向装置

本发明公开了一种锂电池自动化产线托盘快速换向装置,用于安装在双列式输送带上,它包括顶升机构及辊筒输送机,所述顶升机构安装在一框架上,该框架的两端与双列式输送带的机架相滑动配合,所述框架与双列式输送带之间安装有一直线驱动机构,该直线驱动机构作用在所述框架上,驱动其沿双列式输送带的输送方向作位移;本发明设置的辊筒输送机可在直线驱动机构的驱动下沿双列式输送带的输送方向作位移,其换向位置便于调整,使用上更加灵活方便;辊筒输送机与双列式输送带的输送方向相互垂直设置,可让托盘快速实现度换向,迅速移送到不同方向的物流线或支线上。

标签:
加工技术
江苏 - 南京 来源:中冶有色网 2023-03-18
插头可隐藏的锂电池充电器

本实用新型公开了一种插头可隐藏的锂电池充电器,涉及充电器技术领域,包括保护壳,所述保护壳的内部设置有插头,且插头的一侧连接有充电器,所述保护壳的一侧设置有开口,所述插头顶部的两侧皆固定有固定块,且固定块的顶部固定有多组齿条,所述保护壳的两侧皆设置有通槽。本实用新型通过按压连接杆向左移动,使连接杆带动插头向左运动,通过齿条和齿轮的相互啮合,右边第一个齿轮顺时针转动,使右边第二个齿轮逆时针转动,从而使第三热齿轮顺时针转动,第四个齿轮逆时针转动,第五个齿轮顺时针转动,使盖板向右转动一定的角度呈打开状态,插头伸出进行充电操作,连接杆带动插头向右运动,从而使盖板关闭,进行插头的保护。

标签:
加工技术
江苏 - 南京 来源:中冶有色网 2023-03-18
上一页 515 516 517 518 519 ... 964 下一页
共964页    到第

中冶有色为您提供最新的江苏南京有色金属理论与应用信息,涵盖发明专利、权利要求、说明书、技术领域、背景技术、实用新型内容及具体实施方式等有色技术内容。打造最具专业性的有色金属技术理论与应用平台!

全国热门有色金属设备推荐
展开更多 +
全国热门有色金属技术推荐
展开更多 +

 

江西省隆恩特环保设备有限公司
宣传

报名参会
更多+

报告下载

有色专家
更多+

湖南有色金属研究院
教授级高工/原总工程师
赣州江钨钨合金有限公司
副总经理
任灵宝金源矿业股份有限公司
技术发展部经理
北京科技大学
副院长/教授
矿冶科技集团
中国工程院院士
赤泥综合利用研究报告2025
推广

热门技术
更多+

推荐企业
更多+

福建省金龙稀土股份有限公司
宣传

发布

在线客服

公众号

电话

顶部
咨询电话:
010-88793500-807