青岛垚鑫智能科技有限公司
宣传

位置:中冶有色 >

有色技术频道 >

分类:
全部
矿山技术
冶金技术
材料制备及加工技术
环境保护技术
分析检测技术
地区:
全部
北京
天津
上海
重庆
河北
山西
辽宁
吉林
黑龙江
江苏
浙江
安徽
福建
江西
山东
河南
湖北
湖南
广东
海南
四川
贵州
云南
陕西
甘肃
青海
内蒙
广西
西藏
宁夏
新疆
其他
其他
展开
 
全部
南京
无锡
徐州
常州
苏州
南通
连云港
淮安
盐城
扬州
镇江
泰州
宿迁

江苏有色金属理论与应用

免费发布技术信息>>
电池铝塑膜气密性的检测方法和检测装置

本发明提供了一种电池铝塑膜气密性的检测方法和检测装置,所述的检测方法包括:封装电池时,向电池中加入电解液和水,并完成封装,封装后的电池放至水箱中加热,记录电池膨胀体积,检测电池铝塑膜的气密性。本发明通过将电池放入水箱内进行加热,利用水浴法,能够测试铝塑膜自身结构与PP层之间的密封效果、铝塑膜本身的气密性以及铝塑膜与封装极耳之间的气密性。相比于传统的充气压爆试验,检测范围更广,能够有效避免充气设备气嘴与铝塑膜因接触造成局部撕裂的问题;此外,通过调节电解液加入量、水的质量以及加热温度,模拟电化学腐蚀,可以缩短检测铝塑膜气密性的时间,具有方法简单、检测快捷和可靠性高等特点。

标签:
化学分析
江苏 - 苏州 来源:中冶有色网 2023-03-19
多功能谱学微型电化学流动池

一种多功能谱学微型电化学流动池,包括一个流动池腔体(1)、腔体上设置一对透射窗口,腔体内设置工作电极(7)、对电极和参考电极(5、6),所述腔体上透射窗口是活动的,即在窗口的外缘设有螺纹,流动池腔体上与亦设有与窗口外缘螺纹匹配的内螺纹。本实用新型提供了一种适用于常规电化学研究,既能用于池体积和光程固定,又适用于流动注射分析研究和现场紫外、可见光谱电化学研究的多功能谱学微型电化学流动池。

标签:
化学分析
江苏 - 南京 来源:中冶有色网 2023-03-19
纳米酶在催化增强电化学发光信号及单细胞表面膜蛋白成像中的应用

本发明提供了纳米酶在催化增强电化学发光信号及单细胞表面膜蛋白成像中的应用,所述的纳米酶为Co3O4纳米酶,所述的电化学发光体系为鲁米诺类似物L012‑H2O2,所述的膜蛋白为癌胚抗原CEA。本发明首次获得Co3O4催化增强ECL可视化,通过在鲁米诺类似物L012‑H2O2体系中施加电压,过氧化氢在纳米酶催化作用下分解产生活性氧自由基,增强L012产生发光信号,从而在纳米酶上产生局部增强的可视化ECL信号,并用于单细胞表面膜蛋白高灵敏成像分析。将CEA抗体通过共价结合修饰在Co3O4上制备功能化探针。利用免疫结合,细胞会特异性捕获探针。过氧化氢在Co3O4催化下生成活性氧自由基。

标签:
化学分析
江苏 - 南京 来源:中冶有色网 2023-03-19
化学试剂废水处理装置

本实用新型公开了一种化学试剂废水处理装置,包括进水箱,所述进水箱的顶部连通有进液管,所述进水箱的内部固定连接有筛网,进水箱的右侧连通有第一连接管,第一连接管的右端连通有反应箱,反应箱的顶部连通有进料盒,反应箱的右侧连通有第二连接管,第二连接管的右端连通有电极箱。本实用新型通过设置筛网、反应箱、进料盒、电极箱、蓄电池、处理器、电极块、吸附箱、活性炭滤网、聚四氟乙烯滤网、第一水泵、杀菌箱、紫外线灭菌灯、水质检测仪、第二水泵和电磁阀的配合使用,使化学试剂废水处理装置便于使用,化学试剂废水处理装置结构简单,废水的净化效果好,化学试剂废水处理成本较低,有利于人们的使用。

标签:
化学分析
江苏 - 盐城 来源:中冶有色网 2023-03-19
多孔纳米纤维的制备方法、电极和电化学传感器

本申请公开了一种多孔纳米纤维的制备方法、电极和电化学传感器,多孔纳米纤维的制备方法包括:(1)、向聚乙烯吡咯烷酮加入去离子水,得到均匀、透明的聚乙烯吡咯烷酮水溶液;(2)、将La(NO3)3·6H2O和Co(CH3COO)2·4H2O均匀混合并溶于去离子水中得到无机盐水溶液;(3)、将聚乙烯吡咯烷酮水溶液和无机盐水溶液混合,在室温下磁力搅拌15~20小时,得到有一定粘度的溶胶状纺丝液;(4)、将纺丝液静电纺丝;(5)、在70~90℃恒温干燥8~10小时;(6)、以1.5~2℃/min升温至500℃,恒温1.5~2小时,再以0.5℃/min升温速率将热处理温度升至600℃,煅烧3~5小时,得到LaCoO3多孔空心纳米纤维。本发明传感器用于L‑色氨酸电化学检测,具有较高的灵敏度和很低的检出限,该传感器还具有良好的长期稳定性。

标签:
化学分析
江苏 - 苏州 来源:中冶有色网 2023-03-19
气体四极电化学调理电路

本发明公开了一种气体四极电化学调理电路,包括:集成调理芯片、模拟开关切换芯片、四极电化学传感器;所述集成调理芯片分别与模拟开关切换芯片与四极电化学传感器连接;所述集成调理芯片中的WE脚与模拟开关切换芯片的D脚连接;所述集成调理芯片的CE脚、RE脚分别与四极电化学传感器中的C脚和S脚连接,所述模拟开关切换中的S2脚、S1脚分别与四极电化学传感器的S脚和A脚连接。集成调理芯片LMP91000,可以较好的保证不同电路板的信号一致性;减少工作量;同时外围电路较为简单,电阻与电容的选择要求低,综合成本较低,响应更快,提高检测精度。

标签:
化学分析
江苏 - 南通 来源:中冶有色网 2023-03-19
内加热式玻璃化学反应器

本实用新型涉及一种玻璃化学反应器,特别是一种内加热式玻璃化学反应器。本实用新型是在现有的玻璃容器内设置一个带电热丝的U形加热管。本实用新型通过内加热方式使反应物温升快,而且使整个装置具有操作安全可靠的特点。本实用新型适用于各类化学实验和化学分析。

标签:
化学分析
江苏 - 南京 来源:中冶有色网 2023-03-19
快速检测土壤中乙草胺残留的方法及检测装置

一种快速检测土壤中乙草胺残留的方法,包括以下步骤:a、制作乙草胺浓度与电流的线性关系图。将工作电极、参比电极和辅助电极分别放入电解池中;电解池下方设置卤素灯光光源;在偏置电位为0V的条件下,卤素灯光光源自电解池下方向上对乙草胺电解液进行照射,分别测量得到不同已知浓度的乙草胺溶液的光电流信号值;制作乙草胺浓度与抑制光电流的线性关系图。b、测量待测的乙草胺溶液的光电流信号值,计算出测试样品中乙草胺浓度。一种快速检测土壤中乙草胺残留的装置,包括电化学工作站、光源、电解池、工作电极、参比电极和辅助电极。本发明检测成本低、自动化程度高、操作简便和取样量小,耗时短。

标签:
化学分析
江苏 - 扬州 来源:中冶有色网 2023-03-19
电化学微流池富集装置

本实用新型公开了一种电化学微流池富集装置,电化学微流池的透明有机玻璃池体中设置与电化学工作站连接的工作电极、参比电极及对电极,且工作电极设置在池体的左侧,参比电极及对电极设置在池体的右侧,池体中设置相通的上、下管,其中上管的进液端与蠕动泵连接,下管的出液端与第三三通阀的上端连接,第三三通阀的下端与废液瓶相通,第三三通阀的另一端接检测器;所述蠕动泵与第二三通阀的一端连接,第二三通阀的另二端分别与铋溶液瓶、第一三通阀的一端相通,第一三通阀的另二端分别与预富集溶液瓶、溶出液瓶相通。本实用新型结构合理,可对超痕量金属元素进行预富集,富集后经反向电压和酸液洗脱,洗脱液由电热原子吸收光谱仪进行测定,工作效果好。

标签:
化学分析
江苏 - 南通 来源:中冶有色网 2023-03-19
D‑二聚体检测试剂盒及其使用方法

本发明属于体外诊断试剂盒领域,具体涉及一种D‑二聚体检测试剂盒及其使用方法,所述D‑二聚体检测试剂盒包括:校准品、试剂R1、酶结合物工作液R2、磁珠结合物工作液M、清洗液及化学发光底物,所述试剂R1含有咪唑成分,其可以快速消除全血中的血细胞,有效避免血细胞吞进磁珠的可能。本发明的试剂盒可直接使用手指末梢全血或抗凝静脉全血作为待检样品,无需预先对全血样本进行预处理,就可直接进行检测,大大提高了检测速度,简化了操作步骤,扩大了试剂盒的适用范围,便于大范围推广应用。

标签:
化学分析
江苏 - 南通 来源:中冶有色网 2023-03-19
利用超高效液相色谱-质谱联用技术和化学模糊识别研究中药复杂成分配伍相互作用的方法

本发明公开了一种超高效液相色谱-质谱联用(UPLC-PDA-MS)技术和“化学模糊识别”对中药复杂成分配伍相互作用进行研究的方法。本发明通过大量实验对色谱条件与质谱条件、TQ-MS和PDA检测条件等进行了系统优化,确定了最佳的检测方法,方法学检测结果表明该方法具有灵敏度高,精密度和准确度高,重复性好,稳定可靠的优点法,该方法可以克服中药复杂成分鉴定中鉴定步骤复杂、对照品稀缺、难以全面而准确鉴定结构等缺点,同时又能满足中药复杂成分配伍相互作用变化规律研究的要求。

标签:
化学分析
江苏 - 南京 来源:中冶有色网 2023-03-19
甲状腺球蛋白的定量检测试剂盒及其制备方法和检测方法

本发明涉及一种甲状腺球蛋白的定量检测试剂盒及其制备方法和检测方法,其试剂盒包括第一试剂、第二试剂、磁分离试剂、化学发光底物、校准品及质控品;所述第一试剂为N‑羟基琥珀酰亚胺生物素酯标记的混合抗体溶液,所述混合抗体溶液包括抗甲状腺球蛋白单克隆抗体和抗甲状腺球蛋白多克隆抗体;所述第二试剂为碱性磷酸酶标记的抗甲状腺球蛋白单克隆抗体溶液。本发明的甲状腺球蛋白的定量检测试剂盒,其抗体试剂采用N‑羟基琥珀酰亚胺生物素酯标记的混合抗体溶液,混合抗体溶液包括抗甲状腺球蛋白单克隆抗体和抗甲状腺球蛋白多克隆抗体,多抗体之间的互补性大大提高临床灵敏度以及线性范围,该试剂盒灵敏度高、特异性强。

标签:
化学分析
江苏 - 苏州 来源:中冶有色网 2023-03-19
多指标检测心肌梗塞的快速免疫荧光定量检测试剂盒

本发明公开了一种多指标检测心肌梗塞的快速免疫荧光定量检测试剂盒,所述多指标检测心肌梗塞的快速免疫荧光定量检测试剂盒包括硝酸纤维素膜,在硝酸纤维素膜的一端设置有样品垫,在硝酸纤维素膜的另一端设置有吸水垫,所述硝酸纤维素膜的位于吸水垫和样品垫之间的区域内分别包被有抗肌钙蛋白I,肌红蛋白,CK-MB的抗体和内部质控抗体。本发明利用不同直径荧光颗粒的荧光特性,结合化学交联标记技术和免疫层析技术,在优化试纸条各组成部件的基础上,实现的免疫荧光定量检测。与常规胶体金免疫层析方法相比,本发明具有标记稳定性好、非特异性低、灵敏度高、交叉干扰小以及定量准确的优势。

标签:
化学分析
江苏 - 苏州 来源:中冶有色网 2023-03-19
西地那非分子印记膜电化学传感器的制备方法

本申请公开了一种西地那非分子印记膜电化学传感器的制备方法,该方法依次经过电极预处理、分子层层自组装修饰电极、分子印记层自组装、电聚合反应以及模板分子洗脱等步骤制备得到西地那非分子印记膜电化学传感器(MIES)。本发明制备的分子印记电化学传感器具有选择性高、响应快速、灵敏度高、稳定性和耐受性良好等特点,可实现复杂基质中西地那非的高效、灵敏和实时检测。它不仅能维护广大消费者的合法权益,而且能更好地保障他们的身体健康安全,从而使广大消费者在对补肾壮阳类中药保健品、食品的选购方面具有更加清晰的认识,这对完善我国药事管理与法规,规范药品生产企业的行为,净化中药保健品市场具有极为重要的推动作用。

标签:
化学分析
江苏 - 南京 来源:中冶有色网 2023-03-19
基于氧化锌纳米棒阵列的有机光电化学晶体管传感器的构建方法及其用途

本发明于传感器构建及食品检测领域,公开了一种基于氧化锌纳米棒阵列的有机光电化学晶体管传感器的构建方法,并将其用于检测T‑2毒素的用途。本发明以制备的ZnO NRs作为光电活性材料,创建超灵敏的OPECT传感平台。利用沟道电流对栅极电流放大的性质,大大提高了检测的灵敏度。ZnO NRs受到光的激发,产生高效的电子转移,T‑2适配体由于具有较大的阻抗,使得其OPECT响应强度降低,加入T‑2与适配体结合之后引起阻抗的进一步增加,使OPECT响应强度进一步降低。建立OPECT响应值与T‑2浓度之间的关系,以达到对牛奶样品中的T‑2含量快速、灵敏、有选择性的检测的目的。

标签:
化学分析
江苏 - 镇江 来源:中冶有色网 2023-03-19
石英砂高温化学浸取反应器

一种石英砂高温化学浸取反应器,它设有一个反应筒体,在筒体的内壁设有聚四氟乙烯内衬,筒体的一端与一个短管相接,筒体与短管之间设有滤网,短管外装有封盖,筒体的另一端装有个小封头,小封头外设有大压盖,小封头的中部设有一个进气孔,小封头外设有与进气孔相接的气嘴,气嘴外设有与大压盖相接的小封盖。将石英砂与强酸装入反应筒,密封后送入加热器进行加热,该装置可在不同高温和一定的压力下,使石英砂与不同强酸反应,反应完后,反应液可以通过压滤方法滤出。通过对反应液和石英砂的分析,了解去除石英砂中元素杂质的最佳物理—化学条件,同时可获取反应液的消耗量和溶液的化学组成,为废液再利用和达标排放提供设计数据。

标签:
化学分析
江苏 - 连云港 来源:中冶有色网 2023-03-19
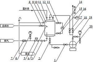
化学品混合用恒温供给装置

本实用新型涉及化工设备技术领域,具体涉及一种化学品混合用恒温供给装置。包括储水罐、自来水输送管道、蒸汽输送管道、输送泵、液位计、温度检测计、压力检测计一、压力检测计二及控制系统,所述自来水输送管道经球阀一后连接储水罐上方一侧的自来水进口,所述储水罐内自来水进口位置设有浮球开关,所述蒸汽输送管道经减压阀、压力检测计一、自动开闭阀门及阀门一后连接储水罐底部的蒸汽入口,并部分伸入至储水罐内,所述蒸汽输送管道伸入至储水罐部分的管道上密布网眼。本实用新型通过温度检测计、自动开闭阀门及控制系统的相互配合,实现储水罐内水的自动加热,可保证储水罐内水温在±1℃范围内波动,加热效果好。

标签:
化学分析
江苏 - 苏州 来源:中冶有色网 2023-03-19
用于电化学手性识别的3D-rGO-CS-BSA复合物修饰电极及其制备方法和应用

本发明属于分析化学领域,涉及一种用于电化学手性识别的3D‑rGO‑CS‑BSA复合物修饰电极及其制备方法和应用,制备包括以下步骤:配制三维还原氧化石墨、壳聚糖与牛血清白蛋白(3D‑rGO‑CS‑BSA)复合物溶液;制备3D‑rGO‑CS‑BSA修饰的电极;电化学方法识别1‑Boc‑3‑羟基吡咯烷对映体。本发明的有益效果是:3D‑rGO‑CS‑BSA修饰电极操作简单易行,稳定性高,具有较好的手性识别效果。

标签:
化学分析
江苏 - 常州 来源:中冶有色网 2023-03-19
基于图论和深度强化学习的多微网系统能量路由方法

本发明公开了一种基于图论和深度强化学习的多微网系统能量路由方法,步骤如下:(1)风机、光伏、负荷、储能以及能量路由器功率模型构建;(2)建立单一微网功率平衡方程;(3)建立储能系统的成本损耗模型和使用寿命惩罚函数;(4)能量路由器及网络传输成本损耗模型;(5)利用图论的方法构建多微网系统环境状态空间;(6)建立能量路由器动作空间和来自拓扑结构改变的反馈奖励函数;(7)利用强化学习方法训练路由轨迹;(8)建立多微网间能量传输最小成本函数。本发明在使用图论的方法提取多微网拓扑结构的基础上用深度强化学习算法对电网数据加以分析和利用,综合考虑了储能系统的折损成本以及能量路由器和网络的损耗,有利于提高多微网系统能量管理的经济性。

标签:
化学分析
江苏 - 南京 来源:中冶有色网 2023-03-19
电站在线化学仪表进水气泡抑制方法及装置

本发明属于电站水质分析领域,涉及一种电站在线化学仪表进水气泡抑制方法及装置,所述电站在线化学仪表进水气泡抑制方法包括以下步骤:1)沿水样的进水方向设置疏水中空纤维膜;2)待处理水样沿进水方向流经至疏水中空纤维膜,待处理水样中的气泡部分透过疏水中空纤维膜并从疏水中空纤维膜逸出,待处理水样中的非气泡部分被疏水中空纤维膜阻挡后收集,完成电站在线化学仪表进水气泡的抑制和分离。本发明提供了一种适用性强且可针对高压流体的电站在线化学仪表进水气泡抑制方法及装置。

标签:
化学分析
江苏 - 南京 来源:中冶有色网 2023-03-19
高选择性电化学硫化氢传感器及工作电极制备方法

本发明提出一种高选择性电化学硫化氢传感器,包括中空的壳体,壳体的一端开口,壳体的开口端上设有顶盖,顶盖上设有供受测气体进入的进气孔,壳体内远离开口一端设有储液腔,储液腔内注满电解液,储液腔的顶部设有多孔支撑板,壳体内顶盖与多孔支撑板之间设有工作电极,壳体远离顶盖的一侧设有电极引脚,电极引脚上连接有位于壳体内的导电丝,导电丝与工作电极相接。该传感器对硫化氢气体具有高度单一选择性响应,并且检测准确性高,稳定性好。本发明还提出一种高选择性电化学硫化氢传感器工作电极的制备方法。

标签:
化学分析
江苏 - 南京 来源:中冶有色网 2023-03-19
基于强化学习和双线性卷积网络的车型识别方法

本发明公开了一种基于强化学习和双线性卷积网络的车型识别方法,构建深度网络模型,设置细粒度分类网络的超参数并初始化网络;建立优化显著性特征的马尔科夫决策模型;对数据集进行尺度变换;优化注意力区域:在细粒度分类网络参数固定的情况下,将数据集输入细粒度分类网络,并采用强化学习算法优化显著性区域,选择最优的注意力区域;建立对细粒度分类网络参数进行更新的损失函数;融合特征后重复训练网络直到注意力区域不再变化为止;采用需要测试的车型图像输入到训练完成的模型中,获得相应的检测结果。本发明利用强化学习网络来提取底层的显著性特征,并通过双线性插值法来对高层语义特征和低层的显著性特征进行融合提高识别准确率。

标签:
化学分析
江苏 - 苏州 来源:中冶有色网 2023-03-19
基于强化学习的情绪化图像描述方法及系统

本发明公开了一种基于强化学习的情绪化图像描述方法,涉及图像处理与模式识别技术领域,在大规模语料库基础上构建情绪词嵌入库;构建图像情绪识别模型;使用图像情绪分析数据集训练图像情绪识别模型;构建图像事实性描述模型;使用图像描述数据集训练图像事实性描述模型;构建情绪化图像描述初始化模块,利用情绪词嵌入库、图像情绪识别模型输出的图像情绪类别以及图像事实性描述模型输出的图像事实性描述,生成初始的情绪化图像描述;构建基于强化学习的微调模块,对初始的情绪化图像描述进行微调,生成最终的情绪化图像描述。本发明还公开了一种基于强化学习的情绪化图像描述系统,本发明可使得各类复杂场景的图像描述更加生动,富有情感。

标签:
化学分析
江苏 - 南京 来源:中冶有色网 2023-03-19
电化学发光波长可调碳量子点的制备方法

本发明公开了一种电化学发光波长可调碳量子点的制备方法,包括以下步骤:将2‑氨基对苯二甲酸溶于超纯水得到2‑氨基对苯二甲酸前体溶液;将四羟甲基硫酸磷与前体溶液进行混合;将混合溶液进行水热反应;将水热反应溶液离心过滤;将滤液pH调到中性然后透析;将透析液旋转蒸发;将浓缩液冷冻干燥;将固体分散得到碳量子点溶液。本发明将不同比例反应前体溶液混合可制得电化学发光波长为425nm,535nm,565nm,610nm,620nm,645nm连续可调的碳量子点,具有制备过程简易,可大量制备的优点,制备出的电化学发光波长可调的碳量子点为研制同时检测多种疾病标志物的电化学发光仪器提供了重要的发光体。

标签:
化学分析
江苏 - 南京 来源:中冶有色网 2023-03-19
基于氯化胆碱的化学镀锡溶液及其使用方法

本发明公开了基于氯化胆碱的化学镀锡溶液及其使用方法,属于镀锡技术领域。包括以下含量的组分:氯化胆碱与水的构成比例为:氯化胆碱:水(摩尔比)=1:2-1:8,锡盐5-40g/L,络合剂50-150g/L,酸度调节剂适量。本发明还公开了基于上述化学镀锡液的镀锡工艺:1)将铜待镀工件进行预处理。2)将预处理后的铜工件放入氯化胆碱化学镀锡液中进行镀锡。3)镀锡后进行烘干处理和成品检测。本发明的氯化胆碱水溶液化学镀锡配方成分简单、配制方便、工艺易操作,不需要强腐蚀性酸,并且可持续沉积。

标签:
化学分析
江苏 - 常州 来源:中冶有色网 2023-03-19
化学品集中供液系统用阀门箱

本实用新型公开了一种化学品集中供液系统用阀门箱,其结构包括箱体、第一可视面板、主管道、固定架、主阀、副管、第一传输管、第二传输管、气动阀、手动阀和泄漏传感器,本实用新型公开了一种化学品集中供液系统用阀门箱,本设计提出主管道、主阀、副管、第一传输管、气动阀、手动阀和泄漏传感器设计,解决了若需要提供更多个化学品分配出口时,只能增加阀箱的数量,导致成本增加、安装麻烦的问题,由主阀控制主管道的流通,并通过主管道分流至多个副管上,在第一传输管和第二传输管上均设置有气动阀和手动阀,由泄漏传感器检测是否泄漏,达到只需要一个阀箱即可实现多个化学品分配出口,从而降低了成本,安装和使用也都非常方便的有益效果。

标签:
化学分析
江苏 - 苏州 来源:中冶有色网 2023-03-19
量子点纳米荧光探针联合蛋白芯片寻找小分子化学药靶点的方法

本发明将量子点与小分子化学药进行连接,形成一种“量子点-小分子化学药”荧光探针,然后将这种荧光探针直接与蛋白芯片共孵育,经过洗涤后,根据蛋白芯片上量子点受光激发而发出的荧光来确定药物与芯片上固定的已知蛋白质之间特异性的结合位点(即靶点),进而通过计算机软件分析这些结合位点的蛋白。本发明可简便、快速地寻找小分子化学药以及对细胞产生药效的靶蛋白,可为高通量地筛选小分子化学药新药提供高效的技术手段。

标签:
化学分析
江苏 - 苏州 来源:中冶有色网 2023-03-19
化学发光诊断用试剂盒

本发明公开了一种化学发光诊断用试剂盒,包括试剂盒,试剂盒内开设有检测腔,检测腔上滑动设有顶板,检测腔的下侧开设有传动腔,检测腔的左右两侧壁上固设有夹持板,夹持板上设有夹爪,检测腔的下侧壁上设有升降板,升降板的上端面上连接有夹板,传动腔的上端面上设有动力电机,检测腔上设有光线发射器,通过主动摩擦轮,防止从动摩擦轮转速过快,试剂飞溅出试管外,同时使试管能够根据自身重量改变转速,间接通过试管在检测腔内的混合效率,提高使用者的检查效率,通过缓冲弹簧,防止损毁试管的情况,通过橡胶圈上下运动,进一步防止试管内的试剂从试管内溅出,通过光线发射器,在留影屏上形成光谱,从而方便观察试管内试剂成分的变化。

标签:
化学分析
江苏 - 苏州 来源:中冶有色网 2023-03-19
高效准确超灵敏检测乳腺细胞癌变的检测方法

本发明公开了一种高效准确检测乳腺细胞癌变的检测方法,包括步骤1,试验用细胞株进行消化吹打处理形成细胞悬液;步骤2,用血球计数板测定细胞悬液中的细胞密度;步骤3,用PBS缓冲液冲洗粘附在盖玻片上的细胞3次;步骤4,将细胞浴槽放入纳米光电生化检测仪记录细胞内DCF(特异性荧光染料)的荧光光子数响应。本发明实时检测揭示了在癌细胞中比正常细胞有明显更高的氧化响应,为在纳米级的环境中探测化学动力学以阐明关键生物过程提供了一个独特的应用方向。

标签:
化学分析
江苏 - 无锡 来源:中冶有色网 2023-03-19
单分子定量检测方法及检测系统

本申请公开了一种单分子定量检测方法及检测系统,可用于蛋白质、小分子以及核酸分子的单分子级别的定量检测。本申请利用具有光学特性的原位信号增强纳米粒子、通过化学修饰以及分子识别技术对待测分子进行标记,使得单分子信号能够被光学成像设备捕获和识别。通过对原位信号增强纳米粒子个数信号进行统计,实现待测分子的超高灵敏度定量检测。

标签:
化学分析
江苏 - 苏州 来源:中冶有色网 2023-03-19
上一页 509 510 511 512 513 ... 2000 ... 4837 下一页
共4837页    到第

中冶有色为您提供最新的江苏有色金属理论与应用信息,涵盖发明专利、权利要求、说明书、技术领域、背景技术、实用新型内容及具体实施方式等有色技术内容。打造最具专业性的有色金属技术理论与应用平台!

全国热门有色金属设备推荐
展开更多 +
全国热门有色金属技术推荐
展开更多 +

 

江西省隆恩特环保设备有限公司
宣传

报名参会
更多+

报告下载

有色专家
更多+

东北大学
院长/教授
湖南有色金属研究院
教授级高工/原总工程师
矿冶科技集团
中国工程院院士
中国有色金属工业协会
副会长兼秘书长
北京工业大学、中国工程院
中国工程院 院士
赤泥综合利用研究报告2025
推广

热门技术
更多+

推荐企业
更多+

福建省金龙稀土股份有限公司
宣传

发布

在线客服

公众号

电话

顶部
咨询电话:
010-88793500-807