青岛垚鑫智能科技有限公司
宣传

位置:中冶有色 >

有色技术频道 >

分类:
全部
矿山技术
冶金技术
材料制备及加工技术
环境保护技术
分析检测技术
地区:
全部
北京
天津
上海
重庆
河北
山西
辽宁
吉林
黑龙江
江苏
浙江
安徽
福建
江西
山东
河南
湖北
湖南
广东
海南
四川
贵州
云南
陕西
甘肃
青海
内蒙
广西
西藏
宁夏
新疆
其他
其他
展开
 
全部
武汉
黄石
十堰
宜昌
襄阳
鄂州
荆门
孝感
荆州
黄冈
咸宁
随州
恩施土家族苗族自治州
仙桃
潜江
天门

湖北武汉有色金属理论与应用

免费发布技术信息>>
玻璃纤维复合材料层压平板制造工艺及系统

本发明公开了一种玻璃纤维复合材料层压平板制造工艺,包括以下步骤:将体积百分比含量60%以上玻璃纤维在混有高分子树脂的胶中浸润,使纤维表面上体积百分比含量不超过40%的高分子树脂和胶;预制成板状结构;在辊压装置中压制成厚度在1.0mm~4.0mm的玻璃纤维板;加热,使之固化成型,成为玻璃纤维复合材料层压平板;切割,制得成品。还公开了一种玻璃纤维复合材料层压平板制造系统,该系统包括依次排列的以下装置连续式玻璃纤维毡输送装置、浸胶槽、预成型装置、辊压装置、加温装置、牵引装置和切割装置。本发明能够有效提高成品玻璃纤维复合材料层压平板的机械强度,使其抗拉强度能够在400MPa以上。

标签:
复合材料
湖北 - 武汉 来源:中冶有色网 2023-03-18
尼龙6/植物纤维复合材料及其制备方法

本发明公开了一种尼龙6/植物纤维复合材料及其制备方法,该复合材料由如下重量份的组分经原位聚合法制备得到:ε-己内酰胺100份、植物纤维0.2-1.5份、催化剂0.3-0.8份、助催化剂0.3-1份、活化剂0.5-3份、水2-10份。其制备工艺为:将单体ε-己内酰胺经熔融,并与植物纤维、催化剂、助催化剂、活化剂和水搅拌混合均匀,并使植物纤维在熔融己内酰胺中单根分散,加入到反应釜中反应,经预聚、通氮气除水和后聚过程制备得到了性能优异的尼龙6/植物纤维复合材料。

标签:
复合材料
湖北 - 武汉 来源:中冶有色网 2023-03-18
无卤阻燃聚酯复合材料及其制备方法

本发明公开了一种无卤阻燃聚酯复合材料及其制备方法,属于高分子复合材料技术领域。它由如下质量百分比的各原料组分制得:聚酯PBT59~94.5%;聚膦酸酯阻燃剂5~40%;成核剂0.5~1%;其中,聚膦酸酯阻燃剂具备如下结构式:且上述结构式中n为21~50的正整数。本发明使用的聚膦酸酯阻燃剂主链结构上含有苯环,其与聚酯结构相似,与聚酯之间有良好的相容性,且本发明设计的复合材料易于加工,对其机械性能影响比较小。

标签:
复合材料
湖北 - 武汉 来源:中冶有色网 2023-03-18
耐热高模量的氧化石墨烯/苯乙烯-丙烯腈共聚物复合材料及其制备方法

本发明属于表面改性技术领域,具体涉及一种耐热高模量的氧化石墨烯/苯乙烯‑丙烯腈共聚物复合材料及其制备方法。所述复合材料由氧化石墨烯和苯乙烯‑丙烯腈共聚物复合而成,所述氧化石墨烯和苯乙烯‑丙烯腈共聚物按重量份数计为:氧化石墨烯0.5~2份,苯乙烯‑丙烯腈共聚物98~99.5份。本发明制备得到的氧化石墨烯/苯乙烯‑丙烯腈共聚物复合材料具有优异的耐热性、环保性,模量高,且具有良好的加工性。

标签:
复合材料
湖北 - 武汉 来源:中冶有色网 2023-03-18
各向异性导电环氧树脂复合材料的制备方法

本发明提供一种各向异性导电环氧树脂复合材料的制备方法,包括以下步骤:1)将碳纳米纤维酸化处理,使其表面接枝羟基和羧基得到氧化碳纳米纤维;2)将导电聚合物聚苯胺采用原位聚合方法包覆在氧化碳纳米纤维表面,得到聚苯胺包覆的碳纳米纤维PANi‑CNFs;3)将化学合成的磁性纳米粒子Fe3O4物理吸附于聚苯胺包覆的碳纳米纤维表面,即得到电磁功能化的Fe3O4‑PANi‑CNFs纳米粒子;4)将Fe3O4‑PANi‑CNFs纳米粒子均匀分散于环氧树脂中,施加外磁场作用,使纳米粒子的磁偶极矩沿外加场的方向取向排布,待环氧树脂固化后即制得具有各向异性的导电环氧树脂复合材料。该方法可以制得原料廉价、材料导电性良好的各向异性环氧树脂复合材料。

标签:
复合材料
湖北 - 武汉 来源:中冶有色网 2023-03-18
融合于复合材料自动铺放装置的Z-pin植入装置及植入方法

本发明公开了一种融合于复合材料自动铺放装置的Z‑pin植入装置及植入方法,包括铺放支架、植入支架和植入机构,植入支架安装在铺放支架上,植入支架通过距离调整机构调整距离,植入支架通过角度调整机构调整角度,植入机构设在植入支架上,植入机构包括植入筒和植入枪杆,植入筒可拆卸的安装在植入支架上,植入筒上设有第一植入孔和第一挤料孔,第一植入孔为贯通的通孔,植入枪杆设在第一植入孔内并通过第一驱动源驱动在第一植入孔内上下移动,第一挤料孔与第一植入孔倾斜一定角度设置,挤料组件设在第一挤料孔侧面,本发明提供的融合于复合材料自动铺放装置的Z‑pin植入装置及植入方法,在复合材料铺放过程中植入Z‑pin,方便控制植入层和植入位置。

标签:
复合材料
湖北 - 武汉 来源:中冶有色网 2023-03-18
阻燃型PET纤维复合材料的制备方法

本发明涉及一种阻燃型PET纤维复合材料的制备方法,利用三聚氰胺、甲醛和端羟基超支化聚合物进行羟甲基化反应得到甲阶树脂,再向甲阶树脂中加入甲醇,用酸调节pH=1.5~4.0左右,缓慢升温至50~70℃搅拌反应,最后加入蒸馏水,得到水溶性超支化聚合物改性三聚氰胺甲醛树脂分散体,将PET纤维板浸渍在分散体和端羧基超支化聚酯粉末的混合溶液中,然后经双滚挤压后固化,即可获得阻燃性能优异的硬质PET纤维复合材料。本发明有效利用超支化聚合物提高三聚氰胺甲醛树脂的韧性和水溶性,制备PET纤维复合材料的工艺简单、成本低廉、附加值高、适于工业化生产,可望应用于阻燃型装饰材料。

标签:
复合材料
湖北 - 武汉 来源:中冶有色网 2023-03-18
具有多级孔结构的钒氧化物与碳复合材料及其制备方法

本发明涉及一种具有多级孔结构的钒氧化物与碳复合材料及其制备方法。该材料中钒与碳元素质量比为0.4~1.5,具有多级孔结构,同时具有大孔和介孔,大孔尺寸在0.2~1.5μm,介孔尺寸在15~50nm和2.6~5.4nm,比表面积为105.0~413.8m2/g。其制备方法是将盐酸、嵌段共聚物、乙醇、酚醛树脂和偏钒酸铵混合,挥发诱导自组装后,再经热聚合和炭化即得。本复合材料可的用作为超级电容器电极材料,在三电极体系的循环伏安法及恒电流充放电研究显示,与仅使用介孔碳作为电极相比,钒氧化物与碳复合材料电极的电容性能明显提高。本发明的制备工艺简单,对设备要求低,可操作性好,成本低廉。

标签:
复合材料
湖北 - 武汉 来源:中冶有色网 2023-03-18
PbTe/石墨烯纳米复合材料及其制备方法

本发明涉及一种PbTe/石墨烯纳米复合材料及其制备方法。一种PbTe/石墨烯纳米复合材料,其特征是它以Pb的化合物和Te的化合物为原料,按照PbTe的化学计量比分别溶于去离子水,配制成浓度均为0.01~0.1mol/L的含铅溶液和含碲溶液;将氧化石墨溶于去离子水,超声0.5~2h,配置成浓度为0.5~2mg/ml的氧化石墨溶液;向含铅溶液中加入氧化石墨溶液,超声0.5~2h后,再加入含碲溶液,加入强碱调节pH为9~12,加入还原剂,封膜,置于温水浴,60~100℃搅拌反应8~24h,收集产物,经去离子水洗涤,干燥,即得到PbTe/石墨烯纳米复合材料;所述的氧化石墨加入量为PbTe理论质量的1%~30%。本发明具有工艺简单、成本低等优点,所得PbTe颗粒小,尺寸为20~60nm,应用前景广泛。

标签:
复合材料
湖北 - 武汉 来源:中冶有色网 2023-03-18
带电运行复合材料电杆振动疲劳试验装置

本实用新型公开了一种带电运行复合材料电杆振动疲劳试验装置,包括底座,底座上对应安装待测复合材料电杆的位置设有两个可分别竖直吊装在待测复合材料电杆的横担两端的第一绝缘子,两个第一绝缘子下端通过横向布置的中间连杆相连,底座上对应中间连杆的一端设有拉力机,拉力机的动作端通过横向布置的第二绝缘子与中间连杆的一端相连,中间连杆与第二绝缘子同轴布置,中间连杆上或第一绝缘子下端设有可连通外界高压的导线;两个第一绝缘子下端分别竖直吊装有拉伸弹簧,两个拉伸弹簧下端分别通过第三绝缘子拉伸安装在底座上。通过拉力机和高压导线的配合,可实现模拟风偏和高压电磁场的综合环境,结构简单且操作方便,尺寸更小。适用于杆塔的测试。

标签:
复合材料
湖北 - 武汉 来源:中冶有色网 2023-03-18
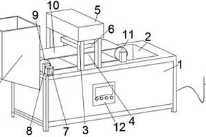
新型PLA复合材料压切机

本实用新型公开了一种新型PLA复合材料压切机,其结构包括主体和入料槽等,通过设置了自动装置在主体左侧面,可通过第一主动轮转动带动第三齿轮进行转动,第三齿轮带动第二齿轮进行转动同时第一齿轮进行转动,第一齿轮转动带动第二主动轮进行转动,第二主动轮带动第二从动轮进行转动,使第二皮带进行转动通过推动体带动放料槽内部中的PLA复合材料进行向右端进行移动进入第一皮带,达到了对PLA复合材料自动上料,提高了工作效率和降低了人工工作强度,解决了当在对PLA复合板材进行压切的时候,由于压切机在对多个PLA复合板材进行压切时,压切机缺少可以多次出料的机构,导致了需要进行多次人工放料,提高了人工的疲劳强度,并且降低了工作效率的问题。

标签:
复合材料
湖北 - 武汉 来源:中冶有色网 2023-03-18
具有多级孔电极复合材料GO-C@M(OH)2及制备方法和应用

本发明涉及一种具有多级孔电极复合材料GO‑C@M(OH)2及制备方法和应用,包括以下步骤:(1)将多孔海绵浸泡在GO溶液中,得到GO修饰多孔海绵,其中多孔海绵与GO的质量比为1:(0.1~1);(2)采用水热反应将微孔MOFs生长在GO修饰多孔海绵上,再进行碳化得到GO‑C@M材料;其中M为MOFs中的金属离子;(3)GO‑C@M材料与含硫化合物进行水热反应制备GO‑C@MSO4,GO‑C@MSO4在碱性溶液中浸泡,得到电极复合材料GO‑C@M(OH)2。本发明所得材料具有多级孔结构并具有很大的比表面积,可以有效的防止氢氧化物纳米粒子的团聚,从而提高电极材料的活性点,提高复合材料的电化学性能。

标签:
复合材料
湖北 - 武汉 来源:中冶有色网 2023-03-18
无定形金属偏磷酸盐复合材料及其制备方法与应用

本发明提供了一种无定形金属偏磷酸盐复合材料及其制备方法与应用,所述制备方法包括步骤:将金属氯化物、碳材料溶解于氮化碳分散液或单分散聚苯乙烯微球中,加入植酸,搅拌均匀得到混合液;将所述混合液进行冷冻干燥处理,得到前驱体;将所述前驱体放入瓷舟并置于管式炉中,在氩气气氛下进行煅烧,得到无定形金属偏磷酸盐复合材料。本发明通过金属离子与碳材料界面处的耦合打断原子的空间排序,形成无定形结构,使作为活性中心的金属离子分散均匀和更多的暴露于表面,从而提高催化剂的本征活性,显示出优异的氧还原电催化性能,使用该复合材料组装锌‑空气电池,其最大放电功率达112.7mW/cm2,可比拟于贵金属Pt/C催化剂。

标签:
复合材料
湖北 - 武汉 来源:中冶有色网 2023-03-18
适用于中高频吸声的聚氯乙烯基复合材料及其制备方法

本发明提供一种适用于中高频吸声的聚氯乙烯基复合材料及其制备方法,所述聚氯乙烯基复合材料的原料组分及质量份配比如下:聚氯乙烯100份,有机锡稳定剂3~5份,增塑剂100~130份,丙烯腈‑丁二烯‑苯乙烯三元共聚物25~30份,硅藻土0~50份,AC发泡剂0~4份。本发明提供的聚氯乙烯基复合材料具有优异的吸声性能,在1000~6300Hz内平均吸声系数为0.2~0.35,适用于中高频吸声材料。

标签:
复合材料
湖北 - 武汉 来源:中冶有色网 2023-03-18
超声相控阵复合材料检测中轮式探头界面波跟踪方法

本发明涉及复合材料检测技术领域,尤其是一种超声相控阵复合材料检测中轮式探头界面波跟踪方法,将轮式探头和超声波相控阵检测仪连接,移动轮式探头,调节轮式探头的水囊界面位置,使得探头的水囊界面和被检测工件上表面重合,启动超声波相控阵检测仪对检测工件进行采样,采样数据将通过图像方式显示工件的缺陷,采用界面波跟踪算法对工件缺陷进行精确定位及计算。本发明还提供了一种超声相控阵激发轮式探头检测复合材料的系统。本发明结构简单,值得推广。

标签:
复合材料
湖北 - 武汉 来源:中冶有色网 2023-03-18
载药磁性石墨烯多功能复合材料及其制备方法

本发明涉及一种载药磁性石墨烯多功能复合材料及其制备方法。首先将石墨烯进行加硝基团和聚乙二醇功能化修饰,然后将新制备的磁性纳米颗粒与药物水溶液均匀加入到修饰过的石墨烯水溶液中,三者相互混合形成均一体系,再在超声作用下形成载药磁性石墨烯多功能复合材料。该制备方法简单,条件温和,所得到的载药磁性石墨烯复合材料在磁场作用下可以使药物浓度集中在肿瘤区,实现磁致靶向作用;功能化修饰的石墨烯上的硝基团可以提高肿瘤区低氧环境下的放射敏感性;石墨烯修饰的聚乙二醇分子对携带的药物有缓释控制,使得药物集中在肿瘤区释放,减少了对正常组织的毒性。

标签:
复合材料
湖北 - 武汉 来源:中冶有色网 2023-03-18
三维多孔陶瓷-石墨烯块体复合材料及其制备方法

本发明属于无机复合材料制备技术领域,更具体地,涉及一种三维多孔陶瓷‑石墨烯块体复合材料及其制备方法。该制备方法包括如下步骤:(1)将三维多孔陶瓷块体浸泡在含有对石墨烯生长具有催化作用的金属离子的盐溶液中,使溶液离子渗透进入所述陶瓷块体的孔隙中;取出后烘干表面水分,得到陶瓷‑催化剂块体;(2)将步骤(1)所述陶瓷‑催化剂块体在还原气氛中加热还原,使所述含有对石墨烯生长具有催化作用的金属离子的盐在所述陶瓷‑催化剂块体中还原形成金属颗粒,该金属颗粒为催化剂;然后在含碳气体中进行原位气相沉积使石墨烯生长沉积在所述三维多孔陶瓷骨架表面,制得三维多孔陶瓷‑石墨烯块体复合材料。

标签:
复合材料
湖北 - 武汉 来源:中冶有色网 2023-03-18
组合式复合材料杆塔防雷优化设计方法

本发明公开了一种组合式复合材料杆塔防雷优化设计方法:包括1、获取杆塔结构信息;2、建立地线横担和塔身的波阻抗模型,建立接地引下线的分段集中电感模型;3、根据塔头结构确定可能发生闪络的路径,建立基于先导法的绝缘闪络模型;4、建立考虑雷电流冲击效应的接地电阻模型;5、依据上述几个模型,连接形成整基复合杆塔的雷击仿真模型,6、耐雷水平和雷击跳闸率的计算,7、迭代计算与参数更新。本发明通过迭代的手段不断改进复合材料杆塔的几何结构,从而提高复合材料杆塔在保证耐雷性能的前提下的技术经济性。

标签:
复合材料
湖北 - 武汉 来源:中冶有色网 2023-03-18
用于储能设备的氮掺杂碳纳米线/二氧化钛纳米管阵列复合材料及其制备方法

本发明公开了一种用于储能设备的氮掺杂碳纳米线/二氧化钛纳米管阵列复合材料及其制备方法。首先,在纯钛或者钛合金表面生长一定形状的二氧化钛纳米管阵列,然后用多巴胺的缓冲溶液对其进行真空浸渍,使多巴胺单体进入到二氧化钛纳米管中,再通入氧气使多巴胺单体在二氧化钛纳米管中发生氧聚合,在二氧化钛纳米管阵列的诱导效应下,从二氧化钛纳米管中长出聚多巴胺纳米线。最后在惰性气氛下升温使聚多巴胺纳米线碳化,形成氮掺杂碳纳米线/二氧化钛纳米管阵列复合材料。该复合材料的二维阵列结构有利于电解质离子的扩散,同时具有较高的比表面积,可以应用于超级电容器和锂离子电池负极材料中。

标签:
复合材料
湖北 - 武汉 来源:中冶有色网 2023-03-18
TPU改性碳纤维/尼龙复合材料及其制备方法

本发明涉及一种TPU改性碳纤维/尼龙复合材料,它由TPU粒子、碳纤维和尼龙粒子组成,其各组分的重量百分比分别为TPU粒子5~30wt%、碳纤维5~35wt%和尼龙粒子35~90wt%。本发明所得到的碳纤维增强树脂复合材料具有拉伸强度大,稳定性好,承载强度和断裂强度高,弹性好,比重轻,摩擦系数小,耐磨能力强,使用寿命长的特点;本发明方法简单高效,能有效改善碳纤维/尼龙复合材料的综合性能。

标签:
复合材料
湖北 - 武汉 来源:中冶有色网 2023-03-18
采用微生物转谷氨酰胺酶修饰的明胶/纳米银复合材料及其制备方法和应用

本发明属于生物材料、高分子化学和生物化学的交叉学科领域,公开了一种采用微生物转谷氨酰胺酶修饰的明胶/纳米银复合材料及其制备方法和应用。本发明以明胶/纳米银复合材料为主体材料,微生物转谷氨酰胺酶为修饰剂,制备得到微生物转谷氨酰胺酶修饰的明胶/纳米银复合材料,该材料具有良好的生物相容性,无细胞毒性,抗菌活性强,材料的力学性能和水体系稳定性好,同时该材料的制备工艺简单,反应条件温和,易于控制,生产成本低廉,在降低感染和炎症反应、抗菌、保护伤口、可生物降解的皮肤敷料和伤口愈合剂、以及人工皮肤等生物医用材料和生物医学领域具有很好的应用前景和十分广泛的用途。

标签:
复合材料
湖北 - 武汉 来源:中冶有色网 2023-03-18
纳米复合材料无支架型宫内节育器

一种纳米复合材料无支架型宫内节育器,纳米复合材料管之间采用非生物降解的聚丙烯手术缝合线或聚乙烯手术线串联连接,首尾两端的纳米复合材料管用手术结或固定卡箍固定于该手术线上。本实用新型能平稳释放Cu2+,消除了因Cu2+“爆释”带来的副作用;能显著提高活性金属的有效利用率,具有更长的使用寿命或更小的质量,可减小对子宫内膜的刺激和损伤;具有自洁功能,不在表面产生沉积物,拥有更为优异的生物相容性;添加纳米锌或/和纳米银后,具有抗菌、杀菌和抗凝血等作用;添加的吲哚美辛具有消炎止血的功效。在保证置入和取出方便、不易脱落和避孕效果优异的同时,其副作用更小、异物感更轻、感觉更舒适,也更易于被广大育龄妇女所接受和推广。

标签:
复合材料
湖北 - 武汉 来源:中冶有色网 2023-03-18
用于去除苯的MOF复合材料吸附剂及其制备方法

本发明公开了一种用于去除苯的MOF复合材料吸附剂及其制备方法,涉及特定吸附剂设计领域,所述MOF复合材料吸附剂包括质量比为1∶2的MOF‑199和ZF型沸石泡沫。本发明所制备的MOF复合材料吸附剂,对于苯的特异性吸附能力强,且吸附性能稳定,多次使用后,吸附效果依然高效;其结构稳定,苯对其不会产生不可逆的结构转变,孔结构稳定,可塑性强。

标签:
复合材料
湖北 - 武汉 来源:中冶有色网 2023-03-18
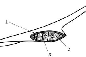
周期结构复合材料减隔振支座

本发明公开了一种周期结构复合材料减隔振支座,包括周期变截面壳体(1)和阻尼材料(2);周期变截面壳体(1)的两端为用于连接的法兰(101)、中间为沿轴向有限周期排列的变截面壳体单元(102),变截面壳体单元(102)由至少两个不同形状尺寸的组元沿轴向排列组成,组元采用凸缘结构,阻尼材料(2)填充在变截面壳体单元(102)的外部或内部,阻尼材料(2)和变截面壳体单元(102)组成周期结构复合材料单元(3),周期结构复合材料单元(3)沿轴向有限周期排列。本发明将约束阻尼和周期结构带隙原理应用于支座设计,具有更好的减振隔振性能,适应范围广。

标签:
复合材料
湖北 - 武汉 来源:中冶有色网 2023-03-18
复合材料螺旋桨桨叶
复合材料螺旋桨桨叶 1103     
 0

本发明涉及一种复合材料螺旋桨桨叶,包括蒙皮和夹芯,蒙皮包覆于夹芯的表面,蒙皮采用纤维增强复合材料,夹芯采用高阻尼黏弹性材料;螺旋桨桨叶划分为导边区、随边区和叶梢区三个区域,通过蒙皮的纤维铺层角度设计和/或纤维种类设计实现三个区域的分区刚度要求和弯扭耦合变形要求。本发明通过纤维铺层角度和/或纤维种类设计,使导边区和叶梢区弯曲刚度大、扭转刚度小,而随边区弯曲刚度小、扭转刚度大,实现降低螺旋桨在伴流场中桨叶表面压力脉动产生的非定常力从而增强减振降噪效果;可在螺旋桨桨叶夹芯内部增设加强筋进一步提高减振降噪的效果,同时提高复合材料桨叶的刚度和承载力,保障螺旋桨的推进效率少下降或不下降。

标签:
复合材料
湖北 - 武汉 来源:中冶有色网 2023-03-18
热塑性复合材料及其制备方法与应用

本发明公开了一种热塑性复合材料及其制备方法与应用,该热塑性复合材料包括表层材料和骨架材料;所述表层材料按重量份数计由以下组分组成:高流动性聚丙烯树脂30‑50份、无捻连续玻纤45‑50份、相容剂1‑8份、润滑剂0.5‑1份、抗氧剂1‑2份、高光改进剂1‑8份、炭黑1‑2份;所述骨架材料按重量份数计由以下组分组成:中高流动性聚丙烯树20‑35份、无捻连续玻纤50‑70份、相容剂1‑8份、润滑剂0.5‑1份、抗氧剂1‑2份、低翘曲改进剂1‑12份、炭黑1‑2份。本发明的热塑性复合材料不仅具备较好的力学性能,而且表面光泽高、强度高、翘曲低、耐高温,满足汽车发动机罩盖材料要求的同时,实现了汽车的轻量化。

标签:
复合材料
湖北 - 武汉 来源:中冶有色网 2023-03-18
稀硫酸和氧化石墨烯共掺改性二氧化钛复合材料、制备方法及其应用

本发明公开了一种稀硫酸和氧化石墨烯共掺改性二氧化钛复合材料、制备方法及其应用。制备方法如下:(1)将钛酸四丁酯加入到乙醇中形成A液;(2)配制乙醇‑硫酸溶液形成B液,将B液滴加到A液中搅匀得到混合液;(3)恒温反应得到浆液;(4)将浆液离心分离,经洗涤、烘干、研磨得到粉末;(5)煅烧后得到硫酸‑二氧化钛;(6)配制氧化石墨烯分散液;(7)将硫酸‑二氧化钛加入氧化石墨烯分散液到中反应形成悬浮液;(8)将悬浮液恒温反应后得粗产物;(9)将粗产物洗涤、烘干后即得复合材料。制备简单、成本低廉、适用于规模化生产。所制备的复合材料纯度高,可高效降解盐酸四环素,在环境污染修复方面具有良好的应用价值。

标签:
复合材料
湖北 - 武汉 来源:中冶有色网 2023-03-18
碳纤维树脂基复合材料绿光超快激光加工系统及方法

本发明提供一种碳纤维树脂基复合材料绿光超快激光加工系统及方法,能够切实满足航空航天构件碳纤维增强树脂基复合材料的高质高精高效加工需求。本发明所提供的绿光超快激光加工系统,包括:绿光激光器、扩束镜、第一空间光调制器、第一反射镜、第一透镜、第一分束镜、第一监测部、第二空间光调制器、第二反射镜、双透镜组、第二分束镜、第二监测部、第二透镜以及控制部。本发明所提供的绿光超快激光加工方法,其特征在于:采用前述绿光超快激光加工系统将绿光高斯激光调整成间隔一定距离的20个以上平顶环形光束,对碳纤维树脂基复合材料进行加工。

标签:
复合材料
湖北 - 武汉 来源:中冶有色网 2023-03-18
复合材料预浸带衬纸预剥离自动铺放装置

本发明公开一种复合材料预浸带衬纸预剥离自动铺放装置,包括:与机械臂法兰相连的上机架,和位于上机架左右两端的左机架和右机架;左右两端分别与左机架和右机架相连的超声切割机构、红外加热机构、中间机架、压辊机构、传送机构和限位机构;与左机架相连的收卷机构和放卷机构;与右机架相连的剥离机构。因此,本发明可以实现对复合材料切割、传送、加热和铺放的功能,具有结构简单、自动化程度高、铺放效率高和成本低等特点,并且有效的解决了传统的预浸带切割深度控制困难的问题,使复合材料铺放过程控制简单且可靠。

标签:
复合材料
湖北 - 武汉 来源:中冶有色网 2023-03-18
有机复合材料膜的制备方法及提高其热电性能的方法

本发明公开了一种有机复合材料膜的制备方法及提高其热电性能的方法,其制备方法为:将苯胺与纳米碳材料混合搅拌,通过原位化学氧化聚合和樟脑磺酸二次掺杂方法制备纳米碳材料与聚苯胺的复合薄膜,所述纳米碳材料与聚苯胺的复合薄膜即为有机复合材料膜;其热电性能提高方法为:将上述有机复合材料膜置于碱溶液中浸泡处理去掺杂,然后取出用清水洗涤至中性并烘干。其制备工艺条件简单,成本低,可控性高,稳定性优异,适用于有机复合热电材料的大规模工业化生产。

标签:
复合材料
湖北 - 武汉 来源:中冶有色网 2023-03-18
上一页 495 496 497 498 499 ... 500 ... 723 下一页
共723页    到第

中冶有色为您提供最新的湖北武汉有色金属理论与应用信息,涵盖发明专利、权利要求、说明书、技术领域、背景技术、实用新型内容及具体实施方式等有色技术内容。打造最具专业性的有色金属技术理论与应用平台!

全国热门有色金属设备推荐
展开更多 +
全国热门有色金属技术推荐
展开更多 +

 

江西省隆恩特环保设备有限公司
宣传

报名参会
更多+

报告下载

有色专家
更多+

中南大学
中国工程院院士
武汉科技大学
校学术委员会主任 / 教授
昆明理工大学
教授
江西理工大学
教授
矿冶科技集团
副所长/研究员
赤泥综合利用研究报告2025
推广

热门技术
更多+

推荐企业
更多+

福建省金龙稀土股份有限公司
宣传

发布

在线客服

公众号

电话

顶部
咨询电话:
010-88793500-807