青岛垚鑫智能科技有限公司
宣传

位置:中冶有色 >

有色技术频道 >

分类:
全部
矿山技术
冶金技术
材料制备及加工技术
环境保护技术
分析检测技术
地区:
全部
北京
天津
上海
重庆
河北
山西
辽宁
吉林
黑龙江
江苏
浙江
安徽
福建
江西
山东
河南
湖北
湖南
广东
海南
四川
贵州
云南
陕西
甘肃
青海
内蒙
广西
西藏
宁夏
新疆
其他
其他
展开
 
全部
济南
青岛
淄博
枣庄
东营
烟台
潍坊
济宁
泰安
威海
日照
滨州
德州
聊城
临沂
菏泽

山东有色金属理论与应用

免费发布技术信息>>
木质纤维素生物质综合利用的方法

本发明公开一种木质纤维素生物质综合利用的方法,(1)将原料木质纤维素材料粉碎,加水,形成混合液,加碱调节,然后加入亚硫酸盐进行蒸煮得到混合物;(2)将步骤(1)中得到的混合物固液分离,固体冲洗降温,冲洗出的液体与固液分离的液体混合后循环利用到步骤(1)中,待液体中干物质含量一定时,将液体干燥得磺化木质素;(3)将步骤(2)中冲洗后的固体调节pH,加纤维素酶液,进行高浓物料糖化;(4)将步骤(3)中糖化液加入酵母发酵,发酵后混合物经处理后得无水乙醇;(5)将步骤(4)废醪接入拜氏梭菌进行发酵,发酵后蒸馏生产乙醇、丙酮和丁醇。本发明实现木质纤维素生物质中木质素、纤维素和半纤维素主要成分的高效利用。

标签:
固废
山东 - 德州 来源:中冶有色网 2023-03-19
单板受力梁桥环箍预应力筋加固结构

本实用新型公开了单板受力梁桥环箍预应力筋加固结构,包括梁板、梁板面、梁底和铰缝,所述梁板面上设有板面槽,所述板面槽内设有板面预应力筋;所述梁底设有与板面预应力筋相对应的梁底预应力筋,所述梁底预应力筋通过固定在铰缝内的锚固筋固定在梁底;所述梁板的两端设有混凝土浇筑的锚固体,所述板面预应力筋和梁底预应力筋的一端分别通过固定体固定在一侧的锚固体上,另一端分别通过张拉体固定在另一侧的锚固体上。本实用新型不破坏原桥结构和周围环境,对人们的正常出行影响小,比重做桥面铺装节约资源,减少材料废弃,不污染环境,具有很好的经济和社会效益,是一种低碳、环保、安全、高效的绿色加固技术。

标签:
固废
山东 - 临沂 来源:中冶有色网 2023-03-19
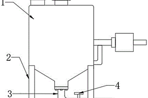
污泥干化机自动封闭式卸料装置

本实用新型涉及一种污泥干化机自动封闭式卸料装置,包括物料收集斗、气固分离器及卸料风机,气固分离器包括壳体、固体临时收集仓、高料位探头及低料位探头,固体临时收集仓的卸料端处设有电动刀闸阀,固体临时收集仓的下方设有污泥袋,壳体上设有固气进口端及气体出口端,物料收集斗通过卸料管路与固气进口端连接,气体出口端通过余热回收管路与污泥干化机的热风循环系统连接,卸料风机安装在余热回收管路上。本实用新型实现了污泥干化机自动封闭式卸料,防止空气污染,回收高温废气中的余热,提高能源利用率,降低污泥干化机能耗,同时减少卸料装置占地面积,自动化程度高,降低劳动强度。

标签:
固废
山东 - 烟台 来源:中冶有色网 2023-03-19
黄嘌呤的制备方法
黄嘌呤的制备方法 1016     
 0

本发明公开了一种黄嘌呤的制备方法,包括以下步骤:(1)鸟嘌呤在稀酸或重氮化回收母液中,与亚硝酸钠进行重氮化反应;(2)重氮化反应结束后,固液分离,得到的固体进入步骤(3);可选择的,得到的液体作为重氮化回收母液套用至步骤(1)中;(3)将步骤(2)得到的固体进行水解反应,反应完成,后处理得到黄嘌呤。发明采用了鸟嘌呤作起始原料和采用新的制备方法,将制备得到的重氮盐先从体系中提取出来,抑制了副反应的发生,同时实现了重氮化反应母液的套用,大大降低了三废的产生量;同时本发明采用了新的精制方法,使得本发明的摩尔收率和产品纯度远远高于文献值。

标签:
固废
山东 - 潍坊 来源:中冶有色网 2023-03-19
基于丝胶蛋白的水不溶性药物运载体系的制备方法及其应用

本发明公开了一种基于丝胶蛋白的水不溶性药物运载体系的制备方法及其应用,具体为:(1)丝胶蛋白溶液的制备:以茧衣、茧壳、废丝、次茧等为原料,加入脱胶剂脱胶,获得脱胶液;(2)将脱胶液过滤,加入水不溶性药物的固体,振荡得到丝胶蛋白/药物复合物的初产物,所述水不溶性药物为不溶或微溶于纯水、但在pH>7水溶液中溶解的药物;(3)丝胶蛋白/药物复合物的纯化及应用:将初产物溶液用酸中和至pH6.2~7.5后直接应用,或透析除盐后再应用。此丝胶蛋白/药物复合物经冷冻干燥得到的固体可以复溶于水,形成稳定分散液。该方法操作简单,可广泛用于多种水不溶性药物的增溶、分散和运载,有很高的社会价值和应用前景。

标签:
固废
山东 - 青岛 来源:中冶有色网 2023-03-19
催化生物柴油的纳米材料的制备方法

本发明涉及一种催化生物柴油的纳米材料的制备方法,它包含有:1、在三口烧瓶中加入饱和氯化钙溶液50-60份、油酸20-30份、石油醚10-30份,还添加分散剂。搅拌乳化0.5-1h后,滴加碳酸铵水溶液,得到纳米碳酸钙,过滤干燥备用。2、在圆底烧瓶中加入250-350mL乙醇,5-15g碳酸钾,搅拌溶解后,加入15-25g纳米碳酸钙,反应0.5-1h,抽滤,将固体烘干后,在马弗炉中焙烧2-5h,即制得纳米K2CO3/CaO。本发明的有益效果是:采用固体碱催化剂催化生产生物柴油,使得产品与催化剂容易分离,可避免大量的三废排放,有效防止环境污染,同时催化剂具有易活化再生,便于连续操作的特点,是一类高效、环保的绿色催化剂。

标签:
固废
山东 - 青岛 来源:中冶有色网 2023-03-19
从氟化反应副产物中回收高纯氯化钾的方法

本发明提供一种从氟化反应副产物中回收高纯氯化钾的方法,包括以下步骤:(1)预处理:对氟化反应副产物进行热处理,除去粘附的有机物废物;(2)溶解分离:将预处理后的固体混合物置入分离装置中,并通入液氨溶解其中的氟化钾形成混合液,过滤混合液,滤饼为一级氯化钾粗品,滤液为氟化钾的液氨溶液,将滤液压出并通入减压室降压至常压,滤液中的液氨气化得到纯净的氟化钾固体;(3)洗涤:向一级氯化钾粗品中添加混合溶剂A,洗涤、除去残余微量杂质,过滤得到二级氯化钾粗品;(4)提纯:向二级氯化钾粗品中加入去离子水,升温至溶解制成饱和溶液,降至室温,加入溶剂B重结晶,过滤,并用溶剂B洗涤,干燥得到高纯氯化钾。

标签:
固废
山东 - 威海 来源:中冶有色网 2023-03-19
多功能酵解干燥机
多功能酵解干燥机 970     
 0

本发明提供多功能酵解干燥机,包括高温固体发酵装置、真空干燥装置和加热装置,高温固体发酵装置包括发酵罐,发酵罐轴线上设有搅拌轴,搅拌轴上间隔均布设有多个搅拌桨,搅拌桨的一端垂直设有方形搅拌叶片,搅拌桨的另一端垂直设有尖形搅拌叶片,叶片凸条和方形搅拌叶片分别与下罐体内侧壁间隙配合;真空干燥装置,包括水箱、真空泵、循环水泵、蒸发式冷凝器和风机;加热装置,包括设置在下罐体外部的加热套和循环油泵,循环油泵通过输油管路和回油管路与加热套相连接,输油管路上串联设有太阳能加热器和备用加热器。本发明可用于物料的酵解干燥,可在高温下迅速分解发酵并干燥粪便、农作物废弃物、鱼粉等。

标签:
固废
山东 - 威海 来源:中冶有色网 2023-03-19
2,4-二氯苯氧乙酸的制备方法

本发明涉及有机合成技术领域,本发明提供了一种2,4‑二氯苯氧乙酸的制备方法,包括如下步骤:a)卤代乙酸酯与无水2,4‑二氯酚盐固体反应,得到2,4‑二氯苯氧乙酸酯;b)所述2,4‑二氯苯氧乙酸酯水解,得到2,4‑二氯苯氧乙酸。本发明使用无水2,4‑二氯酚盐固体与卤代乙酸酯反应制备得到2,4‑二氯苯氧乙酸酯,再经过水解得到2,4‑二氯苯氧乙酸和对应的醇。本发明的固液反应传质效果好,反应过程中水解副产少,反应速度快,转化率和收率较高,产生的废水量少,有利于工业化应用。

标签:
固废
山东 - 济南 来源:中冶有色网 2023-03-19
新型催化剂及其在生产特种酯产品中的应用

本发明公开了一种用非均相催化剂连续制备乙氧基丙酸乙酯的方法。该方法以丙烯酸乙酯和乙醇为原料,采用反应精馏塔,在固体催化剂存在下,不添加另外的均相催化剂,在塔中进行加成反应,并于塔底得到乙氧基丙酸乙酯。所述固体催化剂为一种纳米结构钛酸盐,主要结构为M1xOy/M2TO。其中M2TO为载体钛酸盐,M2为金属元素,优选Na、K等。M1xOy为活性组分,M1为金属元素,优选Na、K、Cs等。该方法可有效提高丙烯酸乙酯的转化率、降低丙烯酸乙酯聚合风险、缩短反应时间、副反应重组分少、催化剂易于回收、无废水产生,集反应与分离于一体,是一种绿色的合成工艺。

标签:
固废
山东 - 烟台 来源:中冶有色网 2023-03-19
利用再生资源生产的轻质建筑砌块

一种利用再生资源生产的轻质建筑砌块及其生产方法,其特征在于:所述的砌块主体的构成材料的重量组份包括:生活垃圾颗粒70-80,隔热载体5-17,水泥7-10%,粘结剂1-5%,水与上述物料的重量比例为10-15:将上述固体物料以常温加入搅拌机或降解炉;按比例加入水,充分搅拌后经成型机压制而成。本发明非得有益效果是:工艺条件温和,原材料可利用工业垃圾和建筑垃圾,生活垃圾中的固体垃圾与各种废塑料等,有利于环境治理,成本低廉,市场前景广阔。本发明采用了多种组合,从而使所生产的产品有具有防水、保温、隔热、隔音等多种功效。

标签:
固废
山东 - 青岛 来源:中冶有色网 2023-03-19
炔螨特生产中的三乙胺回收方法

本发明涉及一种改进的炔螨特生产中的三乙胺回收方法,属于农药技术领域,将固体氢氧化钠与炔螨特生产中的三乙胺盐酸盐废水反应,于60-95℃下蒸馏得到三乙胺粗品,向收集到的三乙胺粗品中再加入固体氢氧化钠,在50-60℃搅拌干燥1小时,经过滤器分离得到三乙胺产品,重量含量在99%以上,含水小于0.5%,可直接用于炔螨特生产。使用设备简单,具有操作方便,能耗低,三乙胺回收率高,运行成本低,且符合清洁生产要求。

标签:
固废
山东 - 青岛 来源:中冶有色网 2023-03-19
抗氧剂168的制备方法
抗氧剂168的制备方法 1158     
 0

本发明属于抗氧化剂的制备领域,具体涉及一种抗氧剂168的制备方法,具体制备方法如下:(1)将2,4‑二叔丁基苯酚、溶剂、树脂催化剂加入反应釜中,匀速搅拌下升温;匀速滴加三氯化磷到反应釜中,反应结束后,加入树脂作为中和剂将反应液中和至中性;(2)将步骤(1)得到的反应液进行过滤,滤出固体树脂;滤液经过处理后得到抗氧剂168产品;(3)将步骤(2)过滤出的树脂,一部分直接用于下一批次的合成反应的催化剂;其余的经再生后作为中和剂套用。本发明使用的催化剂能在反应结束能从体系中简便、快速彻底分离,可连续套用、无固体废弃物的产生,能有效提高抗氧剂168产品质量,并减轻环境污染。

标签:
固废
山东 - 滨州 来源:中冶有色网 2023-03-19
2,4,6-三氯甲基-1,3,5-三噻烷及其同系物的制备方法

本发明公开了一种2, 4, 6-三氯甲基-1, 3, 5-三噻烷及其同系物的制备方法,采用固体超强酸Nafion-H作为催化剂,将H2S气体与Cl(CH2)nCHO(n=1,2,3)水溶液一起通入管式反应器中,反应生成2, 4, 6-三氯甲基-1, 3, 5-三噻烷及其同系物。该制备方法采用固体催化剂Nafion-H,可重复利用,无三废排放,符合当前环保要求;采用管式反应器,提高了反应速率,降低了反应温度,避免出现产品挂壁问题;尾气H2S可在管式反应器末端回收后再利用;收率高,适合工业化生产。

标签:
固废
山东 - 滨州 来源:中冶有色网 2023-03-19
碱式硫酸锆生产工艺
碱式硫酸锆生产工艺 1100     
 0

本发明提供一种用锆的强酸盐、碱或碱土金属(包括铵)的硫酸盐、碱直接生产碱式硫酸锆的生产工艺。具体是将锆的强酸盐固体料与碱或碱土金属(包括铵)的硫酸盐、碱按一定比例直接混合,经过充分搅拌、研磨,使之完全反应,再经水洗、脱水即生产出碱式硫酸锆。上述工艺采取将锆的强酸盐固体料与碱或碱土金属(包括铵)的硫酸盐、碱按一定比例直接混合反应的方法,具有设备简单、工艺流程短、收率高,没有三废排放的特点。

标签:
固废
山东 - 淄博 来源:中冶有色网 2023-03-19
1,1-双(叔丁基过氧基)环己烷的制备方法

本申请提供了一种1,1‑双(叔丁基过氧基)环己烷的制备方法,将叔丁基过氧化氢、减敏剂、固体酸以及相转移催化剂混合,然后将环己酮加入,在固体酸的存在下环己酮与叔丁基过氧化氢发生化学反应生成1,1‑双(叔丁基过氧基)环己烷,然后过滤,然后将滤液进行分液处理,然后依次进行碱洗、水洗、干燥,干燥完成后得到成品的1,1‑双(叔丁基过氧基)环己烷;本申请的反应时间短,提高了产品收率,收率为85%~95%,减少了生产过程中的危险要素,提高了产品的稳定性,且产品为无色透明溶液,生产过程中产生的废水易处理,易于工业化生产。

标签:
固废
山东 - 聊城 来源:中冶有色网 2023-03-19
裂解油品的分油冷却装置

本发明属于废弃物裂解技术领域,具体涉及一种裂解油品的分油冷却装置,该装置包括水平设置的储油罐,储油罐上分别连接有油气冷凝塔A和油气冷凝塔B,其中油气进口设置在油气冷凝塔A中部,气体出口设置在油气冷凝塔B顶部;油气冷凝塔A和油气冷凝塔B通过连接横管连接;采用这种结构的分油冷却装置可以利用油气组分密度不同的特性实现油气的分离,配合水冷的方式使油气中的油组分被冷凝下来,同时对油气组分中的固体组分起到分离的效果,提高了气体的纯度,同时固体组分可以与油组分一起沉降到储油罐中,方便后续的处理,整个装置结构更加合理,油气分离的效果较之现有技术有了明显的提升。

标签:
固废
山东 - 济南 来源:中冶有色网 2023-03-19
四氢呋喃的工业化回收方法

本发明属于溶剂回收技术领域,具体涉及一种四氢呋喃的工业化回收方法。向四氢呋喃废液中加入固体碱,搅拌脱水,沉降,分层,得到上层有机层;向有机层中加入固体碱,搅拌,蒸馏,得到混合溶液;将混合溶液精馏,得到低水分的四氢呋喃;采用分子筛对低水分的四氢呋喃进行脱水,得到四氢呋喃。本发明通过干燥除水、蒸馏、精馏、再除水,保证了回收的四氢呋喃高纯度、低水分;含有四氢呋喃的低组分可以再次回收利用;本发明的组合处理方法,大大降低了四氢呋喃的消耗,且处理方便,回收得到的四氢呋喃纯度可以达到99.8%以上,含水率≤0.03%,质量好,成本低。

标签:
固废
山东 - 淄博 来源:中冶有色网 2023-03-19
以生物质发电厂的炉灰、炉渣为原料的新型环保免烧砖及其制备方法

本发明提供一种以生物质发电厂产生的固体废物(炉灰、炉渣)为原料的新型环保免烧砖及其制备方法,涉及建筑材料技术领域,原材料包括有炉渣,炉灰,强化剂,水,水泥,脱硫石膏,酚醛泡沫,氢氧化铝等,包括如下步骤:s1、备料;s2、将炉灰和水泥磨碎成粉状,备用;s3、将步骤s1和s2中的所有原材料进行搅拌;s4、加入强化剂,形成混合物料a;S5、将混合物料a取出,放置砖体磨具中挤压成型,进行固体成型;S6、进行码垛养护;S7、完成整个轻质砖的制备,本发明中纯炉渣合成的砖体可以作为透水砖用,透水性强,纯炉灰合成的砖体可以作为仿古砖用,成型的砖体表面细腻;整个发明思路清晰,操作简单,能够生产出高质量、高强度的轻质砖,实用性高。

标签:
固废
山东 - 临沂 来源:中冶有色网 2023-03-19
黑曲霉固态发酵生产酸性蛋白酶的生产工艺

本发明属于生物技术领域,具体涉及一种黑曲霉固态发酵生产酸性蛋白酶的生产工艺,固体发酵通过菌种的筛选,正常酶活力可做到7万U/g以上,通过工艺设计优化,参数调整,最终产出酸性蛋白酶酶活力达到8‑10万U/g。通过菌种优化缩短发酵周期、通过工艺优化(浅盘发酵)杂菌率降低2‑3个数量级(100‑1000倍),既保障了产品质量,又极大降低了生产成本,更适用于工业化生产要求。同时固体发酵酸性蛋白酶带培养基一块粉碎包装销售,利用率高,无废弃料、下脚料,做到100%全利用。

标签:
固废
山东 - 淄博 来源:中冶有色网 2023-03-19
环境景观设计用污水处理的储水池

本实用新型公开了一种环境景观设计用污水处理的储水池,包括储水箱,还包括污水处理装置和排水装置,所述污水处理装置安装在储水箱内部,所述污水处理装置具体由通气孔、进水口、槽套、漏网、固定块、螺栓、吸附管和活性炭组成,污水处理过程中会有固体杂物在水中影响对污水的处理,需要对这些固体杂物进行筛选收集再进行污水处理,所以设置了污水处理装置,利用进水口使污水进入吹水箱,在污水通过带有漏网的漏板使,对固体杂物进行筛选,筛选后的污水通过带有活性炭的吸附管进行吸附处理,完成对废水的处理,在处理完的污水还处在气味,气味通过通气孔经过通气管传递到空气净化机内进行净化,该装置能对污水进行二次处理,还能出去水中异味。

标签:
固废
山东 - 济南 来源:中冶有色网 2023-03-19
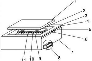
实验室用固液处理装置
实验室用固液处理装置 1184     
 0

本实用新型涉及固液处理装置,更具体的说是一种一种实验室用固液处理装置。包括搅拌机构、固液分离机构、固废压块机构、废液回收箱组件、搅拌筒固定板、第一支撑杆、漏斗、漏斗固定板、第二支撑杆、连接板、固废出料口、废液出料口、固废输料管、废液输料管、支柱和底板,其有益技术效果为本实用新型可以将固废和废液分离处理,提高了工作效率。所述的搅拌筒固定板与搅拌机构连接,搅拌筒固定板的四角处分别固定连接一个第一支撑杆,四个第一支撑杆皆固定连接在漏斗固定板上,四个第二支撑杆的两端分别固定连接在漏斗固定板与连接板的四角处,漏斗固定连接在漏斗固定板上,漏斗位于搅拌机构的下端。

标签:
固废
山东 - 日照 来源:中冶有色网 2023-03-19
中药调理酵素直滤酵素桶

本实用新型提供一种中药调理酵素直滤酵素桶,包括固定支架、搅拌电机、原料投放管口、发酵罐、排污泵、初级过滤网架、搅拌支架、二级过滤网架、第一固废排放管以及第二固废排放管,固定支架上侧设置有发酵罐,发酵罐上侧安装有搅拌电机,发酵罐上端面左侧设置有原料投放管口,发酵罐右侧安装有排污泵,发酵罐内部安装有搅拌支架,搅拌支架下侧安装有初级过滤网架,初级过滤网架下侧安装有二级过滤网架,初级过滤网架与排污泵之间连接安装有第一固废排放管,二级过滤网架与排污泵之间连接安装有第二固废排放管,该设计解决了原有酵素桶需要人工手动过滤使用效果不好的问题。

标签:
固废
山东 - 济南 来源:中冶有色网 2023-03-19
碳酸二甲酯的制备工艺及其催化剂

本发明公开一种碳酸二甲酯的制备工艺及其催化剂,包括:(1)对硫酸渣干燥后粉磨,然后进行酸浸处理,固液分离得到预处理硫酸渣。(2)将所述预处理硫酸渣再次进行酸浸处理,将固液分离得到的固体渣清洗后烘干。(3)在固液分离得到的液相中加入过量沉淀剂使其中的铁元素形成沉淀,分离出该沉淀,洗涤后备用。(4)将所述沉淀与固体渣、碳酸钙、水混合均匀后造粒,将得到的微粒在空气气氛中进行煅烧,即得催化剂前驱体。(5)将催化剂前驱体用清水进行浸泡,完成后干燥,即得催化剂,用该催化剂催化二氧化碳和甲醇合成碳酸二甲酯,即得。本发明工艺以工业废渣制备的催化剂催化二氧化碳和甲醇合成碳酸二甲酯,提高了对甲醇的转化率且成本低。

标签:
固废
山东 - 泰安 来源:中冶有色网 2023-03-19
无公害专用菌生猪养殖方法

本发明公开了一种无公害专用菌生猪养殖方法,在地下建65-90cm的池子,将池子的高度分成三等分,然后将废弃的植物茎叶分三次填入踩实,同时把固体菌种也分三次放入踩实,固体菌种的用量为每平方米1.5公斤,然后将中药防病剂和乳酸血清用水650倍稀释后浇入坑内,其用量为每平方米0.9公斤,进行发酵10天后,即可将猪放入饲养。本发明方法可以使猪健康快速生长,是无污染、高效、省时、省力、省料、基本上不用抗生素的新型科学养殖办法。菌种在发酵过程中产生生物热,可以有效解决北方冬天温度过低的问题,可将猪粪尿分解,解决环保问题。

标签:
固废
山东 - 青岛 来源:中冶有色网 2023-03-19
手术室护理用清洗消毒装置

本实用新型公开了一种手术室护理用清洗消毒装置,包括底座,底座的顶部设置有一个清洗室以及三个位于清洗室左侧的储液箱,储液箱与清洗室之间设置有输送机构,输送机构由一个输送泵、一个T形管、三个定时阀、三个第一输送管、一个第二输送管、一个第三输送管和若干个喷头组成。本实用新型通过漏斗对清洗过程中产生的废水进行收集使其由连接座流入过滤篮内,通过过滤篮能够对固体污物进行过滤,能够减少固体污物堵塞排污管的情况,向外侧拉动限位杆使得限位杆与限位孔分离后拉动过滤篮使连接座与两个限位座分离即可将过滤篮取出,进而便于对过滤篮内过滤下的固体污物进行清理,提高了该清洗消毒装置的实用性。

标签:
固废
山东 - 菏泽 来源:中冶有色网 2023-03-19
随钻不落地设备之钻屑接收输送装置

本实用新型公开了一种随钻不落地设备之钻屑接收输送装置,包括设备框架、液压油箱、系统控制柜、液压柱塞泵、液压活塞泵、搅拌机、液下泵、泥砂接收罐、进料泵、固体药剂料仓和固体药剂料仓支架,所述设备框架为矩形框架结构,液压油箱、系统控制柜、液压柱塞泵、液压活塞泵、搅拌机、液下泵及泥砂接收罐均安装在设备框架内集成为一个撬装单元。本实用新型设计合理,结构简单,实用性强。通过接收、输送钻井固控设备排出的颗粒性钻屑、泥砂,并加入固体颗粒性药剂,实现大量废泥浆有效输送,解决了钻屑、泥砂的远距离输送问题。一体的组合设计、框架撬装式设计,外形尺寸大小适宜车载运输。

标签:
固废
山东 - 东营 来源:中冶有色网 2023-03-19
粪污固液自动分离设备

本实用新型公开了粪污固液自动分离设备,包括粪污综合池、固液分离装置、固体粪渣收集池和污水收集池;所述的粪污综合池的顶端设有粪污入口,所述的粪污综合池的内部设有搅拌装置、水泵和“Γ”型的上料管;所述的固液分离装置包括收集盘,以及收集盘上方的振压装置、收集盘下方的污水存储装置和收集盘右侧的传送装置,所述的传送装置的右侧为固体粪渣收集池,所述的传送装置为倾斜放置,且靠近固体粪渣收集池一侧较低,所述的污水存储装置的侧壁底部设有带阀门的排污口,排污口通过管道与污水收集池相连接。本实用新型设计合理,粪污废水的固液分离效果好,同时通过对粪渣与污水的分开收集处理可以回收利用粪渣和水,收集盘里不会残留粪污,易清理,工作效率高。

标签:
固废
山东 - 德州 来源:中冶有色网 2023-03-19
基于工业尾气-污水处理-绿色高性能土木功能材料协同处置的赤泥利用方法

本发明涉及一种基于工业尾气‑污水处理‑绿色高性能土木功能材料协同处置的赤泥利用方法,属于环境科学及胶凝材料制备技术领域,尤其涉及固废基胶凝材料制备工艺,具体为:通过处理污水的赤泥残渣协同其他固废,通过物理化学活化及高温煅烧的方式,制备一种高性能、绿色环保的赤泥基绿色土木功能材料。本发明提出的方法制备的固废基胶凝材料抗压强度可达29MPa,重金属等毒性元素浸出量(小于3.0ppm)远低于国家规范要求,能够制备出性能良好的固废基胶凝材料。

标签:
固废
山东 - 济南 来源:中冶有色网 2023-03-19
用于矿井巷道的隔热装置及其施工方法

本发明公开了一种用于矿井巷道的隔热装置及其施工方法,所述固废隔热装置的结构包括锚索、锚杆、围岩、固废隔热模板、混凝土层、巷道、温度传感器,本发明利用固废材料高温烧结制备隔热模板,模板具良好的隔热性能和支护作用,可以降低固废排放,减少占用耕地面积,施工方法中采用50%的锚固预紧力,可以解决巷道变形时,高预紧力的支护失效,隔热模板和围岩分离问题。

标签:
固废
山东 - 青岛 来源:中冶有色网 2023-03-19
上一页 487 488 489 490 491 ... 500 ... 2000 ... 2016 下一页
共2016页    到第

中冶有色为您提供最新的山东有色金属理论与应用信息,涵盖发明专利、权利要求、说明书、技术领域、背景技术、实用新型内容及具体实施方式等有色技术内容。打造最具专业性的有色金属技术理论与应用平台!

全国热门有色金属设备推荐
展开更多 +
全国热门有色金属技术推荐
展开更多 +

 

江西省隆恩特环保设备有限公司
宣传

报名参会
更多+

报告下载

有色专家
更多+

武汉科技大学
校学术委员会主任 / 教授
武汉理工大学
外籍院士/教授
中国矿业大学(北京)
院长/教授
任灵宝金源矿业股份有限公司
技术发展部经理
中南大学
教授、博士生导师
赤泥综合利用研究报告2025
推广

热门技术
更多+

推荐企业
更多+

福建省金龙稀土股份有限公司
宣传

发布

在线客服

公众号

电话

顶部
咨询电话:
010-88793500-807