青岛垚鑫智能科技有限公司
宣传

位置:中冶有色 >

有色技术频道 >

分类:
全部
矿山技术
冶金技术
材料制备及加工技术
环境保护技术
分析检测技术
地区:
全部
北京
天津
上海
重庆
河北
山西
辽宁
吉林
黑龙江
江苏
浙江
安徽
福建
江西
山东
河南
湖北
湖南
广东
海南
四川
贵州
云南
陕西
甘肃
青海
内蒙
广西
西藏
宁夏
新疆
其他
其他
展开
 
全部

有色金属技术理论与应用

免费发布技术信息>>
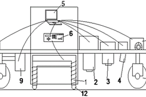
穗状水果的自动检测与分级装备

本发明公开了一种穗状水果的自动检测与分级装备,涉及农产品在线无损自动检测与分级技术。本发明包括依次连接的输送装置、数据采集装置、分级控制系统、分级踢出装置和分拣装置;在输送装置一侧设置有数据采集装置,在输送装置的另一侧设置有分级踢出装置,在分级踢出装置的下方设置有分拣装置。本发明的夹持机构保证了悬挂式输送水果上料方便,易于操作,运输稳定;利用机器视觉和光谱技术对穗状水果进行图像检测和光谱数据收集,对水果的外部品质和内部品质综合判断分级,从而克服分级指标少、功能单一的特点;自动踢出装置能实现水果的自动分级,不会损伤柔软果实的水果;分拣装置加快了分级的速度,避免过多的人力资源消耗,提高了分级效率。

标签:
无损检测
湖北 - 武汉 来源:中冶有色网 2023-03-19
自然散热紫外线LED铝合金面板荧光检测设备

本发明一种自然散热紫外线LED铝合金面板荧光检测设备,是UVA无损荧光检测中的灯具设备,具有自然散热,无需风扇,无需庞大水冷系统的铝合金面板荧光检测设备。其特征在于:依靠铝合金自身散热功能,无需风扇,无需庞大的水冷散热系统,满足多颗大功率紫外线LED长时间工作的散热需要,保证长时间工作保持光照稳定。本发明提供了良好的散热方案,无需风扇,没有噪音,无需耗电,节能环保,没有水冷系统的庞大体积等优点。

标签:
无损检测
湖北 - 武汉 来源:中冶有色网 2023-03-19
用于焊接钢塔筒的检测装置

本发明提供用于焊接钢塔筒的检测装置,包括两个截面为H型的半圆环,其两端通过多个连接弹簧互相连接;两个柔性电磁铁,吸附钢塔筒外壁;两组移动检测机构,分别设置于两个所述半圆环上,包括:C型架,分别滑动设置在所述半圆环的两个槽内;驱动单元,分别驱动所述C型架沿所述半圆环移动;移动单元,设置于所述C型架的外侧壁;移动板,通过所述移动单元驱动朝向半圆环圆心前后移动;探伤设备,固定架设在所述支撑柱的端部;所述探头、超声波无损检测模块和摄像头;两组行走单元,分别对称设置于所述移动板上下两端。该装置携带探伤设备在钢塔筒的表面进行升降和行走,并进行自动进行焊缝探伤。

标签:
无损检测
陕西 - 西安 来源:中冶有色网 2023-03-19
X射线轮胎检测设备的轮胎旋转机构

本实用新型涉及一种X射线轮胎检测设备的轮胎旋转机构,属于工业无损检测领域。X射线轮胎检测设备的轮胎旋转机构包括四组撑胎悬臂机构和四组导向轴,所述撑胎悬臂机构包括旋转套、第一同步带轮和撑胎轴,所述旋转套套装在撑胎轴上,所述第一同步带轮固定在旋转套上,所述导向轴上固定设置第二同步带轮,还包括旋转轴,旋转轴上固定设置第三同步带轮和第四同步带轮。本实用新型只需一组电机即可实现旋转动作,节省了成本;且撑胎轴采用滚珠花键机构,相同轴径下增强了轴的强度,适用于对大型轮胎的检测。

标签:
无损检测
安徽 - 合肥 来源:中冶有色网 2023-03-19
用于水分含量检测的超材料传感器

本实用新型公开了一种用于水分含量检测的超材料传感器,包括:基板;两个馈电端口,设于基板的两侧;带通滤波器,设于基板的上表面,所述带通滤波器包括中间部分的耦合微带线以及位于耦合微带线两端的侧边微带,形成两个耦合部,两个侧边微带分别连接两侧的馈电端口,所述耦合微带线上表面为测试区域;两个互补开口谐振环,设于基板的下表面,对应带通滤波器的两个耦合部的位置分别设置。本传感器采用开口谐振环超材料结构,大大提高传感器检测精度和谐振强度,具有无损检测特性,不会破坏被检测物的结构和特性;本传感器设计为平面结构,易于与智能终端集成,结构设计简单,制作成本低。

标签:
无损检测
江苏 - 南京 来源:中冶有色网 2023-03-19
复杂水工混凝土结构钢筋埋深的检测装置

本实用新型公开了一种复杂水工混凝土结构钢筋埋深的检测装置,该装置包括小车、位于小车上的天线和与小车连接的导向装置,导向装置通过支架安装在待测钢筋混凝土上,所述天线与雷达仪主机连接,小车与驱动装置连接,通过驱动装置使得小车沿导向装置移动。本实用新型的一种复杂水工混凝土结构钢筋埋深的检测装置,其充分考虑了水工混凝土结构存在曲面、临空面等复杂特性,利用各装置的力学性能及雷达检测技术,实现了适用于复杂水工混凝土结构任意方向钢筋埋深的无损检测。

标签:
无损检测
江苏 - 南京 来源:中冶有色网 2023-03-19
橡塑卷材在线自动检测厚度的装置

本实用新型提供的橡塑卷材在线自动检测厚度的装置,包括底座,设置在底座上的导辊、基准辊和横梁,设置在横梁上的滑动固定板;滑动固定板与横梁滑动连接;在滑动固定板上有一凹槽,基准辊设置在凹槽正下方;凹槽里侧一面水平设置有光源,与光源相对的面上水平设置有图像传感器;在凹槽上设置有涡流传感器,涡流传感器位于基准辊正上方;涡流传感器探头正对着基准辊设置;涡流传感器探头在光源发出的水平光线的下方。本实用新型橡塑卷材在线自动检测厚度的装置,通过基准辊和滑动固定板的设置,利用涡流传感器、图像传感器完成被测量材料厚度的测量,实现了实时、无损检测,一方面避免了被测样品的浪费,另一方面测量全面,测量得到的数据精度高。

标签:
无损检测
广东 - 佛山 来源:中冶有色网 2023-03-19
支柱绝缘子孔泡检测方法及装置、终端、存储介质

本发明实施例提供支柱绝缘子孔泡检测方法,沿轴线方向选取若干个位置,并在每一位置处与轴线相交的截平面圆周上获得透射点,采用太赫兹波测量透射点的透射波形;检测透射点的功率谱密度谱;获取透射点的第一平均孔径,获取支柱绝缘子在截平面上的孔径标准差;获取截平面对应位置处的第二平均孔径,获取支柱绝缘子沿轴线方向的孔径标准差;根据第一平均孔径、支柱绝缘子在截平面的孔径标准差以及支柱绝缘子沿轴线方向的孔径标准差,评估所述支柱绝缘子孔泡状态。本发明还提供一种支柱绝缘子孔泡检测装置、终端装置与存储介质,利用本发明实施例可对支柱绝缘子中填充材料的平均孔径进行无损直接检测,评估支柱绝缘子的整体性能。

标签:
无损检测
广东 - 深圳 来源:中冶有色网 2023-03-19
多类型缺陷的新型涡流同步检测方法及探头

本发明涉及一种多类型缺陷的新型涡流同步检测方法及探头,属于电磁无损检测技术领域。采用绕制在同一个环形线柱上的第一螺线管扇形绕线组和第二螺线管扇形绕线组组合激励,在材料不同部位分别产生垂直、水平及倾斜方向的涡流;在第一螺线管扇形绕线组和第二螺线管扇形绕线组中分别通以大小和相位均不相等的同频率正弦交变电流;利用采集元件采集材料中的裂纹及分层缺陷信号,根据信号对材料中裂纹及分层缺陷的位置和尺寸大小进行判定。本发明具有检测效率高、探测深度大的优点,通过采用圆心角为60度第一螺线管扇形绕线组和圆心角为290度的第二螺线管扇形绕线组组合激励,在特定部位感应出特定流动方向的涡流,实现了对裂纹和分层缺陷的同步检测。

标签:
无损检测
宁夏 - 银川 来源:中冶有色网 2023-03-19
铁磁性合金钢位错密度检测方法

本发明涉及一种铁磁性合金钢位错密度检测方法。采用磁巴克豪森噪声法对铁磁性合金钢位错密度进行检测,检测过程方便、快捷,对试样表面质量要求低,检测结果精度高,能够对铁磁性合金钢中不同程度的位错密度进行定量无损评价。

标签:
无损检测
北京 - 北京 来源:中冶有色网 2023-03-19
道岔轨件全生命周期伤损检测方法及系统

本发明公开了一种道岔轨件全生命周期伤损检测方法及系统,属于无损检测技术领域,利用传感器采集道岔轨件的实时数据,并对实时数据进行预处理,得到采集信号;对所述采集信号进行独立成分分析,得到独立源信号,并对所述独立源信号进行幅度恢复;根据幅度恢复后的独立源信号进行伤损判断,如果存在声发射信号,则求解声发射信号的数字特征并进行响应;如果不存在声发射信号,则求解幅度恢复后的独立源信号的非线性特征并进行响应;根据不同的响应得出道岔轨件的伤损情况。本发明利用非线性超声实现微裂纹/微缺陷识别,利用声发射信号实现宏观裂纹检测,从而实现了一种道岔轨件全生命周期伤损检测方法及系统。

标签:
无损检测
四川 - 成都 来源:中冶有色网 2023-03-19
膜过滤-表面增强拉曼光谱联用检测痕量环境纳米污染物的装置、方法及应用

本发明提供一种膜过滤‑表面增强拉曼光谱联用检测痕量环境纳米污染物的装置、方法及应用。本发明装置包括过滤装置和拉曼光谱仪;所述过滤装置所用过滤膜为银纳米线滤膜。本发明装置结合了膜过滤富集技术与表面增强拉曼光谱检测技术,能够将水样中的纳米颗粒物高效且快速的富集到具有分离富集功能与表面增强拉曼活性的滤膜表面,从而实现水样中痕量纳米颗粒污染物的原位分析检测。本发明方法具有操作简便、成本较低、富集效率高、检测速度快、灵敏度高且样品无损失等优势。

标签:
无损检测
山东 - 济南 来源:中冶有色网 2023-03-19
接装纸打孔烟支孔洞尺寸检测装置

本发明属于检测装置技术领域,具体涉及接装纸打孔烟支孔洞尺寸检测装置,包括进样机构、图像采集机构和数据处理系统;进样机构与图像采集机构连接,图像采集机构包括套筒、成像机构和光源,套筒于待检测烟支的孔洞位置安装有成像机构与光源;成像机构用于捕捉孔洞图像,并将孔洞图像传输至数据处理系统;光源发出光线照射在待检烟支上;数据处理系统与图像采集机构信号连接,用于计算处理成像机构传输过来的孔洞图像信息,得到烟支接装纸上的孔洞参数。其目的是:克服现有装置无法无损测量在线接装纸打孔烟支孔洞尺寸问题,满足对在线接装纸打孔烟支打孔质量有效监控的需要,进而达到控制滤嘴通风率稳定性和在线激光打孔设备运行状况的目的。

标签:
无损检测
重庆 - 重庆 来源:中冶有色网 2023-03-19
检测布料含棉量的方法

本发明公开一种检测布料含棉量的方法,所述方法包括标样选取、滴定溶液的选取、布料标样的滴定而得到的标样滴定速率来鉴定衣物含棉量。本发明为无损检测,鉴定的过程中不会破坏衣物、无污染气体产生,而常用的燃烧法检测会破坏试样且污染环境。本方法无需高成本仪器和工具,检测方法简单、对布料含棉量的鉴定有重要意义。

标签:
无损检测
湖北 - 宜昌 来源:中冶有色网 2023-03-19
甜橙储存时间的检测方法

本发明公开了一种甜橙储存时间的检测方法,本发明采用气体传感器并结合声表面波测量不同储存时间甜橙样品的响应信号,根据气体传感器阵列响应数据和声表面波检出频率构建甜橙储存时间第一、第二预测模型,建立甜橙储存时间综合预测模型,并利用甜橙储存时间综合预测模型对甜橙样品W的储存时间进行预测。本发明具有快速、无损、准确性好的优点,可根据预测得到的储存时间对甜橙的储存、采摘时间进行合理安排,有效防止在运输及储存过程中甜橙的腐败变质。

标签:
无损检测
浙江 - 杭州 来源:中冶有色网 2023-03-19
水泥土搅拌桩质量检测装置

本实用新型公开了一种水泥土搅拌桩质量检测装置,该装置包括激振设备、地震仪、多个传感器和计算机;其中:激振设备上设有触发开关,触发开关和地震仪相连,多个传感器分别与地震仪相连,计算机和地震仪相连。本实用新型采用不同主频的传感器可对不同龄期的水泥土搅拌桩进行多波段、多通道检测,克服了以往小应变法无法得到桩底反射信号的缺陷,对桩身无损伤,通过测试结果分析可确定桩的实际长度,判定施工方是否存在偷工减料等人为因素而造成的工程质量问题;传感器价格低、可重复使用不易损坏;设备简便、体积小、质量轻,携带方便,地震仪上通常有几十个通道,可满足多个通道的检测要求。

标签:
无损检测
江苏 - 南京 来源:中冶有色网 2023-03-19
柔性超小型RFID应变传感标签及应变检测方法

本发明公开一种柔性超小型RFID应变传感标签及应变检测方法,应用于结构健康监测和无损检测领域,针对现有的标签天线尺寸过大,难以适用于复杂机械结构的检测的问题;本发明提供的柔性超小型RFID应变传感标签贴于构件表面,当标签变形时,其阻抗变化为Zsensed,雷达散射截面随之变化;阅读器在与标签通讯的同时可以根据RCS0和RCS1强度的变化远程监测天线参数,从而推知回波信号强度RSSI的变化,间接获知标签形变;当标签天线阻抗发生变化时,标签的谐振频率随之变化,通过分析谐振频率偏移,也可以间接获取标签的形变信息。

标签:
无损检测
四川 - 成都 来源:中冶有色网 2023-03-19
基于文字的超声检测夹具类型智能识别方法及装置

本发明公开一种基于文字的超声检测夹具类型智能识别方法与装置,方法包括:获知待测工件信息,生成其所对应的文字信息,并将所有文字信息储存在服务器中;将生成的文字打印出文字标签,并将文字标签粘贴固定到编号块上;将编号块固定在工件对应工件夹具的一端;将待测工件固定在工件夹具上,读取编号块上的文字标签,从服务器获取对应的工件的形状、尺寸、材料信息,并与需要检测的工件的信息相比较,如果完全匹配,则说明夹具选择正确,可以执行超声波扫描;装置包括工件夹具、编号块、文字扫描器、超声波无损检测仪。本发明可以准确识别夹具的编号,防止使用错误的处方,免除了发生意外碰撞的危险。

标签:
无损检测
上海 - 上海 来源:中冶有色网 2023-03-19
非接触式胶丝直径在线检测系统

本实用新型涉及检测设备技术领域,公开了一种非接触式胶丝直径在线检测系统,废丝回收装置、检测装置与剪丝装置依次设置在机架上;检测装置为非接触式光学直径测量仪,检测装置与胶丝的移动方向相对倾斜;机架上设有带有多个导向槽的导丝架;剪丝装置包括第一驱动机构、第二驱动机构和切刀,第一驱动机构能驱动第二驱动机构左右移动,第二驱动机构能够驱动切刀上下移动;回收管通过输送管与吸风机连接,回收管向下倾斜布置,折叠压丝架设置在回收管的下表面;采用本实用新型,能够无损伤地测量胶丝直径且检测准确度高,并能剪断不符合直径要求的胶丝,将不符合直径要求的胶丝部分通过废丝回收装置回收收集。

标签:
无损检测
广东 - 江门 来源:中冶有色网 2023-03-19
低场核磁智能检测微波真空干燥果蔬介电特性的装置及方法

本发明提供一种低场核磁智能检测微波真空干燥果蔬介电特性的装置及方法,属于果蔬干燥品质智能化识别技术领域。本发明采用微波真空干燥技术进行果蔬干燥,干燥过程中阶段性取样,对样品进行低场核磁共振分析,同样的样品采用矢量网络分析仪测定介电特性。对得到的样品介电特性数据和核磁结果参数进行分析,采用偏最小二乘回归法建立表达两者关系的回归模型,依据此模型进行未知样品的介电特性预测。本发明利用低场核磁共振技术,解决原有果蔬介电特性检测中对物料形状和厚度的特殊要求,实现果蔬干燥过程中介电特性变化的无损、便捷、智能检测,为智能干燥中微波功率的调控提供有力依据。

标签:
无损检测
江苏 - 无锡 来源:中冶有色网 2023-03-19
基于红外光声光谱的含氮类农药残留快速检测方法

基于中红外光声光谱技术进行含氮类农药残留检测方法:⑴.采集样品红外光声光谱数据:利用红外光声光谱仪,选择合适的动镜速率、扫描次数等参数,采集样品的红外光声光谱数据;⑵.将步骤⑴得到的光谱数据进行预处理,包括小波分析进行平滑、消噪,数据标准化等,获得待测样品的红外光声光谱曲线;⑶.分析步骤⑵所得的图谱,包括特征峰位置确认,主成分分析;⑷.结果分析:结合农药分子结构,分析步骤⑶所得的图谱:确定待测农药分子结构中具有特定官能团的红外吸收峰位置;对比样品和对照该位置是否有红外吸收峰出现,最终确定农药的残留类型。本方法可以实现对农产品快速、无损、原位检测,并可以向现场快速检测发展。

标签:
无损检测
江苏 - 南京 来源:中冶有色网 2023-03-19
通用轮胎X射线检测装置

本实用新型为轮胎质量的无损检测技术目的提供了一种通用轮胎X射线检测装置。本专利申请技术方案的通用轮胎X射线检测装置包括有轮胎夹持机构、悬臂撑胎执行总成及旋转总成和X射线成像运转机构、X射线管运转机构,从而实现了夹持轮胎、悬挂固定、为X射线管深入检测的扩胎、驱动旋转以及X射线成像系统的运转等操作,达到了自动全面质量检测的技术效果。

标签:
无损检测
辽宁 - 丹东 来源:中冶有色网 2023-03-19
轴瓦多参数自动检测分选机

本实用新型涉及一种轴瓦多参数自动检测分选机,包括机座,所述机座的顶面靠近左端处设有上料装置,上料装置的上方设有移料装置,移料装置的右侧设有测量装置,测量装置的右侧设有下料装置,下料装置的上方设有控制系统。本实用新型的有益效果为:结构精巧,运行可靠,无损工件,可快速,模块化结构,高效对轴瓦壁厚进行两点检测,或对轴瓦半径高以及平行度进行双摆动压板检测,提高了系统的柔性,可实现装备快速重组,方便制造与维修,适应多品种工件。

标签:
无损检测
北京 - 北京 来源:中冶有色网 2023-03-19
涡流检测探头
涡流检测探头 1074     
 0

本实用新型涉及无损检测领域,尤其涉及一种涡流检测探头,包括绕组单元(2)和封装绕组单元的外壳(3);所述绕组单元(2)包括磁芯(2-1),绕在磁芯(2-1)上检测线圈(2-2)和绕在检测线圈(2-2)上的激励线圈(2-3);所述外壳(3)的上部设有通孔(4),下部设有空腔(5);所述绕组单元(2)被封装在所述空腔(5)内;所述激励线圈(2-3)由直径为0.14~0.16mm的漆包铜线绕制445~450匝形成;检测线圈(2-2)由直径为0.05~0.07mm的漆包铜线绕制1400~1500匝形成。采用上述技术方案后,克服了涡流检测探头对材质为40Cr的回转支承表面淬火层识别不敏感,容易漏检的技术问题。

标签:
无损检测
江苏 - 常州 来源:中冶有色网 2023-03-19
快速的艾片药材检测方法

本发明公开了一种艾片药材近红外光谱检测方法,方法包括艾片药材中樟脑、异龙脑及龙脑的近红外测定,步骤如下:(1)药材样品准备,粉碎并过筛,备用,(2)目标成分的检测,药材樟脑、异龙脑及龙脑测定(气相法),(3)近红外光谱数据采集,(4)定量模型的建立,近红外数据与已知成分含量进行关联,建立定量校准模型(5)未知供试品近红外测定。该方法实现了对艾片药材快速检测,具有方便、快捷、简单、准确、无损的优势,可保证艾片及其相关制剂质量的安全、有效、可控、稳定。

标签:
无损检测
江苏 - 无锡 来源:中冶有色网 2023-03-19
铝合金扁铸锭水浸式超声波检测系统

本实用新型涉及一种铝合金无损检测系统,尤其涉及一种铝合金扁铸锭水浸式超声波检测系统。一种铝合金扁铸锭水浸式超声波检测系统,包括:超声波水槽(1)、活动支撑架(2)、水浸式相控阵超声波探头(4)、气泡刷(5)、Z方向运动轴(6)、Y方向轨道(7)、扫描桥架及电气系统(8)、探头线缆(9)、相控阵超声波仪(10)、X轴轨道(11)、工控机(13)、试块支架(15)。所述超声波水槽(1)底部设有用于承载待检测铝合金扁铸锭(3)的活动支撑架(2),所述超声波水槽的一个侧壁和活动支撑架(2)之间设有试块支架(15)。本实用新型实现针对不同类型的铝合金缺陷制定有区别性且高可重复性高可再现性的水浸式相控阵解决方案。

标签:
无损检测
广西 - 南宁 来源:中冶有色网 2023-03-19
自动化焊缝缺陷磁粉检测装置

本实用新型涉及焊缝缺陷无损检测技术领域,尤其涉及一种自动化焊缝缺陷磁粉检测装置。所述上位机由所述底盘支撑放置;所述交叉磁轭由与所述上位机连接的所述电信号发生器控制,用于对焊缝进行复合磁化;由所述上位机控制的所述磁悬液喷涂仪用于对复合磁化后的焊缝进行磁悬液喷涂。所述高清照相机用于对焊件进行摄像并将图像上传至所述上位机处理,识别焊缝缺陷;所述缺陷喷涂器用于对焊缝缺陷位置进行喷涂标记;本实用新型的目的就是针对现有技术中存在的缺陷提供一种自动化焊缝缺陷磁粉检测装置,适用于焊缝表观缺陷自动化检测。

标签:
无损检测
江苏 - 南京 来源:中冶有色网 2023-03-19
奥氏体不锈钢形变诱发马氏体检测设备

本实用新型涉及技术领域,具体来说是一种奥氏体不锈钢形变诱发马氏体检测设备,包括壳体、连接头、检测头和数据线,所述的壳体内表面上开设有若干条凹槽,用于排放内部接线,壳体内表面上还设有塑胶层,所述的塑胶层使凹槽的上表面闭合,壳体外表面设有保护膜;所述的数据线一端设有连接头,用以与壳体上的接口相连接,连接头上设有保护层,保护层内设有间隙,用于增加缓冲,保护层外套有保护套,数据线另一端设有检测头。本实用新型同现有技术相比,组合结构简单可行,易于安装与拆卸,其优点在于:可以无损、在线地进行马氏体相变量的检测,且设备整体结构设计合理,内部排线安全可靠,线路连接头设有保护层和保护套,不易损坏,使用寿命长。

标签:
无损检测
上海 - 上海 来源:中冶有色网 2023-03-19
基于磁桥原理的铁磁材料厚度检测装置

本实用新型公开了一种基于磁桥原理的铁磁材料厚度检测装置,包括外壳体;外壳体内固定有磁源体、霍尔元件和用于引导磁源体磁场经过霍尔元件的磁性体;平衡电桥具有两个支路,霍尔元件的两个输出端分别接入上述两个支路上;信号放大器用于检测并放大两个支路之间的电势差;信号显示器用于接收信号放大器的信号并将其显示。本实用新型是基于磁桥检测原理,具有灵敏度高的特性,且磁场的传递不需要实物直接接触,特别适合自动流水线上对铁磁材料做无损检测,不仅不需要破坏材料,而且重复性也较好。

标签:
无损检测
四川 - 成都 来源:中冶有色网 2023-03-19
击发数字检测装置
击发数字检测装置 1065     
 0

本实用新型公开了一种击发数字检测装置,包括PCB电路板[1]、双路按键[4]、电压电流检测模块[5]、电池[9]、检测电阻[10]和测试点[12];将检测装置放入炮尾闩体中,礼炮击发操作后,测试点与击针接触,保护盖体与闩体接地,形成一个回路,可以直接测得击发电压,按下双路按键后,可以测出实际的击发电流值。本实用新型能够高精度、无损、自动化及智能化检测击针的击发电压或电流,精度高、成本低、测试方法简单易行。

标签:
无损检测
山西 - 太原 来源:中冶有色网 2023-03-19
上一页 1990 1991 1992 1993 1994 ... 2000 ... 5000 ... 10000 ... 20000 ... 30000 ... 32465 下一页
共32465页    到第

中冶有色为您提供最新的有色金属技术理论与应用信息,包括矿山技术、冶金技术、材料制备及加工技术、环境保护技术和分析检测技术等有色技术信息。打造最具专业性的有色金属技术理论与应用平台!

全国热门有色金属设备推荐
展开更多 +
全国热门有色金属技术推荐
展开更多 +

 

江西省隆恩特环保设备有限公司
宣传

报名参会
更多+

2025年10月15日 ~ 17日
2025年10月17日 ~ 19日
2025年10月31日 ~ 11月02日
2025年11月07日 ~ 09日

报告下载

有色专家
更多+

中国矿业大学
教授
昆明理工大学
教授
湖南有色金属研究院
教授级高工/原总工程师
任灵宝金源矿业股份有限公司
技术发展部经理
国家钨与稀土产品质量检验检测中心
主任
赤泥综合利用研究报告2025
推广

热门技术
更多+

推荐企业
更多+

福建省金龙稀土股份有限公司
宣传

发布

在线客服

公众号

电话

顶部
咨询电话:
010-88793500-807