青岛垚鑫智能科技有限公司
宣传

位置:中冶有色 >

有色技术频道 >

分类:
全部
矿山技术
冶金技术
材料制备及加工技术
环境保护技术
分析检测技术
地区:
全部
北京
天津
上海
重庆
河北
山西
辽宁
吉林
黑龙江
江苏
浙江
安徽
福建
江西
山东
河南
湖北
湖南
广东
海南
四川
贵州
云南
陕西
甘肃
青海
内蒙
广西
西藏
宁夏
新疆
其他
其他
展开
 
全部

有色金属技术理论与应用

免费发布技术信息>>
家庭废水回收式洗手台
家庭废水回收式洗手台 1057     
 0

本实用新型公开了一种家庭废水回收式洗手台,包括洗手池,所述洗手池内设有用于排水的第一排水口和第二排水口,所述第一排水口连接第一水管,所述第一水管连接有U型管道,所述第二排水口连接第二水管,所述第二水管远离第二排水口的一侧连接有用于储存废水的集水箱,所述集水箱包括箱体,所述洗手池上设有进水口,所述进水口连接水龙头,所述水龙头连接控水开关,所述洗手池靠近水龙头一侧设有置物台,所述洗手池固定连接安装板,所述安装板靠近洗手池的一侧设有烘干机,本实用新型根据现有需求进行设计,方便废水回收,增加废水利用率,能防止臭气进入水管内,具有烘干功能。

标签:
废水处理
广东 - 梅州 来源:中冶有色网 2023-03-19
脱硫废水浓缩烟道及处理装置

本实用新型涉及脱硫废水处理技术领域,尤其是涉及一种脱硫废水浓缩烟道及处理装置,其中,烟道包括至少一个水平烟道和至少一个竖直烟道;所述水平烟道和所述竖直烟道依次交替连通;或所述竖直烟道和所述水平烟道依次交替连通;所述水平烟道上设置有多个第一布水机构;沿烟气流动方向,所述竖直烟道与下一级所述水平烟道的连接处设置有第二布水机构。脱硫废水可分别通过第一布水机构和第二布水机构进入水平烟道和竖直烟道中进行蒸发浓缩,第一布水机构和第二布水机构充分利用了水平烟道和竖直烟道的特点,提高了烟道内废水蒸发时间,有效避免了直接喷淋造成的液滴大量迁移至脱硫塔中,提高了烟道的浓缩效率和适用性。

标签:
废水处理
北京 - 北京 来源:中冶有色网 2023-03-19
印刷混合废水综合处理回用系统

本实用新型涉及一种印刷混合废水综合处理回用系统及其使用方法,包括一、二、三、四级处理装置以及废水管和回水管;一级处理装置包括阶梯状分布的粗格栅池、细格栅池和调节池以及与调节池并联的溢流池;二级处理装置包括二级水泵、砂炭过滤器和中间水箱;三级处理装置包括三级水泵、超滤器和超滤水箱;四级处理装置包括四级水泵、纳米过滤器和纳米水箱;各级滤器之间通过同级水泵连接,同级滤器与同级水箱通过水管连接,各级滤器底部还连接回水管与调节池联通,超滤水箱与纳米水箱还分别连接超滤水管和纳米水管用于处理后废水的回用,回用后的废水再次纳入系统进行处理,经纳米过滤器过滤后多余的水则被排出系统。本实用新型投资低、效果好,运行费用少。

标签:
废水处理
上海 - 上海 来源:中冶有色网 2023-03-19
废水处理反应器
废水处理反应器 768     
 0

本实用新型公开了一种废水处理反应器,包括外壳体,在外壳体内设有微波发生装置及光波管,还设有盛装实验废水的实验转盘装置,所述实验转盘装置由转盘电机控制转动启停及转速,所述微波发生装置、光波管及转盘电机均连接至中央芯片处理器,由所述中央芯片处理器控制驱动电路,控制微波,光波以及转盘电机的运行。本实用新型废水处理反应器,应用在实验中使用方便,具有多种工作模式,智能化程度高,同时反应受热均匀,对废水的处理反应完全,精确度高稳定性好,具有较好的应用前景。

标签:
废水处理
安徽 - 芜湖 来源:中冶有色网 2023-03-19
过滤膜板可抖动的废水杂质滤除装置

本实用新型公开了一种过滤膜板可抖动的废水杂质滤除装置,包括L形支撑底座,在L形支撑底座的上方右侧位置处通过支撑腿柱固定设置有废水除杂箱,在废水除杂箱的内腔中部位置处呈左高右低的倾斜状态适配铰接设置过滤膜板,伺服驱动电机与圆形转盘之间设置有动力连杆,在圆弧形导向杆的外侧杆体壁面上适配滚动设置有外导向滑轮,在圆弧形导向杆的内侧杆体壁面上适配滚动设置有内导向滑轮,在支撑连架的架体中心位置处还通过转轴铰接设置竖直升降杆,过滤膜板的左端板体置放在水平托板上。本实用新型实现了过滤膜板上下抖动目的,加快了杂质颗粒的滤除效率,净化效果更好,缩短了废水处理时效。

标签:
废水处理
安徽 - 合肥 来源:中冶有色网 2023-03-19
多能互补深度利用洗浴废水的热能利用系统

本公开提供了一种多能互补深度利用洗浴废水的热能利用系统,包括污水源热泵机组、空气源热泵机组、用户侧循环水泵、污水侧循环水泵、辐射换热末端、污水提升管路、自来水预热管路和废水收集箱,所述废水收集箱内设有换热盘管Ⅰ和换热盘管Ⅱ,所述用户侧循环水泵、空气源热泵机组和辐射换热末端依次相连形成辐射换热环路Ⅰ,所述用户侧循环水泵、辐射换热末端和换热盘管Ⅰ依次相连形成辐射换热环路Ⅱ,所述用户侧循环水泵、污水源热泵机组和辐射换热末端依次相连形成辐射换热环路Ⅲ,所述污水侧循环水泵、污水源热泵机组和换热盘管Ⅰ依次相连形成污水侧环路,所述污水提升管路出口与废水收集箱相连,所述自来水预热管路和换热盘管Ⅱ相连。

标签:
废水处理
山东 - 济南 来源:中冶有色网 2023-03-19
深度纺织厂房排放废水净化处理设备

本实用新型公开了一种深度纺织厂房排放废水净化处理设备,包括初步净化箱,初步净化箱的箱体顶侧壁右侧位置处设置有废水通入管,滤芯芯体的顶端端部还固定设置有提拉手柄,初步净化箱的箱体顶部右侧内腔中还伸入有污气抽吸导管,废水絮凝处理机的顶侧外壁中部位置处设置有从动旋转接头,从动旋转接头的接头下方竖直设置有空心搅拌轴,消毒过滤箱的底部箱体内腔中设置有两层活性炭过滤层,消毒过滤箱的箱体内腔顶端位置处安装有紫外线灭菌灯。本实用新型确保了在滤芯芯体因长时间使用而失效的状态下能够及时的更换,相比于传统的静置式絮凝反应效率更高,紫外线灭菌灯会对废水进行最终的杀菌消毒处理工作,满足更高的环保回收要求。

标签:
废水处理
江西 - 抚州 来源:中冶有色网 2023-03-19
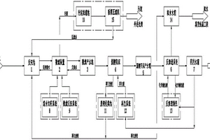
有色金属矿山酸性废水处理系统

本实用新型公开了一种有色金属矿山酸性废水处理系统,它是由曝气槽、一段中和搅拌槽、初沉池、砂滤罐、保安过滤器、反渗透处理器、硫化反应槽、硫化沉淀池、二段中和搅拌槽、二沉池和回水池构成,其中曝气槽、一段中和搅拌槽和初沉池用于去除铁离子,反渗透处理器用于对废水进行浓缩分离,硫化反应槽和硫化沉淀池用于硫化沉淀去除废水中的重金属,二段中和搅拌槽和二沉池用于中和去除残余的重金属离子。本实用新型采用“一段中和—反渗透—硫化沉淀—二段中和”处理工艺对有色金属矿山酸性废水进行处理,具有处理效果好、处理效率、可实现模块化组合等优点。

标签:
废水处理
吉林 - 长春 来源:中冶有色网 2023-03-19
医疗废水环保处理装置

本实用新型公开了一种医疗废水环保处理装置,包括依次连接的进水池、隔油池、絮凝池区域、过滤池以及清水池,所述过滤池还通过回流泵连接进水池,所述隔油池内设置有刮油机和刮泥机,所述絮凝池区域包括至少一个絮凝池,所述过滤池内设置有用于过滤处理的二元膜,所述二元膜包括MBR膜和SRO膜。本实用新型的医疗废水环保处理装置通过隔油池、絮凝池和过滤池分别对医疗废水进行除油去泥、分离颗粒杂质、去除重金属等有害物质,经过处理后的医疗废水达到回用标准,可回收利用,既环保,又节省水资源,起到节能环保的效果。

标签:
废水处理
广东 - 江门 来源:中冶有色网 2023-03-19
高氨氮焦化废水处理系统

本实用新型公开了一种高氨氮焦化废水处理系统,其包括由格栅井、隔油池、气浮池、超重力脱氮反应器和脱氰池组成的物化处理设备、由厌氧水解池、缺氧池、好氧池、二沉池及接触氧化池组成的生化处理设备以及由混凝沉淀池、砂滤池组成的深度处理设备。该系统将物理、化学和生化反应相结合,能够有效去除焦化废水中挥发酚、矿物油、氰化物、苯酚及苯系化合物、氨氮等有毒有害物质,不仅降低了焦化废水的处理成本,而且处理工艺合理、净化效率高,且可实现废水综合利用,出水能达到《污水综合排放标准》(GB8978-1996)规定的一级排放标准。

标签:
废水处理
河南 - 郑州 来源:中冶有色网 2023-03-19
重金属废水成套处理设备

本实用新型公开一种重金属废水成套处理设备,该设备的进水口在pH调节槽上部,pH调节槽与重金属捕捉剂反应槽的连接口在下部,重金属捕捉剂反应槽与重金属沉淀槽的连接口在上部,重金属沉淀槽经布水管与斜板沉淀池连接,斜板沉淀池的上部设有同向斜板,下部设有漏斗形排泥室,斜板沉淀池另一侧设置pH中和槽、稳流槽、逆流连续砂滤器,斜板沉淀池与pH中和槽之间、pH中和槽与稳流槽之间均设有溢流口,逆流连续砂滤器的进水管与稳流槽连接。本实用新型针对分散废水、临时排放废水处理,将成套设备设置在集装箱内,并与现有标准卡车相配套,便于流动作业以及集中管理。该重金属废水成套处理设备结构设计紧凑,占地面积小,操作简便,可控性强。

标签:
废水处理
广西 - 南宁 来源:中冶有色网 2023-03-19
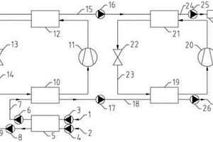
印染废水能量梯级利用系统

本实用新型公开了一种印染废水能量梯级利用系统,包括预热换热器,预热换热器的一端分别连接有印染废水进水管、自来水进水管,预热换热器的另一端分别通过印染废水连接管a、自来水连接管a与低温污水源热泵机组连接,低温污水源热泵机组分别通过自来水连接管b、印染废水连接管b与高温污水源热泵机组连接。本实用新型系统解决了现有技术废水余热利用率低、能源浪费严重的问题,提高了余热回收效率,减少了印染废水排放造成的热污染。

标签:
废水处理
陕西 - 西安 来源:中冶有色网 2023-03-19
废水生物处理装置
废水生物处理装置 1151     
 0

本实用新型公开了一种废水生物处理装置,涉及废水处理设备技术领域,主要目的是提供一种能够提高废水处理的温度的废水生物处理装置。本实用新型的主要技术方案为:一种废水生物处理装置,包括:池体;进水部件的一端连接于池体的上部,并且伸入池体,过滤部件设置在池体的中部,循环部件包括循环动力部件和循环管,循环管设置在池体内,循环动力部件包括提升风机、加热装置和混合管,提升风机和加热装置分别连接于混合管的一端,混合管的另一端连接于循环管;反洗管设置在过滤部件的下部,反洗泵的一端穿过池体并连接于反洗管,曝气管设置在反洗管的下部,曝气动力部件的一端穿过池体并连接于曝气管。本实用新型主要用于废水处理。

标签:
废水处理
新疆 - 乌鲁木齐 来源:中冶有色网 2023-03-19
废水中有害气体的电解装置

本申请实施例示出一种废水中有害气体的电解装置本申请实施例示出的电解装置,通过阴极,以及,阳极经废水中的有害物质电解为气体,所述气体由排气口排出,所述气体通过气体排出管流向尾气吸收装置,最终被吸收液吸收,经过第一次电解的废水流经循环出水管时,所述检测器对废水中的有害物质进行检测,若有害物质的含量超出安全范围则控制三通阀开启循环出水管,废水经过循环出水管再次流回电解槽二次电解,可见采用本申请实施例示出的技术方案可保证处理后的废水中有害物质的含量达到排放标准。

标签:
废水处理
辽宁 - 沈阳 来源:中冶有色网 2023-03-19
低镁脱硫废水零排放处理系统

本实用新型公开了一种低镁脱硫废水零排放处理系统,包括对低镁脱硫废水进行预处理的调节池、用于软化处理的反应池、用于软化后的低镁脱硫废水在其中澄清处理的澄清池、对澄清液进行过滤处理的微滤装置、对滤液进行离子交换处理的树脂装置、对离子交换处理获得的产水进行分盐提纯处理的纳滤装置、对纳滤装置的产水进行蒸发浓缩和结晶处理的二级MVR蒸发装置;所述调节池、反应池、澄清池、微滤装置、树脂装置、纳滤装置以及二级MVR蒸发装置依次连接。本实用新型采用预处理、软化除硬、纳滤分盐提纯、MVR蒸发结晶处理对低镁脱硫废水进行处理,最终产生可回用的蒸发冷凝水和氯化钠结晶盐,实现低镁脱硫废水的零排放。

标签:
废水处理
广东 - 深圳 来源:中冶有色网 2023-03-19
高浓度、难降解废水处理系统

本实用新型公开了一种高浓度难降解废水处理系统,包括依次连接的预处理系统、生化降解系统、后序处理系统;预处理系统采用微电解反应器+芬顿反应器+多功能废水处理机相结合处理的方式,大幅度降解各类污染物质,调整废水的可生化性能;生化降解系统中废水通过厌氧、缺氧、好氧一次生化+厌氧、好氧二次生化处理,并在生化内部通过不断的闭路内循环,可处理消解大部分的污染物质;后处理系统采用多功能生物滤池与多介质过滤、生物活性炭吸附相结合的处理方式,最终出水可合格排放。该系统适用范围广泛、处理效果好、运行成本低,强化了高浓度、难降解废水的物化、生化处理,对化工、染料、制药、制革类等多种废水均有较好的处理效果。

标签:
废水处理
江苏 - 无锡 来源:中冶有色网 2023-03-19
废水膜浓缩系统
废水膜浓缩系统 919     
 0

本实用新型公开了一种废水膜浓缩系统,解决了现有高盐废水处理存在工艺流程长,控制系统繁琐,运行费用较高,总体占地大等问题,技术方案包括废水预处理单元和废水提浓单元,所述废水预处理单元包括依次连接的反应池、微滤装置和微滤产水池;所述废水提浓单元包括依次连接的弱酸阳床、弱酸阳床产水箱和反渗透系统,所述反渗透系统分别连接回用水箱和浓水水箱。本实用新型行操作方便、工程占地小、处理维护成本较低。

标签:
废水处理
湖北 - 武汉 来源:中冶有色网 2023-03-19
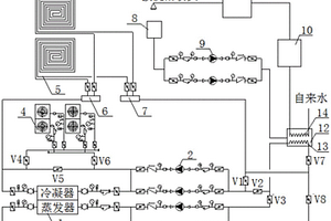
废水余热回收系统
废水余热回收系统 1058     
 0

一种废水余热回收系统,包括废水池,其特征在于:所述废水池通过污水泵与一号换热器连接,一号换热器循环连接有二号换热器,二号换热器连接有废水排放池;一号换热器与二号换热器均与吸收式热泵连接;所述吸收式热泵通过热介质输出管分别连接有生产用加热器、采暖加热器、保温水箱;还包括清水泵,清水泵分别与二号换热器、吸收式热泵及保温水箱连接;所述一号换热器、二号换热器、吸收式热泵分别设有清水循环系统;所述清水循环系统与清水泵连接。该实用新型的有益之处是,该实用新型结构简单,实现废水余热的回收利用,降低了废水的温度,降低了其对环境的伤害,节约了能源。

标签:
废水处理
山东 - 济南 来源:中冶有色网 2023-03-19
基于芬顿的废水处理系统

本实用新型公开了一种基于芬顿的废水处理系统。废水处理系统包括依次相连的预处理系统、生化系统、深度处理系统;预处理系统包括依次相连的沉砂池和均质池或一级气浮池;生化系统包括依次相连的水解酸化池、AO池、一级沉淀池;深度处理系统包括依次相连的接触氧化池、二级沉淀池、二级气浮池、生物活性炭滤池、膜过滤系统、非均相芬顿反应系统;非均相芬顿反应系统与水解酸化池之间设有连接管道。利用本实用新型提供的基于芬顿的废水处理系统处理废水,出水水质满足《城镇污水处理厂污染物排放标准》一级A标准,且废水处理成本低。

标签:
废水处理
广东 - 广州 来源:中冶有色网 2023-03-19
降解废水中PVA的系统
降解废水中PVA的系统 1193     
 0

本实用新型属废水处理领域,具体涉及一种降解废水中PVA的系统。本实用新型提供的降解废水中PVA的系统包括:废水收集池、第一加药池、第一絮凝沉淀池、pH值调节池、铁碳处理装置、中间池、紫外芬顿氧化池,第二加药池,第二絮凝沉淀池、清水池、压滤废水池以及污泥压滤池。该系统实现了铁碳处理装置与紫外芬顿氧化池直接相连,将铁碳处理过程中产生的Fe2+直接作为后续芬顿反应的催化剂,能节约资源并减少污泥的产生,并且能有效处理含低浓度PVA的废水,创造性地实现了含PVA污水的高效、快速、循环处理。

标签:
废水处理
广东 - 广州 来源:中冶有色网 2023-03-19
用于石油化工废水的处理装置

本实用新型涉及石油化工废水处理技术领域,具体涉及一种用于石油化工废水的处理装置,包括脱硫槽,所述脱硫槽敞口端的一个拐角处固定连接有限位板,所述限位板的顶面规定了解有搅拌电机,所述搅拌电机的输出端固定连接有搅拌轴,所述脱硫槽内部的顶端固定连接有一号滤网,所述一号滤网的下方设置有搅拌模块,所述脱硫槽内部的底端滑动连接有二号滤网。本实用新型中,通过搅拌电机带动搅拌模块上的一号搅拌板与二号搅拌板搅拌废水,使废水与脱硫剂充分混合,通过牵引电机使轴杆带动牵引绳上移,牵引绳上移使二号滤网上移,通过打开防水挡板将含硫沉淀物取出,从而有利于除去废水里的含硫化合物。

标签:
废水处理
海南 - 海口 来源:中冶有色网 2023-03-19
热空气自然循环水直排的废水浓缩系统

本实用新型公开了一种热空气自然循环水直排的废水浓缩系统,该系统将空气从空气进气单元经换热器加热得到热空气,以该热空气为载气从蒸馏浓缩塔的进气口进入,在蒸馏浓缩塔内与从蒸馏浓缩塔上端喷下的经预热器预热废水对流,废水中部分水分被热空气加热带走,分别得到湿饱和空气和废水浓缩液;该湿饱和空气经预热器相变换热后,其中的水蒸气冷凝形成冷凝水和除湿空气,该除湿空气进入空气进气单元自然循环,冷凝水和浓缩液收集锥斗内的废水浓缩液自然排放。

标签:
废水处理
北京 - 北京 来源:中冶有色网 2023-03-19
去除煤矿酸性废水中总铁和亚铁的装置

本实用新型公开了一种去除煤矿酸性废水中总铁和亚铁的装置,属于煤矿废水处理装置;旨在提供一种集物理、化学、生物和微生物技术为一体的煤矿酸性废水处理装置。包括由废水池、曝气装置、氧化沉淀装置、生物反应装置;曝气装置由曝气槽(2)、梯级浅水氧化沉淀池(13)构成,氧化沉淀装置由一级氧化沉淀池(12)、二级氧化沉淀池(11)构成,生物反应装置由一级生物反应池(10)、二级生物反应池(9)构成;各生物反应池中有半挡水墙(5)、悬空挡水墙(6)、第一秸秆层(20)、有机肥层(19)、第二秸秆层(18)、青石层(17)和水生植物(7)。本实用新型无电力设备,操作简单、维护方便、运行费用低;是一种煤矿废水处理装置。

标签:
废水处理
贵州 - 贵阳 来源:中冶有色网 2023-03-19
橡胶废水处理系统
橡胶废水处理系统 1117     
 0

本实用新型提供一种橡胶废水处理系统,通入废水的集水池经由提升泵连接调节池,调节池经由离心泵连接铁碳塔,铁碳塔出口经由铁碳塔废水管道连接中和沉淀池,中和沉淀池中设有斜管沉淀池,中和沉淀池经由中和沉淀池废水管道连接兼氧水解池,兼氧水解池经由兼氧水解池废水管道连接MBR池,MBR池经由抽吸泵连接监测井,所述的斜管沉淀池污泥管和MBR池污泥管汇合后经由螺杆泵连接污泥处理系统,污泥处理系统经由水管与集水池连通。

标签:
废水处理
上海 - 上海 来源:中冶有色网 2023-03-19
含酚废水的综合利用
含酚废水的综合利用 1062     
 0

本发明涉及一种将酚醛树脂(包括热塑性和热固性酚醛)生产中产生的含酚废水,经pH值调节为中性后,合成不同用途的热固性液体酚醛树脂来处理含酚废水的方法,可用于生产岩棉胶、木工胶、可发性酚醛树脂、磨削材料以及涂料等,综合利用废水,实现了酚醛树脂生产的含酚废水零排放。原料的质量份数包括苯酚100份、多聚甲醛38~90份、催化剂0.5~5份、含酚废水20~180份、改性助剂0.5~20份。

标签:
废水处理
北京 - 北京 来源:中冶有色网 2023-03-19
基于渗透汽化技术的废水减量化装置

一种基于渗透汽化技术的废水减量化装置,主要构架包括设备框架,冷水机,循环水管,电控箱,换热器,出气管,进水管,真空管,汽水分离器,曝气泵,真空泵,清水管,清水箱,原水管,浓缩箱,浓水管,原水箱,浓水箱,第一EC计,第一水泵,第二EC计,第二水泵,第三EC计,第三水泵。本发明设计搭建了一种基于渗透汽化技术的废水减量化装置,使用渗透汽化技术对废水进行浓缩减量化,并且能够搜集产水回用。发明的优势在于将高盐废水进一步浓缩减量化,在搜集清水回用的同时,将原废水高度浓缩,浓缩后的浓水更容易采用其他工艺结晶回收,水量的减少也使得工艺成本降低,极具经济性。

标签:
废水处理
浙江 - 杭州 来源:中冶有色网 2023-03-19
用于处理电镀废水的晒水装置

本实用新型提供一种用于处理电镀废水的晒水装置,属于电镀废水处理设备领域。其包括用于引流电镀废水的喷淋管道,所述喷淋管道内设置有动力装置,所述喷淋管道上设置有喷淋装置,所述喷淋管道下方设置有支柱,所述支柱上固定有棉布,所述支柱的下方铺设有棉布层。与现有技术相比,本实用新型提供一个成本低廉的电镀废水处理装置,不易于造成水资源的二次污染,能有效保护环境,且不会对水源产生影响,实现以较低的成本来处理电镀废水并达到零排放的效果。

标签:
废水处理
辽宁 - 大连 来源:中冶有色网 2023-03-19
彩涂废水处理系统
彩涂废水处理系统 1016     
 0

本实用新型提供了一种彩涂废水处理系统,包括:曝气装置,对彩涂废水进行微孔曝气;除油装置,加入第一药剂进行絮凝沉淀,通过气浮的方法将油脂去除;沉淀装置,加入第二药剂进行絮凝沉淀并形成矾花;过滤装置,进行过滤得到清液;反渗透水处理装置,用于对清液顺次进行反渗透预处理、一级反渗透水处理、二级反渗透水处理、三级反渗透水处理及碟管式反渗透水处理,得到浓水;蒸发结晶装置,用于对浓水进行蒸发浓缩得到盐渣及纯水。通过对彩涂废水进行微孔曝气、絮凝沉淀及过滤,有效的去除了彩涂废水中的油脂、COD及氨氮,然后再通过多级反渗透水处理结合蒸发浓缩得到盐渣及纯水,实现了彩涂废水的零排放处理以及资源的回收利用。

标签:
废水处理
上海 - 上海 来源:中冶有色网 2023-03-19
利用烧结处理焦化废水的装置

本实用新型提供了一种利用烧结处理焦化废水的装置,属于焦化废水处理领域。它解决了现有烧结台车有机物挥发导致处理不完善等问题。一种利用烧结处理焦化废水的装置,包括有烧结台车,烧结台车一侧从上往下设置有进料装置、喷射装置、进料口一、进料口二,喷射装置包括进水装置、进气装置和喷嘴,烧结台车的底部设置有传送装置,传送装置用于传输物料,进料装置包括有振动装置和下料器,振动装置连接在下料器底部,进料装置和进料口一均用于供烧结物料进入,进料口二用于供吸水物料进入,进水装置供焦化废水流入,喷嘴用于喷射焦化废水,烧结台车还设置有滚动装置,滚动装置用于压平填于烧结台车上的烧结物料。

标签:
废水处理
浙江 - 杭州 来源:中冶有色网 2023-03-19
用于提取有机过氧化物生产废水中轻组分的多级闪蒸装置

本实用新型公开了用于提取有机过氧化物生产废水中轻组分的多级闪蒸装置,包括第一闪蒸罐、第二闪蒸罐和第三闪蒸罐,所述第一闪蒸罐底部的出液口通过管道与第二闪蒸罐的进液口固定连接,所述第二闪蒸罐底部的出液口通过管道与第三闪蒸罐的进液口固定连接,所述第三闪蒸罐底部的出液口通过管道与废水箱的进口固定连接,所述废水箱的侧面设置有回热箱,所述废水箱与回热箱之间设置有热管,所述回热箱的出口通过管道与加热箱的进口固定连接。本实用新型通过设置第一闪蒸罐、第二闪蒸罐和第三闪蒸罐,多级闪蒸装置,可以有效提取有机过氧化物生产废水中的轻组分物质叔丁醇、特戊醇等,较大幅度减少有机物含量,为后续处理提供有利条件。

标签:
废水处理
甘肃 - 兰州 来源:中冶有色网 2023-03-19
上一页 9983 9984 9985 9986 9987 ... 10000 ... 20000 ... 30000 ... 32465 下一页
共32465页    到第

中冶有色为您提供最新的有色金属技术理论与应用信息,包括矿山技术、冶金技术、材料制备及加工技术、环境保护技术和分析检测技术等有色技术信息。打造最具专业性的有色金属技术理论与应用平台!

全国热门有色金属设备推荐
展开更多 +
全国热门有色金属技术推荐
展开更多 +

 

江西省隆恩特环保设备有限公司
宣传

报名参会
更多+

2025年10月15日 ~ 17日
2025年10月17日 ~ 19日
2025年10月31日 ~ 11月02日
2025年11月07日 ~ 09日

报告下载

有色专家
更多+

中南大学
中国工程院院士
长沙矿冶研究院
总经理
江西理工大学
教授
江西理工大学
副处长/教授
中国矿业大学
副院长/教授
赤泥综合利用研究报告2025
推广

热门技术
更多+

推荐企业
更多+

福建省金龙稀土股份有限公司
宣传

发布

在线客服

公众号

电话

顶部
咨询电话:
010-88793500-807