青岛垚鑫智能科技有限公司
宣传

位置:中冶有色 >

有色技术频道 >

分类:
全部
矿山技术
冶金技术
材料制备及加工技术
环境保护技术
分析检测技术
地区:
全部
北京
天津
上海
重庆
河北
山西
辽宁
吉林
黑龙江
江苏
浙江
安徽
福建
江西
山东
河南
湖北
湖南
广东
海南
四川
贵州
云南
陕西
甘肃
青海
内蒙
广西
西藏
宁夏
新疆
其他
其他
展开
 
全部

有色金属技术理论与应用

免费发布技术信息>>
水产养殖废水的处理工艺

本发明公开了一种水产养殖废水的处理工艺,其包括沉淀、曝气、改性蒙脱石处理、过滤、除味脱色、二次沉淀等步骤;本发明中的水产加工废水处理工艺简单,效果优良,经处理后的废水能够达到排放标准,采用的改性蒙脱石和除味脱色剂制作工艺简单易行,采用的改性蒙脱石和除味脱色剂在处理完废水后,经简单处理可以重复使用。

标签:
废水处理
浙江 - 舟山 来源:中冶有色网 2023-03-19
含氰废水除杂处理的方法

本发明公开了一种含氰废水除杂处理的方法,首先将待处理的含氰废水送入酸化反应槽,往所述酸化反应槽中添加硫酸试剂进行酸化反应;酸化反应后的溶液进入硫化反应槽,在搅拌状态下加入硫化物进行硫化反应,硫化处理后的矿浆进入浓密机进行固液分离;在浓密机中浓密沉淀的底流部分返回所述硫化反应槽;浓密机中的上清液自流到中和搅拌槽内,往所述中和搅拌槽中添加石灰乳进行中和反应;经中和反应后的溶液进入沉淀塔,所述沉淀塔处理后的上清液溢流到回水槽内,并经泵返回氰化系统,所述沉淀塔内的底流定期压滤得到石膏渣。上述方法工艺流程简单、处理效率高、能有效回收含氰废水中的各种有价元素,实现含氰废水的除杂回用。

标签:
废水处理
北京 - 北京 来源:中冶有色网 2023-03-19
化学机械浆废水处理系统

本发明涉及一种化学机械浆废水处理系统,包括废水调节池、强化气浮池、臭氧氧化沉淀池、折流式缺氧厌氧反应池、完全混合好氧池、二沉池和反流式曝气生物滤池;强化气浮池从下至上依次为泥砂区、混合区和分离区;臭氧氧化沉淀池包括曝气混合区和沉淀区,折流式缺氧厌氧反应池包括通过折流板分隔成的兼氧段、缺氧段和厌氧段;完全混合好氧池设置有进水管、布水三角锥和曝气调控系统;反流式曝气生物滤池包括下流区、上流区和污泥区;废水经调节池进入强化气浮池去除浮渣,然后废水进入臭氧氧化沉淀池,污染物被氧化分解,再进入折流式缺氧厌氧反应池、完全混合好氧池进行缺氧、厌氧和好氧反应,经反流式曝气生物滤池反应和过滤后回用。

标签:
废水处理
江苏 - 常州 来源:中冶有色网 2023-03-19
烟气湍流湿法脱硫及脱硫废水处理工艺技术

本发明烟气湍流湿法脱硫及脱硫废水处理工艺技术涉及环保技术领域。装置为本体设有烟气进口及烟气出口且与排污管、补充脱硫剂进口、水管、脱硫剂出口固定,烟气进出口间的本体自下而上与脱硫剂进口、一级涡轮增压湍流器、一级脱硫剂进口、受槽、二级涡轮增压湍流器、二级脱硫剂进口、第一根进水管、除雾器、另一根进水管均固定,受槽的出液管穿出本体,脱硫剂进口与喷嘴、一级脱硫剂进口与一级喷嘴、二级脱硫剂进口与二级喷嘴、进水管与水喷嘴均固定;废水处理工艺为废水收集、过滤、石灰乳中和、沉淀、澄清、盐酸中和后排放。用于烟气脱硫及废水处理。装置巧、效果好。

标签:
废水处理
北京 - 北京 来源:中冶有色网 2023-03-19
一体化焦化废水/剩余污泥同步处理方法及其处理装置

一体化焦化废水/剩余污泥同步处理方法及其处理装置,是在对焦化废水的处理过程中采用双膨胀颗粒污泥床反应器,通过适量曝气维持反应器内的微氧状态,促进反应器内丝状菌的适度生长,形成颗粒污泥的适度膨胀;以出水外回流和污泥内回流结合的方式保持反应器内的高液体上升流速,并结合反应器内大量气体的产生,为颗粒污泥床的适当膨胀创造条件;同时促进双膨胀颗粒污泥床内能同步高效处理焦化废水和剩余污泥高效菌种的优势培养,实现焦化废水和剩余污泥的同步高效处理,并实现了系统的高生物质能化。

标签:
废水处理
山西 - 太原 来源:中冶有色网 2023-03-19
阳极电极材料、其制备方法及在电化学氧化处理含酚废水中的应用和工作方法

本发明公开了一种阳极电极材料、其制备方法及在电化学氧化处理含酚废水中的应用和工作方法,该电极是在对钛板打磨后,经碱洗和酸洗,电解、煅烧后制得。在处理含酚废水时,恒电流条件下,通过控制添加的Cl-的量、电流密度、通电时间等因素对水中的酚类进行去除。分析结果表明:该电极材料能在低能耗的条件下对较大浓度范围内的苯酚模拟废水实现有效的去除。本发明方法所使用的电极材料寿命长,能在较短时间内使含酚废水达到规定的排放要求,并且过程中不引入对环境产生负面影响的化学物质,不会带来二次污染,具有能耗低、反应条件温和、操作简便、运行可靠等优点。

标签:
废水处理
江苏 - 南京 来源:中冶有色网 2023-03-19
电位平衡法处理蜡染废水松香回收方法及回收系统

本发明提供了一种电位平衡法处理蜡染废水松香回收方法及回收系统。首先对含有松香的蜡染废水进行过滤,再将废水与酸液同时通过同一输送管路抽入回收塔中进行反应,废水在酸液的作用下发生离子电离,通过调节废液的pH值实现电位平衡,同时控制废液温度,从而使松香固体从废液中析出;同时还向回收塔中的废液持续爆气以提高反应效率与分离效率。回收系统包括有进料池、酸液池,其分别通过第一输送管路、第二输送管路、输送泵、第三输送管路与回收塔相连接;回收塔的上部设置有悬挂式刮刀装置。本发明解决了现有的松香回收装置存在的污染工作环境、松香回收率不高,废液的生化处理负荷大等缺陷,松香的整体回收率可达95%以上。

标签:
废水处理
上海 - 上海 来源:中冶有色网 2023-03-19
从抗菌素废水中回收草酸的方法

从抗菌素废水中回收草酸的方法,是涉及抗菌素 生产过程中产生的废水的处理,并从中回收草酸的一 种方法,本发明采用钙的化合物代替传统回收过程中 采用的铅盐沉淀剂,整个回收过程避免了铅带来的污 染且回收高效,迅速,彻底。草酸成品质量可达到国 家一级标准,大大降低了生产成本,减轻了草酸废水 对环境的污染,是一种抗菌素厂普遍实用的回收废水 中草酸的方法。

标签:
废水处理
湖北 - 黄石 来源:中冶有色网 2023-03-19
氯化铵废水处理回用的工艺

本发明提供一种氯化铵废水处理回用的工艺,它对所述氯化铵废水依次进行预热氯化铵废水;采用板式蒸发器对料液进行三效蒸发,本发明具有以下技术效果:采用三效顺流蒸发,压力控制在常压至低真空度之间,随着废水中氯化铵浓度的增加而降低蒸发温度,减少氯化铵对介质的腐蚀性,并且前一效汽液分离后的气体热量足以作为后一效蒸发的加热热源,从而能够充分利用加热介质,降低蒸汽消耗,降低运行成本;其中的一效和二效采用蒸发能力强的降膜蒸发,三效采用强制循环蒸发,三效蒸发后的氯化铵溶液浓度控制在过饱和状态,后续可以进行冷却结晶处理,经干燥后能够直接作为肥料使用,具有较大的商业价值。

标签:
废水处理
浙江 - 杭州 来源:中冶有色网 2023-03-19
针对高盐分、高COD的3,4,5-三甲氧基苯甲酸甲酯废水的处理工艺

本发明提供了一种针对高盐分、高COD的3,4,5‑三甲氧基苯甲酸甲酯废水的处理工艺,该工艺包括如下步骤:将车间取得的3,4,5‑三甲氧基苯甲酸甲酯废水用硫酸调pH至2‑3,离心除去析出的3,4,5‑三甲氧基苯甲酸,滤液搅拌冷冻至5℃左右,过滤除去部分硫酸钠,将得到的废水泵入树脂吸附塔中进行吸附;吸附达到饱和后,用液碱脱附,纯水洗涤,脱附液调酸回收3,4,5‑三甲氧基苯甲酸;经树脂吸附后的废水蒸馏,蒸馏出水经精馏回收甲醇后循环利用。蒸馏釜残与前期冷冻析出的硫酸钠一并进行资源化回收处理。

标签:
废水处理
湖南 - 张家界 来源:中冶有色网 2023-03-19
皂化P507废水中溶解态P507的去除方法

本发明公开了一种皂化P507废水中溶解态P507的去除方法,该方法是将皂化P507废水经过脱油处理后,在脱油皂化P507废水中加入铁盐和/或铝盐并调节pH值在2~6范围内,进行搅拌反应,生成油状的P507‑Fe和/或P507‑Al有机金属化合物,反应结束后,静置并进行油水分离。该方法是将皂化P507废水进行脱油后,充分利用溶解态P507与高价铁离子或铝离子在特殊pH范围内形成不溶于水且比水相密度大的稳定金属配合物,从而可以通过简单的沉降分离实现溶解态P507从废液中深度去除,该方法具有操作简单、溶解态P507萃取剂去除率高、处理成本低、不引入其它杂质以及处理速度快等特点。

标签:
废水处理
湖南 - 长沙 来源:中冶有色网 2023-03-19
高盐废水的纳滤净水系统

本实用新型公开了一种高盐废水的纳滤净水系统,属于废水处理装置领域。该纳滤净水系统包括:收集预处理后的高盐废水的进水池;用于与预处理高盐废水进行分离得到纳滤浓水和纳滤产水的纳滤系统;用于将纳滤浓水进行结晶分离产生芒硝和冷冻母液的冷冻结晶系统;用于将纳滤产水进行膜蒸发结晶得到氯化钠和高浓度母液的膜蒸发结晶系统;纳滤系统包括一级多段纳滤系统和二级纳滤系统;通过本实用新型的纳滤系统,系统对多价盐的截留率、对废水的回收率均得到保证,同时,降低了系统的整体投资成本。

标签:
废水处理
内蒙 - 鄂尔多斯 来源:中冶有色网 2023-03-19
用于发电厂煤场废水处理装置

本实用新型公开了一种用于发电厂煤场废水处理装置,其包括电子絮凝器组件,所述电子絮凝器组件包括有电子絮凝器本体和排水管,所述排水管的一端与电子絮凝器本体的出水端连通;以及,初滤模块,所述初滤模块和电子絮凝器组件活动连接,所述初滤模块包括有流通组件和初滤组件,所述流通组件和初滤组件活动连接。本实用新型通过流通组件进行废水的传导,通过初滤组件进行废水的预过滤,大大减少了后续废气过滤器的使用压力,通过牵引组件的启动,挤压初滤组件,使其内部的杂物被排出,确保设备的初滤效果,通过上述结构的配合,解决了废水絮化处理使用过程中,废水絮化产生杂物较多,过滤器使用压力较大的问题。

标签:
废水处理
江西 - 吉安 来源:中冶有色网 2023-03-19
节能型可对废水回收处理的喷淋洗涤塔

本实用新型公开了一种节能型可对废水回收处理的喷淋洗涤塔,包括喷淋洗涤塔外壳、第一输水管、输气管和控制箱,所述喷淋洗涤塔外壳上固定有第一喷淋机构、第二喷淋机构和第三喷淋机构,且第一喷淋机构位于第二喷淋机构上侧,所述喷淋洗涤塔外壳下侧贯穿有排水口,所述第一输水管一端与废水处理组件相连通。该节能型可对废水回收处理的喷淋洗涤塔,设置有辅助过滤组件和废水处理组件,在两组鹅卵碎石层和两组活性炭过滤网的辅助作用下,在对废水中的杂质进行过滤时,还可进行辅助进杀菌除味处理,过滤后的废液进入药液混料箱中,再通过液体药液再次进行处理,处理后经过沉淀箱沉淀,再进入存液箱中,便于后期进行循环使用。

标签:
废水处理
江苏 - 盐城 来源:中冶有色网 2023-03-19
煤化工废水气浮除油装置

本实用新型公开了一种煤化工废水气浮除油装置,该装置设置有电极室,电极室安装在气浮室前端;废水经电极室破乳、降解有机物后进入气浮室进一步气浮除油,除油后的废水通过净水室排出;该装置通过多级电极室中电极高度逐级增加的设置,使同一水平高度下,后一级电极室中产生的气泡粒径小于前一级电极室中产生的气泡,以此增加气泡对微小油滴的粘附性,强化气浮除油效果,有效地实现了煤化工废水有机物降解、破乳及气浮除油的处理,有效地缩短了工艺流程,提高废水可生化性。

标签:
废水处理
北京 - 北京 来源:中冶有色网 2023-03-19
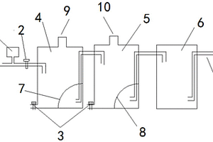
石化废水处理系统
石化废水处理系统 951     
 0

本申请公开了一种石化废水处理系统,属于废水处理技术领域。包括预处理单元、生化处理单元和深化处理单元,废水依次通过预处理单元、生化处理单元和深化处理单元进行逐级处理;深化处理单元包括高密度沉淀池、生物脱氮反应器、多介质滤池和催化氧化装置,废水从生化处理单元进入高密度沉淀池进行沉淀处理,沉淀处理后进入生物脱氮反应器进行脱氮反应,脱氮反应后进入多介质滤池进行过滤处理,过滤处理后进入催化氧化装置进行氧化处理。该石化废水处理系统臭氧使用量底,催化剂不易污染,出水稳定,运行成本低。

标签:
废水处理
山东 - 济南 来源:中冶有色网 2023-03-19
浓香型白酒酿造用废水处理装置

本实用新型公开了一种浓香型白酒酿造用废水处理装置,涉及废水处理技术领域,具体为一种浓香型白酒酿造用废水处理装置,包括处理箱,所述处理箱的左侧固定套装有出水口,且处理箱的右侧固定套装有入水口,所述处理箱的顶部固定套装有出气口,且处理箱的顶部固定安装有位于出气口右侧的电热机,所述处理箱的顶部开设有位于电热机右侧的贯通凹槽。该浓香型白酒酿造用废水处理装置,通过电热机和电热底座以及电热管和出气口的配合使用,使得该浓香型白酒酿造用废水处理装置能够通过电热机和连接线的配合使用,使得电热底座对电热管进行加热,让电热管加热处理箱内部残余的氨水使得氨气蒸发并通过出气口排出,并进行集中处理。

标签:
废水处理
江苏 - 淮安 来源:中冶有色网 2023-03-19
有机废水净化设备
有机废水净化设备 1223     
 0

本实用新型公开了一种有机废水净化设备,包括沉淀箱,所述沉淀箱顶部外壁上安装有顶盖,顶盖顶部外壁的两侧分别安装有絮凝剂瓶和泄压阀,顶盖顶部外壁上固定连接有过滤箱,过滤箱顶部外壁上安装有进水管,进水管外壁上安装有进水阀,过滤箱底部内壁上安装有第一连通管,所述沉淀箱两侧内壁上均安装有污泥过滤网,所述沉淀箱两侧外壁上均安装有第二连通管,第二连通管外壁上均安装有联通阀。本实用新型将尼龙过滤网上的纸浆进行回收,可用作造纸的原料,同时也降低了废水处理负荷,将废水的酸碱性调节至适合好氧生物群进行氧化分解的范围,可以有效去除废水中的有机化合物,能够对废水中的刺激性气味进行吸附,减少对环境的污染。

标签:
废水处理
广东 - 佛山 来源:中冶有色网 2023-03-19
脱硫废水高温闪蒸处理装置

本实用新型涉及一种脱硫废水高温闪蒸处理装置,包括废水预处理系统、太阳能集热系统、废水加热系统、蒸汽发生系统和蒸汽冷却系统;所述废水预处理系统的出口与冷凝器的壳程进口连接,冷凝器的壳程出口与换热器壳程进口相连接,换热器壳程出口与喷雾器相连接;汽水分离器的蒸汽出口冷凝器的管程进口相连接;所述集热外管分别连接换热器壳程的进、出口,所述循环水泵以使集热外管的流体进行循环,以实现对脱硫废水的处理及回收利用。

标签:
废水处理
北京 - 北京 来源:中冶有色网 2023-03-19
含油重金属废水的处理装置

本实用新型公开了一种含油重金属废水的处理装置,包括装置本体和外壳,装置本体的顶端固定安装有外壳,外壳的侧面设置有挡板,外壳顶端的外表面贯穿设置有输水管,输水管的正面的中部设置有盖板,输水管的内部设置有放置板,输水管的一侧设置有PH调节池,PH调节池正面的中部设置有调节阀。设置有PH调节池和放置板,在对废水进行处理的时候,将废水输入到装置本体之后,与进液口相互进行连通的PH调节池能够对多种不同PH值的试剂进行添加,工作人员通过调节阀对PH值进行调节,而等间距分布的放置板能够放置多种净化材料,工作人员可以根据不同的废水对放置板放置不同的净化材料,使得装置本体对重金属废水的处理的范围更广。

标签:
废水处理
江苏 - 苏州 来源:中冶有色网 2023-03-19
废水处理用高效过滤装置

本实用新型公开了一种废水处理用高效过滤装置,包括搅拌罐和杀菌箱,搅拌罐顶部外壁的中心处通过螺栓安装有电机,且搅拌罐顶部的内壁上焊接有筛筒,电机输出端焊接有位于筛筒内部的搅拌轴杆,且搅拌轴杆两侧外壁的顶部均焊接有连杆,连杆远离搅拌轴杆的另一端焊接有与筛筒内壁相贴合的刮板。本实用新型,电机带动搅拌轴杆转动,能够对筛筒内部的废水搅动,使废水在筛筒的内部流动,使废水内部的污泥和杂质下落,能够对废水中的污泥和污水进行分离,能够筛筒内壁上附着的杂质进行刮除,避免筛筒长时间使用,杂质附着在筛筒的内壁上对筛筒的筛孔堵塞,造成水流不通,不再需要人工进行清洗内腔,减少了人工劳动力。

标签:
废水处理
河南 - 新乡 来源:中冶有色网 2023-03-19
妥尔油脂肪酸生产废水处理设备

本实用新型公开了废水处理技术领域一种妥尔油脂肪酸生产废水处理设备,两组支撑架之间设置有多组上下分布的外箱,外箱内部通过转轴旋转连接有内箱,外箱内侧壁和内箱之间留有间隔,搅拌叶位于内箱内部一端设置有PH控制器,上下分布两两相邻的外箱内部之间通过第一伸缩管连接,最上方的外箱顶部的第一伸缩管通过定量泵输入废水,还包括有储物箱,储物箱内的物料通过输送泵经过第二伸缩管输送至外箱内部,安装块上的第一伸缩管和第二伸缩管在伸缩装置带动下进出通孔,本实用新型将酸性废水定量输送至内箱内部,通过多组内箱依次的酸碱中和以及PH检测,实现降低废水中的酸含量。

标签:
废水处理
福建 - 三明 来源:中冶有色网 2023-03-19
饮料生产废水高效利用装置

本实用新型涉及环保技术领域,尤其为一种饮料生产废水高效利用装置,包括箱体,所述箱体上端左侧密封连接有进料管,所述箱体上端右侧固定连接有气泵,所述气泵右端固定连接有第二过滤芯,所述第二过滤芯右端固定连接有导管,所述导管外侧滑动连接有冷凝管,所述导管下端固定连接有回收箱,且回收箱与箱体固定连接,所述回收箱右下端固定连接有水龙头,本实用新型中,通过设置的加热板、冷凝管、气泵、第二过滤芯和回收箱,废水进入箱体后,加热板进行加热,蒸馏出的气体通过气泵到导管中,从第二过滤芯经过冷凝管变成水的形式到回收箱中,用蒸馏的方式处理废水,避免了废水繁琐的处理过程,加快了废水处理的进度。

标签:
废水处理
吉林 - 四平 来源:中冶有色网 2023-03-19
可净化废水池内部废气的气体回收装置

本实用新型属于气体回收装置技术领域,尤其为一种可净化废水池内部废气的气体回收装置,包括装置外壳和吸附网,所述装置外壳的上方安装有电机,且电机的端头处连接有主动轴,并且主动轴的边侧设置有主动轮,所述主动轮的外侧安装有皮带,且皮带的内部设置有从动轮,并且从动轮的内部贯穿有从动轴,所述从动轴的边侧设置有风扇,所述装置外壳的下方设置有吸风口。该可净化废水池内部废气的气体回收装置,具备废水池内部废气净化功能避免废水池处理废水污染的同时造成废气污染,具备便捷更换滤网功能且便于操作以节省大量人力和时间,支撑结构具备减振功能避免装置运转时产生的振动使安装固定面产生松动、裂纹等硬性损伤。

标签:
废水处理
浙江 - 杭州 来源:中冶有色网 2023-03-19
厌氧反应器专用废水加热装置

本实用新型提供了一种厌氧反应器专用废水加热装置,其结构包括壳体、筒体及折流板;筒体横置于壳体内部,在壳体相对的两侧壁上分别开有与筒体的内腔相连通的进水口和出水口,通过进水口可使待加热的废水流入筒体内部;折流板置于筒体内部,且折流板沿筒体的轴向呈螺旋状前进结构;在壳体的上端开有与蒸汽源相接的蒸汽进口,在筒体的侧壁上开有若干均布的通孔,由蒸汽进口进入壳体内部的蒸汽可通过筒体侧壁的通孔进入筒体内部,并在筒体内部与沿折流板折流前进的废水混合实现对废水的加热。本实用新型结构简单,安装方便,加热过程中无噪音,无振动,且能保证汽、水混合均匀,热效率高,是厌氧反应器专用的废水加热装置。

标签:
废水处理
河北 - 石家庄 来源:中冶有色网 2023-03-19
组合式废水处理设备
组合式废水处理设备 826     
 0

本实用新型公开了一种组合式废水处理设备,涉及废水处理技术领域,包括水箱、ph测试计、阀门、出气口、滤网、水管、排污口;本实用新型具有既能除去废水中的细微颗粒、又能改变污水的酸碱性、且能回收有用的细微颗粒、净化生产环境、结构简单、易于实行,减少占地面积,实现土地资源最大利用化,适用于用地紧张、大中型废水量及难处理废水,且运输和现场安装方便等特点。

标签:
废水处理
上海 - 上海 来源:中冶有色网 2023-03-19
生活废水再利用的自动控制装置

本实用新型涉及一种居民生活废水再利用的自动控制装置,它将居民日常生活中的废水经管路自动汇集在一废水收集箱内,箱内的水位达到某一高度,在控制器的作用下由水泵可自动将箱内的废水抽送到一集水箱中备用,当需要冲洗污水排放便池时,在控制器的作用下,可自动限定每次污水的排放置。从而不仅可有效地实现了废水的再次利用,达到了节水的目的。而且还彻底改变了现有随用随排的用水方式。该装置整体结构简单,使用方便,可节水50%以上,是一种理想的家庭生活用水再利用的自动控制装置。

标签:
废水处理
河北 - 沧州 来源:中冶有色网 2023-03-19
双膜法工艺处理重金属废水及回收利用设备

本实用新型一种双膜法工艺处理重金属废水及回收利用设备,该设备包括预处理系统、超滤系统和两级反渗透系统对重金属废水进行处理,废水在设备中经过多介质过滤、超滤膜过滤和两次反渗透膜过滤,使绝大部分废水达到再次使用的标准,减少重金属外排水对河流的污染.使重金属废水的回收率大大提高,节约了自然资源和生产成本。

标签:
废水处理
北京 - 北京 来源:中冶有色网 2023-03-19
新能源汽车电泳涂装废水处理回用设备

一种新能源汽车电泳涂装废水处理回用设备,磷化废水池与第一混凝反应池连通,第一混凝反应池与第一斜板沉淀池连通,第一斜板沉淀池与生活污水调节池连通,生活污水调节池与水解酸化池连通,水解酸化池与接触氧化池连通,接触氧化池与膜生物反应器池连通,膜生物反应器池与复用水储池连通,电泳废液池和脱脂废液池与涂装废水池连通,涂装废水池与第二混凝反应池连通,第二混凝反应池与第二斜板沉淀池连通,第二斜板沉淀池与生活污水调节池连通,设计合理,处理效果良好稳定,大大提高了废水重复利用率,减少污染物外排,大大节约资源,而且有效减少了废水对环境造成的污染,社会和经济效益显著。

标签:
废水处理
河南 - 郑州 来源:中冶有色网 2023-03-19
基于臭氧双氧水联合降解废水的装置

本实用新型适用于废水降解装置技术领域,提供了一种基于臭氧双氧水联合降解废水的装置,包括反应塔,所述反应塔分为四层,从下往上分别为用于生成臭氧的臭氧生成层、用于混合双氧水、臭氧和废水的气水混合层、用于催化臭氧和双氧水净化废水的催化剂层一和用于进一步催化臭氧和双氧水净化废水的催化剂层二,所述臭氧生成层内设置有臭氧发生装置,所述臭氧发生装置内设置有用于快速冷却所述臭氧发生装置内部温度的冷凝层;新增制氧装置,提高了用于产生臭氧的氧气浓度,提高了臭氧的生成浓度;冷凝层帮助臭氧发生装置快速冷却,保证臭氧不会因为温度过高而加快分解,提高了臭氧的生成量,进一步加快了降解废水的效率。

标签:
废水处理
江苏 - 苏州 来源:中冶有色网 2023-03-19
上一页 9979 9980 9981 9982 9983 ... 10000 ... 20000 ... 30000 ... 32465 下一页
共32465页    到第

中冶有色为您提供最新的有色金属技术理论与应用信息,包括矿山技术、冶金技术、材料制备及加工技术、环境保护技术和分析检测技术等有色技术信息。打造最具专业性的有色金属技术理论与应用平台!

全国热门有色金属设备推荐
展开更多 +
全国热门有色金属技术推荐
展开更多 +

 

江西省隆恩特环保设备有限公司
宣传

报名参会
更多+

2025年10月15日 ~ 17日
2025年10月17日 ~ 19日
2025年10月31日 ~ 11月02日
2025年11月07日 ~ 09日

报告下载

有色专家
更多+

湖南有色金属研究院
教授级高工/原总工程师
中国矿业大学(北京)
教授
石家庄铁道大学
团委书记/副教授
红河学院
研究员
中铝郑州有色金属研究院有限公司
正高级工程师/总经理
赤泥综合利用研究报告2025
推广

热门技术
更多+

推荐企业
更多+

福建省金龙稀土股份有限公司
宣传

发布

在线客服

公众号

电话

顶部
咨询电话:
010-88793500-807