青岛垚鑫智能科技有限公司
宣传

位置:中冶有色 >

有色技术频道 >

分类:
全部
矿山技术
冶金技术
材料制备及加工技术
环境保护技术
分析检测技术
地区:
全部
北京
天津
上海
重庆
河北
山西
辽宁
吉林
黑龙江
江苏
浙江
安徽
福建
江西
山东
河南
湖北
湖南
广东
海南
四川
贵州
云南
陕西
甘肃
青海
内蒙
广西
西藏
宁夏
新疆
其他
其他
展开
 
全部

有色金属技术理论与应用

免费发布技术信息>>
高压脉冲气相增湿放电处理废水的方法

本发明公开的高压脉冲气相增湿放电处理废水的方法,是以经过增湿处理的气体为载气,将工作气体通入高压脉冲等离子体放电装置产生带活性物质的气体,将带活性物质的气体通入废水池与废水接触,对废水中的污染物进行氧化。本发明方法简单,操作简便,兼顾了高压脉冲等离子气相放电和液相放电的优点,通过增湿的气体在放电单元中产生大量的活性自由基,提高了活性物质的产率,且增湿的气体向液相的传递过程中,传递效率也得到了一定的提高,从而提高了处理的效果。有效的解决了气相放电传质差,液相放电易导通的缺点。

标签:
废水处理
浙江 - 杭州 来源:中冶有色网 2023-03-19
亚甲基蓝废水处理方法
亚甲基蓝废水处理方法 1204     
 0

本发明公开了一种亚甲基蓝废水处理方法,包括如下步骤:(1)制备磷酸改性花生壳;(2)制备磷酸改性木屑;(3)将步骤(1)制得的磷酸改性花生壳和步骤(2)制得的磷酸改性木屑以1:1~4的质量比混合,制得复合吸附剂;(4)以0.1~0.7g/100mL的量将上述复合吸附剂投入亚甲基蓝废水中,于25~65℃的温度下,40~140r/min震荡吸附20~120min,上述亚甲基蓝废水的pH值为2~12,其中亚甲基蓝的含量为5~10mg/L。本发明的方法采用磷酸改性花生壳和磷酸改性木屑混合处理受亚甲基蓝污染的废水,对亚甲基蓝的吸附效率高,操作过程简单,吸附条件要求低,吸附材料成本低廉,达到“以废治污”。

标签:
废水处理
福建 - 漳州 来源:中冶有色网 2023-03-19
废水分级处理系统
废水分级处理系统 1046     
 0

本发明属于废水处理设备领域,尤其是一种废水分级处理系统,针对现有的分级装置中过滤后的污泥和絮状物需要待处理完成后再进行清理,污泥和絮状物会堵塞滤网,现提出如下方案,其包括底座,底座的顶部固定安装有箱体,箱体上设有腔室,腔室的一侧内壁上固定安装有第一斜板,第一斜板的一侧固定安装有过滤网,过滤网的一侧和腔室的一侧内壁固定连接,腔室的顶部内壁上固定安装有上层室,上层室的顶部内壁上固定安装有伺服电机,伺服电机输出轴的底部固定安装有螺旋轴。本发明较之传统的废水分级处理系统,可以在废水处理过程中对污泥和沉淀物进行运送至箱体外部的作业,保证过滤的通畅性,提升废气分级处理的效率,降低后期维护的难度。

标签:
废水处理
江西 - 南昌 来源:中冶有色网 2023-03-19
用于含氨氮和COD废水处理催化剂

本发明涉及用于含氨氮和COD废水处理催化剂。用以解决现有方法中降低废水中的氨氮和COD效率低的问题。本发明通过采用用于含氨氮和COD废水处理催化剂,以重量份计,包括以下组分:(1)90~99.5份的催化剂载体;(2)0.1~5份选自铂族中的至少一种贵金属;(3)0.1~5份助催化剂;其中所述活性组分包括选自铂族中的至少一种贵金属;所述助催化剂包括选自IVA族金属的技术方案,较好地解决了该问题,可用于快速降解废水中的氨氮和COD。

标签:
废水处理
北京 - 北京 来源:中冶有色网 2023-03-19
绿色催化剂及处理有机废水的方法

本发明提供一种绿色催化剂,催化剂包括非金属半导体负载的碳酸氧铋。催化剂包含负载型的碳酸氧铋,通过将碳酸氧铋负载在载体上,载体与碳酸氧铋的结合能形成异质节,可以有效降低电子与空穴的复合率或大大提高碳酸氧铋对的微波的利用率,从而使得催化剂能充分吸收微波而被激发产生电子‑空穴对,有机废水中的水分子与强吸电子的空穴结合从而产生的羟基自由基等活性氧物质充当了降解反应的氧化剂,实现有机废水的高效降解。本发明还公开一种废水处理方法,适用于硝基酚的浓度为100‑500mg/L的所有废水,实用性强;微波辐照参数控制方便,辐照时间短,且降解率高,满足高效需求。

标签:
废水处理
湖南 - 湘潭 来源:中冶有色网 2023-03-19
傅克反应含铝废水资源化利用方法

本发明涉及含铝废水处理技术领域,具体涉及一种傅克反应含铝废水资源化利用方法。本发明首先通过氧化剂对含铝废水中有机物大分子进行氧化去除,再利用吸附剂吸附废液中的颗粒杂质,对废液进行精制,精制后将废液分为两部分,一部分废液加碱制备偏铝酸钠,制备的偏铝酸钠滴入另一部分废液,经聚合熟化后制得聚合氯化铝。本发明对含铝废水处理的同时制备聚合氯化铝,三废产生量低,大大降低了后续处理成本及其对环境的影响。本发明制备的聚合氯化铝盐基度为88%‑95%,氧化铝含量可达28‑30%。

标签:
废水处理
山东 - 滨州 来源:中冶有色网 2023-03-19
利用玉米淀粉废水生产硅酸盐水泥熟料的方法

一种利用玉米淀粉废水生产硅酸盐水泥熟料的方法,将重量百分比为72~80%的石灰石;1.5~2.8%的催化剂、2~3.2%的黄铁石、9~13%的煤矸石、8~10%的无烟煤混合磨细成黑生料,送到成球盘中加入10~14%的玉米淀粉废水成黑生料球,然后投入窑内锻烧到部分熔融状态,最后从窑底卸出熟料,并冷却至常温,烧制成硅酸盐熟料。本发明利用玉米淀粉废水中的悬浮固体有机物:各种原料过滤剩余、分解物、纤维屑等有机物燃点低,易燃烧,能产生热量的特点,拌匀在原料中形成小料球,产生热量,减少熟料的配热比。每吨熟料电耗降低3~5度,每吨熟料可节约原煤3~4KG。玉米淀粉废水中的水可取代生活用水或地下水使用,节约水资源。

标签:
废水处理
山东 - 枣庄 来源:中冶有色网 2023-03-19
浓盐废水高效脱氮除磷处理系统

本实用新型公开了一种浓盐废水高效脱氮除磷处理系统,包括依次相连的除硬多效分离系统、臭氧催化氧化系统、曝气生物滤池系统、除磷多效分离系统、污泥浓缩系统、产水监测系统和加药系统;除硬多效分离池将混凝、絮凝、沉淀分离、污泥浓缩集于一体,能够有效去除水中硬度、碱度和悬浮物;多组臭氧氧化池串联运行,同时还设有循环水泵,保证臭氧与废水有充足的接触时间,能够显著提升高臭氧利用效率;除磷多效分离池针对性地处理废水中NP,能够显著提升浓盐废水除磷效率。

标签:
废水处理
陕西 - 西安 来源:中冶有色网 2023-03-19
印染废水超临界氧化处理装置

本实用新型公开了一种印染废水超临界氧化处理装置,包括预热单元、反应单元、换热单元。通过在罐体内壁上设有电加热器,罐体的底端设有驱动电机,驱动电机的输出端设有转轴,转轴上对称设有若干的搅拌叶片,罐体底部一侧设有出料管,且出料管延伸至罐体内,且出料管位于罐体外的一端设有阀门,在加入印染废水后,在反应器内与氧气混合,发生超临界水氧化反应,将印染废水中有机污染物在反应器中被氧化分解为CO2、O2、N2。由于反应自身放热,将高温的反应后流体通过换热器回收热量,一部分热量用于加热给水,剩余热量用于产蒸汽。然后经过泄压阀后达到常温常压状态,氧化分解后的印染废水经过气液分离器,CO2、O2、N2等气体无害排放,液相混合物再经过液固分离作用,液相达标排放。

标签:
废水处理
江苏 - 苏州 来源:中冶有色网 2023-03-19
微废水直饮水机
微废水直饮水机 1145     
 0

本实用新型公开了一种微废水直饮水机,包括外框,外框的右侧贯穿有第一通管,第一通管位于外框外部的一端连通有自来水管,第一通管位于外框内部的一端连通有PP熔喷滤芯,PP熔喷滤芯的顶部通过第二通管连通有颗粒碳滤芯,颗粒碳滤芯的顶部通过第三通管连通有压缩碳滤芯,压缩碳滤芯的顶部通过第四通管连通有增压泵,本实用新型涉及直饮水机技术领域。该微废水直饮水机,达到了对自来水进行净化的目的,使得人们可以直接饮用,保证了人体的健康,便于人们的使用,使得废水可以作为其他日常用水的使用,实现微废水排放,防止资源的浪费,便于对吸附网的拆卸,可以定时对吸附网进行清洗,保证吸附效果,提高了装置的实用性。

标签:
废水处理
天津 - 天津 来源:中冶有色网 2023-03-19
涉重金属污染废水综合治理系统

本实用新型提供一种涉重金属污染废水综合治理系统,所述系统包括废水收集池、一次静态反应装置、一次斜管沉淀装置、二次静态反应装置、二次斜管沉淀装置、缓冲水箱、过滤器、排放水箱、污泥浓缩池和污泥干化装置,所述废水收集池、一次静态反应装置、一次斜管沉淀装置、二次静态反应装置、二次斜管沉淀装置、缓冲水箱、过滤器、排放水箱、污泥浓缩池和污泥干化装置依次连接,所述方法利用管道混合技术、鏊合沉淀技术和高效纤维过滤技术,实现快速处理,精密过滤,对涉重金属污染废水进行综合治理。

标签:
废水处理
北京 - 北京 来源:中冶有色网 2023-03-19
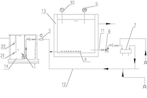
泥水混合、两级蒸发处理脱硫废水的装置

本实用新型提供一种泥水混合、两级蒸发处理脱硫废水的装置,属于脱硫废水处理技术领域。该装置包括泥水混合装置、浓缩塔、浓水箱和蒸发炉;脱硫塔中脱硫废水经管道输送至泥水混合装置,出水进入浓缩塔进行一级蒸发,浓缩塔浓缩之后的出水进入浓水箱,浓水箱出水进入蒸发炉进行二级蒸发,蒸干后蒸干盐被除尘器收集。本装置解决了常规脱硫废水零排放投资运行高、运行不稳定、污泥设备无法稳定运行和产生污泥危险废弃物需无害化处理等问题。

标签:
废水处理
北京 - 北京 来源:中冶有色网 2023-03-19
高效脱除废水中氨氮的装置

本实用新型涉及一种高效脱除废水中氨氮的装置,包括混凝沉淀池、固液分离器、换热器、一级真空脱除膜接触器、二级膜吸收器和气液混合器,含有高浓度的氨氮废水进入混凝沉淀池,将废水的pH调节成碱性,使废水中的钙镁离子絮凝沉淀同时利于氨氮的脱除,混凝沉淀池的输出端连接固液分离器,固液分离器的输出端连接换热器,换热器的输出端连接一级真空脱除膜接触器,一级真空脱除膜接触器的输出端连接二级膜吸收器,经二级膜吸收器氨氮脱除后的废水直接排出或回用,一级真空脱除膜接触器中脱除的含氨气体与二级膜吸收器的壳程溶液混合后进入气液混合器;本实用新型大大提高了氨氮脱除效果,并且适用较高浓度的氨氮废水的处理,集成度高,控制简单。

标签:
废水处理
上海 - 上海 来源:中冶有色网 2023-03-19
脂化废水处理工艺
脂化废水处理工艺 1049     
 0

本发明公开了一种脂化废水处理工艺,包括以下步骤:S1、脂化废水依次经隔油池、集水池处理后加H2O2;S2、经外循环微电解Fenton氧化反应至中和池;S3、经中和池、反应池A处理后到调节池;S4、经调节池、水解酸化池、厌氧调节池处理后到UASB反应池;S5、经复合UASB处理后到多级接触氧化池;S6、经多级接触氧化池、沉淀池B处理后到反应池B;S7、经沉淀池C沉淀后到中转池;S8、经中转池泵入中性催化氧化池,再流入清水池回用或经排放口排放,完成脂化废水的处理工艺。本发明提出的脂化废水处理工艺对废水处理强度大、能处理净化去除废水中的大量污染物质,成本低,适用于污染严重、排放要求高的脂化水。

标签:
废水处理
广东 - 广州 来源:中冶有色网 2023-03-19
酒精废水处理工艺
酒精废水处理工艺 950     
 0

本发明公开了一种酒精废水处理工艺,按照如下操作步骤:(1)酒精废水经格栅去除较大的杂质后,进入调节池;(2)然后用泵提升进入一沉池进行预处理,加入酒精废水处理剂;(3)之后的废水进行进入水解酸化池和接触氧化池进行生化处理,出水进入二沉池进行泥水分离;所述酒精废水处理剂包括:粉末碳,硫酸铁,氯化铵,氯化铝,双氧水,沸石分子筛,铁粉,甲酸,聚丙烯酰胺,蔗糖醋酸酯,酒石酸,酪朊酸钠。本发明通过采用酒石酸,酪朊酸钠,蔗糖醋酸酯为补强体系,提高酒精废水处理工艺的絮凝能力和和有机物溶解物去除率。

标签:
废水处理
湖南 - 长沙 来源:中冶有色网 2023-03-19
脱硫塔和烟气除尘、脱硫及废水处理方法

本发明公开了一种脱硫塔和烟气除尘、脱硫及废水处理方法。一种脱硫塔,由上至下依次为烟气排放区、除雾区、塔盘区、喷淋区和废水处理区;所述的烟气排放区与除雾区通过锥体形变径相连,塔盘区与喷淋区通过倒锥体形变径相连;所述的废水处理区中央通过一块竖直隔板I分为氧化絮凝区和循环清液区,循环清液区顶部通过隔板II将循环清液区与氧化絮凝区及喷淋区完全隔开;所述的竖直隔板I设置过滤介质。本发明在一个塔内进行烟气除尘、脱硫及废水处理,利用烟气对废水进行搅拌实现氧化絮凝浓缩操作,利用竖直隔板两侧的液位差作为推动力实现了脱硫废水的过滤操作,大幅降低占地面积,显著降低装置建设、改造所需的费用及装置的操作费用。

标签:
废水处理
北京 - 北京 来源:中冶有色网 2023-03-19
氧化/絮凝处理生产DSD酸过程中的还原废水的方法

本发明公开了一种氧化/絮凝处理生产DSD酸过程中的还原废水的方法,属于生产DSD酸的污染水处理技术。该方法包括以下步骤:过滤DSD酸还原废水回收其中悬浮的DSD酸;加入一定量的七水硫酸亚铁或硫酸铁,或七水硫酸亚铁与硫酸铁的混合物,调节pH值1-4,温度保持在70-80℃;分三个时段加过氧化氢进行氧化反应;加入絮凝剂进行第一次絮凝,过滤去除絮凝滤饼,再进行第二次絮凝、过滤,以上批第二次絮凝滤饼作为下批第一次絮凝时的部分絮凝剂。本发明的优点在于处理费用低,废水经处理后色度和COD低,达到排放要求;设备、工艺简单,操作方便。

标签:
废水处理
天津 - 天津 来源:中冶有色网 2023-03-19
万寿菊废水的三级串联式光催化处理工艺

本发明采用生物沉降、三级串联式光催化处理工艺对万寿菊生产废水进行处理。该发明不但工艺和设备制造简单,并且出水水质可达GB8978-1996《污水综合排放标准》中的一级排放标准,另外还能从废水中得到具有很大实用价值的肥料,含量为废水的1%-2%。本发明效率高、成本低、操作方便、绿色环保无二次污染,适用于处理采用乳酸菌发酵万寿菊鲜花加工所产生的废水。

标签:
废水处理
云南 - 昆明 来源:中冶有色网 2023-03-19
钼矿选矿废水的处理方法

本发明公开了一种钼矿选矿废水的处理方法,包括如下步骤:(1)将钼矿选矿废水送入预沉池沉淀,获得预沉池底泥和预沉池上清液;(2)将预沉池上清液送入平板陶瓷膜池,用平板陶瓷膜组件进行净化,以完全除去其中的细小颗粒物,降低产水的浊度;(3)将上述平板陶瓷膜池中未被过滤的废水通过管道进入反应池反应;(4)将反应池的废水送入沉淀池沉淀获得沉淀池上清液和沉淀池底泥。本发明的处理方法将钼矿选矿废水经平板陶瓷膜处理,可以高效去除细微颗粒物,产水浊度低,工艺稳定,污水量大幅减少,从而加药量少,运行成本大幅降低。同时减小了沉淀池设备规模和占地面积,节约投资成本。

标签:
废水处理
福建 - 厦门 来源:中冶有色网 2023-03-19
含甲醛等低沸点有机物和高浓度无机盐废水资源化工艺

本发明涉及一种含甲醛等低沸点有机物和高浓度无机盐废水资源化工艺。本发明采用的主要设备是精馏塔和多效蒸发系统等,将含0.01%-10%、或更高浓度低沸点有机物和1%-40%或更高浓度的NaCl、或Na2SO4、或NH4Cl等无机盐的废水经过精馏系统和多效蒸发系统后,得到浓度较高的无机盐溶液和废水中的有机物,如甲醇、甲醛等。在此过程中,利用精馏过程中塔顶蒸汽和塔底料液的废热进行原料的预热和中间过程的加热,形成热耦合网络,使得处理单位质量的废水所需能耗比现有其它工艺大大减少。本工艺具有能耗低,效率高等突出优点。

标签:
废水处理
江苏 - 南京 来源:中冶有色网 2023-03-19
具有废气净化功能的废水处理设备

本实用新型公开了一种具有废气净化功能的废水处理设备,涉及废水处理设备技术领域,针对现有的具有废气净化功能的废水处理设备,功能单一,操作复杂,无法将废水中过滤出来的大颗粒杂质进行集中处理,使用效果差,工作效率低的问题,现提出如下方案,包括箱体,所述箱体的顶部固定连通有进水管,所述箱体的一侧固定连通有出水管,所述箱体的顶部内壁与底部内壁上固定连接有同一个竖板,所述竖板的一侧与箱体的内壁上固定连接有同一个横板。本实用新型结构设计合理,操作简单,不仅可以对废气进行净化,还可以对水中的大颗粒杂质进行过滤,且便于对收集的大颗粒废料进行统一处理,降低了工人的劳动强度,使用效果,工作效率高。

标签:
废水处理
安徽 - 滁州 来源:中冶有色网 2023-03-19
木质素生产用废水回收再利用装置

本实用新型公开了一种木质素生产用废水回收再利用装置,包括刮渣机、箱体和底板,所述箱体的一侧固定安装有进水管,所述箱体的另一侧固定安装有出水管,所述箱体的顶部固定安装有曝气机,且曝气机的底部固定安装有曝气管,所述曝气机一侧的箱体顶部固定安装有刮渣机,所述曝气管的一侧固定安装有阻流板,且阻流板的一侧固定安装有引流板,所述引流板的一侧固定安装有滤渣板,所述滤渣板的底部固定安装有过滤网。本实用新型通过设置有一系列的结构使本装置在使用的过程中能够先利用曝气机增加废水的爆氧率,然后利用刮渣机对木质素进行清理,在废水排放前利用过滤网进行过滤来使用时对废水进行处理与利用。

标签:
废水处理
山东 - 德州 来源:中冶有色网 2023-03-19
甲醛废水预处理装置
甲醛废水预处理装置 1028     
 0

本实用新型公开了甲醛废水预处理装置,包括:反应装置,反应装置包括:反应池、紫外灯组、双氧水供给装置和碱液供给装置,反应池上设置有用于接收待处理的甲醛废水的进水口和用于将处理后的甲醛废水排出的出水口,反应池通过第一管道将甲醛废水输入到紫外灯组的反应部内,双氧水供给装置将双氧水输入到反应部内,紫外灯组的紫外灯设在反应部上并用于照射反应部内的甲醛废水,紫外灯组的反应部通过第二管道将处理后的甲醛废水输入反应池,碱液供给装置通过第二管道向反应池内输入碱液。相比较传统的芬顿反应,此装置能够更充分的将甲醛反应处理,提高双氧水的利用效率和氧化性,同时反应过程无物化污泥产生,避免进一步处理,节省人力物力。

标签:
废水处理
江苏 - 苏州 来源:中冶有色网 2023-03-19
处理含硝酸根离子的废水的方法

本发明涉及废水处理领域,公开了处理含硝酸根离子的废水的方法。所述方法包括:在微藻培养过程中,将含硝酸根离子的废水引入培养体系为微藻提供氮源,培养结束后,引出至少部分微藻培养液进行固液分离。本发明利用微藻吸收废水中的硝酸根离子,实现了微藻处理含硝酸根离子废水的目的,处理效率和稳定性均较高,且在处理废水的同时高产量地获得了微藻生物质,具有良好的经济效益与生态、社会效益。

标签:
废水处理
北京 - 北京 来源:中冶有色网 2023-03-19
双催化氧化工艺处理废水方法及其装置

本发明属于废水处理领域,具体涉及一种双催化氧化工艺处理废水方法。在废水中加入催化剂进行次氯酸钠催化氧化,然后进行电解催化。催化剂是以γ-Al2O3为载体,负载Mn、Cu、Fe、Co、Ce、K或Ce元素中的一种或几种的氧化物作为活性组份。在废水中加入催化剂进行次氯酸钠催化氧化时优选还加入次氯酸钠。废水中抗氧化能力弱的有机物首先被次氯酸钠催化氧化降解,抗氧化能力强的有机物随后被电解催化氧化降解。双催化氧化工艺对废水中有机物“分类”处理,缩短水力停留时间,提高了处理效率。本发明还提供一种实现该方法的装置,结构简单,易于实施。

标签:
废水处理
山东 - 淄博 来源:中冶有色网 2023-03-19
电子电镀废水回用深度处理装置

电子电镀废水回用深度处理装置针对电子电镀行业中蚀刻、微蚀、电镀等工序中产生的重金属清洗废水,进行深度处理回用,形成一种以膜组合工艺为主的电子电镀废水深度处理回用装置。装置主要由混凝沉淀处理单元、微滤膜处理单元、预处理单元和反渗透处理单元串联构成,控制系统采用自动控制系统(PLC)组成。本实用新型处理得到满足生产工艺用水要求的回用水,实现废水循环利用和重金属减排的目的。

标签:
废水处理
江苏 - 苏州 来源:中冶有色网 2023-03-19
加氢精制过程中含硫、含氮废水、废气的联合处理系统及方法

本发明涉及一种加氢过程中所生成的含硫、含氮废水、废气的联合处理系统及方法。处理系统,由吸收单元、解吸单元和冷凝单元构成;将废气中的NH3和H2S转移到水相中,得到净化的燃气,水相与含硫、含氮废水性质相似,所以将二者合并处理,经过单塔或双塔气提,得到达标废水、H2S和氨,H2S可进一步制为硫磺,NH3用于制备液氨或氨水,硫磺、液氨或氨水作为产品,彻底实现硫化氢和氨的治理。该工艺设备简单,能联合处理含H2S和NH3的废气和废水,脱除并回收H2S和NH3,得到清洁燃气和达标废水,实现了资源综合利用,绿色环保。

标签:
废水处理
天津 - 天津 来源:中冶有色网 2023-03-19
废水臭氧微孔过滤协同处理反应器

本实用新型公开了一种废水臭氧微孔过滤协同处理反应器,包括:反应器本体,反应器本体包括左腔体、右腔体,左腔体通过臭氧‑活性炭单元模块与右腔体连接,用于提供废水处理反应腔体;左腔体、右腔体各自设有进水口和出水口;臭氧输送管模块,臭氧输送管模块与反应器本体连接,用于给反应器本体输送臭氧;臭氧‑活性炭单元模块,设置在反应器本体中部,用于废水第一步反应;微孔过滤膜单元模块,设置在反应器本体内,用于废水第二步反应;空气搅拌单元模块,设置在反应器本体两端,用于进行废水的搅拌;本实用新型所构建的“臭氧微孔过滤”集成式装备,可实现臭氧氧化和微孔过滤协同联动,优化废水处理流程和效率,操作简便,具有较好的应用前景。

标签:
废水处理
广东 - 广州 来源:中冶有色网 2023-03-19
铅、锌冶炼烟气制酸废水的处理系统

本实用新型提供了一种铅、锌冶炼烟气制酸废水的处理系统,系统包括废水池、调节池、反应池、一号加压泵、DF管式微滤膜装置、二号加压泵、RO反渗透膜装置,调节池的烟气制酸废水通道口与废水池连接,调节池的药品通道口连接有加药装置,调节池的底部通道口与反应池的入口连接,本系统无需添加聚丙烯酰胺,药品使用量少,不需设置沉淀池,因此简化了废水处理工序,比传统工艺废水处理费用要低。

标签:
废水处理
广西 - 南宁 来源:中冶有色网 2023-03-19
兰炭废水处理方法及装置

本发明属于污水处理技术领域,公开了一种兰炭废水处理方法及装置。所述方法为:将兰炭废水通过加酸装置调节pH值后静置实现重力除油并分离回收;出水分冷热两股从脱酸塔的上部和中上部进入汽提塔内,脱除废水中的酸性气体并送入尾气处理装置;釜液与萃取剂逆流萃取,萃取相通过精馏分离回收萃取剂并得到粗酚产品;萃余相经溶剂汽提塔回收溶剂,出水经蒸氨塔蒸除水中的氨氮制取浓氨水;本发明可实现兰炭废水中的轻油、重油、酸性气、酚类、氨氮的高效分离和回收,实现污染物的资源化,同时,萃取剂在废水处理流程中循环使用,废水处理系统不引入新的杂质,具有良好的应用前景。

标签:
废水处理
广东 - 广州 来源:中冶有色网 2023-03-19
上一页 9977 9978 9979 9980 9981 ... 10000 ... 20000 ... 30000 ... 32465 下一页
共32465页    到第

中冶有色为您提供最新的有色金属技术理论与应用信息,包括矿山技术、冶金技术、材料制备及加工技术、环境保护技术和分析检测技术等有色技术信息。打造最具专业性的有色金属技术理论与应用平台!

全国热门有色金属设备推荐
展开更多 +
全国热门有色金属技术推荐
展开更多 +

 

江西省隆恩特环保设备有限公司
宣传

报名参会
更多+

2025年10月15日 ~ 17日
2025年10月17日 ~ 19日
2025年10月31日 ~ 11月02日
2025年11月07日 ~ 09日

报告下载

有色专家
更多+

江西理工大学
副校长
南方科技大学
外籍院士
湖南有色金属研究院
教授级高工/原总工程师
江西理工大学
副处长/教授
有研资源环境技术研究院(北京)有限公司
副总经理/教授级高工
赤泥综合利用研究报告2025
推广

热门技术
更多+

推荐企业
更多+

福建省金龙稀土股份有限公司
宣传

发布

在线客服

公众号

电话

顶部
咨询电话:
010-88793500-807