青岛垚鑫智能科技有限公司
宣传

位置:中冶有色 >

有色技术频道 >

分类:
全部
矿山技术
冶金技术
材料制备及加工技术
环境保护技术
分析检测技术
地区:
全部
北京
天津
上海
重庆
河北
山西
辽宁
吉林
黑龙江
江苏
浙江
安徽
福建
江西
山东
河南
湖北
湖南
广东
海南
四川
贵州
云南
陕西
甘肃
青海
内蒙
广西
西藏
宁夏
新疆
其他
其他
展开
 
全部
郑州
开封
洛阳
平顶山
安阳
鹤壁
新乡
焦作
濮阳
许昌
漯河
三门峡
商丘
周口
驻马店
南阳
信阳
济源

河南有色金属理论与应用

免费发布技术信息>>
具有自动摆动抖散功能的锂电池隔膜纸分切装置

一种具有自动摆动抖散功能的锂电池隔膜纸分切装置,包括供料装置、展开装置和分切收纳装置;所述的分切收纳装置包括分切架和收纳架,所述的分切架和收纳架之间设置分切刀;所述的收纳架的侧面设置测速装置;本实用新型的有益效果在于:本装置通过供料装置、展开装置和分切收纳装置组合设置,能够实现对锂电池隔膜纸原料进行抖散、展开、切割和收纳,通过测速装置检测收纳轴的运动速度控制供料装置抖散动作,同时操作人员也能够调整抖料液压推杆运动行程可实现原料抖散程度;这样不仅能够实现自动化高效的进行锂电池隔膜纸原料的分切操作,而且测速装置和抖料液压推杆配合能够保证锂电池隔膜纸原料安全平稳的将锂电池隔膜纸原料进行分切和收纳。

标签:
加工技术
河南 - 新乡 来源:中冶有色网 2023-03-18
功率型锂离子电池三元材料及制备方法

本发明提供了一种功率型锂离子电池三元材料及制备方法,该方法采用高分子表面活性剂作为软模板辅助沉淀反应,通过溶胶凝胶化制备得到形貌均匀粒度均一的纳米镍钴锰三元正极材料,提高了锂离子电池的功率性能、放电容量及循环性能等电化学性能。本发明制备的形貌一致、粒径均一的纳米镍钴锰三元正极材料,用于锂离子电池时与电解质溶液的接触面积得到显著地提高,同时也缩短了锂离子的扩散路径,进而提高锂离子电池的倍率性能、克容量以及循环性能等电化学性能。

标签:
加工技术
河南 - 郑州 来源:中冶有色网 2023-03-18
动力、储能锂电池专用软包装膜及其制备方法

本发明公开了一种动力、储能锂电池专用软包装膜及其制备方法。本发明的技术方案要点为:动力、储能锂电池专用软包装膜,它由外到内依次设有耐热树脂薄膜层、铝箔芯层和热塑性树脂薄膜层,铝箔芯层分别与耐热树脂薄膜层和热塑性树脂薄膜层通过粘合剂层和热塑性弹性体粘接层采用流涎法共挤复合成型,所述的铝箔芯层为0态铝箔,该铝箔芯层的厚度为65-100μm。本发明还公开了该动力、储能锂电池专用软包装膜的制备方法。本发明不仅可以提高动力、储能锂电池的单电芯容量空间,而且温度适用范围广,抗持续震动效果优于现有的普通锂电池软包装膜。

标签:
加工技术
河南 - 新乡 来源:中冶有色网 2023-03-18
高强高韧铝锂合金及其制备方法

本发明公开了一种高强高韧铝锂合金,由以下质量百分比的组分组成:锂:1.6~2.3%,铜:2.9~3.8%,镁:0.15~0.60%,钴:0.18~0.35%,锶:0.05~0.25%,钇:0.09~0.18%,锆:0.06~0.12%,余量为铝;其中,铜与锂的质量比(Cu/Li)控制为1.3~2.0;本发明还公开了该高强高韧铝锂合金的制备方法,包括以下步骤:配料、熔炼、铸造、均匀化、热轧、退火、冷轧、固溶、时效。本发明通过复合微合金化,采用真空无溶剂熔铸获得高品质铸锭,通过后续大变形和固溶、时效工艺,获得强度和塑韧性良好匹配的铝锂合金。

标签:
加工技术
河南 - 郑州 来源:中冶有色网 2023-03-18
回收废旧磷酸铁锂粉的方法

本发明提供了一种回收废旧磷酸铁锂粉的方法,步骤如下:(1)有价离子浸出:采用盐酸与添加剂体系将废旧磷酸铁锂正极材料溶解,固液分离后,得到浸出液;(2)酸液浓缩循环:将步骤(1)得到的金属离子浸出液减压浓缩得到浓缩液;(3)铁锂分离:调节步骤(2)中浓缩液的pH,固液分离后获得粗制磷酸铁固体以及含锂离子溶液;(4)磷酸铁精制:将步骤(3)得到的粗制磷酸铁酸固体酸洗重结晶,干燥后粉体煅烧制备即得电池级磷酸铁。整个回收过程制备的磷酸铁纯度高,且整个过程中不产生二次污染,工艺能耗较低,回收过程绿色高效,实现废旧磷酸铁锂电池的高附加值回收利用。

标签:
加工技术
河南 - 郑州 来源:中冶有色网 2023-03-18
硅气凝胶改性锂离子电池隔膜及制备方法

本发明属于锂离子电池领域,涉及锂离子隔膜技术领域,具体是一种硅气凝胶改性锂离子电池隔膜及制备方法,隔膜按重量份数计,由以下各组分组成,100份聚丙烯、10~50份超高分子量聚丙烯、1~5份助剂、0.1~5份成核剂和1~10份笼型倍半硅氧烷杂化二氧化硅气凝胶。本发明的硅气凝胶改性锂离子电池隔膜耐热性好、孔隙率高、透气性好,可应用于动力锂离子电池。

标签:
加工技术
河南 - 漯河 来源:中冶有色网 2023-03-18
新能源汽车锂电池生产线用一体式载板

本实用新型公开了一种新能源汽车锂电池生产线用一体式载板,包括载物板,其特征在于所述载物板整体呈矩形状且一体式设置,所述载物板的顶端面的两侧一体化连接有侧板,所述载物板的壳壁上沿长度方向开设有若干个过水孔;本实用新型中通过一体成型设置载物板,减少载物板安装使用时的焊接量,避免了目前通过多块板材组合焊接成型导致载物板的表面出现变形的状况,从而保证了载物板的平面度;且通过若干个过水孔,在锂电池生产时,可以在过水孔内通入循环水,能够带走锂电池生产时发出的热量,进而能够对锂电池进行降温,确保了锂电池安全的加工生产。

标签:
加工技术
河南 - 郑州 来源:中冶有色网 2023-03-18
锂电池动力储能聚合物正负极专用粘合剂

本发明公开了一种锂电池动力储能聚合物正负极专用粘合剂,它涉及一种粘合剂。它由以下重量配比的组分组成:丙烯酸乳液120份,乳化剂20-90份,氢氧化锂20份,聚丙烯酰胺1-10份,填料30份,稀释剂300份,羧甲基纤维素0.5-9份,抗氧化剂0.1-6份,活性剂1.5-20份。本发明以水为溶剂,在合浆和涂布过程中无有机溶剂挥发,安全节能环保。水性粘合剂与锂离子电解液有很好的相容性,在电解液中浸泡24h胶膜的溶胀率不大于0.8%,可以保持电极尺寸的稳定性。水性粘合剂采用多元有机酸酯共聚合成,实现了胶膜刚性和柔性的完美平衡,使采用水性粘合剂制作的锂离子电池具有很好的循环性能。

标签:
加工技术
河南 - 新乡 来源:中冶有色网 2023-03-18
高克比容量球形镍钴锰酸锂生产用高混机

本实用新型公开了一种高克比容量球形镍钴锰酸锂生产用高混机,包括搅拌桶,搅拌桶的顶部安装有顶盖,顶盖的顶部安装有第一电机,搅拌桶的侧面安装有温度表,搅拌桶的内部安装有搅拌销,搅拌销的顶部安装有转杆,搅拌桶的底部安装有冷凝器,搅拌桶的内壁嵌入设置有温度传感器,搅拌桶的一侧和另一侧均安装有支撑杆。本实用新型通过设置凸轮、转轴、第二电机、支撑杆套管和减震弹簧,解决了传统高混机多为高混机内部对镍钴锰酸锂原料进行搅拌,为静态搅拌处理,容易导致高混机内壁粘附镍钴锰酸锂原料,既降低了混合精度,且镍钴锰酸锂原料长期粘附高混机内壁,容易导致高混机内壁损坏的问题。

标签:
加工技术
河南 - 新乡 来源:中冶有色网 2023-03-18
锂电池极片烘烤装置
锂电池极片烘烤装置 907     
 0

本实用新型公开了一种锂电池极片烘烤装置,涉及锂电池加工技术领域,具体为包括箱体,所述箱体的内部固定连接有放置板,所述放置板的上方开设有放置槽,所述放置槽的上表面开设有升降槽,所述升降槽的内表面滑动连接有升降块,所述升降块的内部固定连接有弹簧,所述放置槽的底部固定连接有第一加热器,所述放置槽的内部设置有放置盘,所述放置板的下方固定连接有电动推杆。该锂电池极片烘烤装置,通过电动推杆和压紧板的设置,使该电池极片烘烤装置具备了压紧电池极片,烘烤过程中电池极片各处张力相同的效果,避免电池极片在高温烘烤的过程中电池极片发生变形的问题,减少锂离子电池极片出现质量问题的可能性。

标签:
加工技术
河南 - 新乡 来源:中冶有色网 2023-03-18
圆柱锂电池盖帽加装防爆片包边装置

本实用新型公开了一种圆柱锂电池盖帽加装防爆片包边装置,包括底座,底座顶部外壁上焊接有加工台,且加工台顶部外壁的轴心处开设有定位槽,定位槽底部内壁的轴心处焊接有套筒,且套筒的内部插接有支撑杆,支撑杆位于套筒内部一端的外壁上焊接有弹簧,且支撑杆通过弹簧滑动连接在套筒的内部,支撑杆的顶端焊接有模板,且模板滑动连接在定位槽的内部。本实用新型支撑杆通过弹簧在套筒内部滑动,使得模板具有一定的缓冲作用,使得锂电池加工时能够得到很好的防护作用,结构新颖,操作方便,实用性强;移动块带动夹板向定位槽移动,使得夹板能很好的对锂电池进行夹持,提升了锂电池加工时的稳定性。

标签:
加工技术
河南 - 新乡 来源:中冶有色网 2023-03-18
锂电模组周向保护板的焊接辅助夹具

本实用新型涉及锂电模组激光焊接领域,具体的说是一种锂电模组周向保护板的焊接辅助夹具。包括底座,在底座上设有用于夹持固定锂电模组的两块端部保护板的端板夹持机构和用于夹持固定锂电模组的两块侧部保护板的侧板夹持机构;本实用新型可从长度和宽度方向上控制锂电模组的规格,提高产品的一致性。

标签:
加工技术
河南 - 洛阳 来源:中冶有色网 2023-03-18
锂电光伏储能并网供电系统

本发明公开了一种锂电光伏储能并网供电系统,包括锂电池组和光伏阵列,通过DC/DC变换器及双向AC/DC变换器给锂电池组充电;锂电池组也可以通过双向AC/DC变换器向电网放电,采用交直流一体结构,将光伏储能和并网技术充分结合,协调控制,实现光伏储能和并网技术的智能控制,在用电低谷时期或光照充足时对电池组进行充电储能,在用电高峰时期或其他需要用电时期并网发电,解决了电能供需不平衡的问题,作为电网的有效补充,对电网起到调峰填谷作用,系统体积小,使用寿命长,具有光伏储能具有最大功率跟踪功能及全天候工作效应。

标签:
加工技术
河南 - 许昌 来源:中冶有色网 2023-03-18
纳米磷酸铁锂水性基浆料的制备方法

本发明涉及一种纳米磷酸铁锂水性基浆料的制备方法,包括如下步骤:利用高效分散设备并加入分散剂对纳米磷酸铁锂进行分散制得活性物质预分散液、制备粘结剂溶液、利用高效分散设备并加入分散剂对导电剂进行分散得到导电剂预分散液,最后将活性物质分散液、粘结剂溶液、导电分散液混合分散,制得纳米磷酸铁锂水性基浆料。本发明的制备方法对活性物质、粘结剂、导电剂分别进行分散,并加入了分散剂,利用物理分散和化学分散相结合的方式,克服了纳米磷酸铁锂浆料制备过程中存在的易团聚、分散效果差、污染环境的问题。

标签:
加工技术
河南 - 洛阳 来源:中冶有色网 2023-03-18
伟晶岩型锂辉石浮选捕收剂及其制备方法和应用

本发明涉及选矿工程技术领域,尤其是涉及一种伟晶岩型锂辉石浮选捕收剂及其制备方法和应用。所述伟晶岩型锂辉石浮选捕收剂,主要由按重量份数计的如下组分制成:石油磺酸盐50‑75份、表面活性剂15‑45份和乳化剂5‑10份。所述制备方法,包括:乳化剂溶解于水,与石油磺酸盐和表面活性剂混合均匀。本发明采用上述几种成分混合复配制成,在低温条件下捕收能力和选择性均较好,有利于提高锂辉石精矿品位和回收率,降低因温度变化而导致的浮选指标的波动;该捕收剂具有较强的耐泥和抗钙镁离子能力,对矿水水质具有较强的是应用,对不同海拔地区的各种伟晶岩型锂辉石具有良好的适应性,可减少调整剂用量,稳定选矿厂生产技术指标。

标签:
加工技术
河南 - 郑州 来源:中冶有色网 2023-03-18
硅基薄膜复合极片及其制备方法、锂离子电池

本发明属于锂离子电池技术领域,具体涉及一种硅基薄膜复合极片及其制备方法、锂离子电池。本发明的硅基薄膜复合极片的制备方法包括以下步骤:(1)将有机硅烷锂、成膜添加剂、离子液体混合均匀,得电解液;(2)以氧化石墨烯为工作电极、硅为对电极、饱和甘汞电极为参比电极,在步骤(1)所得电解液中采用电化学沉积法在工作电极表面沉积二氧化硅,得二氧化硅/氧化石墨烯复合材料;(3)在还原气氛下,将二氧化硅/氧化石墨烯复合材料升温至600~800℃并保温1~6h,然后冷却,得一氧化硅/石墨烯复合材料即硅基薄膜复合极片。以该方法制得的硅基薄膜复合极片为负极的锂离子电池,具有比容量高、循环性能优异、倍率性能佳等优势。

标签:
加工技术
河南 - 洛阳 来源:中冶有色网 2023-03-18
锂离子电池容量分选器
锂离子电池容量分选器 1076     
 0

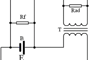
本实用新型有关于一种锂离子电池容量分选器,包括至少一个锂离子电池容量分选单元;该锂离子电池容量分选单元包括锂离子电池B、发热电阻丝Rt、限流电阻R、采集电阻Rf与Rad、电流互感器T;其中,上述的锂离子电池B、发热电阻丝Rt、限流电阻R及电流互感器T串接在一起组成回路,该采集电阻Rad与该电流互感器T并联在一起,同时该采集电阻Rf与锂离子电池B并联在一起。借由本实用新型,能够筛选出容量接近的多个锂离子电池,而将该容量接近的锂离子电池进行串联和/或并联使用,可以保证锂离子电池组的单个锂离子电池的容量一致性更好,从而提高锂离子电池组的使用效率,延长使用寿命。

标签:
加工技术
河南 - 洛阳 来源:中冶有色网 2023-03-18
用于电动小火车便于安装拆卸的锂电池钢壳

本实用新型公开了一种用于电动小火车便于安装拆卸的锂电池钢壳,包括下壳和上壳,下壳的内壁滑动连接有放置板,放置板的底部固定连接有第一伸缩套杆,第一伸缩套杆的外表面套接有第一弹簧,第一伸缩套杆的底部固定连接有第一梯形块,下壳的内底壁滑动连接有第二梯形块,第二梯形块的一侧固定连接有第二伸缩套杆,第二伸缩套杆的外表面套接有第二弹簧。本实用新型通过设置上接耳、下接耳、螺栓、螺母、橡胶垫、顶框、活动板、活动杆、第三弹簧和压板,解决了不便于锂电池的安装和拆卸,不方便锂电池的更换和维修,锂电池会与钢壳发生磕碰的情况,导致锂电池外壳破裂的问题。

标签:
加工技术
河南 - 新乡 来源:中冶有色网 2023-03-18
锂电池真空放电试验台
锂电池真空放电试验台 1018     
 0

本实用新型涉及一种锂电池真空放电试验台,包括真空腔体,真空腔体上设有密封门,真空腔体上设有抽真空接头,真空腔体内设有载板,载板上设有托盘,托盘上设有多个安装槽,真空腔体中于载板下方设有多个第一探针,真空腔体内于载板上方设有安装板,安装板上设有与各安装槽一一对应的第二探针,安装板上下导向移动安装于真空腔体内,真空腔体上还设有驱动机构,真空腔体上设有第一插头和第二插头。待测试锂电池放置于托盘上,通过抽真空接头对真空腔体内部进行抽真空处理,由驱动机构带动第二探针动作与待测试锂电池的相应电极导电接触,第一探针与待测试锂电池的另一电极导电接触,进行在真空环境下锂电池放电试验,操作方便且结构简单。

标签:
加工技术
河南 - 郑州 来源:中冶有色网 2023-03-18
液相制备纳米级磷酸铁锂的方法

发明公开了一种液相制备纳米级磷酸铁锂的制备方法。该方法可以在常压液相中快速完成反应,合成出的磷酸铁锂粉体粒径小而均匀,其粒径为50-400nm。本发明的技术方案是:按等摩尔比配制一定浓度的亚铁盐和磷酸混合水溶液,将混合水溶液放入反应器中,加入与水溶液体积比为0.5-2∶1的二甲亚砜等高沸点极性有机溶剂和0.5-3%的聚丙烯酰胺等晶体生长抑制剂,搅拌下缓慢加入氢氧化锂溶液至反应液的pH值在6-7,然后加热至溶液沸点回流反应0.5-3h,生成物经常规的过滤、洗涤和真空干燥即可得本发明产品。本发明产品用于锂离子电池正极材料。

标签:
加工技术
河南 - 新乡 来源:中冶有色网 2023-03-18
用于锂离子电池的纳米复合异质结构电极材料及其制备方法

本发明属于无机纳米复合材料及电化学技术领域,具体公开了一种用于锂离子电池的纳米复合异质结构电极材料的制备方法。该材料为核壳结构,其形状为梭形,并且以C为壳,以Fe3O4为核心,Fe3O4核心被Fe3C层包裹。本发明首先合成了Fe2O3@RF核壳结构纳米材料,然后经过一步碳化法,得到Fe3C-Fe3O4/C纳米异质结构材料。本发明所得材料用作锂离子电池电极材料时,表现出较高的倍率性能和长的循环寿命。本发明的方法操作简单,效率高,合成原料廉价易得,成本低,绿色环保,所制备的电极材料电化学性能优异。结果表明该复合材料在用作锂离子电池电极方面意义广泛。

标签:
加工技术
河南 - 郑州 来源:中冶有色网 2023-03-18
数码相机锂电池的快速高效充电电路

本发明公开了一种数码相机锂电池的快速高效充电电路,包括交流适配器、控制模块和锂电池;所述交流适配器输入端连接市电,输出端连接控制模块;所述锂电池的正极连接所述控制模块,所述锂电池的负极接地;本发明采用直流电压输入且可高达DC7V,大大缩短了锂离子电池的充电时间;且输出电压经过滤波电容更稳定,对锂离子电池充电时的保护更全面,益于延长其使用寿命。

标签:
加工技术
河南 - 郑州 来源:中冶有色网 2023-03-18
基于SEI膜阻抗变化的退役电池产生锂枝晶预判方法

本申请涉及一种基于SEI膜阻抗变化的退役电池产生锂枝晶预判方法,其主要通过包括:建立锂电池电化学阻抗等效电路及阻抗谱模型,在不同条件下,分别测试分析SEI膜阻抗与电池循环次数的关系,通过SEI阻抗发生异常变化来预判退役电池产生锂枝晶。本发明涉及的基于SEI膜阻抗变化的退役电池产生锂枝晶预判方法,通过建立包括SEI膜阻抗RSEI的锂离子电池电化学阻抗等效电路,并通过建立其与电池循环性能间的关系曲线,以SEI膜阻抗出现先减小后增大的拐点特征,实现对退役电池产生锂枝晶的快速预判,具有方法简单、效率高、判断结果精确等特点。

标签:
加工技术
河南 - 郑州 来源:中冶有色网 2023-03-18
非晶态硫化物固体电解质及其制备方法、锂离子电池

本发明涉及一种非晶态硫化物固体电解质及其制备方法、锂离子电池,属于锂离子电池技术领域。本发明的非晶态硫化物固体电解质的制备方法,包括如下步骤:在惰性气氛或真空条件下,将锂源和其他原料混合球磨8‑12h即得;所述锂源为氢化锂或氢化锂与LiCl、LiBr、LiI中的至少一种组成的混合锂源。本发明的非晶态硫化物固体电解质的制备方法通过球磨处理时的微区合金化过程,进而引发连锁反应,只需要短时间球磨反应。上述氢化锂为锂源的必需成分,避免了使用Li2S等昂贵的原料。另外,氢化锂一方面提供重要的锂源,另一方面为系统充分反应提供有利于合金化的热力学环境,有利于短时间一次合成目标产物。

标签:
加工技术
河南 - 郑州 来源:中冶有色网 2023-03-18
在线实时监测锂电池隔膜热收缩率系统及监测方法

本发明属于锂离子电池隔膜生产技术领域,具体涉及一种在线实时监测锂离子电池隔膜热收缩率系统及利用该系统的在线实时监测电池隔膜热收缩率的方法。该系统包括在隔膜生产线拉伸成膜出口依次设立的红外加热装置和应力测试装置,红外加热装置和应力测试装置的检测口高度分别与出口膜面等高;所述隔膜生产线所生产锂离子电池隔膜,为PE隔膜、PP隔膜或PP/PE/PP隔膜。本发明所提供的在线实时监测锂离子电池隔膜热收缩率的系统,系统集成度较高,安装便捷,在线监测锂离子电池隔膜热收缩率时,显示结果较为快速、直观,克服了原有的费时费力的检测缺陷,便于及时调整电池隔膜质量。因而在锂离子电池隔膜生产领域具有较好地应用前景。

标签:
加工技术
河南 - 驻马店 来源:中冶有色网 2023-03-18
高性能钛酸锂复合材料的制备方法

本发明提供了一种高性能钛酸锂复合材料的制备方法,包括如下步骤:(1)制备掺锆钛酸锂材料Li4Ti5‑xZrxO12(x=0.05~0.15);(2)按照掺锆钛酸锂和锗化合物质量比200~400:1的比例称取两种物料,添加分散介质进行湿法研磨,制备悬浊液,而后应用喷雾干燥方法制备复合材料前驱体;(3)将前驱体材料高温焙烧后粉碎获得高性能钛酸锂复合材料。本发明制备的钛酸锂复合材料形貌规整,颗粒堆积密实,改善了颗粒间锂离子的扩散能力,材料具有高的振实密度,制备方法简洁,便于进行放大制备,实现工业化生产。

标签:
加工技术
河南 - 郑州 来源:中冶有色网 2023-03-18
四轮电动车锂电池控制电路

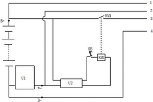
本实用新型公开了一种四轮电动车锂电池控制电路,属于锂电池充放电控制技术领域,特别涉及一种具有充放电保护功能的电动车的控制电路,包括与电机控制器连接的放电接口、与充电器连接的充电接口以及电池包,还包括DC‑DC模块、继电器KM1和开关SB;其中,放电接口的正极和负极分别与电池包的端子B+和B‑连接,充电接口与电池包连接,DC‑DC模块输入端与电池包连接,DC‑DC模块的一个输出回路中同时串有继电器KM1的线圈和开关SB,继电器KM1的常开接点串入连接放电端口与电池包之间的放电回路中。本实用新型提供了一种四轮电动车锂电池控制电路,使保证车载锂电池安全运行的情况下,降低生产成本,提高锂电池充放电控制电路的稳定性,延长锂电池保护板的使用寿命。

标签:
加工技术
河南 - 洛阳 来源:中冶有色网 2023-03-18
生产碳酸锂用加热式离心分离器

本实用新型提供一种生产碳酸锂用加热式离心分离器,属于碳酸锂生产加工技术领域,该生产碳酸锂用加热式离心分离器包括底座,所述底座的上表面滑动连接有固定架,所述固定架的内部固定连接有第一斜板和箱体,所述第一斜板位于箱体的一侧顶部,所述底座的一侧顶部固定连接有支撑架,所述支撑架的顶部固定连接有离心分离器,所述第一斜板的内部开设有漏水孔,所述箱体的内部固定连接有多个网板。该生产碳酸锂用加热式离心分离器,通过第一斜板、箱体、网板、暖风箱、双轴电机、连杆、转盘和固定架之间的配合,能够对分离后的固体碳酸锂直接进行烘干,减少输送所用的时间,提高了碳酸锂生产加工的效率,有利于推广使用。

标签:
加工技术
河南 - 郑州 来源:中冶有色网 2023-03-18
锂矿石浸出液深度净化用复配萃取剂及净化工艺

本发明属于金属冶炼技术领域,具体涉及一种锂矿石浸出液深度净化用复配萃取剂及净化工艺。该锂矿石浸出液深度净化用复配萃取剂的原料包括酸性磷类萃取剂AD290,所述酸性磷类萃取剂AD290的体积分数为5‑20%。本发明的锂矿石浸出液深度净化用复配萃取剂可同时除去铁、锰、铝、钙、镁等杂质,使净化后的锂矿石浸出液中杂质的含量降到1ppm以下,可直接用于制备电池级碳酸锂。

标签:
加工技术
河南 - 郑州 来源:中冶有色网 2023-03-18
溴化锂吸收式机组
溴化锂吸收式机组 1117     
 0

本实用新型公开了一种溴化锂吸收式机组,包括溴化锂机组主体,所述溴化锂机组主体的顶端中间设置有发生器,且发生器和溴化锂机组主体通过螺母旋转连接固定,所述发生器的一侧设置有管道,所述溴化锂机组主体的一侧表面设置有冷水入口,所述冷水入口的底端设置有冷却水入口,所述冷却水入口的底端设置有冷凝管,溴化锂进口的内部设置有聚乙烯管,聚乙烯管的一侧设置有固定檐,固定檐的表面设置有固定孔,聚乙烯管的设置有效的减缓了溴化锂液体对金属的腐蚀,所以溴化锂液体并不能对聚乙烯管造成伤害,这就延长了溴化锂机组的使用寿命,减小了机组的故障率,减少了经济损失,增加了产品合格率,增加了经济效益。

标签:
加工技术
河南 - 新乡 来源:中冶有色网 2023-03-18
上一页 506 507 508 509 510 ... 993 下一页
共993页    到第

中冶有色为您提供最新的河南有色金属理论与应用信息,涵盖发明专利、权利要求、说明书、技术领域、背景技术、实用新型内容及具体实施方式等有色技术内容。打造最具专业性的有色金属技术理论与应用平台!

全国热门有色金属设备推荐
展开更多 +
全国热门有色金属技术推荐
展开更多 +

 

江西省隆恩特环保设备有限公司
宣传

报名参会
更多+

报告下载

有色专家
更多+

蒙纳士苏州校区
中国工程院外籍院士/校长
有研科技集团有限公司
中国工程院 院士
武汉科技大学
校学术委员会主任 / 教授
北京科技大学
教授
湖南科技大学
所长/教授
赤泥综合利用研究报告2025
推广

热门技术
更多+

推荐企业
更多+

福建省金龙稀土股份有限公司
宣传

发布

在线客服

公众号

电话

顶部
咨询电话:
010-88793500-807