青岛垚鑫智能科技有限公司
宣传

位置:中冶有色 >

有色技术频道 >

分类:
全部
矿山技术
冶金技术
材料制备及加工技术
环境保护技术
分析检测技术
地区:
全部
北京
天津
上海
重庆
河北
山西
辽宁
吉林
黑龙江
江苏
浙江
安徽
福建
江西
山东
河南
湖北
湖南
广东
海南
四川
贵州
云南
陕西
甘肃
青海
内蒙
广西
西藏
宁夏
新疆
其他
其他
展开
 
全部
南京
无锡
徐州
常州
苏州
南通
连云港
淮安
盐城
扬州
镇江
泰州
宿迁

江苏无锡有色金属理论与应用

免费发布技术信息>>
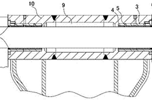
立管式高压湿式静电精除尘器

本发明公开了一种立管式高压湿式静电精除尘器,所述壳体为方形结构,所述壳体下部设有所述进气口,所述壳体顶部设有所述出气口,所述第一喷淋系统和第二喷淋系统设于所述壳体上部,所述壳体外侧连接有多个所述绝缘箱,其中一个为接线绝缘箱,所述供电电源与所述接线绝缘箱通过线缆连接,所述壳体内设有收尘电极和阴极放电电极,所述供电电源通过所述接线绝缘箱与所述阴极放电电极相连接,所述第二喷淋系统设于所述第一喷淋系统下侧,所述第二喷淋系统包括多个喷头。本发明,采用添加碳素纤维高导电性的复合材料,解决了金属材料的腐蚀问题;采用蜂窝状、方形、圆形等管式结构提高收尘电极面积,增加单位容积收尘电极面积;采用2套喷淋系统确保收尘集水膜均匀,确保收尘电极处于最佳处理状态。

标签:
复合材料
江苏 - 无锡 来源:中冶有色网 2023-03-18
含有叔胺基团的光固化树脂及其组合物

一种光固化树脂,可以通过环氧(甲基)丙烯酸酯与含有羧基、酰氯的叔胺进行直接酯化,或者与相应的酯类化合物进行酯交换制得。本发明提供的各种光固化树脂,适用于各种光固化涂料、油墨、胶黏剂以及光固化复合材料体系,可以改善光固化产品的安全性,适用于食品药品等印刷包装。

标签:
复合材料
江苏 - 无锡 来源:中冶有色网 2023-03-18
废旧ABS复合塑料回收改性再生方法

本发明公开了一种ABS与其它塑料或橡胶复合废旧塑料的回收改性再生方法。包括以下步骤:1)将ABS复合废旧塑料用破碎机破碎,加入溶剂,在加热条件下搅拌溶解;过滤、分离滤渣和滤液,滤液为ABS树脂溶液,滤渣为复合废旧塑料中的其他成分;2)ABS树脂溶液的温度控制在25℃~120℃,依次加入增强剂、增韧剂以及相容剂,搅拌分散均匀,得到改性ABS树脂溶液;3)向改性ABS树脂溶液中加入反沉淀剂,搅拌、静置、分层、水洗、烘干得到改性ABS颗粒。本发明的技术方案构成了一套完整的ABS废旧复合塑料回收、改性、再生工艺,所得ABS复合材料性能优异,具有较高的经济收益和环境效益。

标签:
复合材料
江苏 - 无锡 来源:中冶有色网 2023-03-18
理疗用远红外线磁片及其生产方法

本发明公开了一种理疗用远红外线磁片及其生产方法这一技术方案,它涉及一种复合材料的配方及其生产方法。其特征在于每100个单位中各原料配比量:玉石粉∶锗石粉∶黄土∶紫砂土为15-25∶10-20∶1-10∶50-70,最佳配比是玉石粉∶锗石粉∶黄土∶紫砂土=20∶15∶5∶60,其生产方法包括混合均匀搅拌、挤压成型、焙烧和在其一个表面上镶嵌永久磁石等步骤。该发明创造技术方案中所采用原料价格低并及易获取,其生产方法较为简单,容易开发和进行批量生产,其产品可广泛用于诸如理疗用坐垫、床垫以及温热治疗器等各种保健和理疗器械中。

标签:
复合材料
江苏 - 无锡 来源:中冶有色网 2023-03-18
脊椎位神、气、穴激活器

一种脊椎位神、气、穴激活器,涉及一种理疗器械,是现有理疗器的改进,其特征是在激活板上面用挤压方式固定有若干个理疗头,理疗头的设置与人体脊椎两侧督脉、腧脉相对应,理疗头选用镀金、银的锗石和玉石复合材料并在上面镶嵌磁石,电源插头式变压器通过插头插入充电插口,电能存储器固定在激活板底部,激活板一端安装有充电指示灯,户外使用时可用车载直流电源代替电源插头式变压器。激活器可做成平板式,也可做成弯曲式。本发明具有良好的治疗效果,可广泛用于治疗脊椎炎、肩周炎、腰间盘突出和肌肉拉伤等。

标签:
复合材料
江苏 - 无锡 来源:中冶有色网 2023-03-18
高流动性聚芳醚酮树脂的制备方法

本发明属于高分子合成技术领域,涉及高流动性聚芳醚酮树脂的制备技术。本发明涉及的高流动性聚芳醚酮树脂的合成方法是在足量的碱金属碳酸盐作用下,采用具有109.47°键角的双酚单体与双卤单体合成环状预聚体,再在碱金属碳酸盐作用下用双酚盐引发环状预聚体开环聚合得到高流动性聚芳醚酮树脂。该方法广泛适用于各类以双酚单体与双卤单体合成聚芳醚酮,产品可设计性强,合成工艺简单,易于控制,产率高。采用本发明涉及的合成方法制备的聚芳醚酮树脂在熔融状态下具有良好的流动性,可实现与纤维等材料的熔融浸润及浸渍效果好,可以得到高性能的聚芳醚酮树脂基复合材料。

标签:
复合材料
江苏 - 无锡 来源:中冶有色网 2023-03-18
环保自润滑耐磨注塑级尼龙6及其制作工艺

本发明涉及一种有机高分子复合材料,更具体地说,是涉及一种环保自润滑耐磨注塑级尼龙6及其制备方法,是由以下成分按重量比组成,尼龙6:49.5-90%,外润滑剂:0.1-1.5%;硅系耐磨改性剂:3-35%,抗氧化剂:0.3-1.5%;热稳定剂:0.1-3.0%;其他助剂:0.3-5.5%,本发明的一种环保自润滑耐磨注塑级尼龙6及其制作工艺,在保持原有注塑级尼龙6的综合性能的基础上,还具备有较好的自润滑性以及耐磨性,并且生产采购方便,原辅材料和生产设备均采用国产,生产成本和原材料成本大大降低,这样很好的提高了产品的综合竞争力。

标签:
复合材料
江苏 - 无锡 来源:中冶有色网 2023-03-18
纬向钢经编织物成型工艺

本发明公开了纬向钢经编织织物成型工艺,它是把纬向钢带与柔性纤维经纱配合编织成纬向钢编织织物,这些纬向钢编织织物可被广泛应用于生产各种夹钢复合材料产品,特别是生产钢质蜂窝芯,钢质蜂窝板等材料。

标签:
复合材料
江苏 - 无锡 来源:中冶有色网 2023-03-18
环缝式电磁搅拌制备半固态合金流变浆料或坯料的方法

一种环缝式电磁搅拌法制备半固态金属或合金浆料或坯料的方法,简称“环缝式电磁搅拌法”,将高于其液相线温度5~100℃的液态金属或合金液浇入制浆室内侧壁和内部冷却控制器外壁之间形成的环形缝隙中。金属或合金液在电磁感应旋转搅拌器的作用下受到强烈的搅拌。同时,外部冷却控制器和内部冷却控制器中通入的冷却介质可使浆料的温度场更加均匀,从而得到细小均匀的半固态组织。其特征在于:制浆室内侧壁和内部冷却控制器外壁之间形成的环形缝隙宽度为3-100mm。制备过程中,外部冷却控制器和内部冷却控制器中通入冷却介质,均匀浆料的温度场。这种制备方法将使浆料受到的搅拌力场和温度场更加均匀,从而得到优质的半固态浆料。该方法制备工艺简单,操作方便,半固态组织形态优良,均匀细小、制备成本低,非常适合半固态铝及铝合金、镁及镁合金及其他金属及合金或复合材料浆料或坯料的制备。

标签:
复合材料
江苏 - 无锡 来源:中冶有色网 2023-03-18
磁性聚吡咯/二氧化钛/粘土纳米复合光催化剂及其制备方法

本发明涉及光催化剂,特指一种磁性聚吡咯/二氧化钛/粘土纳米复合光催化剂及其制备方法。本发明先以粘土为基体,采用原位合成法制备纳米二氧化钛/粘土复合材料,同时四氯化钛水解产生的盐酸用于合成导电聚吡咯,合成导电聚吡咯所用氧化剂形成磁性载体,从而制备高活性可回收的纳米复合光催化剂。

标签:
复合材料
江苏 - 无锡 来源:中冶有色网 2023-03-18
耐酸碱聚乙烯
耐酸碱聚乙烯 1149     
 0

本发明涉及一种有机高分子复合材料,更具体地说,是涉及一种耐酸碱聚乙烯,是由以下成分按重量比组成,聚乙烯:50.5-89.5%,抗氧化剂:5-40%;导电石墨:2-30%;热塑性树脂:0.2-1.0%;增塑剂:0.2-2.0%;活性炭:0.3-5.5%;其他助剂:0.3-5.5%,本发明的耐酸碱聚乙烯的有益效果:能够替代金属原材料生产零配件或外壳,便于加工,具有金属材质的电磁屏蔽功能,采购方便,同时还具有耐酸碱腐蚀的特点以及一定的机械强度和耐温性,这样全面提高了竞等力。

标签:
复合材料
江苏 - 无锡 来源:中冶有色网 2023-03-18
用于挖掘机动臂的自润滑轴承

本发明公开了一种用于挖掘机动臂的自润滑轴承,包括设于动臂销轴孔内的销轴,所述动臂销轴孔的两端分别卡设有法兰,法兰内卡设有轴套,轴套与所述销轴配合;法兰的端面上设有至少2个螺纹孔和至少2个顶出孔,动臂的端面上设有与所述螺纹孔配合的安装孔,两者螺纹连接;所述轴套由钢背聚甲醛复合材料制成;所述法兰上还设有至少1个连通法兰和轴套的定位孔,定位孔内设有定位螺钉,使法兰和轴套相对固定。本发明便于拆装及更换轴套,避免了现有技术方案中通过另一端把法兰或者轴套给敲打出来的麻烦,也不会损坏动臂销轴孔的配合面,操作方便,且节省了时间。

标签:
复合材料
江苏 - 无锡 来源:中冶有色网 2023-03-18
内流道自润滑结构的动压气浮轴承

本发明一种内流道自润滑结构的动压气浮轴承,涉及轴承技术,其转子轴颈表面光滑,在轴承体内表面开设增压流道槽结构;轴承体内表面选用耐磨、耐高温、高强度及固体自润滑性能的材料;采用橡胶圈、金属橡胶及弹性复合材料减振措施的结构设计。本发明的轴承不仅极大地提高了启停等短时间对接触表面的耐磨性能,而且还降低了对工质含杂质、温度等指标的要求,能够有效地提高气浮轴承承载稳定性与可靠性,进一步拓宽了气浮轴承应用的范围。

标签:
复合材料
江苏 - 无锡 来源:中冶有色网 2023-03-18
带有空气腔的建筑物节能面板及其制造方法和应用

本发明公开了一种带有空气腔的建筑物节能面板,由硅镁纤维保温隔音节能高强复合材料制成的板块拼合而成,板块由块体(1)和肋梁(2)构成,块体(1)的平面呈矩形或正方形,在其相邻的两边分别具有L形的外榫和L形的内榫,块体(1)的背面间隔设有至少两个等高、与平面垂直的肋梁(2),块体(1)通过肋梁(2)与建筑物结构体呈固定连接,块体(1)外表层的下面具有增强纤维布层(4),块体(1)、外表层和增强纤维布层(4)是一个整体,具有耐候、防震、防火、隔音、隔热、装饰和节能等优点,可广泛用于建筑外墙保温、隔音环保节能装饰,内墙隔墙隔音装饰,建筑屋顶屋面板的整体结构构造保温、防震装饰板,楼地板装饰地板等。

标签:
复合材料
江苏 - 无锡 来源:中冶有色网 2023-03-18
铝热堆焊辊压工艺
铝热堆焊辊压工艺 865     
 0

本发明涉及一种铝热堆焊辊压工艺,是在待堆焊的钢板表面用铝热法堆焊铁/陶瓷混合物涂层材料后,在涂层材料凝固过程中用铝热堆焊辊压装置进行辊压,使所述涂层材料在压力下结晶,在变形中凝固,从而获得高密度复合材料涂层,所述用铝热法堆焊铁/陶瓷混合物涂层材料所用的堆焊原料为铝热焊剂,所述铝热焊剂以Fe2O3+2Al=Al2O3+2Fe+828.894(kJ)铝热反应方程为基本配方,根据堆焊层性能要求不同,添加合金元素,调整堆焊原料配方,所述铝热焊剂的点火剂为按原子比为1∶1的Ti粉与C粉的混合物。本发明铝热堆焊辊压工艺能提高焊剂材料与基体匹配性、提高堆焊层密度和与基体的结合强度。

标签:
复合材料
江苏 - 无锡 来源:中冶有色网 2023-03-18
V型宽体帆板
V型宽体帆板 859     
 0

本发明就是提供一种自重轻、易学习、安全实用、滑行阻力小的V型宽体帆板。本发明的目的可以通过下述方案来实现:一种V型宽体帆板,是由V型宽型板体、桅杆、风帆、稳向板、方向舵、万向节、帆柄、桅杆固定槽组成。该帆板采用最新高科技全塑钢合成纤维复合材料,用特殊工艺加工制造,重量比原使用的玻璃钢或注塑材料轻四分之一,强度增加两倍,使用寿命提高五倍,安全性和抗浪性提高一倍。

标签:
复合材料
江苏 - 无锡 来源:中冶有色网 2023-03-18
高支化聚酯的制备方法

本发明公开了一种以羟基环氧化合物和二元酸酐为单体,一步反应制备高支化聚酯的方法,具有反应条件温和、容易官能化、链末端有大量羟基、羧基官能团、反应过程无污染等特点,制备的高支化聚酯可作为反应性加工、复合材料、模树脂、助剂、辐射固化的树脂。

标签:
复合材料
江苏 - 无锡 来源:中冶有色网 2023-03-18
木质塑料
木质塑料 708     
 0

本发明涉及一种塑料和木质纤维的复合材料,特别是利用废旧塑料与废竹、木屑加工塑木合质材的工艺方法。本工艺方法摸索出了较佳的原料配比范围,和恰当的加热温度与模压压力,同时在模具上设计了冷却装置,使产品出模快,定型稳定,生产效率高。配方中还灵活地加入各种添加剂,从而制出各种特性的板材、型材或直接产品,可广泛用于建筑、家具、包装、装璜的原材料和直接成型机械零部件。本发明变废为宝,具有很好的经济效益和社会效益。

标签:
复合材料
江苏 - 无锡 来源:中冶有色网 2023-03-18
轴向气隙电机
轴向气隙电机 1155     
 0

本发明涉及定子数比转子数多1的轴向气隙电机,它提供一种双定子轴向气隙电机,一个转子两侧装有两个定子,还提供一种有五个定子、四个转子的多个定转子的轴向气隙电机,定转子沿同一个轴依次间隔排列。上述电机转子都是用钢铁复合材料或铜质材料加工成辐射鼠笼状,定子由带槽硅钢带卷成,定子上各相应绕组相联,定子铁芯槽位对齐。它还提供一种双定子同步发电机。本发明电机各个转子输出功率是叠加的,因此输出功率是可根据需要变化的。

标签:
复合材料
江苏 - 无锡 来源:中冶有色网 2023-03-18
钢工件表面钝化处理的方法

钢工件表面钝化处理的方法,在常温下采用至少一种含硫、磷、氯、氟、溴等离子的无机酸和无机酸盐为铬酐、铬酸盐、重铬酸盐的活化剂的水处理溶液,直接涂到钢制工件表面,使其表面沉积一层钝化膜(氧化铁层),在通风条件下存放1天以上,其厚度与在通风条件下存放的天数成正比。经处理后的钢工件具有以钢工件性能为主体,表面又具有氧化铁性能的复合材料,广泛用来对钢工件表面做旧。使用本方法不造成对环境的污染;不使用任何能源。

标签:
复合材料
江苏 - 无锡 来源:中冶有色网 2023-03-18
仿生结构陶瓷复合粉体

一种仿生结构陶瓷复合粉体,属于陶瓷材料领域。本发明由心部粉体和外包覆材料组成,心部粉体所占重量百分比为85~97%,余量为外包覆材料,为类海葵生物的夹心面包式结构,心部粉体材料是烧结型单一组分陶瓷颗粒或多组分复合陶瓷颗粒,或者是团聚型单一组成陶瓷颗粒或多组分复合颗粒,外包覆材料为相对低熔点的氧化物或自粘结性金属复合材料。本发明粉体内部各组份之间结合紧密,流动性好,具有良好的输送特性,能够作为热喷涂技术、激光熔覆及陶瓷烧结等用粉体,可以制备性能优异的复合陶瓷涂层或块体,具有良好的市场应用前景及商业价值。

标签:
复合材料
江苏 - 无锡 来源:中冶有色网 2023-03-18
耐高温刚棒状粘土有机插层剂及其制备方法

本发明公开了式(1)所示的一类耐高温刚棒状粘土有机插层剂,它是将R基二甲酸酐与R′基二胺反应生成一端含有R基酰亚胺环,另一端含有伯胺基的刚棒状结构分子。用此类插层剂改性的粘土,其热分解温度比常用的脂肪族烷基胺盐插层剂改性的粘土高100℃以上,将在聚合物/粘土纳米复合材料领域有着广泛的应用前景。

标签:
复合材料
江苏 - 无锡 来源:中冶有色网 2023-03-18
抗冲击复合机翼蒙皮
抗冲击复合机翼蒙皮 831     
 0

本发明提供一种抗冲击复合机翼蒙皮,包括夹层结构,其使用金属、纤维和陶瓷层状复合材料制成,具有至少一个金属层/纤维层/陶瓷层构成的夹层结构,其特征在于金属层采用铝、镁、钛或者相应的合金材料,纤维层采用玻璃纤维、kevlar纤维、碳纤维、氮化硅、碳化硅或者二氧化锆纤维,所述陶瓷层包括氧化锆、氧化钇、氧化铝和莫来石。本发明的机翼外壳硬度高、韧性好、质量轻,具有很好的抗冲击性能。

标签:
复合材料
江苏 - 无锡 来源:中冶有色网 2023-03-18
文物保护加固材料及其制备方法和应用

本发明涉及一种文物保护加固材料及其制备方法和应用,所述文物保护材料是以正硅酸乙酯为基材,以二氧化硅纳米粒子和端羟基聚二甲基硅氧烷为改性剂通过溶胶凝胶反应制得的有机硅复合材料,其中所述正硅酸乙酯、纳米氧化硅和聚二甲基硅氧的质量比为100:(0~25):(0~6)。

标签:
复合材料
江苏 - 无锡 来源:中冶有色网 2023-03-18
高强度铸铁基CBN砂轮及其制备方法

本发明的一种高强度铸铁基CBN砂轮及其制备方法,包括基体和工作层,上述基体为奥氏体-贝氏体球墨铸铁基体,上述工作层为由奥氏体-贝氏体球墨铸铁与CBN磨料复合材料制成的,上述工作层通过真空消失模铸造工艺与上述基体铸造成一体。采用上述技术方案后,本发明的高强度铸铁基CBN砂轮,奥氏体-贝氏体球墨铸铁的强度和韧性介于青铜基结合剂和陶瓷结合剂之间,并具有比较好的减震性和自润滑性,从而使本发明的CBN砂轮具有强度高,韧性好的特点,且由于铸铁基砂轮可采用ELID技术解决其修整修锐困难的问题,砂轮的修整、修锐较为容易,砂轮工作时不易堵塞,因而易于推广应用。

标签:
复合材料
江苏 - 无锡 来源:中冶有色网 2023-03-18
汽车轮套保护套
汽车轮套保护套 929     
 0

本发明公开了一种汽车轮套保护套,它是由天然橡胶和碳黑的复合材料制作而成的,所述保护套上面均匀布置人字形齿。该汽车轮胎保护套不仅能减少汽车轮胎的磨损而且能增加轮胎与地面的摩擦系数,减少交通事故的发生。

标签:
复合材料
江苏 - 无锡 来源:中冶有色网 2023-03-18
耐磨钼合金的制备方法

本发明公开了一种耐磨钼合金的制备方法,首先采用硝酸铝、柠檬酸和钼酸铵为原料,配制溶液混合,溶胶凝胶化,对凝胶烘干、焙烧得到Al2O3/MoO3混合粉末;再将Al2O3/MoO3混合粉末氢气还原,然后对Al2O3/Mo混合粉末采用行星式球磨机进行球磨,最后热压烧结得到钼合金。本发明所制备的钼合金中,氧化铝和钼的晶粒都非常细小,钼颗粒粒度为0.8~1.8微米,氧化铝颗粒为100~300纳米。本发明所制备的钼合金再结晶温度可以达到1550℃左右。相对CN101698919A中的钼基复合材料高温耐磨性能提高了5~9%,抗拉强度提高了3~10%,且所制备的钼合金密度和显微硬度显著增加,从而达到提高耐磨钼合金高温耐磨性能的目的。

标签:
复合材料
江苏 - 无锡 来源:中冶有色网 2023-03-18
具有形状记忆功能可降解泪管栓塞的制备方法

本发明涉及一种具有形状记忆功能可降解泪管栓塞的制备方法。本发明以乳酸和二元醇或乳酸、乙醇酸和己内酯为单体用直接共缩聚法、或以丙交酯和二元醇或丙交酯、乙交酯和已内酯开环聚合法合成可降解的低重均分子量聚合物,扩链,添加经偶联剂处理过的纳米SiO2,熔融共混挤出制得玻璃化转变温度为20-35℃的可降解纳米复合材料,通过挤出成型或微型注射成型,制得直径为0.5-1.0mm,长度为1.0-1.2mm短棒,将短棒拉伸至直径为0.3-0.6mm,长度为2.8-5mm细长棒,降温保存,即得所需产品。该泪管栓塞直径小,用于治疗干眼症,植入泪道后,由于环境温度高于其玻璃化转变温度,形变回复,直径变粗,使泪管栓塞不易脱落,其性状呈柔软的橡胶状,患者感觉舒适。该泪管栓塞可降解,植入泪道一定时间后,降解产物可随泪液排出。

标签:
复合材料
江苏 - 无锡 来源:中冶有色网 2023-03-18
聚合物分散液晶薄膜的制备方法

一种聚合物分散液晶薄膜材料的制备方法,应用于电控智能玻璃的制备,属于液晶材料应用领域。本发明是将热可聚合单体、固化剂、向列相液晶和玻璃微珠按照一定的质量比混合均匀后,在热可聚合单体/固化剂/液晶复合材料的液晶相的清亮点温度以上0.5~20.0℃时,将混合物夹在两片镀有氧化铟锡的导电薄膜中间,用辊轴压匀,形成10.0~15.0微米厚的膜层,在温度为70.0~90.0℃加热5.0~7.0小时,最终固化形成聚合物分散液晶薄膜。优点在于:加强了聚合物网络的热稳定性;提高了PDLC薄膜的柔韧性,通过选择两种单体的最佳比例,调节了高分子网络的网眼大小,从而达到了提高聚合物分散液晶薄膜材料的热稳定性、对比度、高分子网络与ITO膜之间粘结力的目的。

标签:
复合材料
江苏 - 无锡 来源:中冶有色网 2023-03-18
高相容性塑料
高相容性塑料 733     
 0

本发明涉及一种有机高分子复合材料,更具体地说,是涉及一种高相容性塑料,是由以下成分按重量比组成,聚苯乙烯:57-92.5%;酸酐:0.1-3.8%;相容剂:4.5-30%,抗老化剂:0.3-2.7%;二硫化钼:0.1-2.9%;云母;0.5-3.2%;抗氧化剂:0.5-6.5%;活性炭:0.3-5.5%,本发明在保持原有填充高温尼龙的综合性能的基础上,能有效的改变高温尼龙制作出来的塑料的相容性、界面亲和性和化学性能。

标签:
复合材料
江苏 - 无锡 来源:中冶有色网 2023-03-18
上一页 506 507 508 509 510 ... 1079 下一页
共1079页    到第

中冶有色为您提供最新的江苏无锡有色金属理论与应用信息,涵盖发明专利、权利要求、说明书、技术领域、背景技术、实用新型内容及具体实施方式等有色技术内容。打造最具专业性的有色金属技术理论与应用平台!

全国热门有色金属设备推荐
展开更多 +
全国热门有色金属技术推荐
展开更多 +

 

江西省隆恩特环保设备有限公司
宣传

报名参会
更多+

报告下载

有色专家
更多+

武汉科技大学
校学术委员会主任 / 教授
有研资源环境技术研究院(北京)有限公司
副总经理/教授级高工
长沙矿山研究院有限责任公司
高级工程师
中国铝业集团有限公司
中国铝业股份有限公司党委书记
郑州大学
副校长
赤泥综合利用研究报告2025
推广

热门技术
更多+

推荐企业
更多+

福建省金龙稀土股份有限公司
宣传

发布

在线客服

公众号

电话

顶部
咨询电话:
010-88793500-807