青岛垚鑫智能科技有限公司
宣传

位置:中冶有色 >

有色技术频道 >

分类:
全部
矿山技术
冶金技术
材料制备及加工技术
环境保护技术
分析检测技术
地区:
全部
北京
天津
上海
重庆
河北
山西
辽宁
吉林
黑龙江
江苏
浙江
安徽
福建
江西
山东
河南
湖北
湖南
广东
海南
四川
贵州
云南
陕西
甘肃
青海
内蒙
广西
西藏
宁夏
新疆
其他
其他
展开
 
全部
南京
无锡
徐州
常州
苏州
南通
连云港
淮安
盐城
扬州
镇江
泰州
宿迁

江苏南京有色金属理论与应用

免费发布技术信息>>
海洋探测用656nm742nm1212nm2624nm七波长光纤激光器

一种海洋探测用656nm742nm1212nm2624nm七波长光纤激光器,谐振腔设置为四方形环形光纤激光腔,在四方形环形光纤激光腔的四个角上设置深刻蚀光纤直角反射镜,在上边光路的中间位置设置信号光λXⅠ2624nm波长周期极化铌酸锂四波混频激光谐振腔,在左边光路的中间位置设置倍频ⅠλBⅠ515nm的倍频谐振腔Ⅰ,在右边光路的中间位置设置闲频光ⅡλlⅡ1673nm的周期极化铌酸锂光学参量振荡器1,在下边光路的右段设置倍频光ⅡλBⅡ656nm的倍频谐振腔Ⅱ19,总体构成656nm、515nm、742 nm、1212nm、1030nm、2624nm、1673nm七波长光纤激光器。

标签:
加工技术
江苏 - 南京 来源:中冶有色网 2023-03-18
海洋探测用495nm533nm693nm990nm1064nm七波长激光器

一种海洋探测用495nm、533nm、693 nm、990nm、1064nm七波长光纤激光器,谐振腔设置为四方形环形光纤激光腔,在四方形环形光纤激光腔的四个角上设置深刻蚀光纤直角反射镜,在上边光路的中间位置设置信号光λXⅠ1900nm波长周期极化铌酸锂四波混频激光谐振腔,在左边光路的中间位置设置倍频ⅠλBⅠ533nm的倍频谐振腔Ⅰ,在右边光路的中间位置设置闲频光ⅡλlⅡ2309nm的周期极化铌酸锂光学参量振荡器1,在下边光路的右段设置倍频光ⅡλBⅡ495nm的倍频谐振腔Ⅱ19,总体构成495nm、533nm、693nm、990nm、1064nm、1980nm、2309nm七波长光纤激光器。

标签:
加工技术
江苏 - 南京 来源:中冶有色网 2023-03-18
海洋探测用700nm764nm1400nm2800nm七波长光纤激光器

一种海洋探测用700nm764nm1400nm2800nm七波长光纤激光器,谐振腔设置为四方形环形光纤激光腔,在四方形环形光纤激光腔的四个角上设置深刻蚀光纤直角反射镜,在上边光路的中间位置设置信号光λXⅠ2800nm波长周期极化铌酸锂四波混频激光谐振腔,在左边光路的中间位置设置倍频ⅠλBⅠ515nm的倍频谐振腔Ⅰ,在右边光路的中间位置设置闲频光ⅡλlⅡ1553nm的周期极化铌酸锂光学参量振荡器1,在下边光路的右段设置倍频光ⅡλBⅡ700nm的倍频谐振腔Ⅱ19,总体构成700nm、515nm、764 nm、1400nm、1030nm、2800nm、1553nm七波长光纤激光器。

标签:
加工技术
江苏 - 南京 来源:中冶有色网 2023-03-18
海洋探测用734nm781nm1468nm2936nm七波长光纤激光器

一种海洋探测用734nm781nm1468nm2936nm七波长光纤激光器,谐振腔设置为四方形环形光纤激光腔,在四方形环形光纤激光腔的四个角上设置深刻蚀光纤直角反射镜,在上边光路的中间位置设置信号光λXⅠ2936nm波长周期极化铌酸锂四波混频激光谐振腔,在左边光路的中间位置设置倍频ⅠλBⅠ515nm的倍频谐振腔Ⅰ,在右边光路的中间位置设置闲频光ⅡλlⅡ1968nm的周期极化铌酸锂光学参量振荡器1,在下边光路的右段设置倍频光ⅡλBⅡ734nm的倍频谐振腔Ⅱ19,总体构成734nm、515nm、781 nm、1468nm、1030nm、2936nm、1968nm七波长光纤激光器。

标签:
加工技术
江苏 - 南京 来源:中冶有色网 2023-03-18
激光雷达用2745nm、902nm、1550nm三波长光纤输出激光器

一种激光雷达用2745nm、902nm、1550nm三波长光纤输出激光器,设置信号光2745nm四波混频周期极化铌酸锂激光谐振腔,在闲频光902nm传输光纤上设置闲频光902nm分束光纤圈,在泵浦光II?1550nm传输光纤上设置泵浦光II?1550nm分束光纤圈,信号光2745nm、闲频光902nm、泵浦光I?1208nm与泵浦光II?1550nm进入信号光2745nm四波混频周期极化铌酸锂激光谐振腔,发生四波混频效应,产生信号光2745nm输出,最后输出2745nm、902nm、1550nm三波长光纤激光。

标签:
加工技术
江苏 - 南京 来源:中冶有色网 2023-03-18
海洋探测用3335nm、735nm、1550nm三波长光纤输出激光器

一种海洋探测用3335nm、735nm、1550nm三波长光纤输出激光器,设置信号光3335nm四波混频周期极化铌酸锂激光谐振腔,在闲频光735nm传输光纤上设置闲频光735nm分束光纤圈,在泵浦光II?1550nm传输光纤上设置泵浦光II?1550nm分束光纤圈,信号光3335nm、闲频光735nm、泵浦光I?985nm与泵浦光II?1550nm进入信号光3335nm四波混频周期极化铌酸锂激光谐振腔,发生四波混频效应,产生信号光3335nm输出,最后输出3335nm、735nm、1550nm三波长光纤激光。

标签:
加工技术
江苏 - 南京 来源:中冶有色网 2023-03-18
激光雷达用2391nm波长光纤输出激光器

一种激光雷达用2391nm波长光纤输出激光器,整体光路设置为S型,设置信号光2391nm四波混频周期极化铌酸锂激光谐振腔,信号光2391nm、闲频光805nm、泵浦光I?985nm与泵浦光II?1550nm进入信号光2391nm四波混频周期极化铌酸锂激光谐振腔,发生四波混频效应,产生信号光2391nm输出,最后输出2391nm波长光纤激光。

标签:
加工技术
江苏 - 南京 来源:中冶有色网 2023-03-18
高强度玻璃纤维成分
高强度玻璃纤维成分 766     
 0

高强度玻璃纤维成分,属于特种玻璃纤维成分领域。它由二氧化硅(SiO2)、三氧化二铝(Al2O3)、氧化镁(MgO)、氧化锂(Li2O)、三氧化二铁(Fe2O3)、三氧化二硼(B2O3)和氧化铈(CeO2)组成,它们的成分配比(重量百分比)是:二氧化硅(SiO2)占50~60%,三氧化二铝(Al2O3)23.5~26.5%,氧化镁(MgO)10~19.5%,氧化锂(Li2O)0~1.0%,三氧化二铁(Fe2O3)0.5~1.5%,三氧化二硼(B2O3)0~4%,氧化铈(CeO2)0.5~8.0%。用它增强树脂制作的复合材料,强度高,质量轻,主要适用于航天、航空、军事武器等方面。

标签:
加工技术
江苏 - 南京 来源:中冶有色网 2023-03-18
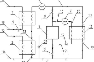
利用冶金冲渣水并工艺低温烟气余热进行空调采暖的系统及方法

本发明提供一种可充分提高冶金行业低温位的冲渣水的余热利用率的高炉冲渣水及高炉热风炉烟气余热利用系统及方法,其系统包括冲渣水换热器和冲渣水过滤器,所述冲渣水换热器的加热水出口通过管道及阀与用户连通;所述冲渣水换热器另行通过管道及阀与一个高炉烟气换热器连通,该高炉烟气换热器另行通过管道及阀与用户连通;所述高炉烟气换热器通过管道及阀与一个溴化锂制冷机组连通,该溴化锂制冷机组的制冷水出口通过管道与阀与用户连通。本发明针对用户设置了采暖制冷两套系统,可分别用于用户的冬季采暖和夏季制冷,热利用率提高,设备利用率也得到提高。

标签:
加工技术
江苏 - 南京 来源:中冶有色网 2023-03-18
类球形Li(Ni1/3Co1/3Mn1/3)O2前驱体的制备方法

本发明公开了一种类球形Li(Ni1/3Co1/3Mn1/3)O2前驱体的制备方法,涉及锂离子二次电池制造技术领域。该方法通过对锂化合物、镍化合物、钴化合物和锰化合物溶解后在超声雾化器中雾化,料雾送入煅烧炉低温干燥得到用于合成Li(Ni1/3Co1/3Mn1/3)O2类球形前驱体颗粒。本发明的方法减少了制备步骤,减少了制备过程中需要控制的工艺参数,制备出球形度和成分均匀性都良好的用于合成Li(Ni1/3Co1/3Mn1/3)O2类球形前驱体颗粒,提高了Li(Ni1/3Co1/3Mn1/3)O2性能的一致性。

标签:
加工技术
江苏 - 南京 来源:中冶有色网 2023-03-18
活性物质浆料搅拌改性装置和高均匀浆料制备方法

本申请涉及一种锂电池活性物质浆料搅拌改性装置,其特征是用大量的高动能撞击球取代常规浆料制备装置中单轴或多轴搅拌桨叶,有效打散常规方法制备浆料中常见的不均匀团聚球团,获得高度均匀的活性物质浆料,提高电池产品的一致性水平;新装置利用高能撞击球的高能撞击和球体磨削功能,可以进一步缩小活性物质的粒径,成倍提高活性物质与电解液的有效接触面积,使活性物质可以释放出更多的锂离子,提高了电池的比容量;在高能撞击球的高能量撞击下,活性物质颗粒会在撞击瞬间产生大量裂隙,有利于石墨烯、碳纳米管等高导电改性物质的微粒通过裂隙渗入活性物质内部,大幅提升活性物质的导电能力,改性效果优于常规表面包覆改性技术。

标签:
加工技术
江苏 - 南京 来源:中冶有色网 2023-03-18
海洋探测用710nm769nm1420nm2840nm七波长光纤激光器

一种海洋探测用710nm769nm1420nm2840nm七波长光纤激光器,谐振腔设置为四方形环形光纤激光腔,在四方形环形光纤激光腔的四个角上设置深刻蚀光纤直角反射镜,在上边光路的中间位置设置信号光λXⅠ2840nm波长周期极化铌酸锂四波混频激光谐振腔,在左边光路的中间位置设置倍频ⅠλBⅠ515nm的倍频谐振腔Ⅰ,在右边光路的中间位置设置闲频光ⅡλlⅡ1528nm的周期极化铌酸锂光学参量振荡器1,在下边光路的右段设置倍频光ⅡλBⅡ710nm的倍频谐振腔Ⅱ19,总体构成710nm、515nm、769 nm、1420nm、1030nm、2840nm、1528nm七波长光纤激光器。

标签:
加工技术
江苏 - 南京 来源:中冶有色网 2023-03-18
海洋探测用500nm533nm695nm1000nm1064nm七波长激光器

一种海洋探测用500nm、533nm、695 nm、1000nm、1064nm七波长光纤激光器,谐振腔设置为四方形环形光纤激光腔,在四方形环形光纤激光腔的四个角上设置深刻蚀光纤直角反射镜,在上边光路的中间位置设置信号光λXⅠ1900nm波长周期极化铌酸锂四波混频激光谐振腔,在左边光路的中间位置设置倍频ⅠλBⅠ533nm的倍频谐振腔Ⅰ,在右边光路的中间位置设置闲频光ⅡλlⅡ2282nm的周期极化铌酸锂光学参量振荡器1,在下边光路的右段设置倍频光ⅡλBⅡ500nm的倍频谐振腔Ⅱ19,总体构成500nm、533nm、695nm、1000nm、1064nm、2000nm、2282nm七波长光纤激光器。

标签:
加工技术
江苏 - 南京 来源:中冶有色网 2023-03-18
海洋探测用650nm739nm1300nm2600nm七波长光纤激光器

一种海洋探测用650nm739nm1300nm2600nm七波长光纤激光器,谐振腔设置为四方形环形光纤激光腔,在四方形环形光纤激光腔的四个角上设置深刻蚀光纤直角反射镜,在上边光路的中间位置设置信号光λXⅠ2600nm波长周期极化铌酸锂四波混频激光谐振腔,在左边光路的中间位置设置倍频ⅠλBⅠ515nm的倍频谐振腔Ⅰ,在右边光路的中间位置设置闲频光ⅡλlⅡ1688nm的周期极化铌酸锂光学参量振荡器1,在下边光路的右段设置倍频光ⅡλBⅡ650nm的倍频谐振腔Ⅱ19,总体构成650nm、515nm、739 nm、1300nm、1030nm、2600nm、1688nm七波长光纤激光器。

标签:
加工技术
江苏 - 南京 来源:中冶有色网 2023-03-18
海洋探测用536nm515nm696nm1072nm1030nm七波长激光器

一种海洋探测用536nm、515nm、696nm、1072nm、1030nm七波长光纤激光器,谐振腔设置为四方形环形光纤激光腔,在四方形环形光纤激光腔的四个角上设置深刻蚀光纤直角反射镜,在上边光路的中间位置设置信号光λXⅠ2144nm波长周期极化铌酸锂四波混频激光谐振腔,在左边光路的中间位置设置倍频ⅠλBⅠ515nm的倍频谐振腔Ⅰ,在右边光路的中间位置设置闲频光ⅡλlⅡ1982nm的周期极化铌酸锂光学参量振荡器1,在下边光路的右段设置倍频光ⅡλBⅡ536nm的倍频谐振腔Ⅱ19,总体构成536nm、515nm、696 nm、1072nm、1030nm、2144nm、1982nm七波长光纤激光器。

标签:
加工技术
江苏 - 南京 来源:中冶有色网 2023-03-18
海洋探测用662nm745nm1224nm2648nm七波长光纤激光器

一种海洋探测用662nm745nm1224nm2648nm七波长光纤激光器,谐振腔设置为四方形环形光纤激光腔,在四方形环形光纤激光腔的四个角上设置深刻蚀光纤直角反射镜,在上边光路的中间位置设置信号光λXⅠ2648nm波长周期极化铌酸锂四波混频激光谐振腔,在左边光路的中间位置设置倍频ⅠλBⅠ515nm的倍频谐振腔Ⅰ,在右边光路的中间位置设置闲频光ⅡλlⅡ1663nm的周期极化铌酸锂光学参量振荡器1,在下边光路的右段设置倍频光ⅡλBⅡ662nm的倍频谐振腔Ⅱ19,总体构成662nm、515nm、745 nm、1224nm、1030nm、2648nm、1663nm七波长光纤激光器。

标签:
加工技术
江苏 - 南京 来源:中冶有色网 2023-03-18
二维晶体Nb<sub>2</sub>CT<sub>x</sub>纳米材料的制备方法

本发明提供一种二维晶体Nb2CTx纳米材料的制备方法,包括将每1g过筛后的三元层状Nb2AlC陶瓷粉体加入5~25ml盐酸与0.2~2g氟化锂的混合溶液中;加入磁转子并在油浴中加热搅拌一段时间;用去离子水洗涤并离心,重复多次至PH值大于5;利用超声波清洗机超声分层后离心,取上层悬浊液抽滤,得到所述的单层二维晶体Nb2CTx纳米材料,取底层固体干燥,得到所述的多层二维晶体Nb2CTx纳米材料;本发明利用氢氟酸和盐酸对MAX相进行刻蚀处理制备方法简单,反应过程更为温和,环境友好,本发明制备的MXene纳米材料具有明显的类石墨烯的二维层状结构,有望应用于超级电容器、锂离子电池、吸附等领域。

标签:
加工技术
江苏 - 南京 来源:中冶有色网 2023-03-18
便携式智能502熏显系统及其使用方法

本发明公开了一种便携式智能502熏显系统及其使用方法,包括下箱体,所述下箱体上方活动连接有箱盖,所述下箱体一侧设有熏显仓,所述下箱体另一侧设有控制仓和储物盒;控制仓顶部设有显示屏和控制按钮,所述显示屏下方设有供电模块,供电模块包括锂电池和调压调流模块,所述锂电池和调压调流模块电性连接有PLC控制模块;所述熏显仓顶部设有熏显区域上盖板,所述熏显区域上盖板通过盖板合页与下箱体活动连接,所述熏显仓中部水平方向可拆卸地安装有隔板,所述熏显仓设有熏显系统,所述熏显系统包括内循环空气系统、外循环空气系统、雾化系统、加热系统和光源系统。本发明可以有效的解决现有技术功能单一、使用时无法实时调节的问题。

标签:
加工技术
江苏 - 南京 来源:中冶有色网 2023-03-18
激光雷达用3341nm、850nm、1550nm三波长光纤输出激光器

一种激光雷达用3341nm、850nm、1550nm三波长光纤输出激光器,设置信号光3341nm四波混频周期极化铌酸锂激光谐振腔,在闲频光850nm传输光纤上设置闲频光850nm分束光纤圈,在泵浦光II?1550nm传输光纤上设置泵浦光II?1550nm分束光纤圈,信号光3341nm、闲频光850nm、泵浦光I?1208nm与泵浦光II?1550nm进入信号光3341nm四波混频周期极化铌酸锂激光谐振腔,发生四波混频效应,产生信号光3341nm输出,最后输出3341nm、850nm、1550nm三波长光纤激光。

标签:
加工技术
江苏 - 南京 来源:中冶有色网 2023-03-18
物联网用821nm、808nm双波长光纤输出激光器

一种物联网用821nm、808nm双波长光纤输出激光器,设置821nm四波混频的周期极化铌酸锂激光谐振腔,在808nm激光输出光纤尾段设置808nm分束光纤圈,分束一路808nm激光输出,信号光821nm、闲频光808nm、泵浦光I 1064nm与泵浦光II 660nm进入821nm四波混频周期极化铌酸锂激光谐振腔,发生四波混频效应,产生信号光821nm输出,最后输出821nm、808nm双波长光纤激光输出。

标签:
加工技术
江苏 - 南京 来源:中冶有色网 2023-03-18
物联网用965nm、750nm、808nm、1064nm四波长光纤输出激光器

一种物联网用965nm、750nm、808nm、1064nm四波长光纤输出激光器,设置965nm四波混频的周期极化铌酸锂激光谐振腔,设置808nm分束光纤圈,分束一路808nm激光输出,设置1064nm分束光纤圈,分束一路1064nm激光输出,设置750nm分束光纤圈,分束一路750nm输出,信号光965nm、闲频光808nm、泵浦光I 1064nm与泵浦光II 750nm进入965nm四波混频周期极化铌酸锂激光谐振腔,发生四波混频效应,产生信号光965nm输出,最后输出965nm、750nm、808nm、1064nm四波长光纤激光输出。

标签:
加工技术
江苏 - 南京 来源:中冶有色网 2023-03-18
物联网用970nm、1064nm双波长光纤输出激光器

一种物联网用970nm、1064nm双波长光纤输出激光器,设置四波混频的周期极化铌酸锂激光谐振腔,在1064nm激光输出光纤尾段设置1064nm分束光纤圈,分束一路1064nm激光输出,信号光970nm、闲频光1500nm、泵浦光I 1064nm与泵浦光II 1319nm进入970nm四波混频周期极化铌酸锂激光谐振腔,发生四波混频效应,产生信号光970nm输出,最后输出970nm、1064nm双波长光纤激光输出。

标签:
加工技术
江苏 - 南京 来源:中冶有色网 2023-03-18
海洋探测用552nm515nm702nm1104nm1030nm七波长激光器

一种海洋探测用552nm515nm702 nm1104nm1030nm七波长光纤激光器,谐振腔设置为四方形环形光纤激光腔,在四方形环形光纤激光腔的四个角上设置深刻蚀光纤直角反射镜,在上边光路的中间位置设置信号光λXⅠ2208nm波长周期极化铌酸锂四波混频激光谐振腔,在左边光路的中间位置设置倍频ⅠλBⅠ515nm的倍频谐振腔Ⅰ,在右边光路的中间位置设置闲频光ⅡλlⅡ1990.5nm的周期极化铌酸锂光学参量振荡器1,在下边光路的右段设置倍频光ⅡλBⅡ552nm的倍频谐振腔Ⅱ19,总体构成552nm、515nm、702 nm、1104nm、1030nm、2208nm、1990.5nm七波长光纤激光器。

标签:
加工技术
江苏 - 南京 来源:中冶有色网 2023-03-18
海洋探测用580nm515nm713nm1160nm1030nm七波长激光器

一种海洋探测用580nm515nm713 nm1160nm1030nm七波长光纤激光器,谐振腔设置为四方形环形光纤激光腔,在四方形环形光纤激光腔的四个角上设置深刻蚀光纤直角反射镜,在上边光路的中间位置设置信号光λXⅠ2320nm波长周期极化铌酸锂四波混频激光谐振腔,在左边光路的中间位置设置倍频ⅠλBⅠ515nm的倍频谐振腔Ⅰ,在右边光路的中间位置设置闲频光ⅡλlⅡ1852nm的周期极化铌酸锂光学参量振荡器1,在下边光路的右段设置倍频光ⅡλBⅡ580nm的倍频谐振腔Ⅱ19,总体构成580nm、515nm、713 nm、1156nm、1030nm、2320nm、1852nm七波长光纤激光器。

标签:
加工技术
江苏 - 南京 来源:中冶有色网 2023-03-18
海洋探测用2055nm、852nm、985nm三波长光纤输出激光器

一种海洋探测用2055nm、852nm、985nm三波长光纤输出激光器,整体光路设置为S型,设置信号光2055nm四波混频周期极化铌酸锂激光谐振腔,在闲频光852nm传输光纤上设置闲频光852nm分束光纤圈,在泵浦光I?985nm传输光纤上设置泵浦光I?985nm分束光纤圈,信号光2055nm、闲频光852nm、泵浦光I?985nm与泵浦光II?1550nm进入信号光2055nm四波混频周期极化铌酸锂激光谐振腔,发生四波混频效应,产生信号光2055nm输出,最后输出2055nm、852nm、985nm三波长光纤激光。

标签:
加工技术
江苏 - 南京 来源:中冶有色网 2023-03-18
海洋探测用2391nm、805nm、1550nm三波长光纤输出激光器

一种海洋探测用2391nm、805nm、1550nm三波长光纤输出激光器,设置信号光2391nm四波混频周期极化铌酸锂激光谐振腔,在闲频光805nm传输光纤上设置闲频光805nm分束光纤圈,在泵浦光II?1550nm传输光纤上设置泵浦光II?1550nm分束光纤圈,信号光2391nm、闲频光805nm、泵浦光I?985nm与泵浦光II?1550nm进入信号光2391nm四波混频周期极化铌酸锂激光谐振腔,发生四波混频效应,产生信号光2391nm输出,最后输出2391nm、805nm、1550nm三波长光纤激光。

标签:
加工技术
江苏 - 南京 来源:中冶有色网 2023-03-18
含有离子液体的电解质溶液、制备方法及其应用

本发明提供一种含有离子液体的电解质溶液、制备方法及其应用,该电解质溶液包括二元离子液体、4-叔丁基吡啶、碘单质、锂盐和胍盐,所述二元离子液体由离子液体Ⅰ和离子液体Ⅱ按体积比2:3~3:2组成;所述离子液体Ⅰ为咪唑类碘盐;所述离子液体Ⅱ为同时满足以下条件的任意一种离子液体:20℃时的黏度<100cp、25℃时的电导率>5mS/cm、热分解温度>100℃、电化学窗口>3V。用该电解质溶液制备得到的染料敏化太阳能电池中具有较高的光电转化效率,并有效地提升器件的耐久性与稳定性,可解决了当前染料敏化太阳能电池存在耐久性与稳定性较差的问题,进一步提升了器件的实用化水平。

标签:
加工技术
江苏 - 南京 来源:中冶有色网 2023-03-18
用于集装箱管控的WSID标签装置及其运行方法

本发明公开了一种用于集装箱管控的WSID标签装置及其运行方法,所述WSID标签装置包括微处理器单元、无线通信单元、加速度传感器单元和电源管理单元,所述电源管理单元包括太阳能板、锂电池充电控制子单元、锂电池组和电压转换子单元。当集装箱在堆场内搬运时,WSID标签装置将集装箱的位置信息、震动信号以及货物信息进行处理存储后,最终发送给本地终端。当集装箱离开堆场时,WSID标签装置将集装箱的位置信息和货物信息发送给运输车上的机载GPS/WSID信息处理传输节点,再将信息传输给服务器。本发明有效地解决了集装箱防盗的问题,具有成本低、性价比高、实时性好、环境适用性强、功耗低、寿命长和安全可靠等优点。

标签:
加工技术
江苏 - 南京 来源:中冶有色网 2023-03-18
制备硫代-1,2-二碳代-闭式-十二碳硼烷(12)有机衍生物的方法及其产物

一种制备硫代-1,2-二碳代-闭式-十二碳硼烷(12)有机衍生物的方法,它是在1,2-C2B10H12的乙醚溶液中,注入正丁基锂,搅拌0.5~2小时后加入硫单质,继续搅拌1~3小时后得到Li2S2C2B10H10,在低温下将金属化合物的四氢呋喃溶液加入Li2E2C2B10H10的乙醚溶液(1∶1)中,并在低温下搅拌1~3小时后自然升至室温,再搅拌2~12小时,分离,蒸去溶剂,得到硫代-1,2-二碳代-闭式-十二碳硼烷(12)配体的平面四配位金属化合物1,所述的金属化合物是VIII族元素的化合物。将平面四硫基配位的金属配合物1和炔烃溶解在有机溶剂中,在-20~110℃下反应1~24小时,得到硫代-1,2-二碳代-闭式-十二碳硼烷(12)有机衍生物,该方法简单、易行,制备了Fc(CCH)(S2C2B10H10)、[(FcC(CH2)S)]2C2B10H10、Ph(CCH)(S2C2B10H10)和(MeOCOCHCHS)2C2B10H10。

标签:
加工技术
江苏 - 南京 来源:中冶有色网 2023-03-18
非铁系茶叶末结晶釉的的制备方法

非铁系茶叶末结晶釉的制备方法,结晶釉的原料来源和组成为(质量份):平江产钾长石45.6~55.2,凤阳产石英15.4~25.5,宣城产方解石10.7~20.9,中山产高岭土3.1~5.4,无锡产滑石5.7~8.4,澳洲产锂辉石1.5~5.2,工业纯TiO2为3.2~8.8,工业纯NiO为1.0~5.6,工业纯ZnO为5.7~10.5,工业纯BaCO3为3.1~5.9;烧成的温度曲线为:窑内温度在4~8h内由室温匀速升至950℃,再在2~3h内匀速升至1200℃,然后在30min内使温度下降至1100℃并保持20~30min,再在15~20min内快速下降至850℃,然后在1~1.5h内慢速下降至650℃,最后自然冷却至室温。茶叶末结晶釉的微结晶更稳定,颜色更亮艳。

标签:
加工技术
江苏 - 南京 来源:中冶有色网 2023-03-18
上一页 486 487 488 489 490 ... 500 ... 964 下一页
共964页    到第

中冶有色为您提供最新的江苏南京有色金属理论与应用信息,涵盖发明专利、权利要求、说明书、技术领域、背景技术、实用新型内容及具体实施方式等有色技术内容。打造最具专业性的有色金属技术理论与应用平台!

全国热门有色金属设备推荐
展开更多 +
全国热门有色金属技术推荐
展开更多 +

 

江西省隆恩特环保设备有限公司
宣传

报名参会
更多+

报告下载

有色专家
更多+

中南大学
常务副校长
矿冶科技集团有限公司
党委书记 / 董事长
江西理工大学
教授
有研资源环境技术研究院(北京)有限公司
副总经理/教授级高工
北京科技大学
副院长/教授
赤泥综合利用研究报告2025
推广

热门技术
更多+

推荐企业
更多+

福建省金龙稀土股份有限公司
宣传

发布

在线客服

公众号

电话

顶部
咨询电话:
010-88793500-807