青岛垚鑫智能科技有限公司
宣传

位置:中冶有色 >

有色技术频道 >

分类:
全部
矿山技术
冶金技术
材料制备及加工技术
环境保护技术
分析检测技术
地区:
全部
北京
天津
上海
重庆
河北
山西
辽宁
吉林
黑龙江
江苏
浙江
安徽
福建
江西
山东
河南
湖北
湖南
广东
海南
四川
贵州
云南
陕西
甘肃
青海
内蒙
广西
西藏
宁夏
新疆
其他
其他
展开
 
全部

有色金属技术理论与应用

免费发布技术信息>>
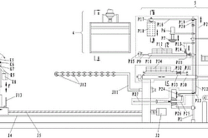
基于脉冲涡流的多层导电结构缺陷检测装置及其方法

本发明公开了一种基于脉冲涡流的多层导电结构缺陷检测装置及其方法。半桥驱动电路分别与PC机、51单片机系统、激励信号放大模块、稳压电路、差分霍尔检测探头相连,稳压电路分别与激励信号放大模块、信号调理采集模块相连,信号调理采集模块与PC机相连,GT400运动控制器上设有待测多层导电结构,待测多层导电结构上方设有差分霍尔检测探头并用固定机构固定,PC机与GT400运动控制器相连,差分霍尔检测探头与信号调理采集模块相连。本发明采用差分霍尔检测探头进行无损检测,不需要任何耦合介质,检测速度快,生产效率、检测灵敏度、可靠性高。利用PC机组态软件可监控装置工作情况。

标签:
无损检测
浙江 - 杭州 来源:中冶有色网 2023-03-19
植物叶片含水率检测装置

本实用新型公开了一种植物叶片含水率检测装置,利用介电原理检测植物叶片含水率。该装置包括电容信号检测及处理模块、压力信号检测及调理模块、微控制器、电源供电电路、电源监测电路和输入输出模块。电容信号检测及处理模块包括电容传感器和电容信号处理电路;压力信号检测及调理模块包括压力传感器和压力信号调理电路;电源供电电路用于为整个系统供电;电源监测电路用于监测微控制器的工作电压;输入输出模块包括键盘、通信电路和液晶显示器,分别与微控制器连接。该系统能够选择植物叶片种类,检测植物叶片的电容和极板对叶片的压力,根据电容与不同种类植物叶片的含水率和叶片压力间的关系实现含水率的快速、准确和无损检测。

标签:
无损检测
陕西 - 西安 来源:中冶有色网 2023-03-19
橡胶护舷外表面完整性检测装置

本发明提供了一种橡胶护舷外表面完整性检测装置,涉及检测设备技术领域。本发明提供的橡胶护舷外表面完整性检测装置包括自动行走系统、电阻检测成像系统、橡胶护舷尺寸位置适应系统和水深测量系统。作为举例而非限定,本发明提供的方案,其有益效果在于:可以完成整套橡胶护舷的检测,并可得出橡胶护舷完整性图像,不需要对橡胶护舷进行打孔等破坏,属于无损检测,对现役的橡胶护舷没有任何影响,适用于不同截面形状和不同截面尺寸的橡胶护舷检测;具有操作简单,成本低,错误率低,适应性强,简易装卸等优点;同时解决了橡胶护舷在水下难以检测的问题,其可通过码头上人员的操作,使检测装置左右运动进行自动检测,无需人员下水。 1

标签:
无损检测
上海 - 上海 来源:中冶有色网 2023-03-19
基于环形成像的接装纸打孔烟支孔洞检测装置

本实用新型属于卷烟生产设备技术领域,具体涉及基于环形成像的接装纸打孔烟支孔洞检测装置,包括检测机构和数据处理系统;所述检测机构包括用于夹持固定待检测的完整烟支的夹持器、套筒和环形安装带,所述套筒位于夹持器正下方,且套设在待检测烟支上,所述套筒于待检测烟支的孔洞对应位置周向均匀开设有三个以上的缺口;所述环形安装带于缺口位置安装有成像机构,所述成像机构与数据处理系统信号连接。其目的是:克服现有装置无法无损测量在线接装纸打孔烟支孔洞尺寸问题,满足对在线接装纸打孔烟支打孔质量有效监控的需要,进而达到控制滤嘴通风率稳定性和在线激光打孔设备运行状况的目的。

标签:
无损检测
重庆 - 重庆 来源:中冶有色网 2023-03-19
重型燃机带涂层透平叶片基体裂纹涡流检测探头

本实用新型公开了一种重型燃机带涂层透平叶片基体裂纹涡流检测探头,属于无损检测领域,该探头包括:磁芯,激励线圈,检测线圈,外壳,以及探头底部密封块等。该探头的制作方法包括:制作圆柱体磁芯;绕制激励线圈和检测线圈;加工探头外壳;制作探头底部密封块;用探头底部密封块对外壳底部进行封堵;连接信号传输线。本实用新型涡流检测探头对带涂层透平叶片基体裂纹信号敏感度高,能够与叶片型面很好的贴合,减小因探头摇晃和提离产生的干扰,能够有效检出最小尺寸为深度=0.1mm、长度=2mm的带涂层透平叶片基体裂纹缺陷,探头底部密封块的柔性橡胶泥层和绝缘胶布层便于拆卸、更换。

标签:
无损检测
陕西 - 西安 来源:中冶有色网 2023-03-19
薄壁封闭玻璃腔室光学参数的检测系统及方法

本发明公开了一种薄壁封闭玻璃腔室光学参数的检测系统,包括光源、锁相放大器、光学斩波器、光电探测器、分光片、透镜、光阑和计算机;光源产生激光进入主光路,经两个透镜调节光斑尺寸,再经光阑整形光斑、控制光强;输入光经分光片形成参考光路和测量光路,测量光路的激光经过腔室的表面,反射到光电探测器中,其输出信号经锁相放大器调制,连接计算机;参考光路的激光直接由光电探测器检测,其输出信号经另一锁相放大器调制,连接计算机。本发明还提出一种与之相应的检测方法。本发明解决了薄壁封闭玻璃腔室光学参数(物理壁厚、折射率)无损检测的问题,为超高灵敏惯性与磁场测量装置后续的深入研究提供了基础。

标签:
无损检测
江苏 - 南京 来源:中冶有色网 2023-03-19
果蔬中农药残留的拉曼光谱检测方法

本发明提供了一种果蔬中农药残留的检测方法,包括以下步骤:a)对待测样品进行拉曼光谱检测,得到待测样品的拉曼光谱;b)将所述步骤a)得到的拉曼光谱进行一阶导数处理,得到待测样品的一阶导数谱图;c)将所述步骤b)得到的待测样品的一阶导数谱图采用判别分析或距离匹配方法建立定性模型;d)将所述步骤b)得到的待测样品的一阶导数谱图结合预设的定量模型真值,并采用CLS、SMLR、PLS或PCR方法建立定量模型,得到样品中各组分的含量。通过本发明所述的农药残留的检测方法建立的定性和定量模型,可以准确的区分不同农药样本,正确率为100%,适用于定性分析果蔬中含有何种农药,并可较准确地定量预测农药含量。适用于果蔬制品的快速无损检测。

标签:
无损检测
北京 - 北京 来源:中冶有色网 2023-03-19
花生油真伪的检测方法
花生油真伪的检测方法 1097     
 0

一种花生油真伪的检测方法,涉及一种植物油的检测方法。量取待测液体油样品;以氘代溶剂溶解样品,并转移到核磁管中待测;通过核磁共振仪采集样品的1H氢谱和13C碳谱数据;数据分析,通过花生油核磁谱图指纹峰比对分析,结合R软件对数据进行整体分析,计算得到样品中各种主要脂肪酸组成成份相对含量,得到氧化产物及游离脂肪酸在总脂肪酸含量为百分之百时占的比例,通过多项指标判断得到鉴定结果。操作简单,测量精确,重复性高,对样品的无损检测使得同一样品可进行多次测量或用于其它分析测试,测量结果不受操作员的技术和判断所影响,适合用于花生油的快速检测。

标签:
无损检测
福建 - 厦门 来源:中冶有色网 2023-03-19
牵引索式塑胶手套脱模检测包装一体机

本发明公开了一种牵引索式塑胶手套脱模检测包装一体机,包括搬运机械手、旋转摆架、脱模头、摄像检测台和脱套分检机,所述旋转摆架固定连接在搬运机械手上,脱模头设置在旋转摆架上,摄像检测台置于搬运机械手上方,脱套分检机置于搬运机械手的右侧;旋转摆架包括摆架座板、摆轴复位弹簧、限位螺钉、阻尼磁铁、配重块和设有上下两拐臂的摆架,所述摆架转动连接在摆架座板上,配重块固定连接在摆架的下拐臂上,摆轴复位弹簧设置在摆架与摆架座板的结合处,两阻尼磁铁分别固定连接在摆架座板上和摆架的下拐臂上,限位螺钉固定连接在摆架座板的侧壁上,脱模头固定连接在摆架上拐臂上。本发明执行动作连贯流畅、实现产品无损检测、自动化程度高。

标签:
无损检测
江苏 - 南京 来源:中冶有色网 2023-03-19
便携式种子质量光谱检测系统及方法

本发明提供一种便携式种子质量光谱检测系统及方法,所述系统包括光源组件、检测盒、第一光纤、第二光纤及第三光纤;光源组件的出光侧设有光路切换装置;检测盒的至少一侧面设为透光壁面,检测盒内设有反光结构,反光结构将从透光壁面输入至检测盒内的光线反射至透光壁面;第一光纤的第一端与第二光纤的第一端分别伸向光源组件,并位于光路切换装置背离光源组件的一侧;第一光纤的第二端、第二光纤的第二端及第三光纤的第一端均伸向透光壁面;第三光纤的第二端用于连接光谱仪。本发明实现了同一套系统依据单粒待测种子进行质量预测模型的构建,以此对批量待测种子的质量进行快速、准确、无损地检测,可应用于种子生产不同环节的种子质量评估。

标签:
无损检测
北京 - 北京 来源:中冶有色网 2023-03-19
香烟爆珠的太赫兹检测系统及方法

本发明涉及太赫兹无损检测技术领域,公开了一种香烟爆珠的太赫兹检测系统及方法,香烟爆珠的太赫兹检测系统包括太赫兹光谱探测单元、光信息采集单元、光信息处理单元及诊断单元;太赫兹光谱探测单元用于获取在透射预检测过滤棒后反射的太赫兹光波;光信息采集单元和光信息处理单元分别用于采集反射的太赫兹光波,并生成预检测过滤棒光照强度的位置分布曲线;诊断单元用于将预检测过滤棒与爆珠完好的过滤棒的光照强度的位置分布曲线进行对比,以判断爆珠在预检测过滤棒中的状态;本发明操作简单、成本低廉,无需检测人员的过多参与,可准确且高效地判断出预检测过滤棒中爆珠的状态,大大减小了爆珠检测的误报率。

标签:
无损检测
北京 - 北京 来源:中冶有色网 2023-03-19
基于环形阵列换能器的全聚焦成像检测方法

本发明提供了一种基于环形阵列换能器的全聚焦成像检测方法,属于超声无损检测。本发明将检测成像区域定为试件沿环形阵列换能器轴向的线形区域;用机械臂夹持环形阵列换能器对各检测区域进行扫查,在扫查各检测区域时,依次激发单个阵元,每次激发,所有阵元均接收超声回波时域信号,形成检测区域的全矩阵数据;将每个检测区域离散成多个检测点,由费马原理确定检测点处的声波传播路径,获得传播时间,利用延时法将采集到的全矩阵数据完备集聚焦到监测点,获得检测点的幅值。本发明能够在使用较少阵元的情况下产生较强的聚焦声场,大大减少电路控制复杂程度,提高了检测厚度和检测精度,可实现检测的智能化、高效化。

标签:
无损检测
北京 - 北京 来源:中冶有色网 2023-03-19
荧光与多光谱成像融合的黄曲霉毒素检测建模方法

本申请公开了一种荧光与多光谱成像融合的黄曲霉毒素检测建模方法。该方法可以包括:获得含有不同浓度黄曲霉毒的粮食样本;通过荧光光谱检测,建立黄曲霉毒素含量与荧光光谱数据的拟合关系;根据拟合关系计算测试样品的黄曲霉毒素含量,提取测试样品的多光谱数据;根据测试样品的黄曲霉毒素含量与多光谱数据进行机器学习,获得基于多光谱数据的黄曲霉毒含量检测模型。本发明通过荧光光谱联合多光谱定标黄曲霉毒素,实现快速无损检测粮油食品中黄曲霉毒素含量的要求。

标签:
无损检测
安徽 - 合肥 来源:中冶有色网 2023-03-19
钛铁矿中氟含量的检测方法及应用

本发明提供了一种钛铁矿中氟含量的检测方法及应用,涉及X射线荧光检测技术领域。具体而言,包括如下步骤:采用X射线荧光分析仪分别对氟含量不同的标准样品进行检测,绘制荧光强度‑氟浓度的标准曲线;采用X射线荧光分析仪检测待测样品,将测得的荧光强度代入至所述标准曲线,计算得到钛铁矿中的氟含量。本发明解决了常规化学检测法存在的分析周期长、试剂用量大、分析结果重现性低等技术缺陷,采用X射线荧光光谱法,具有无损分析、前处理简单、自动化程度高、测试速度快、多元素同时测量等优点,能够满足工业分析的要求。

标签:
无损检测
河南 - 焦作 来源:中冶有色网 2023-03-19
管道环焊缝识别及缺陷检测的装置

本实用新型涉及一种管道环焊缝识别及缺陷检测的装置,属于无损检测技术领域。本装置包括依次连接的电源构件、记录构件、检测构件、动力构件和清管构件,电源构件包括电源环形节和蓄电池,蓄电池设置在电源环形节上,蓄电池分别与记录构件、检测构件、动力构件和清管构件电连接,检测构件包括检测环形节、三个以上的电磁超声探头,电磁超声探头均匀分布设置在检测环形节的周向表面,电磁超声探头与管道的内壁垂直,电磁超声探头与记录构件连接,蓄电池与电磁超声探头电连接。本实用新型同时向管壁激励超声波,当超声波遇到焊缝缺陷特征时,多探头同时响应接收到反射的回波,通过评估回波信号的时间差和信号特征,实现环焊缝识别及缺陷检测。

标签:
无损检测
云南 - 昆明 来源:中冶有色网 2023-03-19
基于RGB-D相机的瓷砖检测装置

本实用新型公开了一种基于RGB‑D相机的瓷砖检测装置包括机架、传送带输送机构、支架、RGB‑D相机、光源、微型计算机和液晶显示屏,支架呈门型结构且横跨安装在传送带输送机构上,所述RGB‑D相机和光源固定在支架上,所述传输带输送机构、RGB‑D相机、光源均由微型计算机控制,液晶显示屏与所述微型计算机相连。利用该瓷砖检测装置进行检测,检测效率高,检测过程和结果符合相关标准要求,可实现对不同尺寸瓷砖的快速和高精度检测工作。而且由于检测采用的是非接触性检测,对瓷砖本身无损害。

标签:
无损检测
广东 - 肇庆 来源:中冶有色网 2023-03-19
三维红外热波成像检测系统与方法

一种三维红外热成像检测系统与方法,属于检测领域。所述系统由808nm半导体激光器、系统框架、激光光纤、激光器准直镜架、激光器准直镜、相机滑动导轨、三维扫描仪滑动导轨、红外热像仪、以太网线、相机触发控制线、三维激光扫描仪、载物台、三维图像传输线、伺服电机一、伺服电机二、电机控制线一、电机控制线二、图像采集卡、USB控制线一、运动控制卡、USB控制线二、计算机、USB控制线三、数据采集卡、BNC线、激光器电源、电源线及光学平台组成。本发明的优点是:通过红外热波无损检测技术对复杂结构材料进行检测实现了缺陷的快速高效识别,将红外热波检测技术与三维激光扫描技术相结合实现了复杂结构材料的缺陷位置准确定位。

标签:
无损检测
黑龙江 - 哈尔滨 来源:中冶有色网 2023-03-19
纤维缠绕复合材料液浸超声检测探头位置的优化方法

本发明涉及一种液浸超声无损检测复合材料时聚焦超声换能器位置的优化方法,通过对不同频率、晶片直径、焦距的聚焦换能器在水和复合材料中聚焦规律和特性的研究,分别给出反射法和透射法检测时计算焦距F、探头至工件距离H等的公式,依此给出聚焦探头最佳放置位置的方法,实现检测过程中对缺陷检测精度和灵敏度的提高以及对工件的可靠性检测。

标签:
无损检测
北京 - 北京 来源:中冶有色网 2023-03-19
超声波横波检测方法
超声波横波检测方法 1265     
 0

本发明公开了一种超声波横波检测方法,属于无损检测技术领域。所用的耦合剂在耦合时可加热熔化为液体,与工件具有良好浸润性,可以同时与探头和工件表面良好接触;在测试时,该耦合剂可形成固体,最大限度的保留超声波横波的能量,从而大大提高检测精度;该耦合剂可以方便地获取、无毒无害、环境友好、使用方便。检测时,首先将耦合剂进行加热至完全熔化为粘稠液体,然后用横波探头蘸取粘稠液体至待检测工件表面,并按压横波探头使横波探头与待检测工件表面之间形成均匀的耦合剂层,待耦合剂冷却凝固后进行超声波横波检测;操作简便,易于推广应用。

标签:
无损检测
陕西 - 西安 来源:中冶有色网 2023-03-19
防水灯具密封性检测装置及其使用方法

本发明公开了一种防水灯具密封性检测装置及其使用方法,包括设备箱体及其顶部固定的检测箱体,所述检测箱体为两侧外壁连通的长方体壳体结构,所述检测箱体的两侧敞口位置处转动连接有呈对角线分布的侧门,其中,侧门与检测箱体之间设置有扭转弹簧,通过扭转弹簧驱动侧门关闭,所述侧门的内壁固定有密封橡胶垫。本发明中,通过在检测箱体的内部设置气压传感器,通过气泵向储气筒体内注入气体,利用液压伸缩杆推动活塞板将气体导入检测箱体内,通过观察气压传感器在单位时间内气压增量变化判断防水灯具气密性,该种检测方式,具有检测周期短,对防水灯具无损害的优势。

标签:
无损检测
广东 - 肇庆 来源:中冶有色网 2023-03-19
用于卫星承力筒的检测装备

本发明涉及的用于检测卫星承力筒蜂窝夹层结构胶接质量的检测装备,包括:支撑装置,所述支撑装置包括至少两件对称分布地旋转滚轮机构,所述旋转滚轮机构包括能够双向旋转的滚轮,所述旋转滚轮机构用于在周向方向上支撑所述卫星承力筒;导轨装置,包括支架和固定设置于所述支架之间的导轨机构;和检测装置,连接于所述导轨装置的导轨机构上,沿所述导轨机构移动并用于检测所述卫星承力筒。在本发明的检测装备能够对大型的卫星承力筒的整体的内蒙皮与蜂窝夹层的胶接质量进行全覆盖式的无损检测的检测装备,且采用调制光锁相红外热成像技术,一次性检测面积大,所得的热像图不易受热激励不均匀性、环境反射、蒙皮表面状况等影响,检测效率高。

标签:
无损检测
北京 - 北京 来源:中冶有色网 2023-03-19
针对混凝土衬砌质量缺陷的综合检测方法

本发明公开了混凝土衬砌检测工程技术领域的一种针对混凝土衬砌质量缺陷的综合检测方法,包括以下步骤:S1:根据实际隧洞工程结构,制作隧洞混凝土衬砌模型标准体;S2:制作综合波场法衬砌检测装置;S3:对隧洞混凝土衬砌模型标准体进行综合波场法及地质雷达法检测;S4:对所采集数据进行综合波场法数据处理及地质雷达法处理;S5:结合综合波场法及地质雷达法数据解译结果,建立所述标准缺陷类型的信号特征数据库;S6:以所述信号特征数据库为依据,进行实体工程的隧洞混凝土衬砌质量检测,能够采用无损检测的方法检测实体隧洞混凝土衬砌质量缺陷,并对缺陷类型及其尺寸进行判别,提高检测精度及现场检测效率。

标签:
无损检测
吉林 - 长春 来源:中冶有色网 2023-03-19
钢丝绳漏磁检测系统及该系统在电梯上的应用

本发明公开了钢丝绳漏磁检测系统及该系统在电梯上的应用,该检测系统包括磁检测单元、磁化单元、信号处理控制单元、数据通讯单元、云服务平台和检测终端;磁检测单元包括磁传感器组件及传感器驱动电路;磁化单元包括励磁线圈组件及线圈控制电路;信号处理控制单元与磁检测单元和磁化单元电连接;数据通讯单元还分别与信号处理控制单元和云服务平台进行数据连接;云服务平台与检测终端数据连接,以将接收的漏磁信号数据保存处理后实时发送至检测终端。本发明能对钢丝绳的缺陷进行实时、快速、无损的检测,以便在钢丝绳出现缺陷时能够及时的更换或维修,提高钢丝绳使用的安全性。

标签:
无损检测
重庆 - 重庆 来源:中冶有色网 2023-03-19
检测空心叶片内腔多余物的方法

本发明属于无损检测技术领域,公开了用于中子照相的一种检测空心叶片内腔多余物的方法,其主要步骤为:⑴配制10~20%的硝酸钆水溶液;⑵被检测空心叶片放入硝酸钆水溶液中,在真空度为0.07~0.09atm下浸泡6‑8小时;⑶被检测空心叶片在频率24~64KHZ的超声波水箱中持续清洗5~15分钟;⑷被检测空心叶片于80~100℃烘干。通过该方法处理的空心叶片经过中子照相,可有效地检测空心叶片内腔多余物,包括残余型芯,灌粉检测后剩余铁粉,叶片长时间工作后吸入的杂质。该方法工艺简单,成本较低,检测结果准确。避免了其它检测方法可能造成的误判和漏判。

标签:
无损检测
北京 - 北京 来源:中冶有色网 2023-03-19
用于增强超声检测图像横向分辨率的方法

一种用于增强超声检测图像横向分辨率的方法,属于超声无损检测领域。该方法采用一套包括超声探伤仪、检测探头、扫查装置的超声检测系统对缺陷进行检测,获得图像,并导出构成图像的A扫描信号。首先对检测图像中所得到的A扫描信号进行图像重建。然后,利用欧拉公式提取A扫描信号的相位信息,基于时间延时和相位叠加得到相位分布矩阵。利用相位分布矩阵对重建图像进行加权处理后,增强了检测图像中缺陷的横向分辨率。本发明提出的增强超声检测图像横向分辨率的方法可嵌入到探伤仪中,实现超声检测系统的自动实时成像,具有较好的推广及应用价值。

标签:
无损检测
辽宁 - 大连 来源:中冶有色网 2023-03-19
用于消除光学晶体超精密加工亚表面损伤检测样品安装误差的方法

用于消除光学晶体超精密加工亚表面损伤检测样品安装误差的方法,本发明涉及用于消除光学晶体亚表面损伤检测样品安装误差的方法。本发明为了解决光学晶体超精密加工亚表面损伤无损检测中存在样品安装误差问题。本发明包括:一:安装被检测光学晶体;二:调整X射线源初始位置;三:使X射线与被检测光学晶体表面之间形成实际入射角ω′并固定;四:进行检测;五:得到不同实际入射角ω′条件下X射线与检测表面和亚表面晶体结构发生衍射的特征谱线信息;六:计算样品安装角度误差δ;七:根据得到的δ修正实际入射角ω′,消除光学晶体超精密加工亚表面损伤检测过程中由于样品安装造成的误差。本发明用于光学晶体表面损伤检测领域。

标签:
无损检测
黑龙江 - 哈尔滨 来源:中冶有色网 2023-03-19
高空间分辨率的涡流检测传感器

一种涡流检测传感器,属于无损检测技术领域。涡流检测传感器包括磁芯、绕制在磁芯本体上的激励线圈和磁场传感器,所述磁芯面向被检导体表面所在端形成尖锐凸起并在凸起端开口形成缝隙,磁场传感器设置在所述缝隙与被检导体面平行的平面内。磁场传感器将缝隙处聚集的磁场与被检导体作用形成的磁信号转换为电信号输出。本发明显著减小了磁场作用范围,进而提高了空间分辨率。运用本发明传感器检测缺陷能够清晰反映被检缺陷的轮廓和大小以及精确位置,有利于进一步辨识缺陷,进而评估导体缺陷所带来的影响。并且通过设计不同的磁芯结构来大幅度增加激励线圈的匝数以适当减小激励信号的电流,避免了因激励线圈发热严重而造成的测量误差。

标签:
无损检测
四川 - 成都 来源:中冶有色网 2023-03-19
基于透射光谱检测种子活力的装置及其使用方法

本发明涉及种子活力检测技术领域,提供了一种基于透射光谱检测种子活力的装置及其使用方法。该装置包括超连续激光器、小孔光阑、各种形式的夹具、光纤探头、光谱仪和光谱处理分析系统;结构简单、操作方便、光谱一致性好;提供的夹具装置可以检测同时安装的多粒种子的活力,提高了检测效率。其使用方法包括:先建立透射光谱‑活力数据模型,然后获取待测种子的透射光谱信号,最后根据该透射光谱信号和透射光谱‑活力数据模型判断待测种子是否具有活力;该方法无需预处理、对种子无损伤;通过采集种子的透射光谱,能够获得种子内部特征组分信息,从而提高检测结果的准确性,尤其适用于检测籽实较小、稃层较厚的水稻种子的活力。

标签:
无损检测
吉林 - 长春 来源:中冶有色网 2023-03-19
基于超声导波的高含硫天然气输送管道沉积硫的检测方法

本发明公开了基于超声导波的高含硫天然气输送管道沉积硫的检测方法,涉及管道无损检测技术领域,本发明先根据施工图纸采集无沉积管段计算检测后生成的标准波形与标准时长,通过超声导波机构发送低频信号,将接收到的低频检测波形与标准波形进行比对,筛选出管道内产生明显沉积的部位,随后采用高频信号对沉积部位进行进一步排查,得出更精确地检测出沉积部位的细节,采用了逐步筛选后增加检测精度的方式,使得检测过程更有针对性,有效提高检测效率,避免排查过程中产生资源浪费的情况。

标签:
无损检测
四川 - 成都 来源:中冶有色网 2023-03-19
牛肉品质检测系统及方法

本发明涉及一种牛肉品质度检测系统及检测方法。解决现有技术中对牛肉品质检测存在主观不准确,以及存在检测设备检测过程复杂的问题。系统包括座体,在座体上设置有托架,在托架上方设置有照射光源,照射光源转动连接在调整照射光源位置的调整机构上,调整机构安装在座体上,在托架下方设置有接收机构,在座体内设置控制单元,控制单元与照射光源、调整支架、接收机构相连。通过对样品反射或透射光谱数据进行分析,判断牛肉品质。本发明的优点是采用光谱检测方式,能对样品进行无损检测;装置结构简单、操作快速简便、检测数据准确。

标签:
无损检测
浙江 - 杭州 来源:中冶有色网 2023-03-19
上一页 2054 2055 2056 2057 2058 ... 5000 ... 10000 ... 20000 ... 30000 ... 32465 下一页
共32465页    到第

中冶有色为您提供最新的有色金属技术理论与应用信息,包括矿山技术、冶金技术、材料制备及加工技术、环境保护技术和分析检测技术等有色技术信息。打造最具专业性的有色金属技术理论与应用平台!

全国热门有色金属设备推荐
展开更多 +
全国热门有色金属技术推荐
展开更多 +

 

江西省隆恩特环保设备有限公司
宣传

报名参会
更多+

2025年10月15日 ~ 17日
2025年10月17日 ~ 19日
2025年10月31日 ~ 11月02日
2025年11月07日 ~ 09日

报告下载

有色专家
更多+

南昌航空大学
副院长/教授
矿冶科技集团江苏北矿金属循环利用科技有限公司
书记 / 总经理
太原理工大学
院长/教授
中国矿业大学
教授
矿冶科技集团有限公司
党委书记 / 董事长
赤泥综合利用研究报告2025
推广

热门技术
更多+

推荐企业
更多+

福建省金龙稀土股份有限公司
宣传

发布

在线客服

公众号

电话

顶部
咨询电话:
010-88793500-807