青岛垚鑫智能科技有限公司
宣传

位置:中冶有色 >

有色技术频道 >

分类:
全部
矿山技术
冶金技术
材料制备及加工技术
环境保护技术
分析检测技术
地区:
全部
北京
天津
上海
重庆
河北
山西
辽宁
吉林
黑龙江
江苏
浙江
安徽
福建
江西
山东
河南
湖北
湖南
广东
海南
四川
贵州
云南
陕西
甘肃
青海
内蒙
广西
西藏
宁夏
新疆
其他
其他
展开
 
全部

有色金属技术理论与应用

免费发布技术信息>>
用于在废水处理中生产生物质颗粒的方法和系统

用于处理废水的方法,其包括在厌氧区中处理废水,以从废水去除有机物并形成生物质颗粒;将来自厌氧区的废水流出物转移至曝气区;在曝气区中用氧源和活性污泥处理废水流出物,以从废水流出物进一步去除有机物并形成另外的活性污泥;以及将一部分活性污泥从曝气区转移至厌氧区。

标签:
废水处理
其他 - 其他 来源:中冶有色网 2023-03-19
资源化的废水脱盐净化方法及其应用

本发明公开了一种资源化的废水脱盐净化方法及其应用,其中净化方法包括以下步骤:(1)利用双极膜对含盐有机废水进行处理,得到含有机物的水溶液,以及酸性溶液和碱性溶液;(2)在pH=2~12,压力为2~8MPa,温度为180~300℃的条件下,对含有机物溶液进行湿式氧化,得到处理液;(3)对处理液进行后处理得出水。利用双极膜对含盐有机废水进行处理前预先进行过滤。本发明提供的利用双极膜和湿式氧化处理含盐有机废水的方法,能够显著降低废水的COD值,同时对废水中的物质加以有效的回收利用。

标签:
废水处理
浙江 - 绍兴 来源:中冶有色网 2023-03-19
一体化含煤废水处理设备

本实用新型公开了一体化含煤废水处理设备,属于废水处理设备技术领域,该一体化含煤废水处理设备,包括:静置池,静置池的顶面固定连接有安装板,安装板的顶面固定连接有两个支撑杆,两个支撑杆的顶端之间固定连接有存放箱,存放箱的一侧外壁开设有出料口;以及控制组件,控制组件包括两个安装架、转轴、两个转盘、两个连杆和控制板。该一体化含煤废水处理设备,通过电机带动转轴旋转,使得控制板进行上下往复移动,控制板上移,絮化剂和助絮剂将会随着重力洒下,之后控制板将会顺着连杆的运动而落下,对出料口进行封闭,自动对絮化剂和助絮剂的添加进行控制,无需对电机进行调整,也无需工作人员进行手动添加。

标签:
废水处理
江苏 - 泰州 来源:中冶有色网 2023-03-19
棉坯布印染废水的处理装置

一种棉坯布印染废水的处理装置,包括冷却预处理池、搅拌混合罐和反应池,冷却预处理池、搅拌混合罐和反应池之间通过水管连接,冷却预处理池与搅拌混合罐之间设有过滤装置,过滤装置包括桶体,桶体的内壁上固定有环形挡块,桶体内设有滤槽,滤槽的顶端设有环形凸起,滤槽穿过环形挡块延伸至桶体的下端,桶体上端侧壁上开设有桶体进水口,桶体的下端侧壁上开设有桶体排水口,所述搅拌混合罐内上部设有第一搅拌装置,搅拌混合罐内下部设有第二搅拌装置。本实用新型结构简单,能够过滤出棉坯布印染废水中的杂物,同时能够对棉坯布印染废水进行混合搅拌,使得添加在棉坯布印染废水中的处理剂混合的更加均匀。

标签:
废水处理
河南 - 新乡 来源:中冶有色网 2023-03-19
具备分类回收功能的含油废水处理设备

本实用新型公开了一种具备分类回收功能的含油废水处理设备,包括箱体和纤维球滤料,所述箱体的内部左端设置有用于过滤油水的过滤组件,且箱体的内壁设置有挡板,所述箱体的外壁安装有电机,所述挡板的右侧设置有第二操作室,且第二操作室的内部设置有转动辊,所述转动辊的左右两侧外壁设置有核桃壳滤料块,所述第二操作室的右侧设置有第三操作室,且第三操作室的内部固定有限位通筒,所述纤维球滤料安置于限位通筒的内部。该具备分类回收功能的含油废水处理设备采用多重过滤结构,可以对油废水进行充分的过滤,提高了废水处理的效率,同时具有限位结构,可以对装置内部的零件进行限位,避免工作的时候产生晃动的情况。

标签:
废水处理
江苏 - 苏州 来源:中冶有色网 2023-03-19
混凝土废浆废水隔油分离系统

本实用新型公开了一种混凝土废浆废水隔油分离系统,其包括收集槽、砂石分离器、第一搅拌罐、取样罐、压滤机、集液槽、分离器、第一活性炭吸附罐、第二活性炭吸附罐、清水罐、吸附塔、粉碎机、放料罐、第二搅拌罐;所述收集槽中的废浆和废水经过砂石分离器后排入第一搅拌罐,然后第一搅拌罐中的浆料送至压滤机中压滤得到滤渣和滤液;所述滤渣进行粉碎后进行第二搅拌罐配制混合浆料;所述滤液依次经过得分离器、第一活性炭吸附罐或第二活性炭吸附罐进行处理得到清水,清水一部分送至吸附塔,另一部分送至第二搅拌罐,其余部分送至清洗用水管网。本实用新型可以对废浆废水进行有效处理,解决因废水废浆碱性大且含有有机物而导致难于处理的问题。

标签:
废水处理
广西 - 梧州 来源:中冶有色网 2023-03-19
高盐废水预处理装置
高盐废水预处理装置 729     
 0

本实用新型提供一种高盐废水预处理装置,包括粉碎器、沉淀器、过滤器、氧化器和控制箱,所述粉碎器、沉淀器、过滤器和氧化器依次进行连通,其中,所述粉碎器内设置有搅拌粉碎装置,所述沉淀器内设置有沉淀装置,所述过滤器内设置有过滤清洗装置,所述氧化器内设置有臭氧净化装置。本实用新型的预处理装置废水的处理效果好,可将杂质有效除去,且降低废水的COD,同时该装置中的过滤器内设置有过滤清洗装置,可以自动对过滤网进行清洗,防止过滤网堵塞,节省人工清理,可以提高废水的处理效率。

标签:
废水处理
天津 - 天津 来源:中冶有色网 2023-03-19
合成革生产用DMF废水回收装置

本实用新型公开了一种合成革生产用DMF废水回收装置,包括装置外箱体,装置外箱体的内腔安装设置有反应池,装置外箱体与反应池之间形成一个水浴加热室,水浴加热室的内腔设置有设置有恒温加热装置,水浴加热室的内腔底部设置有温度传感器,装置外箱体左侧壁顶部开设有进水口,装置外箱体的右侧壁顶部和底部分别设置有控制箱和出水口,反应池的内腔设置有搅拌装置,反应池的顶部左侧分别设置有加料装置和空气鼓入装置,反应池的顶部右侧开设有进料口,反应池的右方分别设置有DMA回收池和废水回收池,DMA回收池与反应池之间连接有导流管,废水回收池与反应池之间连接有引流管,本实用新型提供了一种废水处理效率高的回收装置。

标签:
废水处理
福建 - 南平 来源:中冶有色网 2023-03-19
用于电镀废水处理的高效节能型臭氧氧化反应塔

本实用新型公开了一种用于电镀废水处理的高效节能型臭氧氧化反应塔,包括设有废水进口和臭氧进口的臭氧氧化反应塔本体,臭氧氧化反应塔本体内由上往下依次设有若干导流弧板,上下相邻的两块导流弧板左右相对、上下相错设置;顶部导流弧板上设有流通通道、与流通通道相连通的若干倾斜向上的导流孔、与各导流孔一一对应的导流凹槽;臭氧氧化反应塔本体和顶部的导流弧板上分别设有与流通通道相连通的H2O2进口、H2O2出口;废水进口设置在顶部导流弧板的上方,臭氧进口设置在臭氧氧化反应塔本体的底部。本实用新型利用臭氧和双氧水对电镀废水进行处理,效果更好,导流弧板具有消能作用且能够延长反应时间,臭氧的通入量少、利用率高,成本降低。

标签:
废水处理
湖北 - 黄石 来源:中冶有色网 2023-03-19
利用烟气热量的湿法脱硫废水零排放综合处理系统

本实用新型公开了一种利用烟气热量的湿法脱硫废水零排放综合处理系统。包括:烟道系统是从脱硝反应器出口到除尘器入口与原烟道相接部分烟道段;切向旋流闪蒸室(4)设置在烟道系统的烟道上;切向旋流闪蒸室(4)包括闪蒸室壳体(8),所述闪蒸室壳体(8)顶部设置烟气分布器(5),烟气分布器(5)下方设置导向锥(7),闪蒸室壳体(8)侧面设置喷嘴或喷枪(6);废水输送系统,包括脱硫废水缓冲罐(13),所述脱硫废水缓冲罐(13)通过管道与切向旋流闪蒸室(4)连接。本系统充分利用了SCR脱硝后烟气余热,节省了能量和运行成本;系统运行维护简单,能够连续稳定运行。

标签:
废水处理
湖北 - 武汉 来源:中冶有色网 2023-03-19
畜禽养殖废水预处理装置

本实用新型公开了一种畜禽养殖废水预处理装置。本实用新型目的在于提供一种畜禽养殖废水预处理装置,包括设置在壳体相对两侧的布水堰槽和出水堰槽,所述布水堰槽位于靠近壳体上端开口位置;所述壳体相对两侧设有导轨,所述导轨中间位置连接有吸附装置,所述吸附装置上方设有与导轨连接的粪渣收集槽,所述粪渣收集槽一侧通过过滤斜网与布水堰槽连接;所述壳体底部设有排泥管。本实用新型主要用于畜禽养殖废水预处理,可以除去粪渣等大颗粒污染物,并吸附废水中部分氮磷物质,为下一步的污水处理奠定基础,提高污水处理效率。

标签:
废水处理
湖南 - 长沙 来源:中冶有色网 2023-03-19
醋酸生产废水的处理系统

本实用新型属于废水处理技术领域,具体来说涉及一种醋酸生产废水的处理系统。本实用新型的一种醋酸生产废水的处理系统,包括预处理系统、生化处理系统、深度处理系统和污泥压滤系统,能够保证高效稳定的出水。本实用新型的预处理工艺采用超重力床系统,即进行液膜—气膜的动态分离,再通过生化处理工艺和深度处理工艺,使得醋酸生产废水中COD等达标,出水水质达到《污水综合排放标准》的水质标准要求。本实用新型投资小、占地小、出水水质稳定、易于管理和操作、完全能够实现自动化控制。

标签:
废水处理
贵州 - 贵阳 来源:中冶有色网 2023-03-19
化工用检测废水取样装置

本实用新型公开了一种化工用检测废水取样装置,包括机身,所述机身的一侧固定连接有第一取样管和第二取样管,所述第一取样管和第二取样管的末端卡接有取样前嘴,该种实用新型设计合理,使用方便,非常适合化工废水取样使用,通过设置有第一取样管和第二取样管的配合操作方式,通过利用不同长度取样管实现同时多层次化工废水取样,避免局部取样导致的废水成份分析误差,通过设置有风机,利用风机形成的高压风来对取样管壁进行清洁,取代人工毛刷清洗,简化操作,利用侧握杆与下握杆的配合来增加手持稳定性,减轻手持压力,利用螺旋杆的自螺旋运动将化工污水带入取样管,自动化取样便于操作,可实现定量取样,无需多次重复取样,适合广泛推广。

标签:
废水处理
陕西 - 延安 来源:中冶有色网 2023-03-19
高盐度废水耐盐菌自动补充装置

本实用新型公开了高盐度废水耐盐菌自动补充装置,包括若干逐级驯化不同等级微生物的储存池以及混合废水和驯化后微生物的生化池,各储存池依次串联后连通至生化池,各储存池之间以及末级储存池与生化池之间的管道上均依次设置有提升泵和阀门,各储存池内设置有曝气搅拌系统,各级储存池依次存储含盐质量分数等级递增的废水。不同的储存池内含盐质量分数不同,使耐盐菌逐级驯化遵循生物进化规律、进入循序渐进的过程,最终末级储存池能够随时地、定量可控地把驯化好的耐盐菌排到生化池。此实用新型用于废水处理领域。

标签:
废水处理
广东 - 广州 来源:中冶有色网 2023-03-19
电镀废水净化处理装置
电镀废水净化处理装置 1121     
 0

本实用新型涉及电镀废水处理技术领域,具体公开了一种电镀废水净化处理装置,包括有第一处理池、混碱药池、固废回收池、氧化池、催化药池、混合池、絮凝药池、第二处理池、中和池、pH调节药池、第一搅拌装置、第二搅拌装置以及阀门;所述第一处理池分别与第一处理池、混碱药池、固废回收池、氧化池、催化药池、混合池、絮凝药池、第二处理池、中和池以及pH调节药池连通,所述第一搅拌装置固定设置在所述氧化池上,所述第二搅拌装置固定设置在所述混合池上,所述阀门固定设置在管道上用于控制管道的通断状态。本实用新型解决了现有技术电镀废水处理工艺复杂、产生污泥杂质多且金属回收效率低下的缺陷,达到高效低成本处理电镀废水的目的。

标签:
废水处理
湖南 - 长沙 来源:中冶有色网 2023-03-19
低温热废水高效利用系统

本实用新型公开了一种低温热废水高效利用系统,包括热交换器、内循环水泵和至少两组串联的热泵机组;所述热交换器包括低温热废水端、排水端、冷水端和热水端,所述低温热废水端与所述排水端连通,所述冷水端与所述热水端连通;每组所述热泵机组均包括蒸发器和冷凝器,第一级的所述冷凝器连接低温入水端,最后一级的所述冷凝器连接高温出水端;所述内循环水泵的一端连接所述热水端,另一端连接最后一级的所述蒸发器,第一级的所述蒸发器与所述冷水端连接。本实用新型回收利用了低温热废水的热量,减少了热源的浪费,避免对环境造成热污染。同时,减少了热泵机组单位制热量的耗电量。

标签:
废水处理
广东 - 深圳 来源:中冶有色网 2023-03-19
处理难降解有机废水的电化学氧化-铁碳联合系统

本实用新型公开一种难降解有机废水的电化学氧化‑铁碳联合处理系统,其包括电化学氧化反应器、阳极排水泵、铁碳塔、阴极排水泵、铁碳塔排水泵、混合池、混合池排水泵、沉淀池,电化学氧化反应器包括壳体、阳极、阴极、电源,壳体的底部设有进水口,阳极和阴极为等同的钛基微孔管式滤芯电极,其一端浸在壳体的废水中,另一端与电源相连;阳极通过管路、阳极排水泵和铁碳塔的入水口相连,铁碳塔的出水口通过铁碳塔排水泵与混合池相连,阴极通过管路、阴极排水泵也和混合池相连,混合池通过混合池排水泵与沉淀池相连。该系统可经济高效地去除难降解有机污染物,提升废水排放标准,实现废水的资源化利用。

标签:
废水处理
浙江 - 杭州 来源:中冶有色网 2023-03-19
废水的生物处理装置
废水的生物处理装置 1250     
 0

本实用新型提出了一种废水的生物处理装置,包括处理槽、设于该处理槽内并将处理槽的内部空间分成微生物反应室与污泥分离室的挡板、设于该微生物反应室一侧并向微生物反应室内通入空气的散气设备、及设于该污泥分离室内并由下向上依次间隔设置的固液分离部、浮动滤层及透水板,该微生物反应室的顶端连接有一废水进管,该污泥分离室的顶端连接有一清水溢流管,所述挡板的底端与处理槽的底面保持一定距离。该废水的生物处理装置微生物反应部分、固液分离部分及过滤部分一体构造,便可达到废水处理的目的,从而节省空间。

标签:
废水处理
河北 - 唐山 来源:中冶有色网 2023-03-19
焦化废水后处理净化装置

本实用新型属于焦化废水处理设备技术领域,具体涉及一种焦化废水后处理净化装置,包括混合器1、第一缓冲池2、初级净化区3、第二缓冲池4、二级净化区5、第一输送泵6和第二输送泵7,其特征在于:所述的混合器1、第一缓冲池2、初级净化区3、第二缓冲池4和二级净化区5由上向下依次连接;所述第一缓冲池2一侧设有第一输送泵6,该第一输送泵6通过管道一端与第一缓冲池2相连接,第一输送泵6另一端与混合器1相连接;初级净化区3、第二缓冲池4和二级净化区5均通过管道与第二输送泵7相连接;本实用新型沉降效果理想该装置主要实现了废水在其内部的絮凝沉淀过程,充分利用药剂和装置达到废水净化目的。

标签:
废水处理
甘肃 - 嘉峪关 来源:中冶有色网 2023-03-19
高浓度含盐废水流化造粒雾化喷嘴

本实用新型涉及一种高浓度含盐废水流化造粒雾化喷嘴,属于化工造粒设备技术领域。包括盖帽、喷嘴头、空气接管和废水接管,所述空气接管套在所述废水接管外,所述喷嘴头与所述废水接管相连,所述盖帽套在所喷嘴头外并与所述述空气接管相连,所述盖帽与所述喷嘴头之间设有雾化压缩空气流道。本实用新型具有雾化质量好、管路不易堵塞、安全可靠等优点,彻底解决了目前市场上造粒喷嘴的雾化及堵塞性等缺陷,真正做到了雾化性与防堵塞性的完美统一。

标签:
废水处理
江苏 - 南京 来源:中冶有色网 2023-03-19
可用于处理含砷废水的装置

本实用新型公开了一种可用于处理含砷废水的装置,该装置包括输送泵、管式反应器、控制系统和至少一个加药装置,管式反应器的两端设有废水进口和废水出口,输送泵连接在管式反应器上,管式反应器的中段设有至少一个加药口,加药装置通过管道连接在加药口处,管式反应器的管道上安装有至少一个用于反映酸度以及进程节点的检测探头。本实用新型具有结构简单、投资运行成本低、自动化程度高、砷去除效率高、处理后砷渣量小等优点,可用于连续高效地处理含砷废水。

标签:
废水处理
湖南 - 长沙 来源:中冶有色网 2023-03-19
处理高浓度氨氮废水的O/A/O系统

本实用新型属于污水处理技术领域,具体涉及一种处理高浓度氨氮废水的O/A/O系统。本系统包括依次串联的第一曝气池、缺氧池以及第二曝气池,所述的第一曝气池也即O1段反应池,缺氧池也即A段反应池,第二曝气池也即O2段反应池。本系统自成体系,与两级A/O工艺相比,简化了流程,减少了设备及操作环节,同时保留了两级A/O工艺的去除效果。本系统适应于不同行业、不同成分的高浓度难处理废水,尤其针对化肥行业的氨氮废水处理,具有独特的去除效果。根据处理工艺的要求,本系统可单独使用,也可与多种处理单元配套,处理具有复杂成份的难降解废水。

标签:
废水处理
安徽 - 合肥 来源:中冶有色网 2023-03-19
环境工程用废水处理装置

本实用新型提供一种环境工程用废水处理装置,涉及环境工程技术领域,包括处理箱,所述处理箱的内部固定安装有吸附盒,所述吸附盒的内部固定安装有透水板,所述处理箱内部相对的一侧均开设有滑槽。本实用新型中,当进行使用时,将废水从进水管处送入处理箱内部,此时废水经过过滤网进行过滤处理,透水板将吸附盒内部分成两层空间,第一层空间内部设置有海绵层,第二层空间内部设置有活性炭,过滤后的水依次流到海绵层和活性炭层,进行二次吸附过滤处理,在过滤网和吸附盒内部吸附材料的配合下,对废水进行多层过滤处理,提高了废水的纯净度,从而达到提高废水过滤的效果。

标签:
废水处理
安徽 - 安庆 来源:中冶有色网 2023-03-19
含砷废水精滤过滤器
含砷废水精滤过滤器 1084     
 0

本实用新型涉及废水处理技术领域,尤其为一种含砷废水精滤过滤器,包括底座和废水储水池以及过滤器主体,所述底座的顶部固定从左至右依次设有废水储水池和水泵以及过滤器主体,所述废水储水池的内壁固定安装有固液分离滤网,所述废水储水池的右侧固定安装有连接管,所述连接管的另一端固定连接于水泵,所述水泵的顶部安装有进液管,所述进液管的另一端固定安装于过滤器主体的左侧,所述进液管上设置有进口阀,所述过滤器主体的顶部安装有上盖,所述上盖的顶部固定安装有拉手,所述上盖与过滤器主体的右侧固定安装有铰链,整体设备过滤净化效果好,纯水通量高,便于清洗,且稳定性和实用性较高,具有一定的推广价值。

标签:
废水处理
黑龙江 - 大庆 来源:中冶有色网 2023-03-19
印染废水深度处理设备

本实用新型公开了一种印染废水深度处理设备,涉及废水处理领域,旨在解决处理沉淀物时易带出未处理的废水导致处理装置效果不佳,其技术方案要点是:所述沉淀池和生化处理池之间连接有过滤沉淀物的过滤装置,所述过滤装置包括倾斜设置的筒体,所述筒体的侧壁上开设有进料口和出渣口,所述出渣口设置在筒体的上端,所述进料口设置在筒体中部的侧壁上,所述筒体内部设有用于将沉淀物推向出渣口的推动机构。本实用新型的一种印染废水深度处理设备通过螺旋结构的过滤片和中空结构的转动杆,过滤废水中的沉淀物并将沉淀物从筒体的出渣口排出,起到较好的固液分离的效果,保证了废水处理的效果。

标签:
废水处理
浙江 - 绍兴 来源:中冶有色网 2023-03-19
废水转滤一体化装置
废水转滤一体化装置 1024     
 0

本实用新型公开了废水处理技术领域的一种废水转滤一体化装置,包括过滤装置和催化杀菌装置,过滤装置包括废水添加仓,废水添加仓的内腔卡接有滤水筒,滤水筒的外壁下部开有滤水孔,滤水筒的内腔设置有碎石过滤层,废水添加仓的底壁设置有过滤排水管,催化杀菌装置包括臭氧杀菌仓、第一催化反应仓和第二催化反应仓,臭氧杀菌仓、第一催化反应仓和第二催化反应仓通过隔板进行分隔,臭氧杀菌仓和第一催化反应仓的内部分别设置有臭氧管和紫外线照射灯,第一催化反应仓的内腔设置有U型槽板和TiO沸石复合物层,第二催化反应仓的右壁设置有催化排水管,本装置滤水筒可拆卸清理,实现对废水的杀菌和去除氨氮操作。

标签:
废水处理
广东 - 东莞 来源:中冶有色网 2023-03-19
以三乙胺盐酸盐为主的废水处理装置

本实用新型公开了一种以三乙胺盐酸盐为主的废水处理装置,包括集水池、网式过滤器、预热器、预蒸发器、冷凝器、三乙胺储罐、MVR机械蒸发器,网式过滤器用以过滤去除悬浮物;预热器持续加热以去除废水中的少量低沸点有机物;预蒸发器为持续加热,并根据三乙胺盐酸盐的含量逐渐加入氢氧化钠以去除废水中的三乙胺污染物;冷凝器将反应生成的三乙胺由所述的冷凝器冷凝后收集,处理后回收至三乙胺储罐;MVR机械蒸发器对废水除盐和COD,使之达到生化处理标准。本实用新型的技术方案,可以处理含三乙胺盐酸盐的高COD、高含盐废水,三乙胺基本实现回收再利用,回收收益高于废水治理运行成本,处理后水可进入一般生化处理系统处理。

标签:
废水处理
山东 - 青岛 来源:中冶有色网 2023-03-19
调节废水进水量的旁路控制装置

一种调节废水进水量的旁路控制装置,包括废水池和生化系统,废水池上设有出水口和回流口,废水池的出水口设有与生化系统相接的主路进水管路,所述的主路进水管路设有主路进水管道,主路进水管道上沿进水方向依次设有提升泵和主路进水阀,在提升泵与主路进水阀之间设有与废水池回流口相接的旁路调节管路;所述的旁路调节管路设有旁路调节管道,旁路调节管道上沿回流方向依次设有旁路调节阀和回流泵。本实用新型通过设旁路调节机构,对过量废水的进水量实行有效分流,实现了进水量的精确控制,保证了后续生化系统水质水量的稳定性,还能避免限流后泵出口压力升高,对泵密封会造成损坏;设计合理,结构简单,成本低廉,便于维护和长期使用。

标签:
废水处理
江苏 - 连云港 来源:中冶有色网 2023-03-19
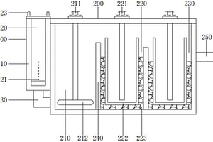
一体化高有机物和高氨氮废水生物处理装置

一体化高有机物和高氨氮废水生物处理装置,它涉及一种废水生物处理装置。本实用新型解决了现有的高有机物、高氨氮废水生物处理中,采用厌氧工艺处理该种废水时,氨氮去除效果不佳,好氧工艺单独处理该种废水投资及运行费用高,厌氧-好氧联合进行处理该种废水时所需占地面积大、工艺路线长和基建费用高的问题。本实用新型的厌氧颗粒污泥设置在上筒体内,三相分离器安装在上厌氧反应筒体内,好氧反应筒体套装在厌氧处理装置上,好氧反应体设置在好氧反应筒体内,混合搅拌装置设置在腔体内,入水管的上端固接在第一出水堰的上端面上,入水管的下端设置在好氧反应体内。本实用新型具有氨氮去除效果好、占地面积小、基建费用低和结构简单等优点。

标签:
废水处理
黑龙江 - 哈尔滨 来源:中冶有色网 2023-03-19
含焦油的有机废水处理方法

本发明公开了一种含焦油的有机废水处理方法,其特征在于:具体包括一下步骤:原材料准备:准备需要去除焦油的有机废水2L,再准备去除焦油所用到的破乳剂70~100g、混凝剂70~100g、半导体5~10g和石墨烯0.05~0.1g,使用容器分别存装好有机废水和破乳剂、混凝剂、半导体和石墨烯等材料,原材料检查:检查去除焦油所用到的破乳剂、混凝剂、半导体和石墨烯等材料。本发明一种含焦油的有机废水处理方法具有操作简单、投资设备少、所需材料少,所消耗的能源也相应的很低,方便操作者准备,对有机废水中的焦油去除效果较好,有效降低有机废水中的COD,对焦油的去除率可达到95%以上,使得本处理方法具有很好的可推广性,从而具有良好的经济效益和社会效益。

标签:
废水处理
江苏 - 泰州 来源:中冶有色网 2023-03-19
上一页 9972 9973 9974 9975 9976 ... 10000 ... 20000 ... 30000 ... 32465 下一页
共32465页    到第

中冶有色为您提供最新的有色金属技术理论与应用信息,包括矿山技术、冶金技术、材料制备及加工技术、环境保护技术和分析检测技术等有色技术信息。打造最具专业性的有色金属技术理论与应用平台!

全国热门有色金属设备推荐
展开更多 +
全国热门有色金属技术推荐
展开更多 +

 

江西省隆恩特环保设备有限公司
宣传

报名参会
更多+

2025年10月15日 ~ 17日
2025年10月17日 ~ 19日
2025年10月31日 ~ 11月02日
2025年11月07日 ~ 09日

报告下载

有色专家
更多+

武汉工程大学
教授
长沙矿冶研究院
总经理
昆明理工大学
校长
任灵宝金源矿业股份有限公司
技术发展部经理
中南大学
教授、博士生导师
赤泥综合利用研究报告2025
推广

热门技术
更多+

推荐企业
更多+

福建省金龙稀土股份有限公司
宣传

发布

在线客服

公众号

电话

顶部
咨询电话:
010-88793500-807