青岛垚鑫智能科技有限公司
宣传

位置:中冶有色 >

有色技术频道 >

分类:
全部
矿山技术
冶金技术
材料制备及加工技术
环境保护技术
分析检测技术
地区:
全部
北京
天津
上海
重庆
河北
山西
辽宁
吉林
黑龙江
江苏
浙江
安徽
福建
江西
山东
河南
湖北
湖南
广东
海南
四川
贵州
云南
陕西
甘肃
青海
内蒙
广西
西藏
宁夏
新疆
其他
其他
展开
 
全部
武汉
黄石
十堰
宜昌
襄阳
鄂州
荆门
孝感
荆州
黄冈
咸宁
随州
恩施土家族苗族自治州
仙桃
潜江
天门

湖北有色金属理论与应用

免费发布技术信息>>
锂电池正极片扫粉系统

本发明公开了一种锂电池正极片扫粉系统,包括托板及横板,托板的两侧沿上固定连接有相对的支板,支板顶端一体固定有两根相对的支柱,支柱相对的侧面上设置有凹槽,凹槽内等距离固定连接有弹片,弹片的自由端倾斜向下,并伸出凹槽外,所述横板水平设置在相对的支柱之间,使横板架设在两个支板上,横板的两端侧面上设置有竖直向下倾斜的切槽,横板的底面固定连接有一厚度的海绵,在人工一张张抽取正极片送往卷绕机时,支板上的横板通过海绵将正极片上的碳粉清扫下来,随着正极片数量的减少,横板沿着支柱下降,实现将送往卷绕机的每片正极片上的碳粉清扫干净,从而不影响初步的电池块的储电性能。

标签:
加工技术
湖北 - 宜昌 来源:中冶有色网 2023-03-18
锂电池自动分选装置
锂电池自动分选装置 1168     
 0

本发明公开了锂电池自动分选装置,包括底座,底座的上端固定连接有分选台,分选台的两侧位于底座上分别固定连接有第一输送带和第二输送带,本发明的有益效果是:通过在分选台上端重力感应器的设置,以及分选台两侧分别固定连接有第一液压缸和第二液压缸设计,从而使重力感应器对电池质量进行分选后,能有效通过通过控制器处理后,通过相应液压缸伸缩,将质量合格的电池与质量不合格的电池进行分类推送到相应输送带中,从而通过输送带输送作用,多分类后的电池进行有效收集,更实用,加工效率更高。

标签:
加工技术
湖北 - 荆门 来源:中冶有色网 2023-03-18
基于新息协方差带渐消因子的EKF锂离子电池SOC估算方法

本发明提供一种基于新息协方差带渐消因子的EKF锂离子电池SOC估算方法,其特征在于,包括以下步骤:步骤1.建立二阶双极化等效电路模型并进行离散化;步骤2.进行模型参数的辨识,获取开路电压UOCV,欧姆内阻R0,极化电容CP1、CP2,极化电阻RP1、RP2,和SOC的函数关系;步骤3.进行SOC估算,包括:步骤3‑1.基于安时积分法和二阶双极化等效电路的离散方程建立状态方程和观测方程:步骤3‑2.时间更新;步骤3‑3.计算卡尔曼增益;步骤3‑4.测量校正;步骤3‑5.循环迭代。本方法能够有效解决噪声统计特性不能在估算过程中进行自适应和状态突变而容易导致估算精度下降、滤波不收敛的问题。

标签:
加工技术
湖北 - 武汉 来源:中冶有色网 2023-03-18
锂电池电极浆料搅拌清洗两用的搅拌器

锂电池电极浆料搅拌清洗两用的搅拌器,包括:搅拌杆,设在所述搅拌杆下端且垂直于所述搅拌杆均匀设置的三个搅拌桨叶,设在所述搅拌杆两侧且位于所述搅拌桨叶上方的第一桨叶和弧形的第一搅拌框,设在所述搅拌杆上且位于所述第一桨叶上方的弧形的第二搅拌框,设在所述搅拌杆上且位于所述第一搅拌框上方的第二桨叶;其中所述搅拌桨叶、所述第一桨叶和所述第二桨叶这多个桨叶末端均设有可拆卸的清洗刷。结构简单,运行稳定,能有效地将物料混合均匀且不产生气泡,同时能方便快捷地清洗搅拌机内部。

标签:
加工技术
湖北 - 荆门 来源:中冶有色网 2023-03-18
锂电池多并多串电池智能配组方法及其专用设备

一种锂电池多并多串电池智能配组方法及其专用设备,工作平台两端对应分别设有进口输送拉带、出口输送拉带,进口端输送拉带上装有扫描电芯条码、测试电芯的电压内阻并将数据传递给数据采集模块、且用于从电芯数据库上采集数据的第一扫码枪,工作平台进口端装有分选机器人,工作平台出口端装有配组机器人,出口端输送拉带上装有第二扫码枪;还包括一个处理器。本发明通过扫码枪和电芯数据库采集电芯电性数据,数据通过配组得出最优配组方案并进行信息绑定,然后通过机器人完成电芯配组物理绑定。本发明有益效果在于:无落配电芯,减少搬运浪费;真正做到准确、可靠分档分选配组出充放电各项性能指标一致性的多并电池组,保证了电池组的整体使用寿命。

标签:
加工技术
湖北 - 襄阳 来源:中冶有色网 2023-03-18
电芯的化成陈化方法以及锂离子电池

本发明提供了一种电芯的化成陈化方法以及锂离子电池。所述化成陈化包括以下步骤:(1)对第一静置后的电芯进行负压加压处理,以第一电流对所述电芯进行第一恒流充电后做第二静置处理,再以第二电流对所述电芯进行第二恒流充电后进行第三静置处理,得到完成化成的电芯;(2)对步骤(1)所述完成化成的电芯进行40~50℃的第四静置后再进行70~80℃的第五静置,得到完成化成陈化的电芯。本发明通过优化陈化方案,让多余的H2O在陈化过程中就反应掉,有效降低电芯水分含量,避免电芯成品后引发更多副反应,从而提高电芯的高温存储和循环性能。

标签:
加工技术
湖北 - 荆门 来源:中冶有色网 2023-03-18
锂电池涂布设备溶剂及热量回收装置

本实用新型提出了一种锂电池涂布设备溶剂及热量回收装置,其包括气体换热器、排风风机及水洗塔,排风风机与涂布机的排风口相连接,气体换热器的两端分别与排风风机及水洗塔相连接,还包括废液输送泵、废液存储存罐及新风除湿装置,废液输送泵的两端分别连接水洗塔及废液存储存罐,气体换热器上设置有进风管及回风管,新风除湿装置用于去除新风空气中的水分,新风除湿装置的出风口与进风管相连接,回风管与涂布机的回风口相连接。本实用新型通过新风除湿装置对气体换热器换热,一方面降低进入水洗塔内废气的温度,提高NMP回收效率,另一方面,换热后,新风温度升高,可以减少涂布机回风加热能耗增加,使能量合理回收利用,节能环保高效。

标签:
加工技术
湖北 - 武汉 来源:中冶有色网 2023-03-18
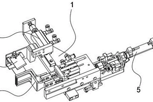
磷酸铁锂电池芯包宽幅卷绕机

一种磷酸铁锂电池芯包宽幅卷绕机,它由极片和隔膜输送机构、隔膜卷绕机构和隔膜切断机构组成。本发明的优点是:本发明替代了现有的人工或半自动电池卷芯卷绕机,提高了工作效率,降低劳动强度,提高了产品质量。?

标签:
加工技术
湖北 - 荆门 来源:中冶有色网 2023-03-18
新型电极及包含该电极的锂离子电池

本发明公开了一种新型电极及包含该电极的锂离子电池。所述电极含有集流体和涂覆在所述集流体上的浆料,所述浆料的原料组分包括:酯类粘结剂、辅助剂、导电剂和分散剂,其中,所述辅助剂为碱。所述方法为:1)将酯类粘结剂和碱加入去离子水中,搅拌,制备得到胶液;2)将导电剂和分散剂加入去离子水中混合并预分散,得到预分散料;3)继续对步骤2)得到的预分散料进行分散,并在分散的过程中加入步骤1)得到的胶液,得到浆料;4)将浆料涂覆到集流体上,干燥得到电极。采用本发明的浆料制备得到的电极中,导电涂层具有非常好的一致性和对铝箔的粘附力,兼具导电涂层超薄和不漏箔的效果,有效地解决了电池空间利用率低和电池容量低的问题。

标签:
加工技术
湖北 - 荆门 来源:中冶有色网 2023-03-18
锂电池焊接贴胶装置
锂电池焊接贴胶装置 1074     
 0

一种锂电池焊接贴胶装置,其结构包括功能面板、显示屏、电路板、功能键、活动杆、固定块、连接块、贴胶头、操作台、支撑座、支撑脚、壳体、面板,功能面板设于壳体顶部,功能面板与壳体为一体化结构,显示屏设于功能面板右侧,显示屏与功能面板处于同一水平面上,功能键设于显示屏左侧,功能键与显示屏电连接,电路板安装于功能面板下,电路板与功能面板互相平行,电路板与功能面板电连接,活动杆与固定块活动连接,其有益效果是:设有主控制芯片、感应芯片、校准芯片、驱动芯片,芯片驱动设备的运行,可以提高设备的工作效率,满足生产需求,实用性高。

标签:
加工技术
湖北 - 荆门 来源:中冶有色网 2023-03-18
抗挤压锂电池结构
抗挤压锂电池结构 971     
 0

一种抗挤压锂电池结构,属于动力电池技术领域。包括箱体总成和上盖总成,所述箱体总成包括箱体、电芯、载体;所述上盖总成包括上盖、BMS板,BMS板上装有电气件一、正极输出排、正极插针排、电气件二、负极输出排、负极插针排;正极输出排经电气件一与正极插针排联接,负极输出排经电气件二与负极插针排联接,正极插针排、负极插针排分别与载体上的两插针孔对应装配;所述插针孔处有绝缘防护结构;所述正极插针排与负极插针排经上盖隔块隔离。它主要是提供一种电池包抗挤压结构,防止电池包在受Y向挤压载荷时,电池包内部电气件相互接触,造成内短路,从而规避起火、爆炸的风险;本实用新型结构简单、附加成本低,易于实现。

标签:
加工技术
湖北 - 武汉 来源:中冶有色网 2023-03-18
用于锂电池的套扣圈装置

一种用于锂电池的套扣圈装置,其包括两第二立柱、多个第三立柱及水平设置的第二上固定板和第二下固定板方;第二下固定板上固定有竖直设置且上下两端开口的两个第二导料筒;第二上固定板和第二下固定板之间设有竖直设置的两个第二压料筒;台面和第二下固定板之间设有竖直设置的两个第二顶料筒;引料板固定盖设在第二下固定板上,引料板下端中部朝上凹陷并与第二下固定板及第二导料筒合围形成拨料板活动腔,引料板的右端开设有与拨料板活动腔左右连通的两个扣圈进料口,拨料板的右端对应形成两个弧形的拨料槽口。其能够任其代替部分人工进行套扣圈套工序,降低了工人的劳动强度,提高了生产效率。

标签:
加工技术
湖北 - 荆门 来源:中冶有色网 2023-03-18
用于锂电正极材料的辊道窑烧结用匣钵

本实用新型涉及匣钵的技术领域,特别是涉及一种用于锂电正极材料的辊道窑烧结用匣钵,其对升降板与匣钵本体之间的接缝进行堵塞,之后将物料倒入至匣钵本体的内部,再通过辊道窑对匣钵本体内的物料进行烧制,之后烧制完成后,通过将金属杆伸入至穿孔中,旋转旋转把手,经穿孔传动,使升降板上升,将匣钵本体内的物料推出至匣钵本体顶端,同时通过补偿机构将匣钵本体内壁上残留的大部分物料刮掉,从而提高设备的实用性;包括匣钵本体、框架、排料装置和导向装置,框架的顶端与匣钵本体的底端相连接,排料装置和导向装置均安装于匣钵本体底部,所述框架对匣钵本体进行支撑,排料装置对物料进行升降,导向装置对排料装置进行导向。

标签:
加工技术
湖北 - 孝感 来源:中冶有色网 2023-03-18
用于锂电池涂布机的可升降加热装置

本实用新型属于涂布机的加热技术领域,且公开了一种用于锂电池涂布机的可升降加热装置,包括支架,在所述支架的上方安装有加热装置;所述基材贯穿加热装置,且所述加热装置包括箱体,在所述箱体的内部安装有多个线圈,且在每个线圈的内部均设置有热芯;在所述箱体的顶部安装有鼓风扇,本实用新型通过涡流感应原理使热芯快速升温,将具有一定温度的空气吹向基材表面的涂料,使其快速干燥凝结,在此过程中,转页罩匀速转动,将热气流间接性打断,使其接近于自然风后通过风孔排出,该结构利用涡流加热不仅升温快,实用性强,而且能够使热气流更加温和地吹向基材和涂料,使其受热面能够均匀受热。

标签:
加工技术
湖北 - 十堰 来源:中冶有色网 2023-03-18
锂电池包膜机二字裁切装置

本实用新型提出了一种锂电池包膜机二字裁切装置,其设置有一处调节件,调节件上安装有两个刀片,调节件能够带动两个刀片实现相对靠近或分离;调节件的主要组件为设置有右旋螺纹和左旋螺纹的丝杆,两个刀片通过两个滑板和两个螺母座分别与丝杆的右旋螺纹和左旋螺纹相连接,丝杆通过伺服电机驱动,滑板通过滑轨进行移动导向,如此,在伺服电机驱动丝杆转动时,右旋螺纹和左旋螺纹会带动两个螺母座相对靠近或分离,以此带动两个滑板和两个刀片的相对靠近或分离,实现快速调整刀距,具有操作方便,能够提高加工效率的优点;本装置中还设置有专门夹持蓝膜的夹持机构,其夹持蓝膜后,蓝膜的张紧较好,有利于提高裁切效率。

标签:
加工技术
湖北 - 武汉 来源:中冶有色网 2023-03-18
锂电池极片对辊机用刮辊装置

本实用新型涉及一种锂电池极片对辊机用刮辊装置,包括底座,所述底座的顶部固定连接有装置本体,所述装置本体内腔的前后两侧通过辅助辊活动连接,所述装置本体的驱动端固定连接有传送辊,在装置本体左侧的上下两侧均固定连接有刮辊组件。本实用新型通过对刮辊组件的改进,设置有复位弹簧,保证了滑块在滑轨内弹性活动,因此两个刮板分别与辅助辊和传送辊弹性接触,当滚轴上出现粘黏物不易刮除时,避免硬性接触,从而保证了刮板的使用寿命,避免刮板出现损伤的问题,当刮板出现问题,弹性接触的设计能够避免两个刮板对辅助辊和传送辊造成刮痕。

标签:
加工技术
湖北 - 孝感 来源:中冶有色网 2023-03-18
锂锰一次电池直线式焊接贴胶线

本实用新型的一种锂锰一次电池直线式焊接贴胶线,其实现能自动对工件完成上料传送、精准定位、极耳预焊、极耳主焊、极耳裁切且修角、CCD检测、极耳全表面贴胶、极耳折弯、极耳下表面贴胶、极耳上表面贴胶和工件换向,及对换向后的工件再次进行极耳预焊、极耳主焊、极耳裁切且修角、CCD检测、极耳全表面贴胶、极耳折弯、极耳下表面贴胶、极耳上表面贴胶、CCD检测和绝缘测试,其生产效率高、加工精度高、加工效果好和产能高,并可兼容单双头极耳电芯,其通过采用直线式分布的方式均匀地设置各个机构的位置,此排列方式便于对各道工艺进行调整,使其能适合对多种不同的产品进行生产,其通用性强和操作灵活性强。

标签:
加工技术
湖北 - 武汉 来源:中冶有色网 2023-03-18
圆柱锂电池测试装置
圆柱锂电池测试装置 1081     
 0

一种圆柱锂电池测试装置,包括夜光灯按钮、测试装置机壳和散热风扇,所述夜光灯按钮的一侧设有操作按钮,且操作按钮的一侧设有液晶屏,所述测试装置机壳的一端设有电池槽,且电池槽的外表面设有滑动负极,所述滑动负极通过电池槽和测试装置机壳固定连接,所述测试装置机壳的一侧设有直流电源接口,所述散热风扇和测试装置机壳固定连接,所述散热孔的下方设有橡胶脚垫,所述测试装置机壳的外表面设有测试装置保护罩,且测试装置保护罩的内表面设有卡扣。其设有滑动负极、散热风扇和夜光灯按钮,能够兼容日常各种电池类型,并能主动为测试装置散热降温,为夜晚视野不佳时提供照明效果,适用不同工作状况,带来更好的使用前景。

标签:
加工技术
湖北 - 荆门 来源:中冶有色网 2023-03-18
锂电池压合机卸料机构

本实用新型提供了一种锂电池压合机卸料机构,压板的下表面设置有与入料孔一一对应的压头,压头能够插设在入料孔内;卸料机构包括一卸料板,卸料板上开设有与入料孔一一对应的卸料孔,压板通过一轴承连接有一同步盘,同步盘的下表面固定设置有一对准杆,对准杆的下端具有一楔型的插头,料膛上开设有一避让孔,对准杆插设在避让孔内,卸料板上开设有一定位孔,定位孔内壁具有一插头对应的斜面,且在插头上行时,卸料孔与入料孔正对,插头下行时,卸料孔堵塞入料孔的下端开口。本实用新型具有能够快速卸料等优点。

标签:
加工技术
湖北 - 咸宁 来源:中冶有色网 2023-03-18
锂电池隔膜制造用的铸片辊除油装置

本实用新型提出了一种锂电池隔膜制造用的铸片辊除油装置,包括:机架,机架上水平安装有铸片辊;转换装置,包括拆装组件及驱动组件,拆装组件水平设置在铸片辊正上方,拆装组件上活动安装有第一刮刀和第二刮刀,驱动组件安装在机架上并与拆装组件相连接,用于选择性驱使拆装组件旋转以使第一刮刀或第二刮刀和铸片辊的辊面接触。通过驱动组件驱动拆装组件旋转,可以带动两个刮刀旋转,当其中一个刮刀刮油效果变差时,通过驱动组件可以对两个刮刀进行位置变化,使另外一个刮刀替补进行刮油作业。相对于单片刮刀相比,本实新型的两组刮刀可以替补作业,减少了对刮刀更换频次,保证了隔膜制造过程的连续性,不影响隔膜的产量,保证了高产能。

标签:
加工技术
湖北 - 武汉 来源:中冶有色网 2023-03-18
带有内置锂电池的新型主动声源探测仪

本实用新型公开了一种带有内置锂电池的新型主动声源探测仪,具体涉及声源探测仪技术领域,包括探测仪壳体,所述探测仪壳体的上方设置有提杆,且探测仪壳体的两侧均固定连接有套块,所述套块的表面设有插孔,且套块的一侧表面设有限位孔,所述限位孔的内部嵌入设置有拨杆,所述拨杆的一端固定连接有压板。本实用新型设置拨杆、压板、多个弧形垫以及定位槽,压板进入限位腔的内部,提拉杆的一端插入到插孔,多个弧形垫与定位槽内壁贴合,实现了提拉杆与套块之间的连接,通过提杆将探测仪壳体提升运输,设置安装壳,探测线穿过多个线孔,多余的探测线隐藏在安装壳的内部,对探测线进行收纳整理。

标签:
加工技术
湖北 - 武汉 来源:中冶有色网 2023-03-18
锂离子电池生产用防潮性存放装置

本实用新型公开了一种锂离子电池生产用防潮性存放装置,包括处理箱,所述处理箱底部外壁的一侧通过螺栓固定有第二电机,所述第二电机输出轴的一端键连接有转轴,所述处理箱底部内部的一侧固定连接有轴承,轴承的内部插接有转杆,转轴远离电机的一端固定连接在转杆的底端,所述转杆的外壁上套接有等距离分布的存放盘,所述存放盘的顶部外壁开有等距离分布的存放槽,所述存放盘的圆周外壁上开有等距离分布的侧透孔。本实用新型第一电机带动旋转扇叶转动将加热电阻产生的热风透过网孔隔板吹入到处理箱的另一侧,热风通过存放盘外壁的侧透孔给存放槽内的电池干燥,该方法干燥均匀,防潮效果好。

标签:
加工技术
湖北 - 天门 来源:中冶有色网 2023-03-18
烟雾报警器专用锂锰软包装电池结构

本实用新型提供了一种烟雾报警器专用锂锰软包装电池结构,至少包括带正极耳和负极耳的软包装电池,软包装电池的端部设有PCB保护板,所述PCB保护板的内表面上设有正极触点和负极触点,PCB保护板的正极触点和负极触点与软包装电池的正极耳和负极耳对应焊接固定,PCB保护板的外表面上设有正负极触爪,软包装电池上套设有封闭的塑料外壳,塑料外壳的尺寸与软包装电池的尺寸相匹配,软包装电池和PCB保护板均封装于塑料外壳中,PCB保护板的正负极触爪突出于塑料外壳外;极耳与PCB保护板焊接,能够有效避免软包装电池极耳强度不够的问题,电池装入塑料外壳中,能够防止电池的铝塑膜外壳被损坏,避免水分进入引发电池鼓胀。

标签:
加工技术
湖北 - 武汉 来源:中冶有色网 2023-03-18
锂电池加工用浆料混合装置

本实用新型公开了一种锂电池加工用浆料混合装置,包括主体,所述主体的两侧内壁均分别转动连接有第一螺旋杆和第二螺旋杆,第一螺旋杆和第二螺旋杆之间焊接有连接杆,所述第一螺旋杆和所述第二螺旋杆的螺旋方向相反,所述第二螺旋杆的一侧设有驱动机构,所述主体的顶端开设有若干入料口,主体在入料口处焊接有入料筒,所述驱动机构包括电动机,主体的一侧焊接有固定盒,电动机处于固定盒的内部。本实用新型通过设置第一螺旋杆和第二螺旋杆,电动机带动第二螺旋杆转动,第二螺旋杆通过连接杆带动第一螺旋杆转动,螺旋方向相反的第一螺旋杆和第二螺旋杆同步转动,会将浆料向中部挤压,从而使从不同入料筒下来的原料均能充分挤压、混合。

标签:
加工技术
湖北 - 武汉 来源:中冶有色网 2023-03-18
基于磷酸铁锂电池的散热器

本实用新型涉及散热装置技术领域,且公开了一种基于磷酸铁锂电池的散热器,包括电池箱,所述电池箱的两侧均活动连接有散热板,所述散热板的外表面固定连接有固定板,所述固定板顶部和底部的内表面均活动连接有螺纹杆。通过散热板的使用,可以对电池箱的左右两侧进行散热,使得散热器可以对四周进行散热,从而提高了散热器的工作效率,使得散热器更加的实用,而螺纹杆和螺纹把手的使用,可以在两侧散热装置损坏是进行拆卸和安装,增加的散热器的功能性,且操作简单快捷,从而提高了拆卸和安装的工作效率,使得散热器更加的实用,且弹簧、减震杆和减震板的使用,可以减少散热器运行时产生的震动,从而提高散热器的使用寿命。

标签:
加工技术
湖北 - 黄石 来源:中冶有色网 2023-03-18
制冷空调蒸汽双效溴化锂吸收式冷水机组

本实用新型公开了一种制冷空调蒸汽双效溴化锂吸收式冷水机组,涉及冷水机组相关领域,为解决现有技术中的无法对机组内部产生的凝结水进行回收处理的问题。所述机组外壳的内部设置有高压发生器,所述高压发生器的一侧设置有凝结水管,所述凝结水管上设置有凝水回热器,所述高压发生器与凝水回热器通过凝结水管连接,所述凝水回热器的一侧设置有送水管,所述送水管与凝水回热器固定连接,所述送水管的上端设置有溶液泵,所述溶液泵一侧的上端设置有吸收器,所述吸收器与溶液泵通过水管连接,所述吸收器的上端设置有吸收器管簇,所述吸收器管簇与吸收器固定连接,所述机组外壳的前端设置有观察窗,所述机组外壳上端的一侧设置有第一喷淋器。

标签:
加工技术
湖北 - 武汉 来源:中冶有色网 2023-03-18
用于铝壳锂离子电池的注电解液装置

一种用于铝壳锂离子电池的注电解液装置,包括用于向电池注电解液的注液杯、用于将电解液注入注液杯的电解液缓存杯;注液杯下部设有用于向电池注液的注液嘴;还包括用于控制注液嘴开闭的密封组件。密封组件包括设于杯体内注液嘴处用于控制注液嘴开闭的密封头、位于杯体外与密封头传动连接的气缸。注液杯上部有进液口;进液口与电解液缓存杯出液口相连通;进液口与电解液缓存杯出液口之间有液阀。注液杯上部有通气口;通气口经管路一与气体分流器的气口一相连;气体分流器的气口二经气阀一与正压管路相连;气体分流器的气口三经气阀二与真空管路相连。本实用新型安装方便、通用性高,适用于小批量产品研发、快速换型,有效提高注液效率且节约成本。

标签:
加工技术
湖北 - 襄阳 来源:中冶有色网 2023-03-18
方形铝壳锂电池绝缘膜

本实用新型提出了一种方形铝壳锂电池绝缘膜,包括底膜,底膜用于包裹卷芯底面,底膜沿宽度方向两侧分别设置有侧膜,侧膜用于包裹卷芯厚度方向侧面,所述侧膜沿底膜长度方向的两侧分别设置有折叠膜,折叠膜用于包裹卷芯宽度侧面,所述折叠膜上固定设置有支撑板。本实用新型通过在折叠膜侧面固定设置支撑板,在电芯组装过程中,将底膜、侧膜及折叠膜通过折叠方式形成绝缘膜来包裹在卷芯外侧,然后将卷芯入壳,此时支撑板两侧可以对铝壳起到支撑作用,从而实现对电芯的刚度的提升;从而有效改善电芯在pack组成模组时,受到打包带的压力,侧边极易变形的问题,同时,避免单纯增加铝壳厚度来增加壳体刚度,导致电芯成本增加的问题。

标签:
加工技术
湖北 - 武汉 来源:中冶有色网 2023-03-18
可监测电芯运行状态的无线装置及其锂电池结构

本实用新型提供了一种可监测电芯运行状态的无线装置,包括处理器、温度检测单元、压力检测单元、实时时钟单元和无线传输单元;芯包密闭设置在锂电池的金属壳体内;处理器、两温度检测单元、压力检测单元和无线传输单元均设置在芯包表面;温度检测单元检测芯包的表面温度并输出温度检测信号;压力检测单元检测金属壳体内的气压并向处理器输出气压检测信号;实时时钟单元向处理器输出当前时间信息;无线传输单元间隔的将处理器接收到的温度检测信号、气压检测信号和当前时间信息进行无线传输。

标签:
加工技术
湖北 - 武汉 来源:中冶有色网 2023-03-18
锂离子电池电解液加注装置

本实用新型公开了一种锂离子电池电解液加注装置,包括立板,所述立板的顶部通过螺栓固定安装有顶板,所述顶板底部的两侧均通过螺栓固定安装有安装板,两块所述安装板之间一侧的前端及后端均通过螺钉固定安装有电动滑轨,所述电动滑轨之间一侧均安装设置有同一块滑动板,且滑动板的顶部开有若干圆孔,所述顶板底部通过螺栓固定安装有若干管体,且若干管体的顶部及底部均开有圆孔。本实用新型通过设置有电动滑轨、软管、压板、第一弹簧等装置,在使用时,电动滑轨带动滑动板进行下降,在滑动板下降的过程中带动软管及压板下降,压板下降进行挤压第一弹簧,在完成加注后面,在通过第一弹簧将压板及软管进行抬升,达到复位的效果。

标签:
加工技术
湖北 - 天门 来源:中冶有色网 2023-03-18
上一页 514 515 516 517 518 ... 1138 下一页
共1138页    到第

中冶有色为您提供最新的湖北有色金属理论与应用信息,涵盖发明专利、权利要求、说明书、技术领域、背景技术、实用新型内容及具体实施方式等有色技术内容。打造最具专业性的有色金属技术理论与应用平台!

全国热门有色金属设备推荐
展开更多 +
全国热门有色金属技术推荐
展开更多 +

 

江西省隆恩特环保设备有限公司
宣传

报名参会
更多+

报告下载

有色专家
更多+

东北大学
院长/教授
江西理工大学
副校长/教授
有研资源环境技术研究院(北京)有限公司
副总经理/教授级高工
北京航空航天大学、中国工程院
院士
中国有色金属工业协会
教授级高级工程师
赤泥综合利用研究报告2025
推广

热门技术
更多+

推荐企业
更多+

福建省金龙稀土股份有限公司
宣传

发布

在线客服

公众号

电话

顶部
咨询电话:
010-88793500-807