青岛垚鑫智能科技有限公司
宣传

位置:中冶有色 >

有色技术频道 >

分类:
全部
矿山技术
冶金技术
材料制备及加工技术
环境保护技术
分析检测技术
地区:
全部
北京
天津
上海
重庆
河北
山西
辽宁
吉林
黑龙江
江苏
浙江
安徽
福建
江西
山东
河南
湖北
湖南
广东
海南
四川
贵州
云南
陕西
甘肃
青海
内蒙
广西
西藏
宁夏
新疆
其他
其他
展开
 
全部
上海

上海有色金属理论与应用

免费发布技术信息>>
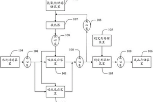
酸性蚀刻液循环再生铜回收系统中氯气处理装置

本发明涉及工业废水处理技术领域,尤其是涉及一种酸性蚀刻液循环再生铜回收系统中氯气处理装置,包括氢氧化钠存储装置、稳定剂添加装置和吸收反应装置;所述氢氧化钠存储装置的出液口与所述吸收反应装置的第一进口相连通,所述吸收反应装置的出液口与所述稳定剂添加装置的第一进口相连通;所述吸收反应装置的个数为一个或多个。本发明解决了酸性蚀刻液回收系统氯气的排放问题,让危险废气得到回收再利用,变成有经济价值的合格的次氯酸钠副产品,整个回收过程操作简单、安全节能。

标签:
废水处理
上海 - 上海 来源:中冶有色网 2023-03-19
碳纳米管掺杂型碱性阴离子交换复合膜及其制备方法和应用

本发明涉及一种碳纳米管掺杂型碱性阴离子交换复合膜及其制备方法和应用,复合膜包括质量比为1:0.5~1的含氧基水溶性聚乙烯醇PVA和含有季铵基团的水溶性聚合物以及两者总量0.5~3wt%的碳纳米管。制备方法:将含氧基水溶性聚乙烯醇溶于去离子水中,于90℃下加热搅拌至透明均一溶液;将含有季铵基团的水溶性聚合物和碳纳米管分别溶于去离子水中,混合至均一溶液,干燥成膜,得到聚合物膜;将上述聚合物膜进行交联处理,最后进行离子交换,即得。复合膜应用于燃料电池、金属-空气电池、氯碱工业及废水处理。本发明的复合膜兼具有较高的氢氧根离子传导率以及优良的稳定性和耐久性,制备简单、成膜性好、成本低、绿色环保。

标签:
废水处理
上海 - 上海 来源:中冶有色网 2023-03-19
含有铁镍双金属纳米颗粒的复合纳米纤维毡的制备方法

本发明涉及一种含有铁镍双金属纳米颗粒的复合纳米纤维毡的制备方法,包括:(1)配制聚丙烯酸/聚乙烯醇聚电解质混合溶液;(2)以上述的聚丙烯酸/聚乙烯醇聚电解质混合溶液为纺丝原液进行静电纺丝,得到纳米纤维毡,然后热交联处理,得到水稳定性纳米纤维毡;(3)将上述的水稳定性纳米纤维毡浸入可溶性二价铁盐溶液中,还原后,再浸入可溶性镍盐溶液中,漂洗干燥,即得;或将上述的水稳定性纳米纤维毡浸入可溶性二价铁盐和可溶性镍盐的混合溶液中,漂洗后还原,最后漂洗干燥,即得。本发明的纤维毡比表面积大,孔隙率高,有效地固定了铁镍双金属纳米颗粒,在处理有机物废水时有效地防止二次污染;本发明的制备简便,具有工业化实施前景。

标签:
废水处理
上海 - 上海 来源:中冶有色网 2023-03-19
用于分离放射性铯元素的有机/无机复合吸附剂及其制备方法

本发明公开了一种用于分离放射性铯元素的有机/无机复合吸附剂及其制备方法。本发明的有机/无机复合吸附剂是通过溶胶‑凝胶法将海藻酸钙包埋的无机离子交换剂负载到沸石载体的孔道内复合得到;所述无机离子交换剂为杂多酸盐,无机离子交换剂的质量百分比为2~20%。本发明的有益效果在于:提供的复合吸附剂具有吸附速度快,吸附效率高,二次废物的产生量少等优点,适合于工业规模的含放射性铯废水的高效处理工艺。

标签:
废水处理
上海 - 上海 来源:中冶有色网 2023-03-19
铜系催化剂、制备方法及其应用

本发明公开了铜系催化剂、制备方法及其应用。本发明提供了一种铜系催化剂的制备方法,包括以下步骤:步骤1:将铜、锌和铝的可溶性盐和溶剂形成的溶液与铵类沉淀剂和溶剂形成的溶液混合进行沉淀反应,得到共沉淀物前驱体;步骤2:将共沉淀物前驱体经陈化、过滤、洗涤、干燥、焙烧得到共沉淀物;步骤3:将共沉淀物压片,或者将共沉淀物与石墨混合、压片得到铜系催化剂。本发明的制备方法不使用含碱金属离子的沉淀剂,避免废水污染,条件更易控制,且制备重复性好,可降低脂肪醇脱氢催化剂的制备成本,具有工业化潜力。本发明的铜系催化剂,可有效增大催化剂比表面积,提高活性组分在载体上的分散度,提高催化活性、选择性和稳定性。

标签:
废水处理
上海 - 上海 来源:中冶有色网 2023-03-19
一步法生产邻氨基苯甲酸甲酯的生产工艺

本发明涉及一种一步法生产邻氨基苯甲酸甲酯的生产工艺。其技术方案是具体步骤如下:(1)0℃以下,在反应容器中加入N‑氯代邻苯二甲酰亚胺,甲醇和水,其中N‑氯代邻苯二甲酰亚胺和甲醇的摩尔比为1:2~1:20;(2)按液碱和N‑氯代邻苯二甲酰亚胺的摩尔比为1.2:1~3:1,滴加液碱,滴闭搅拌20分钟;(3)升温到50~80℃反应一个小时后,自然降温,静置十小时分层,下层即得产品邻氨基苯甲酸甲酯。有益效果是:本发明收率非常高,生产所需设备少,成本低,在一个反应容器内完成邻氨基苯甲酸甲酯的合成过程,生产过程中产生的废水少,COD和氨氮指标均大大降低,对环境污染很小,生产简单,安全,适合工业化生产。

标签:
废水处理
上海 - 上海 来源:中冶有色网 2023-03-19
双效气浮高藻水处理设备及其处理工艺

本发明公开了一种双效气浮高藻水处理设备,池体前部设有混合反应区,与混凝反应区连通的气水接触室,其特征在于气水接触室的上部开口与位于池体上部的固液分离区连通,固液分离区下方设有电解区,电解区的下方设有集水区,该集水区内设有穿孔集水网管,所述穿孔集水网管与出水总管连接,所述穿孔集水网管下方设有集泥斗。本发明水处理工艺将加药混合反应工艺与气浮工艺集于一体、溶气气浮工艺与电解气浮工艺集于一体、气浮处理与电极氧化工艺集于一体,将此三种功效聚集一体的设备可大幅提高高藻污染源水的处理效率,同时本设备因其处理高效率、操作和调整便利、占地省、能耗低,也可广泛地应用于各种高难度工业废水处理。

标签:
废水处理
上海 - 上海 来源:中冶有色网 2023-03-19
真空隔热板用玻璃纤维芯材的制备方法

本发明公开了一种真空隔热板用玻璃纤维芯材的制备方法,采用干法热压成型工艺,以短切玻璃纤维为原料,包括如下步骤:称料、粗梳、精梳、气流分散铺网、高温热压、裁切收卷、打包;其中,在所述气流分散铺网的同时采用自动补料系统进行自动补料,使所得的网层表面平整。本发明一种真空隔热板用玻璃纤维芯材的制备方法,不产生工业废水,安全环保;所得芯材成为一个整体;通过具有一定长度的短切玻璃纤维的选用,使在成网过程中,玻璃纤维可以顺向水平分布,从根本上降低芯材中纵向纤维的含量;本发明所制备的芯材,表面平整,隔热性能优异,价格更加低廉,市场前景广阔。

标签:
废水处理
上海 - 上海 来源:中冶有色网 2023-03-19
MFBR污水处理装置和污水处理方法

本发明提供一种MFBR污水处理装置和污水处理方法,所述装置包括MFBR反应池,MFBR反应池内填设有生物填料,MFBR反应池的一端设有进水口,另一端设有出水口,沿从进水口至出水口的方向MFBR反应池依次被分隔为一阶降解区、中继分级区和二阶降解区,中继分级区分别与一阶降解区和二阶降解区连通;一阶降解区用于COD的降解,中继分级区用于对微生物进行筛选分级,培养出适合各个阶段的微生物;二阶降解区用于氨氮的降解;所述方法使用该MFBR污水处理装置进行污水处理。本发明可用于工业废水的处理、污水处理厂的提标改造,具有经济节能、基建投资和运行费用低、污水处理效果好、污水处理效率高、处理工艺简便易行等优点。

标签:
废水处理
上海 - 上海 来源:中冶有色网 2023-03-19
测定水中铜离子的显色检测片的制备和使用方法

本发明涉及一种测定水中铜离子的显色检测片的制备和使用方法,该铜离子显色检测片主要由盐酸羟胺、柠檬酸钠、2.9-二甲基-1,10-菲啰啉、氨基磺酸等混合而成,通过压片制成片剂,密封、避光保存。使用时直接将检测片浸入10毫升水样中,轻摇10分钟使检测片溶解,利用便携式分光光度计进行测量,即得水体中铜离子浓度。本发明的铜离子显色检测片携带方便,易于保管,使用时不需另加任何试剂,结果准确可靠,适合于地表水、地下水、海水、饮用水、污水、工业废水水等水体铜离子的现场定量检测。

标签:
废水处理
上海 - 上海 来源:中冶有色网 2023-03-19
真空隔热板用玻璃纤维芯材的制备方法

本发明公开了一种真空隔热板用玻璃纤维芯材的制备方法,采用干法热压成型工艺,以特定规格的短切玻璃纤维为原料,步骤如下:机械分散、机械梳理、纤维平铺成网、热压定型、裁切和称重测厚;其中,所述纤维平铺成网的方法为:采用物理撞击法将纤维以顺向平铺分布,形成层状结构并成网。本发明一种真空隔热板用玻璃纤维芯材的制备方法,采用干法热压成型工艺,不产生工业废水,安全环保;另外,通过特定短切玻璃纤维原料的选择,有效提高芯材的导热性能同时显著降低生产成本,所制备的芯材产品性能优异,成本低廉,具有广阔的市场前景。

标签:
废水处理
上海 - 上海 来源:中冶有色网 2023-03-19
环氧虫啶的合成方法
环氧虫啶的合成方法 702     
 0

本发明提供了一种环氧虫啶的合成方法,包括:步骤一,在反应器中加入溶剂、2‑氯‑5‑((2‑(硝基亚甲基)咪唑啉‑1‑基)甲基)吡啶、固体酸催化剂和丁二醛,控制一定温度保温反应;步骤二,反应结束后,直接过滤回收所述固体酸催化剂;然后对滤液进行蒸馏浓缩回收溶剂后再过滤得到所述环氧虫啶。本发明提供的方法避免了使用传统酸带来的后续处理需要中和产生大量含盐废水地问题,减轻了环保压力,使得生产更加绿色环保,过程简单流畅,反应条件温和,且产率高,适合工业化放大生产。

标签:
废水处理
上海 - 上海 来源:中冶有色网 2023-03-19
硫酸羟氯喹的制备方法

本发明公开了一种高纯度硫酸羟氯喹的制备方法。该方法以4,7‑二氯喹啉和羟氯喹侧链为原料直接制备得到盐酸羟氯喹,再用醇钠或醇钾中和,过滤浓缩,打浆,结晶得羟氯喹精制品,最后在一定的比例的纯水溶液中与硫酸进行成盐反应制得硫酸羟氯喹。本方法制备羟氯喹过程中避免了苯酚或其催化剂的使用,后处理也避免了萃取操作,产品纯度高,生产过程中基本不产生废水。本发明操作简便,收率高,制得的硫酸羟氯喹HPLC纯度≥99.6%,最大单个杂质≤0.1%,更适合工业化生产。

标签:
废水处理
上海 - 上海 来源:中冶有色网 2023-03-19
管式降膜反应器催化活化过硫酸盐处理系统及运行工艺

本发明公开了管式降膜反应器催化活化过硫酸盐处理系统及运行工艺,属于工业污水处理技术领域。它包括反应器、进水单元、出水单元和控制装置,反应器包括管式装置以及降膜反应区,进水单元与出水单元均与反应器相连通,进水单元包括进水管、进水泵以及布水管道,出水单元包括第二出水管和第一出水管,进水单元与反应器的管式装置连接;控制装置包括第一COD在线检测仪、第二COD在线检测仪、第一控制阀门、第二控制阀门、第三控制阀门、第一过硫酸盐投加器、第二过硫酸盐投加器。本发明将智能控制与膜催化活化高级氧化耦合,简单方便且有效的处理难降解废水。

标签:
废水处理
上海 - 上海 来源:中冶有色网 2023-03-19
高温挤出制粒真空洁净及能源回收系统

本发明公开的属于制粒洁净和能源回收利用技术领域,具体为一种高温挤出制粒真空洁净及能源回收系统,包括预分离系统、纳米精过滤系统和能源回收系统,并消除了VOA在产品中的异味现象,解决了在挤出、冷确、造粒、制粒环节的水污染产生的工业废水问题;解决了生产过程中造成的大量粉尘及产品中的细微粉尘、超细微粉尘的固废问题,从源头上解决及清除固废的产生,消除了细微粉尘对原料的浪费问题,节约原料,并节约了能源;实现远端互联、远端操控、运行数据时时存储、由日志记载、全程可追溯;通过风能的回收,能够直接或者间接的利用,能源利用率较高,且将风能用于发电,使得电能直接作用于其他的设备,减少损失。

标签:
废水处理
上海 - 上海 来源:中冶有色网 2023-03-19
加纳木霉菌及其应用
加纳木霉菌及其应用 763     
 0

本发明公开了一种加纳木霉菌,所述加纳木霉(Trichoderma ghanense)菌的菌株号TR2122,保藏号为CGMCC No.21025。本发明还公开了一种有机水溶肥,含有本发明加纳木霉菌发酵产生的加纳木霉菌发酵上清液。本发明通过发酵工艺,既解决了加纳木霉菌工业废水的环境污染问题,又使废物得到再利用,产生了环境与经济的双重效益。本发明制备的有机水溶肥不仅可以明显提高农作物的产量,改善农作物的品质,长期使用可以改良土壤环境以及增强植物的抗逆性和抗病性。

标签:
废水处理
上海 - 上海 来源:中冶有色网 2023-03-19
生产沙格列汀的方法
生产沙格列汀的方法 959     
 0

本发明提供了一种生产沙格列汀的方法,步骤包括:步骤1,提供化合物d;步骤2,将化合物d、异丙醇、浓盐酸在50-80°C反应,收集产物得到沙格列汀。与现有技术相比,本发明将化合物d直接转化为目的产物,从而大大的改良了反应的速率、提高了反应的产率,简化了后处理方法,大量减少了工业废水的产生。

标签:
废水处理
上海 - 上海 来源:中冶有色网 2023-03-19
脂肪酸甲酯的制备方法
脂肪酸甲酯的制备方法 1070     
 0

一种生物质燃料技术领域的脂肪酸甲酯的制备方法,通过向甲醇中加入水后和植物油或脂肪酸混合加入反应器进行酯化反应,经减压蒸馏生成脂肪酸甲酯和水。本发明降低超临界法制备生物柴油的反应温度和醇油比,从而降低超临界法制备生物柴油的能耗,使其工业化成为可能。本发明方法不需催化剂,不产生废水废气,不会造成任何环境污染。

标签:
废水处理
上海 - 上海 来源:中冶有色网 2023-03-19
双膜法浓水液体零排放的处理工艺

本发明公开一种双膜法浓水液体零排放处理工艺。该处理工艺包括如下步骤:将双膜法浓水经臭氧催化氧化处理,再由曝气生物滤池处理,然后经生物活性炭滤池处理,即可。该工艺流程简便,建设运行成本较低,管理简单,能有效处理双膜法浓水,并实现出水达到污水综合排放标准,极大减少了工业企业的废水排放对环境的污染,易于推广应用,具有极好的应用前景,具有重大环境效益。

标签:
废水处理
上海 - 上海 来源:中冶有色网 2023-03-19
水包油型乳化液脱稳的复合材料及其应用

本发明涉及一种水包油型乳化液脱稳的复合材料及其应用,该材料由以下组分及重量份含量的原料混配而成:高岭石50-70、蛭石20-30、Al2(SO4)31-3、蒙脱石5-10、CaCl21-4,该复合材料可单独或与其它处理工艺联合应用于乳化液脱稳。与现有技术相比,本发明材料原料来源广,成本低、配制工艺简单,应用方便,乳化液脱稳效果好,适用于工业企业的废乳液及乳化油废水的处理。

标签:
废水处理
上海 - 上海 来源:中冶有色网 2023-03-19
适用于海上气田复杂采出液处理的系统和方法

本发明提供一种适用于海上气田复杂采出液处理的系统和方法。处理系统包括脱固除油一体化分离器、涡流气泡发生器、紧凑气浮装置、保安过滤器、模块化组合纤维除油器、滤清器、袋式过滤器、模块化组合纤维脱水器。各装置协同作用将系统分离精度提升至1μm以上,高效处理的同时实现工业化应用在线清洗等功能,满足各类排海、回注生产水中石油类及悬浮颗粒物指标的要求,满足凝析油海管输送需求,尤其适用于海上气田,亦可应用于海上油田或陆地油气田的采出液/生产水/凝析油等液相处理。本发明在相同处理量下较目前常用流程设备占地面积小、处理精度高,亦可广泛应用于石油化工、煤化工等行业含油/含浊生产废水的除油及澄清。

标签:
废水处理
上海 - 上海 来源:中冶有色网 2023-03-19
热塑性聚氨酯弹性体/聚偏氟乙烯共混中空纤维膜的制备方法

本发明涉及一种热塑性聚氨酯弹性体/聚偏氟乙烯共混中空纤维膜及其制备方法,包括:(1)将热塑性聚氨酯弹性体和聚偏氟乙烯按质量百分比9∶1~6∶4共混,加入有机溶剂溶解,并加入添加剂,配置成溶液;(2)采用干-湿纺丝法工艺,将溶液在60~95℃温度下溶解,干纺程为2~20CM,挤出体积流速为2.5~10ML/MIN,纺丝液温度为20~90℃,芯液的质量百分浓度为0~80%的溶剂溶液,凝胶浴的质量百分比浓度为0~50%的溶剂溶液,凝胶浴温度控制在5~50℃,即得该膜。本发明的共混中空纤维膜具有良好的分离性能,可以广泛应用于工业废水的深度处理以及回用。

标签:
废水处理
上海 - 上海 来源:中冶有色网 2023-03-19
多功能环糊精基磁性纳米小球及其制备方法与应用

本发明公开了一种多功能环糊精基磁性纳米小球的制备方法,其特征在于,以环糊精、Fe3O4、钛酸酯、N,N‑二甲基甲酰胺为原料,利用分散剂和交联剂经交联反应,冷冻干燥后制备得到多功能环糊精基磁性纳米小球。本发明制备的多功能环糊精基磁性纳米小球具有磁性、抗菌性及较高的比表面积,可对工业废水中的污染物催化降解或还原,达到清洁水体目的。

标签:
废水处理
上海 - 上海 来源:中冶有色网 2023-03-19
头孢他啶五水合物的制备方法

本发明公开一种头孢他啶五水合物的制备方法,按照下述步骤进行:步骤一、在一溶解罐中注入注射用水,加入头孢他啶盐酸盐,溶解后,投入活性炭脱色,过滤,滤液待用;步骤二、向另一个溶解罐中注入注射用水,加入头孢他啶盐酸盐,溶解后,投入活性炭,脱色,过滤,滤液转入结晶罐;步骤三、向第二步中的结晶罐中滴加碱溶液,调PH到4.0-6.0,再滴加第一步中的滤液使PH值回调至3.6,保持温度0-10℃,搅拌,结晶;步骤四、养晶3-4小时后过滤,滤饼用冷水和丙酮分别洗涤,真空干燥2-3小时,得到头孢他啶五水合物晶体。其优点是:节约资金、简化工艺、减少废气废水排放;操作简便,适合工业化生产;纯度高、收率高。

标签:
废水处理
上海 - 上海 来源:中冶有色网 2023-03-19
沉淀法循环生产热塑性硫酸钡酚醛树脂的工艺

本发明提供了一种沉淀法循环生产热塑性硫酸钡酚醛树脂的工艺,包括步骤:依据合成树脂配方,在带有冷却器、搅拌器的反应釜中加入酚、固体醛和水,加热至50~80℃解聚后加硫酸催化反应到取样样品在20℃水中不粘手微硬;冷却反应物料至95~96℃,在搅拌下加入氢氧化钡终止催化反应;氢氧化钡中和硫酸,生成水和硫酸钡沉淀,使反应物料pH值为7,先常压再真空脱水得半透明固体热塑性硫酸钡酚醛树脂产品和缩聚脱水馏分;缩聚脱水馏分回用至反应釜中,循环生产。本发明废水零排放,有利于环境保护,适合工业化生产,具有良好的经济效益。

标签:
废水处理
上海 - 上海 来源:中冶有色网 2023-03-19
以二硫代羧酸盐为侧基及端基的乙氧化三羟甲基丙烷芯超支化聚合物及螯合金属的应用

本发明提供了一种以二硫代羧酸盐为侧基及端基的乙氧化三羟甲基丙烷芯超支化聚合物以及制备方法和作为重金属螯合剂的应用,涉及化工及环境保护技术领域。本发明提供的以二硫代羧酸盐为侧基及端基的乙氧化三羟甲基丙烷芯超支化聚合物化学式为CH3CH2C[CH2OCH2CH2OCOCH2CH2N(CSSM)CH2CH2NHCSSM]3,式中M为Na+、K+或NH4+。本发明提供的超支化聚合物制备方法简单,原料易得,易于工业化。所述超支化聚合物可作为重金属螯合剂使用,其特殊的三维空间结构可与重金属交替螯合形成溶解度低、稳定性强的三维超大分子结合体,可有效处理含重金属的废水和废物。

标签:
废水处理
上海 - 上海 来源:中冶有色网 2023-03-19
蒸馏气体再冷凝收集系统

本发明公开一种蒸馏气体再冷凝收集系统,该系统包括单向压力阀;排气管,单向压力阀设置在排气管的顶部;低温冷却器,其与排气管连接;低温冷却器内置隔板;温度传感器,其设置在低温冷却器上;连接管,其设置在低温冷却器的底部;收集罐;水冷凝器;真空泵以及蒸馏塔。本发明有效降低生产实践中的能耗,减少污染,可广泛用于对液体的蒸馏、蒸发的收集以及对含少量溶剂的废水的回收处理等生产实践中,在化工、制药、环保等规模化工业产业中大有应用前景。

标签:
废水处理
上海 - 上海 来源:中冶有色网 2023-03-19
高效混凝土减水剂及其制备方法

本发明公开了一种高效混凝土减水剂及其制备方法,通过回收利用造纸废液中的木质素磺酸盐并对其进行处理,与聚羧酸减水剂复配,得到了一种具有良好减水性能的高效混凝土减水剂。本发明回收工业废水作为原料,利于环境保护,并且本发明能够延缓减水剂变质进程,提升使用寿命,改善了聚羧酸减水剂的易用性,节约了使用成本。

标签:
废水处理
上海 - 上海 来源:中冶有色网 2023-03-19
棒状多孔半导体介晶催化材料的制备方法

本发明属于材料化学技术领域,具体涉及一种棒状多孔半导体介晶催化材料的制备方法。本发明采用常压自诱导法,将相应的锌源、铁源和银源加入到敞口容器中,加入无水乙醇搅拌均匀后水浴加热至80℃,再逐滴加入草酸的乙醇溶液,恒温搅拌一定时间后,将反应液连同敞口容器放到烘箱中烘干,最后在一定温度下煅烧,即可获得棒状多孔银包覆铁掺杂氧化锌半导体介晶催化材料。该银包覆铁掺杂氧化锌介晶纳米材料在可见光下光催化性能优良,可循环使用,易回收,能够作为催化材料高效催化降解工业废水,弥补氧化锌纳米粉体应用上的不足。

标签:
废水处理
上海 - 上海 来源:中冶有色网 2023-03-19
聚合氯化铁铝复合混凝剂的制备方法

本发明涉及一种无机高分子混凝剂的制备方法,尤其是利用盐酸酸洗废液和铝酸钙粉制备聚合氯化铁铝复合混凝剂的制备方法,属化学化工技术领域。本发明的特点在于:根据盐酸酸洗废液游离酸含量及含铁量,控制其中的Fe2+浓度为75~90g/L,以它为铁源;又采用铝酸钙粉为铝源,其中的Al2O3含量为47~56%;按铝酸钙粉和盐酸酸洗废液的质量比为0.05~0.10的比例将两者原料放入于反应器中,在50~80℃温度下搅拌反应1~3小时;在反应过程中加入少量氯酸盐类氧化剂和磷酸盐稳定剂;加热搅拌反应,反应结束,冷却至室温,即得液体聚合氯化铁铝复合混凝剂。该产品主要用于生活污水和工业废水的净化处理。本发明工艺简单,并为盐酸酸洗废液的综合利用开阔途径。

标签:
废水处理
上海 - 上海 来源:中冶有色网 2023-03-19
上一页 507 508 509 510 511 ... 1508 下一页
共1508页    到第

中冶有色为您提供最新的上海有色金属理论与应用信息,涵盖发明专利、权利要求、说明书、技术领域、背景技术、实用新型内容及具体实施方式等有色技术内容。打造最具专业性的有色金属技术理论与应用平台!

全国热门有色金属设备推荐
展开更多 +
全国热门有色金属技术推荐
展开更多 +

 

江西省隆恩特环保设备有限公司
宣传

报名参会
更多+

报告下载

有色专家
更多+

昆明理工大学
副校长
南方科技大学
外籍院士
昆明理工大学
教授
湖南有色金属研究院
教授级高工/原总工程师
辽宁忠旺集团
教授级高工
赤泥综合利用研究报告2025
推广

热门技术
更多+

推荐企业
更多+

福建省金龙稀土股份有限公司
宣传

发布

在线客服

公众号

电话

顶部
咨询电话:
010-88793500-807