青岛垚鑫智能科技有限公司
宣传

位置:中冶有色 >

有色技术频道 >

分类:
全部
矿山技术
冶金技术
材料制备及加工技术
环境保护技术
分析检测技术
地区:
全部
北京
天津
上海
重庆
河北
山西
辽宁
吉林
黑龙江
江苏
浙江
安徽
福建
江西
山东
河南
湖北
湖南
广东
海南
四川
贵州
云南
陕西
甘肃
青海
内蒙
广西
西藏
宁夏
新疆
其他
其他
展开
 
全部
上海

上海有色金属理论与应用

免费发布技术信息>>
絮体可回用的纳米絮凝剂的制备方法及其产品和应用

本发明涉及一种絮体可回用的纳米絮凝剂的制备方法及其产品和应用,将金属氧化物纳米材料与无机高分子聚铝絮凝剂按质量比为1:(5~10)复合制备出净水效果好且具有“自活化”能力的纳米絮凝剂,在磁力搅拌和120℃油浴下,按照一定质量比将质量浓度为30%的盐酸溶液逐滴滴加到Al(OH)3中,滴加完后,向该混合反应物中加入一定量的氧化锌基半导体纳米粉体材料,继续熟化4~8小时;反应结束后,抽滤取上清液,经旋蒸后可得到所制备的纳米絮凝剂。可实现絮凝剂多次循环利用,降低了运行成本及后续污泥固废的处理成本,混凝沉降效果突出,对工业废水以及给排水的预处理、强化处理及深度治理均具有非常实用的应用价值。

标签:
废水处理
上海 - 上海 来源:中冶有色网 2023-03-19
高强度高活性包埋微生物载体的制备方法

本发明涉及常温有氧条件下,一种简便易行的高活性长寿命包埋微生物的制备及相应配方。此方法及由其制备的包埋微生物载体活性高、强度高,能高效去除高浓度氨氮及苯酚废水中的污染物,并在流化反应器中的运行寿命可超过1.5年以上。由于光化学合成方法具有常温下进行,有氧下操作的特点,并且包埋材料具有生物相容性的特点,因此方法及配方可广泛应用于多种微生物、酶、蛋白质及非微生物种类物质的包埋,并可大规模工业化制备。

标签:
废水处理
上海 - 上海 来源:中冶有色网 2023-03-19
1-溴芘的制备方法
1-溴芘的制备方法 1226     
 0

本发明公开了1-溴芘的制备方法,其特征在于,包括:将芘溶于有机溶剂中,加入二溴海因进行反应,过滤,所得固体重结晶,得到1-溴芘。本发明的制备方法简单,反应条件温和,产率高,便于工业化生产。其中溴化反应,采用二溴海因,避免了采用液溴溴化,而液溴有极强烈的毒害性与腐蚀性,在常温时,能挥发出有强烈刺激性的烟雾,刺激眼睛和呼吸道的粘膜,使人流泪和咳嗽,能灼伤皮肤,产生剧烈刺痛,不易医治。溴的性质很活泼,是强氧化剂,反应剧烈,不易控制。用氢溴酸和双氧水做溴化剂,反应结束后,会产生大量的强酸废水,污染严重。

标签:
废水处理
上海 - 上海 来源:中冶有色网 2023-03-19
改性碳纳米管与PVDF杂化制备阴离子交换膜的方法

本发明涉及一种由改性碳纳米管与PVDF杂化制备的阴离子交换膜及该膜的制备方法,该阴离子交换膜由包括以下组分及重量百分比的原料制成:改性碳纳米管0.1-10、PVDF5-35、氯甲基苯乙烯1-20、二乙烯苯1-20、有机溶剂25-85、甲基丙烯酸缩水甘油酯5-45、聚乙烯吡咯烷酮0.01-1、过氧化苯甲酰0.01-3;制备方法为:对碳纳米管进行改性处理,制备铸膜液,铸膜液用流延法制得基膜,基膜季胺化处理得到本发明的产品。与现有技术相比,本发明利用了碳纳米管优异的力学、电学和化学性能,所制膜的亲水性、离子交换容量、电导率、化学稳定性和机械稳定性得到大幅改善,延长了其使用寿命,能适应工业废水和污水等较恶劣环境。

标签:
废水处理
上海 - 上海 来源:中冶有色网 2023-03-19
超高温灭菌器及其用途
超高温灭菌器及其用途 1153     
 0

本发明涉及一种超高温灭菌器及其用途,主要解决现有技术存在蒸汽能耗大,易造成二次污染,灭菌终点不能有效控制,热污染影响环境的问题。本发明通过采用包括预热区、灭菌区、保温区和冷却区;各区之间采用卡箍式连接;预热区、灭菌区和保温区均为可通入蒸汽加热的容器或用夹套加热的管式设备;冷却区为用夹套冷却的管式设备的技术方案较好地解决了该问题,可用于处理生物制药废水的工业生产中。

标签:
废水处理
上海 - 上海 来源:中冶有色网 2023-03-19
4-甲基-3-氧代-N-苯基戊酰胺的高效绿色制备方法

本发明属于医药中间体制备领域,具体涉及一种4‑甲基‑3‑氧代‑N‑苯基戊酰胺的新型制备方法。本发明通过相应异丁酰乙酸酯与苯胺在无催化剂或者微量有机碱催化剂作用下进行酰胺化反应,蒸除反应产生的醇。反应结束后,回收过量的异丁酰乙酸酯,直接得到高纯度的4‑甲基‑3‑氧代‑N‑苯基戊酰胺。本发明中4‑甲基‑3‑氧代‑N‑苯基戊酰胺的合成工艺路线,反应时间短,所得产物杂质少、目标产物纯度高,收率高;原料易回收套用,无废水、废气排放。避免了低沸点、易挥发有毒有机溶剂的使用,符合原子经济性,绿色、安全环保,操作简便,成本低,适用于工业化生产。

标签:
废水处理
上海 - 上海 来源:中冶有色网 2023-03-19
制备硫羟胺基甲酸乙酯的方法

本发明涉及一种制备硫羟胺基甲酸乙酯的方法,该方法以有机仲胺、COS与缚酸剂在甲醇溶液中反应成盐,得到的盐再与氯乙烷反应制备硫羟胺基甲酸乙酯。与现有技术相比,本发明硫羟胺基甲酸乙酯类农用化学品的制备不仅易于工业化应用,而且反应收率高,废水很少,产品成本低,扩大禾大壮、茵达灭等硫羟胺基甲酸酯类农用化学品应用范围。

标签:
废水处理
上海 - 上海 来源:中冶有色网 2023-03-19
4,6-二氨基间苯二酚盐酸盐的制备方法

本发明公开了一种4,6-二氨基间苯二酚盐酸盐的制备方法。包括如下步骤:将4,6-二硝基-2-氯-1,3-二羟基苯分散在水溶液中,在稀有金属催化剂的存在下,加入脱氯促进剂,与氢进行反应。本发明的方法以特别经济的方式得到高产率及高质量的4,6-二氨基间苯二酚,按4,6-二硝基-2-氯-1,3-二羟基苯为基准,4,6-二氨基间苯二酚盐酸盐摩尔得率可达到95%以上。由于反应废水的处理比较容易,使环保费用大大降低。因此本发明所提出的4,6-二氨基间苯二酚盐酸盐方法是一种十分有效的4,6-二氨基间苯二酚盐酸盐的制备方法,具有较大的工业化生产前景。

标签:
废水处理
上海 - 上海 来源:中冶有色网 2023-03-19
TiO2/SiO2气凝胶小球及其制备方法

本发明公开了一种TiO2/SiO2气凝胶小球及其制备方法,TiO2/SiO2气凝胶小球由重量百分比为5-90%的SiO2和重量百分比为10-95%的TiO2组成,TiO2/SiO2气凝胶小球直径为1-5毫米。TiO2/SiO2气凝胶小球,其制备方法依次包括如下三个步骤:a.TiO2/SiO2溶胶的制备;b.TiO2/SiO2凝胶小球的制备;c.TiO2/SiO2气凝胶小球的制备。本发明制得的TiO2/SiO2气凝胶小球除具有吸附性能好,光催化效率高等优点,还具有使用方便、容易回收、不易损失等优点,主要用于工业废水和不洁空气的治理。

标签:
废水处理
上海 - 上海 来源:中冶有色网 2023-03-19
锰钴复合氧化物催化剂及其制备方法和应用

本发明属于化工催化剂技术领域,具体为一种锰钴复合氧化物催化剂制备方法及其在VOCs催化燃烧中的应用。本发明催化剂分子式表示为:MnCoXOY,其中,X为0~0.3,Y为2~2.3。本发明采用固相球磨法,以无机锰盐、无机钴盐以及有机酸助剂为原料,控制球磨环境温度,在氩气气氛下,经球磨一定时间后,再经焙烧即可制得。本催化剂制备方法简单,无废水产生,可大规模生产,大幅降低生产成本,且活性高,稳定性好,耐水性强,满足实际工业需求。

标签:
废水处理
上海 - 上海 来源:中冶有色网 2023-03-19
硫酸酯的制备方法
硫酸酯的制备方法 921     
 0

本发明涉及有机合成领域,特别是涉及一种硫酸酯的制备方法。发明提供一种硫酸酯的制备方法,包括:将式II化合物在反应溶剂存在的条件下与硫酰氟反应,制备获得式I化合物。本发明制备硫酸酯的过程中有效的避免了水和氯离子的引入,从而避免了产物分解和氯离子含量高的情况;另外,本发明的制备方法步骤简短,所使用原料均为市售常规化学品,且原料品种少,副反应少,收率高;本发明制备硫酸酯的方法制造成本低,且反应仅使用可回收的有机溶剂,反应副产物为单一无机盐固体,易于回收处理,不产生废水,更加利于环境保护,因此本发明的硫酸酯的制备方法是真正绿色、环保且适合工业化大规模生产的方法。

标签:
废水处理
上海 - 上海 来源:中冶有色网 2023-03-19
对氯苯肼盐酸盐连续流反应系统及方法

本发明公开了一种对氯苯肼盐酸盐连续流反应系统及方法。该对氯苯肼盐酸盐连续流反应系统包括对氯苯胺盐酸水溶液进料管道、亚硝酸钠水溶液进料管道、重氮化反应区、重氮盐中间体出料管道、重氮盐中间体溶液储液罐、重氮盐中间体进液管道、还原剂进液管道、还原反应区、盐酸进液管道、水解反应区和产物出液口。本发明中的对氯苯肼盐酸盐连续流反应系统反应时间短,可降低能耗,节约成本,无废水处理和环境污染等问题;操作简单,稳定性高;可用于工业化生产,生产效率高;且制得的对氯苯肼盐酸盐纯度高达99%以上。

标签:
废水处理
上海 - 上海 来源:中冶有色网 2023-03-19
NiO/MgAl<Sub>2</Sub>O<Sub>4</Sub>催化剂及其制备方法和应用

本发明属于催化剂制备技术领域,具体涉及球磨法制备MgAl2O4尖晶石负载的NiO或Ni催化剂,以镁铝尖晶石为载体、以NiO或Ni为活性组分,其中所述活性组分的质量占NiO/MgAl2O4催化剂总质量的5~25%。球磨后焙烧得到催化剂活性成份为NiO,可用于低浓度甲烷或挥发性有机气体的催化燃烧反应。NiO经过还原,得到负载型Ni金属催化剂,可用于有机物不饱和键加氢或有机物水蒸汽或水相重整反应。本发明催化剂可用于低浓度甲烷或挥发性有机气体的催化燃烧、有机物加氢或重整制氢。与现有技术相比,本发明催化剂活性高、成本低廉、热稳定性好,制备方法简单、环保,减少废水排放,易于工业化。

标签:
废水处理
上海 - 上海 来源:中冶有色网 2023-03-19
基于连续过滤方法的盐离子自截留海水淡化方法

本发明公开了一种基于连续过滤方法的盐离子自截留海水淡化方法,将氧化石墨烯薄膜在含盐水溶液中浸润至溶胀状态,正向加压过滤,利用膜压减小膜内盐溶解后形成的水合离子尺寸,截留溶液中盐溶解后形成的水合离子,收集汲取液,重复上述步骤,直至得到符合标准的汲取液。本发明方法在不大于5个大气压过滤压力下,较好实现海水脱盐,与传统超过50个大气反渗透海水淡化技术相比,大大减少了运行过程中能量损耗,不需要特殊高耐压材料,显著降低运行成本,大大降低传统反渗透过程中高压安全隐患,操作容易,运行条件简单,运行环境普适性强,适用于大规模海水、苦咸水淡化和工业高盐废水处理,且在化工、医药、电子行业用水处理方面具有较高潜力。

标签:
废水处理
上海 - 上海 来源:中冶有色网 2023-03-19
一体式厌氧膜-生物反应器-自然通风生物滤池污水处理工艺

一体式厌氧膜-生物反应器-自然通风生物滤池污水处理工艺,涉及城市污水处理技术,用于城市污水处理以及水体性质与城市污水相类似的工业有机废水处理。它由一体式厌氧膜-生物反应器(1)、抽吸泵(2)、自然通风生物滤池(3)组成。城市污水进入首先经过一体式厌氧膜-生物反应器1处理,在厌氧膜-生物反应器(1)运行过程中投加化学除磷药剂去除污水中的磷,同时降低对膜的污染,然后利用抽吸泵(2)或水位差的作用进入自然通风生物滤池(3)处理,去除污水中残留的有机污染物和氨氮。本发明工艺具有占地面积小,不需要任何人工强化的机械曝气设施,能量消耗少,污泥产率低,出水水质好的优点,且大大降低了投资费用和实际运行费用。

标签:
废水处理
上海 - 上海 来源:中冶有色网 2023-03-19
水处理用大通量聚偏氟乙烯五孔纤维超滤膜及其制备方法

本发明涉及一种水处理用大通量聚偏氟乙烯五孔纤维超滤膜及其制备方法,其组分包括:膜材料聚偏氟乙烯PVDF和改性物,重量比为7~8∶3~2;其中改性物为质量比为4~5∶6~5的甲基丙烯酸甲酯PMMA与热塑性橡胶TPU。制备方法为将三种物质按上述质量比溶解于溶剂中,溶液在80℃下搅拌12h使其充分溶解,脱泡24h后经纺丝装置纺制,纺出的膜在自来水中浸泡48h,待溶剂完全溶出后,即得到固定成型的膜。该超滤膜通量大、截留率高、机械强度好,对于污废水的处理效果明显,制备方法简单,适合工业化生产。

标签:
废水处理
上海 - 上海 来源:中冶有色网 2023-03-19
具有吸附性能的粘胶无纺布材料及其制备方法

本发明提供了一种具有吸附性能的粘胶无纺布材料,其特征在于,其制备方法包括:以β‑环糊精(β‑CD)为原料,以六氯环三磷腈(PNC)为交联剂,经亲核取代反应,使β‑环糊精化学固载在粘胶无纺布上,再经洗涤、过滤、酸溶液浸泡、干燥制备出具有吸附性能的粘胶无纺布材料。本发明制备的粘胶无纺布材料具有微孔、介孔和大孔等多级孔结构,可高效吸附废水中的有机污染物、重金属离子以及工业废气。

标签:
废水处理
上海 - 上海 来源:中冶有色网 2023-03-19
多孔泡沫过滤膜
多孔泡沫过滤膜 772     
 0

本发明公开了一种由水性聚丙烯酸酯发泡体系制备而得的容易调节空隙和厚度的多孔泡沫过滤厚膜,其生产过程中不含有机溶剂,废酸,废碱等有害物质。本发明的多孔泡沫过滤厚膜中含有络合金属离子的基团,可以有效去除废水中的重金属离子,并且能够去除水中悬浮物。可回收再利用,使用后经过燃烧只释放二氧化碳和水。不对环境造成污染。适用于工业污水的处理和纯化。

标签:
废水处理
上海 - 上海 来源:中冶有色网 2023-03-19
中空纤维共混纳滤膜及其制备工艺

本发明提供了一种中空纤维共混纳滤膜。其成分及重量比为聚醚砜:聚偏氟乙烯:乙基纤维素为6-8 : 2-4 : 0.2-0.6。所述的纳滤膜具备了聚醚砜、聚偏氟乙烯和乙基纤维素互补性优点,溶液相容性好,膜成型速度适宜,纺丝过程连续稳定,膜的水通量高达150L/h·m2;可在150℃高温下长期使用;耐酸、碱,结晶性、柔韧性好。可用蒸汽或γ射线杀菌消毒。用于分离、浓缩、纯化生物制品、医药制品以及食品工业;用于血液透析、废水处理和饮用水的终端处理装置,用于中草药的浓缩提纯。能去除水中有毒有害的成份且能保留人体所需的矿物质。采用物理过滤技术自动冲洗不用换芯,解决了大桶水二次污染和多级净水器频换滤芯的重大技术难题。

标签:
废水处理
上海 - 上海 来源:中冶有色网 2023-03-19
绿色环保混凝土减水剂及其制备方法

本发明公开了一种绿色环保混凝土减水剂及其制备方法,通过回收利用造纸废液中的木质素磺酸盐并对其进行处理,得到了一种具有良好减水性能的绿色环保混凝土减水剂。本发明回收工业废水作为原料,利于环境保护,并且本发明能够延缓减水剂变质进程,提升使用寿命,拓展了木质素磺酸盐减水剂的应用范围。

标签:
废水处理
上海 - 上海 来源:中冶有色网 2023-03-19
不溶于水的环糊精基金属有机骨架材料及其制备方法

本发明涉及一种不溶于水的环糊精基金属有机骨架材料及其制备方法。该方法包括:将环糊精、钾盐和去离子水混合,超声,滴加包埋物活性分子溶液,超声,加入结晶诱导分子,静置进行结晶,洗涤,干燥,将得到的晶体、催化剂和交联剂与溶剂混合,交联反应。该方法简单,生产条件温和,适于工业应用;制备的金属有机骨架材料具有优良的结构稳定性、较多的活性位点和较高的比表面积,可对印染废水中的污染物实现高效富集,有利于污染物的快速去除。

标签:
废水处理
上海 - 上海 来源:中冶有色网 2023-03-19
生物酶制浆过程中生物酶菌种配方和配制方法

本发明公开了一种生物酶制浆过程中生物酶菌种配方,是由菌类组分和酶类组分组成,包括以下重量份数的百分比组成:芽孢杆菌、双歧杆菌、乳酸菌、酵母菌,里氏木霉、黑曲霉复合酶制剂、纤维素酶、漆酶、蛋白酶、高温淀粉酶、木素降解酶、植酸酶、葡聚糖酶、果胶酶,EDTA、维生素C、甘氨酸、半胱氨酸、氯化钠。本发明同时公开了其配制方法,各组分酶的活力高,单位成本低,发酵周期短,工业化程度高,应用于造纸制浆,无需增加设备,工艺简单、使用方便,与传统化学制浆法比较,废水中COD含量降低35%以上,生产成本降低22%左右,且提高了纸的产品品质。

标签:
废水处理
上海 - 上海 来源:中冶有色网 2023-03-19
人造水草氧化沟污水处理方法

本发明是关于人造水草氧化沟污水处理方法。 在氧化沟中的水流方向,上下数层横向排列着一定数 量的化学纤维制成的人造水草。微生物借助于人造 水草上的纤维束及污水中的有机悬浮性或可溶性营 养物而大量繁殖,形成一层能吸收、分解污染物的生 物膜。与利用水生植物进行污水处理相比较,它不易 受季节、温度的影响,使用周期长,且极易固定。因 此,本发明的污水处理方法对于多种工业废水的处理 是极为有效的。

标签:
废水处理
上海 - 上海 来源:中冶有色网 2023-03-19
胡椒酸的合成工艺
胡椒酸的合成工艺 924     
 0

本发明公开了一种胡椒酸的合成工艺,具体步骤如下:步骤一,将胡椒醛和氨基磺酸溶解在乙酸乙酯中,得到混合溶液;步骤二,将混合溶液冷却至零摄氏度以下,然后滴加亚氯酸钠溶液进行氧化反应;步骤三,氧化反应结束后即可得到胡椒酸溶液;步骤四,将胡椒酸溶液进行重结晶处理,即可得到胡椒酸固体。本发明制备工艺简单,原料来源广泛并且原料价格低廉,制备时间短,制备过程中产生的废水和杂质少,容易提纯,适用于大规模的工业化生产,使用效果好。

标签:
废水处理
上海 - 上海 来源:中冶有色网 2023-03-19
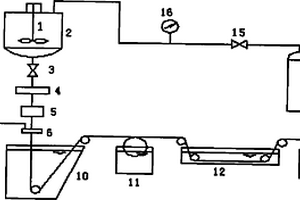
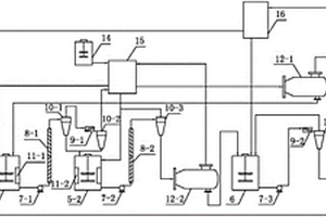
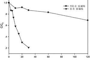
处理水中难降解有机污染物的方法

本发明属于水处理技术领域,涉及一种利用弱磁场/ZVI协同活化过硫酸盐的高级氧化技术处理水中难降解有机污染物的方法。该方法包括以下步骤:(1)在反应器周围布置弱磁场,调节待处理水的初始pH;(2)向待处理水中投加零价铁和过硫酸盐,利用弱磁场促进零价铁快速持续地释放二价铁来活化过硫酸盐,反应过程中生成的硫酸根自由基氧化目标污染物,反应一段时间后待处理水得到净化。本方法能高效去除含难降解有机物水和工业废水,大大缩短反应时间,降低处理成本,且无二次污染。

标签:
废水处理
上海 - 上海 来源:中冶有色网 2023-03-19
处理压裂返排液的成套工艺

本发明公开了一种处理压裂返排液的成套工艺,其特征在于,至少包括以下步骤:将经预处理的压裂返排液输送至气浮系统,去除压裂返排液的油和SS;气浮系统出水输入催化氧化系统,该催化氧化系统以石墨为阴极,钛涂钌电极为阳极,以多相复合催化剂填充在催化剂柱内,通过电催化和复合填料催化氧化的方式,降低CODCr;催化氧化系统的出水输入CMBR系统进行处理,使废水中的CODCr得到进一步降低,出水能用作配胶使用。采用气浮系统‑催化氧化系统‑CMBR系统相结合的方法,对压裂返排液进行处理,填补了压裂返排液处理工业化工程化运行的空白,解决了压裂返排液处理难的实际问题。

标签:
废水处理
上海 - 上海 来源:中冶有色网 2023-03-19
组合式土壤洗涤脱附的方法和装置

本发明涉及一种组合式土壤洗涤脱附的方法和装置。该方法如下:对污染土壤喷淋并用湿式多级振动筛筛分,去除可直接回填的大颗粒石块或粗砂;对细土壤颗粒悬浮液进行洗涤脱附处理,并经过串联的并分别装有固液混合器和微旋流排序器的旋流器,达到分离小粒径的粘土污染物;对剩余中间粒径的沙质土进行洗涤脱附处理并旋流分离,通过精密过滤器实现洗涤液回用;将过滤后土壤进行清水洗涤处理并旋流分离,最后经过离心机脱水,最终实现废水与土壤颗粒的深度分离,达到土壤回填,自来水回用,洗涤剂再生利用的目的。本发明的装置参数可根据实际情况调整、优化,实现了对含有重金属、农药等污染物的有效去除,弥补了目前土壤洗涤不能工业化的不足。

标签:
废水处理
上海 - 上海 来源:中冶有色网 2023-03-19
1,6-二溴芘的制备方法
1,6-二溴芘的制备方法 833     
 0

本发明公开了1,6-二溴芘的制备方法,其特征在于,包括:将芘溶于有机溶剂中,加入二溴海因进行反应,过滤,所得固体重结晶,得到1,6-二溴芘。本发明的制备方法简单,反应条件温和,产率高,便于工业化生产。其中溴化反应,采用二溴海因,避免了采用液溴溴化,而液溴有极强烈的毒害性与腐蚀性,在常温时,能挥发出有强烈刺激性的烟雾,刺激眼睛和呼吸道的粘膜,使人流泪和咳嗽,能灼伤皮肤,产生剧烈刺痛,不易医治。溴的性质很活泼,是强氧化剂,反应剧烈,不易控制。用氢溴酸和双氧水做溴化剂,反应结束后,会产生大量的强酸废水,污染严重。

标签:
废水处理
上海 - 上海 来源:中冶有色网 2023-03-19
光催化剂硫氰酸银及其制备方法

本发明涉及一种光催化剂硫氰酸银及其制备方法,催化剂为Ag/AgSCN;制备方法包括:在搅拌条件下,将NaSCN溶液缓慢滴加到AgNO3溶液中,室温下继续搅拌20-40min,离心洗涤,干燥,得到AgSCN;将上述AgSCN加入罗丹明B溶液中,超声分散,然后光照1-2h至罗丹明B溶液完全褪色,离心洗涤,干燥,即得。本发明提供的光催化剂制备工艺简单,具有良好的光催化活性和稳定性,在自然太阳光的照射下,可以快速高效地降解罗丹明染料,具有在印染工业废水中处理有机污染物的重要应用前景。

标签:
废水处理
上海 - 上海 来源:中冶有色网 2023-03-19
二级生化出水硫铁协同混养反硝化深度脱氮方法

本发明涉及一种二级生化出水硫铁协同混养反硝化深度脱氮方法,向城市污水或工业废水处理厂二级生化出水中连续投加适量有机碳源及硫源,然后进入装有铁刨花‑黄铁矿复合填料和活性污泥絮体的折流式脱氮反应池,在反硝化细菌作用下发生异养反硝化脱氮过程、自养反硝化脱氮过程;处理后出水进入竖流式沉淀池的中心管,经沉淀后排出,部分沉淀污泥作为剩余污泥排出。本发明利用系统内存在的异养反硝化、Fe0和Fe2+自养反硝化与硫自养反硝化维持水中酸碱平衡,提高反硝化菌群丰度,促进硫、铁自养反硝化菌与异养反硝化菌协同脱氮作用,从而提高脱氮效率。本发明的方法易于操作管理,运行成本较低,可有效降低污泥产量。

标签:
废水处理
上海 - 上海 来源:中冶有色网 2023-03-19
上一页 506 507 508 509 510 ... 1508 下一页
共1508页    到第

中冶有色为您提供最新的上海有色金属理论与应用信息,涵盖发明专利、权利要求、说明书、技术领域、背景技术、实用新型内容及具体实施方式等有色技术内容。打造最具专业性的有色金属技术理论与应用平台!

全国热门有色金属设备推荐
展开更多 +
全国热门有色金属技术推荐
展开更多 +

 

江西省隆恩特环保设备有限公司
宣传

报名参会
更多+

报告下载

有色专家
更多+

江西铜业集团有限公司
党委书记、董事长
任灵宝金源矿业股份有限公司
技术发展部经理
北京科技大学
副院长/教授
长沙有色冶金设计研究院有限公司
党委书记、董事长
中科院过程工程研究所循环经济技术中心
主任
赤泥综合利用研究报告2025
推广

热门技术
更多+

推荐企业
更多+

福建省金龙稀土股份有限公司
宣传

发布

在线客服

公众号

电话

顶部
咨询电话:
010-88793500-807