青岛垚鑫智能科技有限公司
宣传

位置:中冶有色 >

有色技术频道 >

分类:
全部
矿山技术
冶金技术
材料制备及加工技术
环境保护技术
分析检测技术
地区:
全部
北京
天津
上海
重庆
河北
山西
辽宁
吉林
黑龙江
江苏
浙江
安徽
福建
江西
山东
河南
湖北
湖南
广东
海南
四川
贵州
云南
陕西
甘肃
青海
内蒙
广西
西藏
宁夏
新疆
其他
其他
展开
 
全部
成都
自贡
攀枝花
泸州
德阳
绵阳
广元
遂宁
内江
乐山
南充
眉山
宜宾
广安
达州
雅安
巴中
资阳
阿坝藏族羌族自治州
甘孜藏族自治州
凉山彝族自治州

四川有色金属理论与应用

免费发布技术信息>>
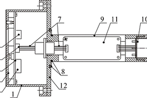
硫酸锂溶液精密过滤器

本实用新型公开了一种硫酸锂溶液精密过滤器,属于过滤设备技术领域,目的在于解决现有过滤器对硫酸锂溶液中碳酸钙、碳酸镁、硫酸钙等杂质过滤不彻底的问题。其包括壳体,壳体包括柱体部和锥体部,柱体部顶壁上连通有工艺气口,柱体部顶壁上开设有清液出口,柱体部顶壁上开设有清洗口,锥体部上连通有原液进口,锥体部上位于原液进口下侧连通有排液口,锥体部上开设有液位计接口,锥体部底部开设有排渣口,柱体部内安装有滤芯安装板,滤芯安装板下表面安装有若干组滤芯,柱体部的侧壁上连通有泄压口,柱体部的侧壁上开设有第一压差计接口,柱体部的侧壁上开设有第二压差计接口。本实用新型适用于硫酸锂溶液过滤。

标签:
加工技术
四川 - 成都 来源:中冶有色网 2023-03-18
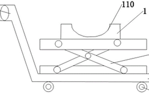
锂电池极片卷材物料转移车

本实用新型涉及物料车技术领域,更具体的说,是一种锂电池极片卷材物料转移车,包括物料台,物料台上设有用于防止锂电池极片卷材滚动的凹槽。转移车还包括底板和用于升降物料台的升降装置;底板的下端设有多个滑轮,底板的前端设有把手;升降装置的下端固定在底板上,升降装置的自由端与物料台固定连接,升降装置通过剪叉结构实现升降,剪叉结构通过驱动结构进行驱动;具有凹槽物料台和升降装置的转移车,能够在承载物料的同时进行升降操作,简单易行,并且规避了卷材在平台机构存放物料由于滚动造成的磕碰、刮伤等风险,便于锂电池生产车间中极片卷材的上、下极片卷材物料作业及流转。

标签:
加工技术
四川 - 成都 来源:中冶有色网 2023-03-18
方便打孔的锂电池手电钻

本实用新型提供了一种方便打孔的锂电池手电钻,适应于手电钻技术领域的生产与应用,方便打孔的锂电池手电钻,包括外壳,所述外壳左端为开口端,且外壳前方安装有开关,还包括前柄、电源筒、钻头筒和旋转电机;本实用新型的有益效果在于:当使用者握持前柄时,使用者手部的汗液便可透过透孔渗透至前柄中,然后被塑料轴上包裹的纸巾或棉片所吸收,从而降低使用者在握持前柄时打滑的几率,实用性较好;电动缸启动后可带动推轴向左移动,螺纹连接件便一起向左移动,从而带动圆环转动,钻头即可平稳伸出,方便使用者根据多种打孔的深度来调节钻头所伸出的长度,打孔方便,解决了目前的锂电池手电钻,实用性不佳和打孔不便的问题。

标签:
加工技术
四川 - 成都 来源:中冶有色网 2023-03-18
金属锂带挤压装置
金属锂带挤压装置 986     
 0

本实用新型公开了一种金属锂带挤压装置,属于挤压装置技术领域,包括挤压套,所述挤压套内侧壁与活塞滑动连接,所述活塞包括金属块和密封圈,所述金属块外侧壁安装有密封圈,所述密封圈有三条,所述密封圈包括橡胶环体和金属骨架,所述橡胶环体内部固定安装有金属骨架,所述金属骨架包括金属环和凸点,所述金属环外侧壁焊接有凸点,所述挤压套外侧壁末端一侧可拆卸安装有固定板,所述挤压套外侧壁末端另一侧通过铰链与活动板转动连接,本实用新型金属锂带挤压装置的挤压嘴宽度可调节,可根据需求挤压出不同厚度的金属锂带,本实用新型金属锂带挤压装置的活塞采用三层密封圈的密封设计,密封效果强,不渗漏。

标签:
加工技术
四川 - 成都 来源:中冶有色网 2023-03-18
锂电池仓预警防火保护系统

本实用新型公开了一种锂电池仓预警防火保护系统,属于锂电池防火保护技术领域,包括单片机,所述单片机与PWM控制系统连接,所述PWM控制系统与信号发射器相连接,所述信号发射器与警报系统连接,所述单片机与A/D转换器连接,所述A/D转换器与传感模块连接;本实用新型通过传感模块可以实时检测以及监控锂电池仓内的安全情况,通过图像采集模块可以进行图像采集,通过显示器可以实时显示锂电池仓内的情况,当有火灾发生时,通过警报装置可以进行声光报警,第一时间传递险情,有效的解决了传统的防火保护系统过于简单,火灾来临时不能及时的将火灾信号传输出来的问题。

标签:
加工技术
四川 - 南充 来源:中冶有色网 2023-03-18
锂电池充放电电路
锂电池充放电电路 721     
 0

本实用新型涉及锂电池技术领域,公开了一种锂电池充放电电路,包括:控制器、充电控制模块、充放电切换模块、电压监测模块、电流监测模块、温度监测模块、开关管控制模块、锂电池组和电池均衡模块,其中,所述控制器分别与所述充电控制模块、充放电切换模块、电压监测模块、电流监测模块、温度监测模块、开关管控制模块连接,所述锂电池组分别与所述充放电切换模块、电压监测模块、电流监测模块、温度监测模块、开关管控制模块、电池均衡模块连接。本实用新型通过电池均衡模块及电压、电流、温度的监测模块,实现了串联电池组的无损均衡充放电管理,并实现了温度、电流、电压的监测,均衡效果较好,系统结构简单,维护扩展方便,节约能源,均衡效率较高。

标签:
加工技术
四川 - 自贡 来源:中冶有色网 2023-03-18
锂离子单体电池结构
锂离子单体电池结构 1174     
 0

本实用新型涉及锂离子电池,本实用新型的目的是为了解决现有的锂离子电池容易出现电极柱的损坏,甚至发生电极柱在振动过程中磨破绝缘缓冲垫的情况,造成电池正负极短路的危险情况的问题。本实用新型提供一种锂离子单体电池结构,包括具有一侧开口的单体壳、单体盖,单体盖与单体壳相配合,单体盖上设置有两个镂空孔,正集流柱及负集流柱分别通过两个镂空孔嵌入单体盖,正集流柱从单体盖下侧处镂空孔嵌入,至单体盖上侧穿出的圆柱体部分为正极柱,负集流柱从单体盖下侧镂空孔嵌入,至单体盖上侧穿出的圆柱体部分为负极柱,在正集流柱和负集流柱上装配有单体电芯,单体盖上设置有凸起,凸起的高度高于正极柱及负极柱的高度。本实用新型适用于电池。

标签:
加工技术
四川 - 绵阳 来源:中冶有色网 2023-03-18
防爆锂离子电池包
防爆锂离子电池包 801     
 0

本实用新型公开了一种防爆锂离子电池包,包括本体,所述本体一侧设置有排气孔,所述排气孔处安装有防爆结构,防爆结构包括能够与本体固定连接,且开口向下的防爆盖板,防爆盖板与本体固定连接一侧设置有防水透气膜,防水透气膜紧密覆盖排气孔;防爆盖板内设置有针尖,针尖上嵌套有保护套,保护套一侧设置有弹簧,保护套设置有弹簧的一侧与防爆盖板内部抵接,另一侧与防水透气膜抵接。本实用新型能够保证电池包密封性能不变的情况下,使锂电池包在使用过程中产出的气体能够顺利排出,该结构既能平衡电池包内外压力,同时也能在电池包内部锂电池电芯失效喷发时,通过该结构将电池包内部瞬间增大的压力排出电池包外,防止电池包爆炸造成安全事故。

标签:
加工技术
四川 - 宜宾 来源:中冶有色网 2023-03-18
工业生产用锂渣压榨装置

本实用新型公开了一种工业生产用锂渣压榨装置,包括底座,所述底座的一侧顶部固定连接有支架,所述底座的顶部转动机构连接有向上开口的筒体。本实用新型中,通过第二液压柱、按压板、筒体、筛网和出液管的配合作用,达到了第二液压柱延长带动按压板往下按压筒体内部锂渣的效果,实现了对锂渣进行压榨的功能,便于压榨出锂渣外侧壁和锂渣内的浸出液,减少浪费,同时还可以避免一定的环境污染;通过支撑块、第一转轴、第一支撑块、第一液压柱、第二支撑块、第二转轴的配合作用,达到了第一液压柱延伸带动筒体在底座上转动的效果,实现了便于将筒体内部的锂渣倒出的功能。

标签:
加工技术
四川 - 雅安 来源:中冶有色网 2023-03-18
一次锂电池组漏液报警装置

本实用新型公开了一种一次锂电池组漏液报警装置,该装置包括主控制器和传感器模组,主控制器和传感器模组连接,整个装置安装于一次锂电池组包装箱上,所述主控制器包括人机交互系统、信号输入与数据采集系统、主控CPU系统和供电系统;人机交互系统为控制面板,设置有电池组漏液和温度异常报警指示灯、工作状态指示灯、报警器、功能按键和开关;传感器模组设置漏液气体检测传感器以及相应的模拟处理电路。本装置可以对包装箱内部的一次锂电池组进行电池泄漏检测,并能以声、光的方式,实现本地和远程联网报警,提醒人员及时进行处置,防止出现安全问题。

标签:
加工技术
四川 - 成都 来源:中冶有色网 2023-03-18
用于氢氧化锂生产的反应釜

本实用新型公开了一种用于氢氧化锂生产的反应釜,涉及氢氧化锂反应釜技术领域。一种用于氢氧化锂生产的反应釜,包括外筒体,所述外筒体内部固定有内筒体,所述外筒体内壁与内筒体外壁之间形成间隙,所述外筒体内壁固定有散热装置,所述内筒体顶端固定有顶盖,所述顶盖底端固定有喷淋装置,所述喷淋装置位于间隙顶部。本实用新型设置有散热装置和喷淋装置,内筒体的温度传导到间隙内,经过喷淋装置中喷头喷出的水对间隙进行降温,在散热装置中设置有散热管、冷却分管和风扇,散热管中的水进入冷却分管散热,风扇将冷却分管周围的高温空气吹走,进而对水进行降温,在经水泵泵入到散热管内,实现循环降温。

标签:
加工技术
四川 - 雅安 来源:中冶有色网 2023-03-18
锂电池生产线加料系统
锂电池生产线加料系统 1148     
 0

本实用新型公开了锂电池生产线加料系统,涉及锂电池技术领域。锂电池生产线加料系统,包括顶板,顶板底部通过固定结构固定连接有支撑结构,顶板顶部分别贯穿开设有固定孔和滑动孔,固定孔中固定连接有加料管,加料管底部设置有阀门结构,阀门结构底部固定连接有连接架,连接架两侧均固定连接有滑动结构。本实用新型通过阀门结构、滑动结构和开阀结构的设置,位于加料桶旁边的开阀结构在加料桶刚好到达加料管底部时,开阀结构使得滑动结构滑动,从而使得阀门结构打开,从而导致加料管中的非水电解质溶液进入到加料桶中,随着生产线的移动,开阀结构脱离滑动结构,使得阀门结构又闭合上,无需设定加料间隔时间,也就不会发生误差的累计。

标签:
加工技术
四川 - 绵阳 来源:中冶有色网 2023-03-18
微反应器辅助共沉淀法制备无钴富锂正极材料的方法

本发明提供了一种微反应器辅助共沉淀法制备无钴富锂正极材料的方法,属于电极材料制备技术领域。本发明首先将混合盐溶液和Na2CO3溶液注入微反应器系统中进行沉淀反应,得到锰镍碳酸盐,再将锰镍碳酸盐与Li2CO3混合后顺次进行粉碎、煅烧处理,得到无钴富锂正极材料。本发明将混合盐溶液和Na2CO3溶液注入微反应器系统进行沉淀反应,流体在受限空间内能够实现毫秒级的瞬间混合,相较于传统釜式反应器,微反应器能够强化传质过程,从而提高表观反应速率和晶体的成核生长速率。另外,使用微反应器系统所制备的无钴富锂正极材料粒度分布较为均一,粒度分布窄。

标签:
加工技术
四川 - 成都 来源:中冶有色网 2023-03-18
连续稳定制备锂电池高镍三元前驱体材料的方法

本发明属于三元电池制备的技术领域,具体涉及一种连续稳定制备锂电池高镍三元前驱体的方法。本发明一种连续稳定制备锂电池高镍三元前驱体的方法,通过高速旋转的沉降室逐级下沉,连续计量控制合成前驱体的组成,在每层沉降室设置不同速率的旋转,从而保证每层沉降粒径的均匀性,利用高速旋转实现高镍三元材料的球化和粒径可控;进一步连续实现低镍包覆高镍;解决了目前包覆工艺难控制的缺陷,实现了连续稳定、可控制备高镍前驱体,最终得到的三元前驱体粒径分布均匀,颗粒致密,振实密度较大,最终将其烧结后应用于锂离子电池中,0.1C放电倍率条件下,放电容量高达296 mAh/g,200次循环后容量仍保持在256 mAh/g 左右。

标签:
加工技术
四川 - 成都 来源:中冶有色网 2023-03-18
锂电池复合电极极片及其制备方法和应用

本发明提供了一种高倍率性能和高循环性能的锂电池复合电极极片,属于二次离子锂电池技术领域。本发明提供一种锂电池正极电极片或负极电极片,所述正极电极片或负极电极片包括:集流体和涂敷在集流体表面的功能型浆料,所述功能型浆料为正极活性材料或负极活性材料、导电剂和聚合物溶液混匀得到的功能型浆料,其中,所述聚合物溶液中的聚合物为可降解生物基聚酯。本发明所得复合电极可以实现高效均匀的电子传输网络和离子传输通道,活性颗粒的有效包覆和保护,从而拥有优异的循环性能和倍率性能。

标签:
加工技术
四川 - 成都 来源:中冶有色网 2023-03-18
锂磷铝石焙烧酸化系统及其焙烧酸化方法

本发明公开了一种锂磷铝石焙烧酸化系统,包括料仓、储酸罐、混酸机、酸化焙烧回转窑、篦式冷却机和燃烧系统;所述燃烧系统安装在篦式冷却机的热回收通道上,篦式冷却机回收的热空气与燃烧系统产生的热源充分混合后进入酸化焙烧回转窑。本发明还公开了一种锂磷铝石酸化焙烧方法,包括:S1)原料计量后送入混酸机;S2)搅拌混合;S3)酸化焙烧;焙烧烟气经旋风收尘器分离出粉尘,并回收至混酸机;S4)空气冷却,换热气体回收至燃烧系统。本发明公开的一种锂磷铝石焙烧酸化系统及其焙烧酸化方法采用单独的燃烧系统产生热风为酸化焙烧回转窑提供热源,并将冷却焙烧物料产生的热空气作为燃烧系统用的二次风,降低系统热耗。

标签:
加工技术
四川 - 成都 来源:中冶有色网 2023-03-18
适用于锂离子电池化成的负压系统

本实用新型公开了适用于锂离子电池化成的负压系统,包括箱体和箱盖,阻隔台和出气管与抽气管在安装座上的投影无重合部分的设置,可阻挡抽出的电解液并使电解液留在真空腔内,避免电解液直接抽入负压系统中的管路系统内,对管路系统造成损害,导向面配合底部边缘为弧面的真空腔可对电解液起到导向作用,有利于电解液的回流,减少电解液的损失,弹簧、压合面和可滑动的抽气管的设置,使得锂离子电池进液口与负压系统抽气管的配合更顺利,一方面可提高抽气管与进液口配合的紧密程度,同时还可克服锂离子电池装配产生的误差,进一步保证气路的密封性。

标签:
加工技术
四川 - 宜宾 来源:中冶有色网 2023-03-18
锂电池组智能管理系统及方法

本发明公开了一种锂电池组智能管理系统及方法,涉及电池领域,其特征在于,所述系统包括:用于控制系统运行的中央处理器;所述中央处理器分别信号连接于用于给电池进行充电的充电模块、对锂电池组进行充电均衡的均衡模块、采集锂电池组数据信息的数据采集模块、根据采集到的数据信息对电池电量进行计算的电量计算模块、显示电池状态数据信息的数据显示模块和存储电池数据信息和上位机进行通信的存储通信模块。它具工作稳定、有效解决了电池不均衡问题、提升了电池的使用效率等优点。

标签:
加工技术
四川 - 德阳 来源:中冶有色网 2023-03-18
石墨负极锂电池
石墨负极锂电池 1167     
 0

本实用新型公开了一种石墨负极锂电池,包括连接线,所述连接线的后侧外壁安装有连接机构;所述连接机构包括夹板、横杆、竖块、凹槽、接线柱、顶块、第一弹簧和挡块;所述夹板的内侧贴合有连接线,所述夹板的外侧固接有横杆,所述横杆的外壁贴合有竖块。该石墨负极锂电池,通过连接线和连接机构之间的配合,将连接线伸进接线柱上的凹槽内,当连接线与夹板接触时,夹板带动横杆在竖块的内部向外侧移动,横杆带动顶块向外侧移动使第一弹簧顶在挡块上压缩,反之通过第一弹簧的弹性使夹板复位,夹板抱紧连接线,便于连接线与接线柱连接,使用方便,解决了现有的石墨负极锂电池在使用时,不便于与外接线连接,使用不便捷的问题。

标签:
加工技术
四川 - 自贡 来源:中冶有色网 2023-03-18
大容量锂动力电池搬动夹具

本实用新型公开了一种大容量锂动力电池搬动夹具,涉及大容量锂动力电池搬运用夹具。包括一对可旋转支撑架;所述可旋转支撑架由两个交叉设置的曲线形的杆体构成X形结构,在交叉位置设置有铰接轴;相互平行设置的两个圆柱形的锁紧手柄连接于两个可旋转支撑架上方,锁紧手柄两端分别与曲线形的杆体顶端铰接;相互平行设置的两个可更换夹紧板连接于两个可旋转支撑架下方,可更换夹紧板两端分别与曲线形的杆体底端铰接;两个可更换夹紧板相对的边缘位置设置有用于夹持电池的固定凹槽。本实用新型解决了大容量锂动力电池重量都比较重,在搬运过程中都是靠人工用手拿上拿下,消耗体力且速度慢,有时还因为电池打滑掉落砸伤操作员工的问题。

标签:
加工技术
四川 - 绵阳 来源:中冶有色网 2023-03-18
锂电池大电流均衡充电机

本实用新型公开了一种锂电池大电流均衡充电机,它包括1块主板和n块从板,两者之间通过CAN通讯总线进行数据交换,主板包括单片机、422通讯接口、CAN通讯接口、温度采集和控制电路;从板包括单片机、温度采样电路、电流采样电路、电压采样电路、DC-DC电源模块、CAN通讯接口。本实用新型的优点是:1.可以对任意数量的锂电池组成的电池包进行主动均衡充电,均衡充电电流可高达50A。2.可对任何类型的锂电池进行2阶段充电。3.带数据通讯接口,可输出充电过程中所的各种数据。

标签:
加工技术
四川 - 成都 来源:中冶有色网 2023-03-18
用于软包装锂离子电池的顶封头

本实用新型涉及锂离子电池技术,提供一种用于软包装锂离子电池的顶封头,解决现有封头不能有效进行厚极耳封装的弊端。它包括上封头和下封头,上封头和下封头包括金属基体以及固定在金属基体上的硅胶条,硅胶条对应极耳封装的位置设有凹槽。本实用新型适用于极耳金属基带较厚或者一般厚度的锂离子电池的极耳封装,能够极耳各处受力均匀,解决直接使用软封头因受力不均易出现的熔胶不均引起的漏液和腐蚀问题。

标签:
加工技术
四川 - 绵阳 来源:中冶有色网 2023-03-18
锂离子电池生产用干燥装置

本实用新型公开了一种锂离子电池生产用干燥装置,包括干燥装置外壳、置物架;以及与所述干燥装置外壳的干燥腔连通的气流产生组件,所述气流产生组件用以在干燥腔内形成流动的空气;所述干燥腔内具有第一干燥组件,所述第一干燥组件用以吸收干燥腔内的部分水分;所述气流产生组件上具有第二干燥组件,所述第二干燥组件用以吸收所述气流产生组件内不流通的空气内的水分。本实用新型的干燥装置通过内部的置物架将锂离子电池分层放置,并通过第一干燥组件和置于气流产生组件上的第二干燥组件同时作用于干燥装置外壳内部的空气以及管路中流动的空气,进一步提高了空气的干燥效果,有利于锂离子电池的干燥。

标签:
加工技术
四川 - 成都 来源:中冶有色网 2023-03-18
低排放实磷酸铁锂生产装置

本实用新型涉及锂电池原料加工生产技术领域,尤其是一种低排放实磷酸铁锂生产装置,包括混料机、烧结炉和筛选装置,混料机包括外壳体、设置在外壳体内部的混料仓、固定安装在外壳体内侧壁上的横置电机、固定在外壳体内侧壁上的横向固定杆和固定在横向固定杆外侧面上的外部连接框。本实用新型的一种低排放实磷酸铁锂生产装置通过由内置防粘黏旋转混料仓的混料机、内置抽拉式送料出料盒的烧结炉和内置柔性防尘网兜的筛选装置组成,使得生产装置的生产效率大大提升,而且有效降低粉尘排放,降低粉尘污染,并且具备热能回收功能,能量回收效率得到有效提升。

标签:
加工技术
四川 - 自贡 来源:中冶有色网 2023-03-18
带有断电开关装置的摩托车用启动锂电池

本实用新型公开了一种带有断电开关装置的摩托车用启动锂电池,包括外壳,所述外壳的顶端固定连接有盖子,所述盖子顶端右侧的前部固定连接有正极接线柱,所述盖子顶端右侧的后部固定连接有负极接线柱,所述盖子的顶端中部固定连接有温度传感器,所述外壳的顶端四角均设置有螺丝孔,所述外壳的内部均匀分布有电阻丝,所述外壳底端内壁的右侧设置有收纳槽,所述收纳槽的内部固定连接有电池本体。本实用新型中,温度传感器能够实时监测所处环境的气温,如果锂电池所处的环境气温较低,通过控制器工作电阻丝能够加热,通过电阻丝的加热外壳的内部会保持在合适锂电池工作的温度,使用起来十分方便,值得大力推广。

标签:
加工技术
四川 - 成都 来源:中冶有色网 2023-03-18
平板电脑用锂离子电池烘烤箱

一种平板电脑用锂离子电池烘烤箱,解决了现有的平板电脑用锂离子电池烘烤箱存在烘烤效率低,烘烤效果差,同时内部没有很好的照明装置,不利于使用的问题,其包括烘烤箱本体,所述烘烤箱本体底端的四角均安装有支撑装置,烘烤箱本体前端的一侧通过铰链安装有箱门,箱门一侧的中部嵌入安装有门锁,烘烤箱本体前端的顶部安装有操作面板,操作面板的一侧安装有显示屏,烘烤箱本体右侧的中部安装有热风机,烘烤箱本体内部的顶端安装有照明灯,箱门内侧的底部安装有行程开关,本实用新型结构新颖,构思巧妙,可提高对锂离子电池的烘烤效率,保证烘烤质量,同时自带照明,便于进行内部操作。

标签:
加工技术
四川 - 广安 来源:中冶有色网 2023-03-18
锂离子电池用熔断片
锂离子电池用熔断片 862     
 0

本实用新型公开了一种锂离子电池用熔断片,其特征在于:该熔断片为由镁铝合金制作而成的金属薄片。为了较好的实现本实用新型,该金属薄片优先制作呈“凸”字形或“L”形。本实用新型由镁铝合金制作而成,不仅结构简单,而且制作成本低廉,同时本实用新型在锂离子电池短路电流大于或等于650A时开始熔断,能有效的对锂离子电池进行保护。

标签:
加工技术
四川 - 成都 来源:中冶有色网 2023-03-18
低能耗可移动式锂离子电池检测评价装置

本实用新型属于锂电池领域,具体的讲是一种低能耗可移动式锂离子电池检测评价装置,包括箱体,箱体底部设置有车轮,箱体内设置有专用双向变流器、交流内阻仪、电压传感器、霍尔传感器、温度传感器、监控系统以及多种极耳夹具,所述多种极耳夹具具体包括圆柱型顶针式夹具、夹板式夹具和螺纹式夹具,夹具正负极分别与双向变流器、交流内阻仪和电压传感器的正负极相连;霍尔传感器安装在极耳引出线的任意一端,其信号线接在监控系统上;温度传感器安装在电池表面上,其信号线接在监控系统上。本实用新型的优点在于可对多种电池参数实时监测,将多种电池极耳夹具集成到一起使该测试装置适合任意规格大小的锂离子电池的性能检测与评价。

标签:
加工技术
四川 - 成都 来源:中冶有色网 2023-03-18
锂离子电池用石墨分筛装置

本实用新型公开了一种锂离子电池用石墨分筛装置,主要解决现有技术中存在的现有的筛选装置多为振动筛,选的石墨粒径不一致,对后期锂离子电池加工带来困难的问题。该锂离子电池用石墨分筛装置包括壳体和电机;壳体内设有球形分筛网;球形分筛网上设有多个相互连通的管道;壳体上设有空气压缩机;空气压缩机的出口与任一管道连通;管道上设有连通球形分筛网内部的风孔;球形分筛网与位于壳体外的电机的转轴连接。通过上述方案,本实用新型达到了精确较好筛分石墨的目的,具有很高的实用价值和推广价值。

标签:
加工技术
四川 - 雅安 来源:中冶有色网 2023-03-18
三元锂电池电极浆料
三元锂电池电极浆料 888     
 0

一种三元锂电池电极浆料,包括正极浆料和负极浆料,所述正极浆料包括固体成分和液体成分,其中固体成分包括2‑2.15wt%的导电碳黑,1.88‑1.95wt%的聚偏氟乙烯‑六氟乙烯基化合物,其余成分为作为正极粉的三元材料;液体成分为甲基吡咯酮;所述固体成分在正极中的占比为67.85‑68.35 wt%,剩余为液体成分;所述三元材料的三组分分别为:LiNi摩尔比例为45‑55%,Co摩尔比例为18‑25%,Mn摩尔比例为25‑35%;所述负极浆料包括羟甲基纤维素钠1.50‑1.60wt%,导电碳黑1.50‑1.60wt%,丁苯橡胶2.20‑2.28wt%,其余成分为石墨粉。采用本发明所述的三元锂电池电极浆料,通过组分选择,可以使电池容量在2600毫安时的基础上,批量生产状态下可循环次数达到1000次。

标签:
加工技术
四川 - 自贡 来源:中冶有色网 2023-03-18
上一页 507 508 509 510 511 ... 1177 下一页
共1177页    到第

中冶有色为您提供最新的四川有色金属理论与应用信息,涵盖发明专利、权利要求、说明书、技术领域、背景技术、实用新型内容及具体实施方式等有色技术内容。打造最具专业性的有色金属技术理论与应用平台!

全国热门有色金属设备推荐
展开更多 +
全国热门有色金属技术推荐
展开更多 +

 

江西省隆恩特环保设备有限公司
宣传

报名参会
更多+

报告下载

有色专家
更多+

中南大学
中国工程院院士
长沙矿冶研究院有限责任公司
中国工程院院士
矿冶科技集团有限公司
所长/研究员级高工
中冶沈勘秦皇岛工程技术有限公司
原矿山院院长/教授级高工
中国矿业大学
副院长/教授
赤泥综合利用研究报告2025
推广

热门技术
更多+

推荐企业
更多+

福建省金龙稀土股份有限公司
宣传

发布

在线客服

公众号

电话

顶部
咨询电话:
010-88793500-807