青岛垚鑫智能科技有限公司
宣传

位置:中冶有色 >

有色技术频道 >

分类:
全部
矿山技术
冶金技术
材料制备及加工技术
环境保护技术
分析检测技术
地区:
全部
北京
天津
上海
重庆
河北
山西
辽宁
吉林
黑龙江
江苏
浙江
安徽
福建
江西
山东
河南
湖北
湖南
广东
海南
四川
贵州
云南
陕西
甘肃
青海
内蒙
广西
西藏
宁夏
新疆
其他
其他
展开
 
全部
武汉
黄石
十堰
宜昌
襄阳
鄂州
荆门
孝感
荆州
黄冈
咸宁
随州
恩施土家族苗族自治州
仙桃
潜江
天门

湖北有色金属理论与应用

免费发布技术信息>>
电池及电池模组
电池及电池模组 1133     
 0

本实用新型涉及新能源技术领域,具体公开了一种电池及电池模组。电池包括补锂负极片,补锂负极片上设有负极耳,负极耳上至少部分包裹有铜材质的第一连接件,第一连接件上设有用于连接负极耳和镍极耳的第二连接件,第二连接件的材质为金属镍。本实用新型提供的电池在补锂负极片上的负极耳上包裹第一连接件,第一连接件的材质为铜,可以使表面成分被破坏的负极耳与其它铜极耳通过超声焊接的方式连接,设置镍材质的第二连接件可以使表面成分被破坏的负极耳与外部镍极耳通过超声焊接的方式连接,且该结构简单,成本低。

标签:
加工技术
湖北 - 荆门 来源:中冶有色网 2023-03-18
具有吸附功能的LED应急灯

本实用新型涉及一种LED应急灯,尤其是一种具有吸附功能的LED应急灯,由透光罩、LED灯板、双联锂电池、灯体基板、程序控制板、充电接口板、左侧堵头、右侧堵头以及附着在LED灯板的底部和/或灯体基板的内壁上的至少一个磁铁构成,LED灯板和双联锂电池设于灯体基板内,程序控制板与LED灯板的一侧电路连接,充电接口板与双联锂电池一侧电路连接,透光罩卡合在灯体基板的顶部。本实用新型通过固定在其内部的磁铁从而具有吸附功能,以达到将其放置在能够与磁铁相吸附的金属材料上使用,可避免灯体因此晃动以影响LED应急灯的使用;另外,通过程序控制板可以转换成SOS频闪,输出颜色转换,及四级调光使其达到节能输出,增强发光时间;其整体轻便小巧,便于携带。

标签:
加工技术
湖北 - 随州 来源:中冶有色网 2023-03-18
手提式电动超低量喷雾器

本实用新型公开了喷雾器领域的手提式电动超低量喷雾器,包括安装盒,安装盒内部的一端设置有泵液组件以及锂电池模块,安装盒内部远离锂电池模块的一端固定有聚风筒,聚风筒的内部设有高速马达,高速马达通过第一导线与锂电池模块电连接,高速马达的输出端安装有叶扇,聚风筒的另一端连接有出风管;本方案所提出的喷雾器在各零件的相互配合下,通过泵液组件与高速马达以及超低量喷头的共同作用,实现了自动喷雾的效果,从而与传统的喷雾器相比,省却了人员频繁按压打气柄的操作,即降低了人员因按压打气柄而导致的手臂酸痛现象。

标签:
加工技术
湖北 - 宜昌 来源:中冶有色网 2023-03-18
小型简易的直流风扇
小型简易的直流风扇 1031     
 0

本实用新型涉及一种小型简易的直流风扇,包括大容量圆筒状锂电池,电池正极罩,线圈,圆柱状强磁铁,扇叶,扇叶固定装置,铁质底座;圆柱状强磁铁吸在铁质底座中央,将大容量圆筒状锂电池吸在圆柱状强磁铁上方,大容量圆筒状锂电池的正极套上电池正极罩,将线圈的下方圆圈套在圆柱状强磁铁上,线圈上方支点放在电池正极罩的中央圆锥角上,将扇叶通过扇叶固定装置固定在线圈上。相比于传统的台式风扇,壁挂式风扇和落地式电风扇,具有体型较小、结构简单、风量较小的优点,可用于夏天散热降温,防止传统风扇的大风量引发感冒,也可以用于电气设备比如电脑的辅助降温。

标签:
加工技术
湖北 - 武汉 来源:中冶有色网 2023-03-18
锗掺杂类硅负极材料及制备方法和应用

一种锗掺杂类硅负极材料及制备方法和应用,该锗掺杂类硅负极材料由相连纳米骨架构成并拥有三维贯穿的孔道,锗很均匀的分散在硅骨架中,硅骨架所形成的颗粒约为1‑10μm。该发明根据等价类质同象理论制备的微量锗等掺杂微米硅负极,降低了硅负极首圈循环中的“死锂”残留,从而提高了硅负极的首圈库伦效率。且部分等价但直径更大的离子取代原离子扩大晶格尺寸来提高离子电导率,将锗或锑等作为等价原子与硅形成合金,稳定多孔硅整体骨架结构,能够极大的缓解硅在脱嵌锂过程中的体积变化,可应用于制作高首效、高容量和高倍率性能的锂离子电池负极材料。

标签:
加工技术
湖北 - 武汉 来源:中冶有色网 2023-03-18
驱动电路板连接结构及显示装置

本发明公开了一种驱动电路板连接结构及显示装置,包括减震垫片、驱动电路板、橡胶保护壳体和高能锂电池,所述减震垫片上方安装有电路板连接架,所述显示屏支撑腿上方连接有所述橡胶保护壳体,所述橡胶保护壳体下方安装有显示屏背光灯,所述显示屏背光灯下方安装有底部反光膜,所述底部反光膜下方连通有液晶显示屏,所述液晶显示屏上方安装有所述高能锂电池,所述高能锂电池下方安装有中间连接头,所述中间连接头上方安装有固定螺栓,所述固定螺栓下方安装有螺栓安装架。有益效果在于:将驱动电路板与显示装置分离放置,采用导线连接,解决了液晶显示屏内部元件损坏的问题,同时连接结构占用体积小,便于安装。

标签:
加工技术
湖北 - 咸宁 来源:中冶有色网 2023-03-18
纤维素与过渡金属碳/氮化物复合的三维集流体及其制备方法和应用

本发明提供了一种纤维素与过渡金属碳/氮化物复合的三维集流体及其制备方法和应用,通过集流体表面和层间的极性官能团,使其成为亲锂的活性位点,在金属沉积过程中提供成核位点,调控并诱导金属锂的均匀沉积,避免金属锂枝晶的形成。同时,利用集流体层间微球支撑的孔隙,形成类三明治结构,具有合适的层间距和孔容,可以提供更多的容纳金属的空间,实现高的金属沉积量。采用上述结构的集流体的金属二次电池,具有无粘结剂,柔性自支撑的特点。还提供了与之匹配的柔性正极材料,由纤维素与正极活性材料自组装而成,该复合正极材料具有柔性自支撑的优势,无需金属集流体,具有更高的整体比容量,为在柔性储能器件中的应用提供可能。

标签:
加工技术
湖北 - 武汉 来源:中冶有色网 2023-03-18
氮磷共掺杂柔性碳纤维膜负极材料的制备方法

本发明公开了一种超薄氮磷共掺杂柔性碳纤维膜锂/钠离子电池负极材料的备方法,属于电化学和新能源材料领域。本发明直接将滤纸和水合肼水热后得到掺氮滤纸,再与尿素溶液混合干燥,放入到气氛管式炉中煅烧,滤纸在高温下碳化形成碳纤维纸,尿素在高温下分解产生气体,使碳纤维纸剥离成超薄碳纤维膜,得到氮磷共掺杂的碳纤维膜。氮磷共掺杂碳纤维膜中,造成碳纤维的缺陷和改变其能带结构,提高材料的比容量和锂离子扩散速率。碳纤维在材料内部形成三维导电网络,提高材料的导电性能。该电极材料具有良好的力学柔韧性能,适合用于制作柔性电极,无任何添加剂,作为锂/钠离子电池负极材料,表现出了超高的比容量和优异的循环稳定性。

标签:
加工技术
湖北 - 宜昌 来源:中冶有色网 2023-03-18
动力电池用电解液
动力电池用电解液 1004     
 0

本发明属于动力电池技术领域,尤其涉及一种动力电池用电解液,包括溶剂、锂盐和添加剂,其特征在于,所述溶剂至少包括碳酸乙烯酯和碳酸丙烯酯;按质量份剂,所述添加剂包括:氯代碳酸乙烯酯30%‑60%;氟代硼基化合物(C6H3F)O2B(C6H3F2)40%‑60%;碳酸锂0.1%‑1%;二苯醚1%‑20%;锂盐至少包括LiBF2(C2O4)。相对于现有技术,本发明通过各组分的互相配搭,协同增效,得到的电解液具有较好的低温循环性能、高温循环性能、容量性能和氧化稳定性,能够适用于高电压的环境,并适用于作为动力电池的电解液,其能够减少高镍材料在使用过程中的膨胀。

标签:
加工技术
湖北 - 咸宁 来源:中冶有色网 2023-03-18
固态电解质及其制备方法和含有该固态电解质的固态电池

本发明涉及固态电解质及其制备方法和含有该固态电解质的固态电池,固态电解质,由聚合物基体、锂盐和无机陶瓷电解质粉体组成;固态电解质的制备方法,包括以下步骤:S1、备料;S2、原料烘干;S3、无机陶瓷电解质粉体分散;S4、聚合物基体溶解;S5、锂盐溶解;S6、固态电解质制备;固态电池,具备正极、负极以及配置在所述正极与所述负极之间的上述任意一项所述的固态电解质;本发明提供的固态电解质,具有良好的室温离子电导率、机械性能及加工性能,可大大提升锂离子电池的安全性,简化生产步骤,降低生产成本,同时,利用该固态电解质制作的固态电池具备良好的电性能和安全性能,有效的降低了电池起火爆炸的风险。

标签:
加工技术
湖北 - 武汉 来源:中冶有色网 2023-03-18
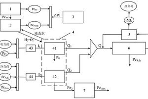
基于PEMEC-PEMFC闭式运行的冷热电氢联供系统

本发明涉及冷热电联合供给领域,公开了一种基于PEMEC‑PEMFC闭式运行的冷热电氢联供系统,包括有再生能源发电系统、锂电池、质子交换膜电解槽、PEMFC电堆、蓄热罐、辅助供能系统;再生能源发电系统用于提供电能,该电能输送至质子交换膜电解槽中用于将水电解成氧气和氢气,且多余的电能由锂电池储存;或者该电能输送至质子交换膜电解槽中用于将水电解成氧气和氢气,且不足的电能由锂电池提供;氧气和氢气进入PEMFC电堆中发生化学反应以产生液态水和热能;PEMFC电堆用于给外界提供电负荷以及为辅助供能系统提供电功率。本发明基于PEMEC‑PEMFC闭式运行的冷热电氢联供系统实现了对再生能源的转化利用,同时实现了水与氢气、氧气之间的循环转换。

标签:
加工技术
湖北 - 武汉 来源:中冶有色网 2023-03-18
电动汽车专用电池
电动汽车专用电池 1034     
 0

本实用新型的名称是电动汽车专用电池,涉及一种安装在电动汽车上的二次充电电池,电池内部设有散热装置的电动汽车用的锂电池。它主要是解决电动汽车采用大容量的锂电池,由于内部的散热不能解决,大电流充放电发热快,因此降低了电池的使用寿命,且电池使用不安全的问题。本实用新型的专用电池包括两块软包锂电池之间用一块散热板相隔后叠加装入外包装盒组成大容量电池,其特征是:散热板的侧边伸出外包装盒。本实用新型的电池由于将散热板的面积加大,将侧边伸出外包装盒,因此可以采用风冷或者水冷装置,通过散热板对电池进行风冷散热或循环水冷散热,从而大大提高了电池的使用寿命和使用的安全性。

标签:
加工技术
湖北 - 襄阳 来源:中冶有色网 2023-03-18
通过清洁能源驱动的路政巡查车

本实用新型公开了一种通过清洁能源驱动的路政巡查车,涉及道路巡查用车领域。它包括车身、位于车身底部的底盘、与底盘连接的前轮和后轮,所述底盘的顶部设置有锂离子电池组,所述底盘的底部设置有直流驱动电机,所述锂离子电池组与直流驱动电机电连接,所述直流驱动电机与后轮连接;所述车身内设置有用于监测路貌和路况的自动监测对比模块。本实用新型使用时主要通过纯电力驱动,只有在锂离子电池组电量低时,才启动燃料发电装置驱动;本实用新型的油耗较低,产生的噪音较小,排放的尾气较少,不仅使用成本较低,比较环保,而且巡查道路的路貌和路况时,巡查过程比较简单,便于人们使用。

标签:
加工技术
湖北 - 武汉 来源:中冶有色网 2023-03-18
便捷式电池更换智能水表

本实用新型公开了一种便捷式电池更换智能水表,一种便捷式电池更换智能水表,包括智能水表,所述智能水表上端中部开有固定槽,所述固定槽下侧壁中部开有第一圆孔,所述固定槽下侧中部开有第二圆孔,所述第二圆孔下侧壁安装有第二磁条,所述固定槽内腔活动连接有活动槽,该便捷式电池更换智能水表通过设置有弹簧、金属活动块、金属弧形触头、推拉杆、活动槽和固定槽的结构,起到了方便快捷的更换锂电池的效果,从而解决了常规智能水表在更换锂电池的时候需要把智能水表拆卸下来后再更换锂电池而导致工作效率低下的问题,大大提高了工作效率,且操作简单便捷,适合于大规模推广应用。

标签:
加工技术
湖北 - 荆门 来源:中冶有色网 2023-03-18
NCM613单晶型正极材料及其制备方法

本发明涉及正极材料制备技术领域,公开了一种NCM613单晶型正极材料及其制备方法。该方法包括以下步骤:(1)将原料中的部分氢氧化锂、前驱体Ni0.6Co0.1Mn0.3(OH)2、添加剂加和剩余氢氧化锂依次加入混料机中,然后进行混料,得到混合料;(2)将混合料放入匣钵中,并进行切块,然后将匣钵转移至烧结炉中进行第一次烧结;(3)将第一次烧结得到的物料进行破碎,接着与包覆剂进行混合,然后转移至烧结炉中进行第二次烧结。其中,前驱体Ni0.6Co0.1Mn0.3(OH)2与氢氧化锂的摩尔比为1:(1.05‑1.1)。该方法可以制得低钴型高放电比容量,且循环性能优异的NCM613单晶正极材料。

标签:
加工技术
湖北 - 黄石 来源:中冶有色网 2023-03-18
小型船舶的风光互补能量系统及控制方法

本发明提供一种小型船舶的风光互补能量系统,包括200W螺旋形垂直轴风力发电机、单晶100W光伏发电板、LHLN02‑01/12型号风光互补控制器和储能装置,储能装置包括三元锂电池和超级电容;200W螺旋形垂直轴风力发电机的输出端分别连接LHLN02‑01/12型号风光互补控制器的1、2、3号端子;单晶100W光伏发电板的输出端分别连接LHLN02‑01/12型号风光互补控制器的4、5号端子;三元锂电池和超级电容均连接LHLN02‑01/12型号风光互补控制器的6、7号端子;船用直流负载与三元锂电池并联;船用直流负载为生活用电负载。本发明利用LHLN02‑01/12型号风光互补控制器,对风能发电和光发电的电能进行合理协调;超级电容的应用使得纯电船在启动或制动时更稳定;最终实现船舶零排放,并且运行稳定。

标签:
加工技术
湖北 - 武汉 来源:中冶有色网 2023-03-18
新型多功能无源充电器
新型多功能无源充电器 1143     
 0

本发明涉及一种新型多功能无源充电器,包括充电器壳体、太阳能电池板、锂电池、手动发电装置、印刷电路板PCB、开关变压装置,其特征在于:所述的太阳能电池板安装在充电器壳体上,所述的锂电池、手动发电装置、印刷电路板PCB、开关变压装置安装在充电器壳体内部;锂电池分别与手动发电装置、印刷电路板PCB、开关变压装置串联成回路,太阳能电池板并联在手动发电装置两端,充电器壳体设置有电源输出USB接口,并设有电源输入插孔。本发明利用物理发电机的原理,用户能通过转动手柄或太阳能电池板产生电流,解决了户外充电的难题。同时,本发明一侧设有三个电源输出USB接口,可同时为三个电器充电。

标签:
加工技术
湖北 - 武汉 来源:中冶有色网 2023-03-18
陶瓷相硅氮层包覆硅负级材料、制备方法及其应用

一种陶瓷相硅氮层包覆硅负级材料、制备方法及其应用,包括:选用硅纳米颗粒或硅纳米或多孔硅颗粒等为原料,将原料浸泡在氢氟酸溶液中出去表面氧化硅,冷冻干燥处理;将硅样品置于气氛炉中,在含氮气氛下以一定升温速率加热后保温进行氮化处理,冷却至室温即可得到陶瓷相硅氮层包覆的硅负极复合材料。该硅氮层是由化学计量比Si3N4和非化学计量比SiNx复合而成,能解决硅导电性不足和固体电解质膜不稳定问题,同时Si3N4作为陶瓷相能够提供机械强度,缓解过度膨胀导致的结构粉化现象。另外,SiNx在嵌Li+后形成高导电和高锂离子传输的Li3N,因而硅氮层包覆硅负极材料表现出优异的储锂性能,在锂离子电池具有应用前景。

标签:
加工技术
湖北 - 武汉 来源:中冶有色网 2023-03-18
电动移位车
电动移位车 680     
 0

本发明所公开的电动移位车是医疗单位用于危重患者的医疗移动设备,主要解决患者医疗移动不便困难,医护人员操作复杂费力等问题;它由工作平台电动升降装置、头背板电动转折装置、升降传动器、转折传动器、锂电池、仪表箱、车架、按键盒、充电器等构成;通过锂电池驱动升降传动器、转折传动器的伸缩轴作直线运动,工作平台升降到与其它医疗设备台面位置相平齐后自动停止并自锁,缩短患者移动的距离和时间,减轻患者因移动带来的痛苦,头背板转折到头背抬起舒适的角度后自动停止并自锁,自锁功能是确保患者的绝对安全;电子控制使医护人员操作简便省力,并减轻工作强度,锂电池对人和医疗环境均无污染等优势对医疗技术服务水平的提升和支持发挥作用。

标签:
加工技术
湖北 - 武汉 来源:中冶有色网 2023-03-18
用于真空隧道炉烘烤的隔间式物料平台

本发明公开了一种用于真空隧道炉烘烤的隔间式物料平台,包括多个底板、多个侧板,各底板平行设置,各侧板相互平行,各底板和侧板将平台内腔分为若干个隔间;各隔间设有若干个挡板,分隔放置锂电池块;各隔间内均匀设有多个平行的U型热导管。本发明利用U型热导管的快速均温特性,借由其腔体内导热流体持续循环的液气二相变化,使腔体表面呈现快速均温的特性而达到传热的目的。本发明的应用,不会影响移载机的结构,仍可以用现有的移载机装卸电池。本发明利用热导管快速均温的特性,将真空下单纯的热辐射转化为整体热传导而局部热辐射,实现了热量由热源到电池的快速传导,使得各个锂电池受热均匀,同时缩短锂电池的加热时间,提高生产效率。

标签:
加工技术
湖北 - 武汉 来源:中冶有色网 2023-03-18
伸缩式道路警示牌装置
伸缩式道路警示牌装置 1089     
 0

一种伸缩式道路警示牌装置,由储能装置、控制装置和运动装置组成。所述储能装置包括太阳能板箱、控制电路和锂电池,太阳能板箱不仅能保护控制电路、锂电池和电动机,还能通过控制电路中的电路转换模块,将太阳光转换成电能并储存在锂电池中。所述控制装置包括控制电路和电动机,控制电路中有时钟模块,能记录当下的时间,并在特定的时间节点,控制电动机进行旋转。所述运动装置包括电动机、齿轮、齿条和禁止牌,电动机通过齿轮齿条副带动禁止牌产生水平的平移运动,从而使禁止牌产生缩进、伸出动作,在规定的时间段让司机更直观的了解本道路的规定。

标签:
加工技术
湖北 - 荆门 来源:中冶有色网 2023-03-18
在线双路供电电源诊断电路、方法及存储介质

本申请涉及一种在线双路供电电源诊断电路、方法及存储介质,该在线双路供电电源诊断电路包括电池包模块和电池管理系统模块;电池包模块,包括第一锂电池及继电器;电池管理系统模块包括与供电取电点A电连接的BAT供电回路模块,与供电取电点B电连接、且与BAT供电回路模块并联的KL供电回路模块,与BAT供电回路模块、KL供电回路模块均电连接的诊断回路模块,与诊断回路模块电连接、并与第一锂电池电连接的第二锂电池,及与BAT供电回路模块、KL供电回路模块和诊断回路模块均电连接的MCU控制模块;能实现BMS电池管理系统自主诊断,同时能在整车行车过程中无需继电器断开,实现在线诊断,诊断灵活性强。

标签:
加工技术
湖北 - 武汉 来源:中冶有色网 2023-03-18
高安全的固态电池储能系统及其控制方法

本申请涉及一种高安全的固态电池储能系统及其控制方法,系统包括舱体和储能云平台,所述舱体的内部设置有固态锂离子电池、电池管理系统、储能双向变流器、监控系统,所述固态锂离子电池与所述储能双向变流器的直流侧电连接;所述储能双向变流器的交流侧与交流电网连接;所述电池管理系统设置在所述固态锂离子电池模组的前面板;所述电池管理系统和所述储能双向变流器通信连接所述监控系统,并且所述监控系统通信连接储能云平台。系统具备定时充放电和根据调度指令进行充放电控制功能,可应用于配用电侧提高电网供电能力、改善电能质量、备用电源及应急供电。

标签:
加工技术
湖北 - 黄冈 来源:中冶有色网 2023-03-18
固态电池塑料封装材料及其应用

本发明属于新能源、电化学以及高分子材料领域,更具体地,涉及一种固态电池塑料封装材料及其应用。该固态电池塑料封装材料按重量份计,包括60~70份的紫外光固化预聚体、20~35份的活性稀释剂单体和5~15份的光引发剂。将上述塑料封装材料应用于全固态塑料锂离子电池的制备,制备过程中使用紫外光固化塑料封装工艺代替传统的钢壳和铝塑膜封装工艺,有效地减少了金属的资源使用和极大的提高了锂离子电池的能量密度;另一方面,固态电解质隔膜的使用,使得制备的塑料电池具有优良的柔性、可折叠性能以及良好的安全性能;最后将集电极铝箔和铜箔直接用于电池的测试,减少了镍电极和铝电极的使用,进一步提高了锂离子电池的能量密度。

标签:
加工技术
湖北 - 武汉 来源:中冶有色网 2023-03-18
质子交换膜燃料电池混合能量管理系统

一种质子交换膜燃料电池混合能量管理系统,所述系统包括:PEMFC电堆、直流母线、负载、升压DC/DC变换器、锂电池、双向DC/DC变换器、第一控制器和第二控制器。提供的一种质子交换膜燃料电池混合能量管理系统,以PEMFC电堆输出负载平均功率、锂电池释放或吸收负载突变功率为基本策略,采用PI反馈控制算法实现功率输出控制,采用PI反馈控制算法实现电量控制,实现了负载跟踪的快速性和锂电池SOC的可控性,避免了PEMFC电堆内部的燃料亏空现象,有效地提高了系统整体性能。

标签:
加工技术
湖北 - 鄂州 来源:中冶有色网 2023-03-18
检测充电剩余时长的方法及装置

本发明专利提供了一种检测充电剩余时长的方法及装置,属于充电技术领域,应用在终端设备外接充电设备的场景,所述方法包括:获取所述充电设备的触点与终端设备的触头之间的实时电流数值,所述触头上设置有一测流电路,用以检测流经所述终端设备触头的实时电流数值;获取所述终端设备内置锂电池的剩余电容量数值,所述锂电池连接有一测压电路,本发明定时获取充电设备与终端设备之间的电流数值变化,能够应用于对充电设备剩余电量的把控,旨在在充电设备电量衰竭之前充分提示用户;定时获取充电设备与终端设备之间的电流数值与终端设备内置锂电池的剩余电容量数值,能够应用于获取终端设备的剩余充电时长。

标签:
加工技术
湖北 - 武汉 来源:中冶有色网 2023-03-18
硫化物固态电解质、其制备和应用

本发明属于固态电池技术领域,更具体地,涉及一种硫化物固态电解质、其制备和应用。本发明提出的硫化物固态电解质,通过向硫化物电解质中引入卤素元素,有效的提高硫化物固态电解质的离子电导率。掺杂的卤素原子优化了离子的传输通道,加快了锂离子迁移速率,因此与未掺杂材料相比,掺杂卤素的电解质材料具有更高的锂离子电导率。通过向硫化物电解质中引入卤素元素,并配合制备工艺改进,提高硫化物固态电解质的枝晶抑制性能,进而提升全固态锂金属电池的容量和循环性能。

标签:
加工技术
湖北 - 武汉 来源:中冶有色网 2023-03-18
太阳能智能邮箱
太阳能智能邮箱 832     
 0

一种太阳能智能邮箱,它包括柜体(1)、柜门(2)、太阳能装置、智能密码锁模块和远程控制模块,所述柜体(1)内部设有储存空间和电器空间,所述柜门(2)通过门轴活动安装在柜体(1)上,所述太阳能装置包括太阳能光伏板(3)、光伏板控制器和锂电池组,所述太阳能光伏板(3)通过支架安装在柜体(1)顶部,所述光伏板控制器和锂电池组安装在柜体(1)内部的电器空间,且锂电池组通过光伏板控制器与太阳能光伏板(3)电连接;本发明结构简单,节能环保,能有效解决没人在家接收快递的情况,使用方便,安全可靠,具有很好的实用价值。

标签:
加工技术
湖北 - 荆门 来源:中冶有色网 2023-03-18
从废旧正极材料浸出液中除杂并再生正极材料的方法

本发明属于废旧锂离子电池回收技术领域,更具体地,涉及一种从废旧正极材料浸出液中除杂并再生正极材料的方法。首先将浸出液与金属络合剂混合,加热蒸发得到溶胶凝胶前驱体,然后将该前驱体进行预煅烧得到待除杂产物,预煅烧过程中钴、镍、锰元素形成金属氧化物,而无机阴离子或阳离子杂质仍以可溶于水的成分存在,水洗即可除去杂质,对固液分离得到的固相进行补锂之后,高温煅烧得到再生的锂离子正极材料。实验发现,本发明方法可以避免浸出液杂质对再生正极材料的影响,获得的再生正极材料组装成电池后,测试其电化学性能优异,其容量能够达到直接购买的商用新鲜正极材料的90%及以上。

标签:
加工技术
湖北 - 武汉 来源:中冶有色网 2023-03-18
热电制冷制热的医用手环

本发明公开了一种热电制冷制热的医用手环,包括手环组件和半导体组件,手环组件包括表底盘和腕带,腕带连接在表底盘的两端以形成可佩带的表带;半导体组件包括热电模块、散热翅片、纽扣锂电池、控制器和隔热材料,热电模块安装在表底盘的上端,散热翅片安装在热电模块的上端;纽扣锂电池安装在热电模块的一侧,并为热电模块提供直流电流;控制器安装在纽扣锂电池的一侧,以控制直流电流的大小和方向;隔热材料填充在热电模块的两侧,并位于散热翅片与表底盘之间,以在散热翅片与表底盘之间形成绝热层。本发明利用热电制冷技术,通过改变热电模块工作电流的大小和方向,实现不同程度的制冷和制热功能,具有结构简单,使用方便,寿命长等优点。

标签:
加工技术
湖北 - 武汉 来源:中冶有色网 2023-03-18
上一页 483 484 485 486 487 ... 500 ... 1138 下一页
共1138页    到第

中冶有色为您提供最新的湖北有色金属理论与应用信息,涵盖发明专利、权利要求、说明书、技术领域、背景技术、实用新型内容及具体实施方式等有色技术内容。打造最具专业性的有色金属技术理论与应用平台!

全国热门有色金属设备推荐
展开更多 +
全国热门有色金属技术推荐
展开更多 +

 

江西省隆恩特环保设备有限公司
宣传

报名参会
更多+

报告下载

有色专家
更多+

中南大学
中国工程院 院士
北京科技大学
主任/教授
矿冶科技集团有限公司
所长/研究员级高工
昆明理工大学
教授
紫金矿业信息化研发中心
副总经理
赤泥综合利用研究报告2025
推广

热门技术
更多+

推荐企业
更多+

福建省金龙稀土股份有限公司
宣传

发布

在线客服

公众号

电话

顶部
咨询电话:
010-88793500-807