青岛垚鑫智能科技有限公司
宣传

位置:中冶有色 >

有色技术频道 >

> 新能源材料技术

分类:
全部
矿山技术
冶金技术
材料制备及加工技术
环境保护技术
分析检测技术
 
全部
功能材料技术
复合材料技术
新能源材料技术
合金材料技术
加工技术
地区:
全部
北京
天津
上海
重庆
河北
山西
辽宁
吉林
黑龙江
江苏
浙江
安徽
福建
江西
山东
河南
湖北
湖南
广东
海南
四川
贵州
云南
陕西
甘肃
青海
内蒙
广西
西藏
宁夏
新疆
其他
其他
展开
 
全部
武汉
黄石
十堰
宜昌
襄阳
鄂州
荆门
孝感
荆州
黄冈
咸宁
随州
恩施土家族苗族自治州
仙桃
潜江
天门

湖北武汉有色金属新能源材料技术理论与应用

免费发布技术信息>>
基于区域电网架构的分布式电能资源接入运行系统

本发明提出一种基于区域电网架构的分布式电能资源接入运行系统,所述区域电网架构包括三层,针对区域电网架构设置区域网络能量管理系统和区域源/荷能量管理系统,所述区域网络能量管理系统包括专有的监控通信网络,所有测量单元通过该监控通信网络向区域网络运行方发送监测信息,所述区域源/荷能量管理系统以互联网作为通信网络,各级电能交易商、区域电源和区域负荷经由客户端接入互联网;区域网络能量管理系统和区域源/荷能量管理系统之间建立通信。本发明能够有效解决高渗透率分布式电能资源接入运行面临的问题,对于推动新能源发电的进一步发展,实现区域电网运行能力、用户用电水平及新能源发电规模的动态均衡发展,具有重要市场价值。

标签:
新能源
湖北 - 武汉 来源:中冶有色网 2023-03-18
宽增益DC-DC变换器及其控制方法

本发明公开了一种宽增益DC‑DC变换器及其控制方法,属于电力电子技术领域。传统的电力电子变换器不能满足分布式新能源发电系统提出的功率多向流动、宽增益、高功率密度等要求。本发明提出的宽增益DC‑DC变换器拓扑采用多桥臂复用技术,将双向Buck‑Boost变换器的Boost单元与双有源桥变换器的半桥桥臂复用,将交错Buck‑Boost变换器与双有源桥变换器的原边全桥复用,在具有宽增益端口、低电流纹波端口、恒压端口和隔离端口的同时,能够减少开关管数量、降低制造成本、提高功率密度、减小开关损耗和导通损耗。本发明提出的控制方法,包括电感电流闭环调制与脉冲注入调制方法,能够实现所有开关管全功率范围的软开关。适用于分布式新能源发电、新型家庭发电系统等场合。

标签:
新能源
湖北 - 武汉 来源:中冶有色网 2023-03-18
计及移动式储能的配电网应急调度结算方法、装置及介质

本发明公开了一种计及移动式储能的配电网应急调度结算方法、装置及介质。方法包括:构建计及移动式储能资源参与的配电网应急调度能量模型;并根据最优能量调度方案,确定所有参与主体在调度时段内的共享能量和微网新能源消纳率;基于共享能量和微网新能源消纳率,采用双边激励机制确定每个参与主体的议价因子;应用非对称纳什议价模型,构建计及移动式储能资源参与的配电网应急调度结算模型;应用优化求解器对配电网应急调度结算模型进行求解,得到配电网的最优结算方案。本发明可有效激励移动式储能参与配电网的应急调度,有效提升配电网应急供电的灵活性、经济性和可靠性。

标签:
新能源
湖北 - 武汉 来源:中冶有色网 2023-03-18
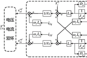
提高虚拟同步机暂态功角稳定性的控制方法和系统

本发明公开了一种提高虚拟同步机暂态功角稳定性的控制方法和系统,属于新能源发电技术领域。本发明在同时考虑功率环和电压电流双环情况下,为了消除有功环中的潜在正反馈机制并增强无功环的负反馈机制,改进了功率反馈结构,实现输出有功、无功功率直接控制输出电压的d、q轴分量,避免了相角持续积分带来的正反馈暂态失稳问题,也避免了Qvsg‑vcd‑iod‑Pvsg耦合带来的无功环对有功功率输出的影响,增强了虚拟同步机的功角稳定性,由此增强了虚拟同步机的抗扰动性能,从而显著提高了系统的稳定性。实验证明,本发明方法在电网电压大幅跌落时可以稳定运行,大大增强了虚拟同步机抗扰动性能并具有电网支撑能力。

标签:
新能源
湖北 - 武汉 来源:中冶有色网 2023-03-18
基于碳捕集电厂与抽水蓄能联合运行的电力系统低碳经济调度策略

本发明提出了一种基于碳捕集电厂与抽水蓄能联合运行的电力系统低碳经济调度策略。该策略有效地实现电力系统低碳经济运行的同时提高新能源消纳能力。克服了传统的火电厂高碳排放和调峰能力不足的问题,应对碳捕集电厂参与调度的缺陷和增强新能源消纳能力,为实现我国“碳达峰、碳中和”目标,提供了理论基础和现实解决方案。灵活运行碳捕集电厂和抽水蓄能联合运行能够实现全时段内的低碳经济互补协同,从与当前系统灵活资源联合调度的优势出发为碳捕集电厂的大范围应用提供可行解。

标签:
新能源
湖北 - 武汉 来源:中冶有色网 2023-03-18
燃料电池氢能汽车多能源动力系统测试台架

一种燃料电池氢能汽车多能源动力系统测试台架,其特征在于,包括:变频逆变系统、第一电力测功组、第二电力测功组、第三电力测功组、第四电力测功组、第一电机组、第二电机组、总控单元、数据采集单元、数据分析单元、多能源动力系统和CAN2总线。本发明能够对氢燃料电池、动力电池、超级电容等多种新能源进行动力系统联合测试;能够模拟标准工况或自定义工况对新能源车多能源动力系统能量管理策略进行验证;能够与仿真数据进行比较,支持对能量管理控制策略进行在线修改和参数标定,达到仿真数据与台架数据的有效统一。

标签:
新能源
湖北 - 武汉 来源:中冶有色网 2023-03-18
直流电网的储能配置方法

本发明公开了一种直流电网的储能配置方法,以典型日下储能日化投资与火电机组运行成本之和最小为目标,并综合考虑火电机组、抽蓄电站、电池储能电站的运行,搭建含新能源接入的直流网络储能配置模型;该模型为非凸非线性模型,为进行有效求解,采用分段线性化、大M法线性化、二阶锥松弛等手段对模型进行凸化处理,得到等效的含新能源接入直流电网的储能容量配置二阶锥模型,可通过商业求解器直接进行求解。通过本发明获取的最优结果可合理配置直流电网储能,进而提高风电利用率并降低系统运行成本。

标签:
新能源
湖北 - 武汉 来源:中冶有色网 2023-03-18
双路径供能的公交车及供能方法

本申请公开了一种双路径供能的公交车及供能方法,涉及新能源车辆技术领域,公交车还包含:燃料电池动力系统;设置于行李舱且可充电的动力电池;设置于车身顶部的若干储氢瓶,其通过管道给燃料电池动力系统供氢;设置于后仓的空压机,其通过管道给燃料电池动力系统供氧;多合一模块,其分别与燃料电池动力系统、动力电池和电机相连;多合一模块内部具有监测板块和控制板块,监测板块监测动力电池的电量,控制板块根据监测板块的电量数据控制燃料电池动力系统和动力电池对电机进行组合供电。本申请的公交车及供能方法,沿用传统CNG车身结构,将CNG公交车改进成同时具备电动公交车和CNG公交车性能的新能源公交车。

标签:
新能源
湖北 - 武汉 来源:中冶有色网 2023-03-18
没有预充电继电器的汽车高压系统电路

本发明属于节能与新能源汽车领域,特别涉及节能与新能源汽车高压系统电路、高压系统电路中容性负载上电时的充电控制方法。本发明汽车高压系统电路,包括控制系统(具体控制功能可以由整车控制器、电池管理控制器、动力电机控制器或其它控制器等单一或两个以上控制单元组合实现)、动力电池、主正继电器、主负继电器、逆变器、直流变换器和低压蓄电池,逆变器和直流变换器共用主正继电器和主负继电器,其中高压电器总成不限于逆变器和直流变换器。直流变换器具有电压双向变换功能或者内置低压升高压的开关电源电路。

标签:
新能源
湖北 - 武汉 来源:中冶有色网 2023-03-18
高稳定性的聚合物粘结无机氧化物锂电池隔膜涂层及其制备方法

本发明属于新能源材料领域,具体涉及一种高稳定性的聚合物粘结无机氧化物锂电池隔膜涂层及其制备方法。其特征是利用氧化铝、氧化硅双性无机氧化物在pH值小于等电位点时表面zeta电位为正值的特点,采用官能基团带负电荷的聚合物粘结剂与无机氧化物静电自组装形成紧密的化学键,在涂布后形成结构稳定的无机氧化物涂层。其主要工艺步骤包括:配置无机氧化物‑水分散液并测量其等电位点、调节无机氧化物‑水分散液的pH值至等电位点以下、带磺酸根侧链的聚合物与无机氧化物静电自组装并形成浆料、涂布和干燥。该方法不仅增强了粘结剂和无机氧化物的结合力,而且其浆料涂布工艺与传统涂布技术完全一致,工艺简单、成本可控。

标签:
新能源
湖北 - 武汉 来源:中冶有色网 2023-03-18
In4Se3热电化合物粉体的制备方法

本发明属于新能源材料领域。一种In4Se3热电化合物粉体的制备方法,其特征在于:它包括如下步骤:1)根据亚硒酸钠与铟的水合可溶性盐中硒元素和铟元素的物质的量比为3∶4~3.1∶4,配制铟的水合可溶性盐与亚硒酸钠的混合溶液A;2)在混合溶液A中加入还原剂水合肼,控制反应温度为50~80℃,反应3~12小时,得到产物B;3)将产物B进行离心,将离心得到的沉淀进行冷冻干燥,得到暗红色粉末;4)将暗红色粉末在氢气气氛下于450~525℃还原1~3小时,得到In4Se3热电化合物粉体。本发明所采用的原料廉价易得,工艺简单易控,反应时间短,能耗低,污染小,重复性好,且适用于大规模制备。

标签:
新能源
湖北 - 武汉 来源:中冶有色网 2023-03-18
超薄石墨烯粉体的制备方法及其制备的产品

本发明公开了一种超薄石墨烯粉体的制备方法及其制备的产品,属于石墨烯制备技术领域。本发明方法具体包括如下步骤:先以石墨棒为工作电极,在电解液中加入直流电压,电解,经过后处理得到石墨烯前驱体;然后将所述石墨烯前驱体溶解后超声,抽滤,滤出固体放入高压釜内超临界处理一段时间,再快速降压,使釜内压力降至常压,最后将所得产物重复离心洗涤干燥,即制备得到超薄石墨烯粉体。本发明结合了电化学法和超临界二氧化碳法的优点,整个剥离过程,最大程度地保持了石墨烯地内部晶体结构,所制备的超薄石墨烯厚度仅为1‑5nm,片层均匀且连续性好,缺陷少,电导率高,在电子元器件、催化以及新能源等领域具有广泛的应用前景。

标签:
新能源
湖北 - 武汉 来源:中冶有色网 2023-03-18
双套筒式电极用水作燃料的内燃机装置

本发明属新能源与节能环保技术领域,特别涉及一种双套筒式电极用水作燃料的内燃机装置,本发明用单独的阴极套筒收集氢气通过单向阀,增压泵输送到电喷器替代原来的汽油和柴油等燃料,用单独的阳极套筒收集氧气通过单向阀直接送入节气门前的进气管与空气一同被负压输送到节气门前与氢气混合送入气缸燃烧,变相的取代了百年来一直用燃油作燃料结构,这种发明原理可根据内燃机功率大(小)加装多个电解槽和多个同类电瓶并连输气或输入电流,满足各种汽车发动机基本结构不变的燃烧原理,开发出新结构可实用的新能源。

标签:
新能源
湖北 - 武汉 来源:中冶有色网 2023-03-18
对勘探钻孔内煤层气进行超前探测采样装置

本发明属于煤层气检测技术领域,即:一种对勘探钻孔内煤层气进行超前探测采样装置,它包括有花管仓、气体检测仓、集气仓,其中,花管仓为四周布满通孔内部中空的管状结构且两端分别与集气仓、气体检测仓连通;集气仓由集气瓶和阀门组成,集气瓶与阀门连接后再与花管仓连接;气体检测仓由传感器仓、控制器仓以及电池仓连通而成,控制器仓能控制传感器仓对花管仓内的煤层气参数进行检测并控制集气仓阀门的开合,电池仓提供控制器的电源。本发明的有益效果:煤层气的多参数检测,以保证煤炭生产安全的同时安全地开发新能源;检测同时可以采样以便后续研究;检测自动化程度高;结构设计紧凑。

标签:
新能源
湖北 - 武汉 来源:中冶有色网 2023-03-18
基于车载终端的换电车辆调度方法及系统

本发明公开了一种基于车载终端的换电车辆调度方法及系统,包括:结合换电站点区域分布情况,按预设第一规则换电站点区域划分进行边界分割,得到分割完成后的各个换电区域;根据车载终端获取新能源换电车实时数据,按预第二规则得到每个换电区域内潜在换电需求的车辆总数;分析潜在换电需求车辆换电时耗,划分各换电区域潜在换电车辆;结合预设第三规则,对存在换电需求车辆进行融合计算,得到需求换电车推荐换电站点。本发明通过车载终端和新能源车联网平台实时获取车辆数据和换电站数据,通过大数据技术进行处理,能够增加换电运营企业换电站内电池周转率,减少用户综合换电时间,并提升换电站选址决策的科学性,提高换电运营效率。

标签:
新能源
湖北 - 武汉 来源:中冶有色网 2023-03-18
基于可变遗忘因子递归最小二乘算法的电网阻抗在线辨识方法及装置

本发明提供一种基于可变遗忘因子递归最小二乘算法的电网阻抗在线辨识方法及装置,通过新能源并网逆变器接入交直流配电网的并网点的等效电路模型构建电网阻抗参数误差模型,采集新能源并网逆变器并网点的电压和电流参数,基于可变遗忘因子递归最小二乘估计的参数辨识方法,对电网等效电路模型的相关参数进行在线辨识。本发明考虑并网点的电压和电流参数的变化情况对递归最小二乘算法的遗忘因子进行自适应调整,然后通过递归最小二乘算法对电网等效阻抗进行在线辨识,避免了传统的电网阻抗辨识方法向电网中人为注入特征次谐波的缺点,解决了复杂工况下的参数辨识问题,有效提高了辨识精度和鲁棒性。

标签:
新能源
湖北 - 武汉 来源:中冶有色网 2023-03-18
基于微电网群和电力可控负荷的虚拟电厂管控装置

本发明公开了一种基于微电网群和电力可控负荷的虚拟电厂管控装置,具体涉及电力技术领域,包括电网,所述电网的输出端与中央处理器的输入端电连接,所述中央处理器与负载、新能源系统和储能系统双向电连接。本发明通过预测模块对气象台传输的天气因素及云数据和数据存储单元传输的环境因素和历史数据对未来用电量进行预测,然后由分析规划模块进行结果的规划处理,最终通过调度模块选择新能源系统还是电网,使得本发明可以达到客观分析的目的,且通过对历史数据、天气因素和环境因素的自动化掌控,从而可以保证预测信息的全面性和准确性,达到合理调整配电的工作,提高了电量利用率,使得本发明具有完善的虚拟电厂管控体系。

标签:
新能源
湖北 - 武汉 来源:中冶有色网 2023-03-18
高层建筑海绵城市综合体系统

本发明涉及一种高层建筑海绵城市综合体系统,包括雨水收集过滤净化系统、雨水再利用系统和新能源应用系统;所述雨水收集过滤净化系统埋于绿化带下方,利用建筑物种植屋面,通过屋面将雨水从建筑物顶层逐层循环、过滤,雨水经收集过滤后进入蓄水池,经泵组提升至过滤、消毒设备处理后进入清水池;所述的雨水再利用系统用于将清水池雨水加压送入回收再利用水管网,供给室外绿化浇洒、道路冲洗及汽车冲洗;所述新能源应用系统包括设置在屋面的太阳能光伏发电系统和风能利用系统。本发明可以解决雨水的回收再利用、建筑环保节能、城市内涝、生态建筑问题。

标签:
新能源
湖北 - 武汉 来源:中冶有色网 2023-03-18
Bi1-xSbx热电合金粉体的超声化学快速制备方法

本发明属于新能源材料领域,具体涉及一种Bi1-xSbx(x=0~0.22)热电合金粉体的超声化学快速制备方法。Bi1-xSbx热电合金粉体的超声化学快速制备方法,其特征在于它包括如下步骤:1)配制BiCl3和SbCl3的混合溶液A,其中Sb/(Bi+Sb)摩尔比x=0~0.22;配制NaOH溶液和NaBH4溶液,将其混合后得到溶液B;2)将溶液B缓慢加入溶液A中,在55~65℃下超声化学反应2~5h,得产物C;3)对产物C进行离心、洗涤和真空冷冻干燥,得到Bi1-xSbx热电合金粉体。本发明所用原料成本低廉、设备和工艺简单易控、反应温度低、反应时间短、能耗低、安全无污染、重复性好,且可用于大规模制备Bi1-xSbx热电合金粉体。

标签:
新能源
湖北 - 武汉 来源:中冶有色网 2023-03-18
高压直流接触器机械和电寿命摸底测试系统和方法

本发明涉及新能源汽车的高压直流接触器机械寿命和电寿命摸底测试系统和方法。测试系统包括24V开关电源(1)、第一通电延时继电器TIMER1(2)、第一五脚继电器J1(3)、第二通电延时继电器TIMER2(4)、第二五脚继电器J2(5)、第三五脚继电器J3(6)、第四五脚继电器J4(7)、DC24V电脉冲信号计数器(9)、被测高压直流接触器K测(10)、压电式无源蜂鸣器(8)、380V工业用交流电转直流电整流桥功率模块(13)、功率电阻(11)、快速熔断器(12)。本发明测试系统结构简单、成本低廉,实用性和专用性强,测试方法以极小的成本解决了新能源汽车领域高压直流接触器用户对不同品牌产品进行机械寿命和电寿命摸底测试的需求。

标签:
新能源
湖北 - 武汉 来源:中冶有色网 2023-03-18
多能源接入的储能方舱设计方法

本发明公开了一种多能源接入的储能方舱设计方法,包括由分布式电源接入、储能接入、能量转换装置、配电装置、中央控制器、嵌入能量管理系统及监控和保护设备组成,能够接入光伏,方舱采用预制形式,方舱内部包括有能量路由器和两个储能柜、交直流开关柜以及BMS管理系统,能量路由器由AC/DC电源模块、AC/DC风电模块、DC/DC低压模块、DC/DC低压模块、DC/DC储能模块以及控制器组成。本发明涉及储能方舱技术领域,该多能源接入的储能方舱设计方法,通过方舱采用预制形式,提供了可车载运输、可快速部署、安全可靠的移动电源平台解决方案;可接入光伏、风能、油机和市电,提供了新能源接口,便于新能源的接入,降低了人工的劳动强度。

标签:
新能源
湖北 - 武汉 来源:中冶有色网 2023-03-18
分布式发电市场化环境下各交易主体行为决策方法

本发明公开了一种分布式发电市场化环境下各交易主体行为决策方法,属于新能源发电优化配置技术领域,包括:建立分布式发电商响应行为模型;建立电力用户响应行为模型;建立电网企业响应行为模型;采用多下层双层规划模型转换方法将上述响应行为模型转化为单层多目标优化模型;利用多目标进化算法求解单层多目标优化模型,得到分布式发电市场化环境下各交易主体的行为决策结果。本发明方法结合分布式发电市场化相关政策及规范约束,建立各交易主体响应行为模型,可以切实反映分布式发电市场化环境中各主体利益诉求及行为模式,采用本发明方法得到的各主体行为决策结果更符合实际工程需求,有利于提高分布式发电市场运行的安全性和经济性。

标签:
新能源
湖北 - 武汉 来源:中冶有色网 2023-03-18
柔性热电器件应用的碲化铋基复合热电材料及其制备方法

本发明涉及一种碲化铋基复合热电材料及其制备方法,属于热电转换新能源材料领域。本发明涉及的材料是石墨(G)与Bi0.5Sb1.5Te3的复合热电材料,其化学组成通式为x G/Bi0.5Sb1.5Te3,其中x为第二相石墨占基体Bi0.5Sb1.5Te3的质量百分比,范围在0≤x≤0.20%。采用粉末冶金法与超声分散相结合方法,制备出的碲化铋基复合热电材料综合热电性能ZT值显著提高,可作为制备、组装高性能柔性热电器件的原材料。同时,由于该材料具有原料丰富易得,制备方法具有工艺简单可控、制备周期短和能耗低等特点,适于工业化生产,有望在柔性热电器件的商业化应用中实现突破。

标签:
新能源
湖北 - 武汉 来源:中冶有色网 2023-03-18
电网机组组合与技改计划联合优化方法

一种电网机组组合与技改计划联合优化方法,该方法先以机组组合成本与技改成本之和最小为目标,分别构建输电网、配电网的机组组合与技改计划联合优化子模型,然后基于输配电网的拓扑、负荷、机组、新能源、技改项目以及电价参数,采用改进的目标级联分析算法对构建的输电网优化子模型、配电网优化子模型进行求解,得到输、配电网的机组组合与技改计划优化结果。该方法不仅有效兼顾系统的负荷供电需求与技改施工需求,而且提高了收敛性,在高比例新能源电力系统中表现出很强的适应性。

标签:
新能源
湖北 - 武汉 来源:中冶有色网 2023-03-18
车内双发动机发电直接电驱动混动车

本发明,运用于汽车行业乘用车和新能源车领域。车内有两台比常规燃油车发动机功率减半的燃油发动机发电,经过变速控制直接驱动电动机。所发出的电能不需要经过先存储再放电工作。满足城市综合工况中低速行驶状态,只有一台发动机工作,实现中低速行驶下小功率发动机的最佳效率。在高速行驶或运动模式行驶,两台发动机同时工作,满足公布输出倍增需求。本发明还设置了动能回收储能系统。收集刹车动能,经稳压整流后存储在储能电池里,储满电切换到电池工作模式,储能电池不需要专门外接充电,使用过程中满足100%深充电,寿命期内无衰减。本发明解决纯电动车的电池重量和充放电问题,燃油车的油耗问题,混动车成本和效率问题。解决各种新能源车成本和价格偏高的问题。

标签:
新能源
湖北 - 武汉 来源:中冶有色网 2023-03-18
电机及动力电池控制器的隔离采样电路

本发明涉及新能源电动汽车技术领域,尤其涉及一种电机及动力电池控制器的隔离采样电路。包括采样电路、隔离电源电路、非隔离电源电路、单片机电路、隔离脉宽调制电路及三角波发生电路,隔离脉宽调制电路包括数字磁隔芯片,隔离电源电路和非隔离电源电路的电源输出端分别与隔离脉宽调制电路前级和后级电源输入端连接,采样电路输出端和三角波发生电路输出端分别与隔离脉宽调制电路的采样信号输入端及三角波信号输入端连接,隔离脉宽调制电路的脉宽输出端口与单片机电路的脉宽捕捉端口连接。将数字磁隔芯片应用于新能源电动汽车的电压和温度隔离采样中,且几路采样信号共用一个三角波发生电路,极大的降低了成本,并有效的提高了采样精度。

标签:
新能源
湖北 - 武汉 来源:中冶有色网 2023-03-18
岛礁综合能源保障系统

本发明公开了一种岛礁可再生能源与新能源多源互补综合能源保障系统,包括可再生能源发电机组、柴油发电机、锂电池组和岛礁电网构成的岛礁现有能源系统,还包括电解水制氢装置、海水纯化装置、氢气纯化装置、合金储氢罐和质子交换膜燃料电池模块构成的新能源互补系统。本发明利用岛礁风能、太阳能、潮汐能、波浪能等可再生能源发出的溢出或不稳定电能,将海水转化为稳定电能、可利用热能和淡水。

标签:
新能源
湖北 - 武汉 来源:中冶有色网 2023-03-18
全铝合金轻量化小巴结构

全铝合金轻量化小巴结构,采用组合纵梁式榫卯腔梁铝合金车架,实现了对各种宽窄不一的前后桥的装配适应性;采用铝合金型材硬点结构,实现了硬点受载更有效、并显著降低了硬点制造与装配工艺及制造成本;采用组合纵梁与电池舱的一体化设计,实现了车架的高扭转刚度以及空间的有效利用;通过改进侧围模块与车架模块之间的装配结构,提高了模块装配刚度、简化了模块装配工艺。本发明提供了一种全铝合金、全承载、一体化的小巴轻量化结构方案,采用该轻量化结构的新能源小巴整备质量比同规格传统新能源小巴可减重三分之一以上。

标签:
新能源
湖北 - 武汉 来源:中冶有色网 2023-03-18
基于自频率同步的电压矢量稳定器及控制方法

本发明公开了一种基于自频率同步的电压矢量稳定器及其控制方法;该方法包括检测电压矢量稳定器输出的有功功率Pmeas和无功功率Qmeas;当电压矢量稳定器输出的有功功率Pmeas或无功功率Qmeas不为零时,通过控制內电势矢量来抑制并网点的电压矢量变化,实现了并网点电压矢量的旋转速度惯性和幅值惯性。本发明提出的控制方法主要是可分别由内频率控制器和幅值控制器独立产生电压矢量稳定器內电势矢量的旋转速度ω和幅值E;能维持并网点电压矢量的稳定,为并网点电压矢量提供了旋转速度惯性和幅值惯性,使电压矢量的旋转速度和幅值不易变化,从而解决了现有新能源发电厂的并网问题,提高了新能源发电厂的稳定性。

标签:
新能源
湖北 - 武汉 来源:中冶有色网 2023-03-18
氧化钨纳米线与多孔碳纳米复合结构材料及其制备方法

一种氧化钨纳米线与介孔碳纳米复合材料及其制备方法,属于新能源材料领域。本发明的纳米复合材料中,客体材料WO3纳米线直径为10~100纳米,长度为300纳米~7微米,贯穿或分布在主体材料介孔碳纳米材料的孔道内或表面。其制备是以孔径可调的介孔碳为纳米限域反应器,含钨离子的酸或盐作为钨源,通过超声液相浸渍法,在保护气体中控温生长纳米线,得到WO3纳米线与介孔碳纳米复合材料。本发明可以制备一种一维与二维纳米复合粉体材料。本发明的制备工艺简单,对设备要求低,可操作性好,同时降低了纳米复合材料的生产成本;对于钨氧化物这类过渡金属氧化物,在低温下就可以实现主-客体装载,避免了在高温处理的过程中可能导致的孔道坍塌和价态变化。

标签:
新能源
湖北 - 武汉 来源:中冶有色网 2023-03-18
上一页 17 18 19 20 21 ... 46 下一页
共46页    到第

中冶有色为您提供最新的湖北武汉有色金属新能源材料技术理论与应用信息,涵盖发明专利、权利要求、说明书、技术领域、背景技术、实用新型内容及具体实施方式等有色技术内容。打造最具专业性的有色金属技术理论与应用平台!

全国热门有色金属设备推荐
展开更多 +
全国热门有色金属技术推荐
展开更多 +

 

江西省隆恩特环保设备有限公司
宣传

报名参会
更多+

报告下载

有色专家
更多+

矿冶科技集团有限公司
党委书记 / 董事长
武汉工程大学
教授
武汉科技大学
校学术委员会主任 / 教授
武汉科技大学
院长 / 教授
北京工业大学、中国工程院
中国工程院 院士
赤泥综合利用研究报告2025
推广

热门技术
更多+

推荐企业
更多+

福建省金龙稀土股份有限公司
宣传

发布

在线客服

公众号

电话

顶部
咨询电话:
010-88793500-807