青岛垚鑫智能科技有限公司
宣传

位置:中冶有色 >

有色技术频道 >

> 新能源材料技术

分类:
全部
矿山技术
冶金技术
材料制备及加工技术
环境保护技术
分析检测技术
 
全部
功能材料技术
复合材料技术
新能源材料技术
合金材料技术
加工技术
地区:
全部
北京
天津
上海
重庆
河北
山西
辽宁
吉林
黑龙江
江苏
浙江
安徽
福建
江西
山东
河南
湖北
湖南
广东
海南
四川
贵州
云南
陕西
甘肃
青海
内蒙
广西
西藏
宁夏
新疆
其他
其他
展开
 
全部
武汉
黄石
十堰
宜昌
襄阳
鄂州
荆门
孝感
荆州
黄冈
咸宁
随州
恩施土家族苗族自治州
仙桃
潜江
天门

湖北武汉有色金属新能源材料技术理论与应用

免费发布技术信息>>
量子点修饰有机无机杂化太阳能电池及其制备方法

本发明属于新能源技术领域,提供一种量子点修饰有机无机杂化太阳能电池及其制备方法。该量子点修饰有机无机杂化太阳能电池采用导电玻璃/FTO(掺氟的SnO2)基片作为光阳极,金电极作为光阴极,所述电池在导电玻璃/FTO基片上制备有TiO2纳米棒阵列,TiO2纳米棒阵列上生成有CdSe量子点,在CdSe/TiO2纳米棒阵列上沉积有有机聚合物P3HT,在P3HT层上沉积金电极。使用本发明太阳能电池光电转换效率有显著提高。

标签:
新能源
湖北 - 武汉 来源:中冶有色网 2023-03-18
适用于汽车前箱体的三坐标测量夹具

本实用新型公开了一种适用于汽车前箱体的三坐标测量夹具,属于箱体检测技术领域,通过第一立柱、第二立柱、压板立柱、定位面板在底板上的对应设置,以及在相应立柱、面板上压紧柱、压紧块、定位销、快速夹等结构的对应设置,可以有效实现前箱体的稳定支撑和前箱体加工端面的准确定位,为前箱体的三坐标测量做好了准备。本实用新型的适用于汽车前箱体的三坐标测量夹具,其结构简单,操作便捷,能快速实现前箱体的准确装夹,保证前箱体加工端面定位的准确性,进而确保前箱体三坐标测量的准确性,提升前箱体三坐标测量的效率,减少新能源汽车前箱体制造过程中的误差,降低新能源汽车前箱体的制造成本,具有较好的应用前景和推广价值。

标签:
新能源
湖北 - 武汉 来源:中冶有色网 2023-03-18
自带蓝牙功能的电池管理系统

本实用新型公开了一种自带蓝牙功能的电池管理系统,包括多个本地管理单元LMU、电池管理单元BMU和蓝牙模块,每个本地管理单元LMU,用于实时监控预设多个串联的单体电池的预设工作状态信息,然后发送给电池管理单元BMU;电池管理单元BMU,分别与多个本地管理单元LMU相连接,用于接收所述多个本地管理单元LMU发来的全部单体电池的预设工作状态信息,然后发送给蓝牙模块;本地蓝牙模块,与电池管理单元BMU相连接。本实用新型可以让新能源汽车的用户实时获得锂离子电池组的工作状态数据信息,从而方便用户对出行里程进行合理的规划,保证用户正常驾驶新能源汽车,满足用户的日常工作和生活需要。

标签:
新能源
湖北 - 武汉 来源:中冶有色网 2023-03-18
电池冷热交换器平面度测量和激光打标一体化装置

本实用新型涉及适用于新能源汽车的一种电池冷热交换器平面度测量和激光打标一体化装置,包括支撑底板、工作台、平面度测量单元、激光打标单元、主机和显示器,激光打标单元设置在支撑底板上,平面度测量单元设置在工作台上,主机通过数据线分别与显示器、平面度测量单元和激光打标单元连接。本实用新型提出的一种适用于新能源汽车的一种电池冷热交换器平面度测量和激光打标一体化装置,将冷热交换器在生产制造过程中的平面度测量和激光打标工序整合成一道工序,自动化程度高,减少生产时间,提高效率。本装置结构简单,操作方便,大大节约生产成本。

标签:
新能源
湖北 - 武汉 来源:中冶有色网 2023-03-18
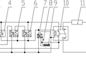
高压直流接触器机械和电寿命摸底测试系统

本实用新型涉及新能源汽车的高压直流接触器机械和电寿命摸底测试系统。测试系统包括24V开关电源(1)、第一通电延时继电器TIMER1(2)、第一五脚继电器J1(3)、第二通电延时继电器TIMER2(4)、第二五脚继电器J2(5)、第三五脚继电器J3(6)、第四五脚继电器J4(7)、DC24V电脉冲信号计数器(9)、被测高压直流接触器K测(10)、压电式无源蜂鸣器(8)、380V工业用交流电转直流电整流桥功率模块(13)、功率电阻(11)、快速熔断器(12)。本实用新型测试系统结构简单、成本低廉,实用性和专用性强,测试方法以极小的成本解决了新能源汽车领域高压直流接触器用户对不同品牌产品进行机械寿命和电寿命摸底测试的需求。

标签:
新能源
湖北 - 武汉 来源:中冶有色网 2023-03-18
连接稳定的充电桩用充电头

本实用新型涉及充电桩技术领域,且公开了一种连接稳定的充电桩用充电头,包括连接头,所述连接头的左侧固定连接有拖环,所述拖环的外侧活动连接有活动套环,所述活动套环的外侧固定连接有连接环,所述连接环的外侧固定连接有螺纹套,所述螺纹套外部的右侧固定连接有垫圈,所述螺纹套内侧的右端固定连接有定位插块,所述拖环的左侧固定连接有插头。该连接稳定的充电桩用充电头,通过插头插入至新能源汽车的充电插座内,达到简单的插接固定,采用螺纹套和充电插座的螺纹连接加强连接关系,最后利用固定锁具对螺纹套进行固定,能够使充电桩对新能源汽车保持持续充电,避免有人恶意将充电插头拔出,提高安全性。

标签:
新能源
湖北 - 武汉 来源:中冶有色网 2023-03-18
基于PMU的风光储场站一次调频控制的方法

一种基于PMU的风光储场站一次调频控制的方法,本发明旨在提出一种可应用于风光储场站一次调频控制的方法,由于风电和光伏不具备灵活、快速的一次调频能力,通过配置一定容量的储能装置,利用其快速充放电特性为新能源参与电网一次调频提供了有力的有功功率支撑。本发明的目的是通过对风光储场站的一次调频能力评估和分级优化控制,以实现多能源发电形式的优势互补,从场站控制的角度对新能源一次调频进行合理优化控制,而提出的一种基于PMU的风光储场站一次调频控制的方法。

标签:
新能源
湖北 - 武汉 来源:中冶有色网 2023-03-18
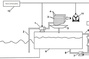
风、光、水、油、气五联供电系统

本发明公开了一种风、光、水、油、气五联供电系统,包括中央处理模块,所述中央处理模块分别与供电管理模块、统计分析模块、分时调控单元、供电单元、紧急供电模块和环境监测模块实现双向连接,所述统计分析模块分别与展示单元和信息存储模块实现双向连接,所述分时调控单元的输出端与供电单元的输入端连接,本发明涉及供电基站技术领域。该风、光、水、油、气五联供电系统,在发电站实行新能源为主、传统能源为辅的发电机制,不仅减轻了传统资源的消耗,还保证了电力的稳定,解决了现有的新能源发电站容易受环境影响导致供电不足,不仅影响到电力的运行质量与用户使用舒适度,还给维护人员带来巨大工作量的问题。

标签:
新能源
湖北 - 武汉 来源:中冶有色网 2023-03-18
P型填充式方钴矿化合物热电材料的制备方法

本发明属于新能源材料领域,具体涉及一种填充式方钴矿热电化合物的制备方法。一种P型填充式方钴矿化合物热电材料的制备方法,其特征在于它包括如下步骤:1)以高纯颗粒状M、FE、CO和SB为起始反应原料,将反应原料按化学式MFE4-XCOXSB12+Y在AR气手套箱中称重,其中0≤X≤3,0≤Y≤1.0;将高纯颗粒状M、FE、CO和SB混合,然后在300~400MPA压力下压成柱状块体;2)将柱状块体熔融,在氩气氛中对熔融的熔体进行甩带,得到带状产物;3)将带状产物粗磨压实后,用放电等离子烧结方法于真空下烧结,得到单相致密的P型填充式方钴矿化合物热电材料。本发明具有工艺简单、反应时间短、能耗低、重复性好等特点。

标签:
新能源
湖北 - 武汉 来源:中冶有色网 2023-03-18
面向次/超同步振荡防控的控制器参数稳定域扩展方法

本发明具体涉及一种面向次/超同步振荡防控的控制器参数稳定域扩展方法,本发明创造性地将扩展圆盘定理应用于新能源电力系统含参数的状态矩阵(其元素为含待求主导控制器参数的函数),依据稳定裕度评估指标提出相似变换矩阵的优化模型,求解后能够缩小特征值估计范围,进一步根据李雅普诺夫稳定判据作为反问题反演出扩展后的控制器参数稳定域,降低控制器参数稳定域的保守性。该控制器参数稳定域扩展方法具有计算效率高且保守性较小的特点,适于在线工程应用。本发明结合工程实际,可适应于新能源发电场站大量馈入电网背景下电力电子变换器控制参数的合理选取和在线刷新。

标签:
新能源
湖北 - 武汉 来源:中冶有色网 2023-03-18
源网荷多约束条件下的电力系统储能优化运行方法

一种源网荷多约束条件下的电力系统储能优化运行方法,先构建考虑源、网、荷三侧不同应用场景的以系统总发电成本小为目标函数的储能运行优化模型,随后在确定储能的容量和配置地点后,对储能运行优化模型进行求解,得到包括储能在风电典型日各时段的运行功率和SOC值的储能最优运行参数。本发明从源、网、荷的不同角度综合考虑了新能源机组的功率波动、削峰填谷等因素,构建对应的惩罚因子并引入目标函数中,实现了新能源的大范围消纳。

标签:
新能源
湖北 - 武汉 来源:中冶有色网 2023-03-18
基于工业园区负荷聚合的售电公司响应电网控制方法

本发明属于电力系统运行与控制技术,尤其涉及一种基于工业园区负荷聚合的售电公司响应电网控制方法,对典型工业园区负荷的功率调节特性建模,结合负荷调节意愿和极限调节范围,提出优先考虑用户上报调控范围的比例式聚合模式,并建立了售电公司对工业园区的聚合控制策略;考虑负荷生产效益,建立了各类型负荷的控制代价模型,同时提出了售电公司对多园区参与需求响应的协调控制策略;针对大电网发生风电波动的场景,通过负荷响应功率波动维持电网稳定,验证了所提控制策略的正确性。对于电网公司,有助于实现较低“弃风”“弃光”率的评估指标;对于新能源发电方,提升了新能源接入率,总体上实现了荷‑网‑源总经济效益的提升。

标签:
新能源
湖北 - 武汉 来源:中冶有色网 2023-03-18
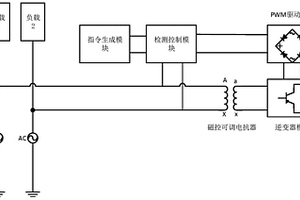
基于磁控可调电抗器的配电环网柔性互联方法和装置

本发明公开了一种基于磁控可调电抗器的配电环网柔性互联方法和装置,属于配电环网主动调控领域。方法包括,将双绕组的磁控可调电抗器一次侧并联接入配电网的两条馈线之间;改变磁控可调电抗器一次侧的等效阻抗,实现两条馈线间的柔性合环、稳态潮流调控、新能源消纳和暂态负荷转供。本发明在合环电压差一定的条件下,可以有效降低合环冲击电流的幅值,实现柔性合环,避免合环冲击电流过高。本发明基于磁通控制可调电抗器的拓扑结构,通过内部不同控制策略,可以分别实现稳态潮流调控和提高新能源消纳能力的配电环网调控功能。本发明通过控制电抗器一次侧绕组进入接近短路状态,实现故障侧馈线负荷不间断供电。

标签:
新能源
湖北 - 武汉 来源:中冶有色网 2023-03-18
基于深度确定性策略梯度的微电网频率控制方法及系统

本发明公开了基于深度确定性策略梯度的微电网频率控制方法及系统,属于电力系统频率控制领域。包括将微电网系统的频率偏差及其的积分作为训练数据,采用双延迟深度确定性策略梯度算法训练智能体;将训练好的智能体应用于带有新能源的微电网系统,将当前系统的状态信息输入AC框架,选取最佳动作,转换为实际指令用于同步发电机的调节器阀门开度,控制微电网频率。本发明利用无模型的深度强化学习算法,训练智能体自适应学习电网频率变动,因含有新能源的微电网具有随机性和间歇性的特点,本发明不需要依赖与真实环境存在较大偏差的理想数学模型,只需要系统的输入和奖励值进行不断学习迭代,从而对微电网有更好的控制效果。

标签:
新能源
湖北 - 武汉 来源:中冶有色网 2023-03-18
相变材料智能化控温充能系统

本发明提供了一种相变材料智能化控温充能系统,包括以下:客户端、服务端器端、电动汽车端和充电桩端;服务器端包括服务器和数据库;服务器用来处理系统中的各种数据;客户端与数据库和服务器建立通讯连接;电动汽车端包括:相变储能箱、电池监测单元、电池温度分析单元、总线通讯单元和分析服务器;充电桩端包括充电桩系统、充电充能控制器和总线通讯网关;本发明的有益效果是:实现新能源电动汽车的电池模组温度周骤变时能够及时预警的功能,保障新能源电动汽车电池模组运行高效性。

标签:
新能源
湖北 - 武汉 来源:中冶有色网 2023-03-18
基于多端柔性互联技术的交直流混合优质配电系统

本发明提出了一种基于多端柔性互联技术的交直流混合优质配电系统。本发明包括:第一中压交流断路器、第二中压交流断路器、交流联络开关、第一中压交流母线、第二中压交流母线、第一三端口交直流柔性互联开关、第二三端口交直流柔性互联开关、第一中压直流断路器、第二中压直流断路器、中压直流母线、储能系统、第一柔性直流开关、低压直流断路器、低压直流母线、第二柔性直流开关、柔性交直流开关、直流新能源、交流新能源。本发明优点在于,可减少储能变换的损耗,提供优质电能,并实现无缝转供电。

标签:
新能源
湖北 - 武汉 来源:中冶有色网 2023-03-18
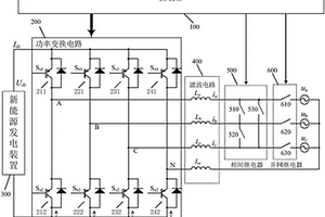
微电网三相不平衡功率逆变补偿装置的补偿方法

本发明涉及微电网三相不平衡功率逆变补偿装置的补偿方法,所述装置包括新能源发电装置、功率变换电路、滤波电路、相间继电器、并网继电器和控制器,控制器通过控制功率变换电路中八个IBGT的开通与关断,将新能源发电装置发出的直流电逆变为交流,经滤波电路、并网继电器并入电网。其补偿方法是:控制器实时采集三相电网电压有效值、频率和相位,找出电网电压最低的相,并计算其它相与该相的电压差,据此调节三相并网功率。当电网电压最低相的并网电流达到功率变换电路的额定值,而该相电压还偏低时,断开其它相的并网继电器,设定其它相的输出电流与该相同相位,开通其它相与该相的相间继电器,两相或三相并入该相,共同补偿该相功率及电压。

标签:
新能源
湖北 - 武汉 来源:中冶有色网 2023-03-18
区域风光电互补控制器及光伏充电系统

本发明提供区域风光电互补控制器及光伏充电系统,涉及新能源设备技术领域,包括柱体,柱体顶面设有风能发电装置,风能发电装置包括限位槽,限位槽内设有转动球体,转动球体顶面固定有连接杆,连接杆顶面螺栓连接有风机,分机工作端设有扇片,连接杆表面圆周阵列有升力翼,柱体表面凹槽内固定有进风管道,进风管道为S型,进风管道一端固定有导向板,进风管道内固定有风速挡板,连接杆表面阵列有风向挡板,风向挡与导向板一面相互配合,柱体两侧设有太阳能发电装置,太阳能发电装置包括转动杆,转动轴上方设有太阳能板,转动杆表面固定有从动齿轮,从动齿轮表面设有主动齿轮,主动齿轮一侧设有伺服电机,伺服电机工作端与主动齿轮键接。

标签:
新能源
湖北 - 武汉 来源:中冶有色网 2023-03-18
基于新型小波脉冲宽度调制的谐波控制方法及应用

本发明公开了一种基于新型小波脉冲宽度调制的谐波控制方法,能控制单个或多个特定低频谐波,对电力系统中难以控制的低频谐波进行补偿或抑制。对基波与特定低频谐波叠加的调制波进行有限数量的非均匀采样,在满足工程实际运用的前提下实现对调制波形的重构,即根据调制函数采样区间的中点时刻幅值来计算尺度因子,根据冲量等效原理将所有脉冲序列的面积总量线性放大,使其与调制函数在一个基波周期内的面积相等,实现对特定谐波幅值和相位的控制。可利用大功率并网逆变器控制新能源电网中需要补偿的低频特定谐波,能够在线计算逆变器开关角,具有开关频率低、功率损耗小、控制算法简单以及直流电压利用率和调制效率高等优点。

标签:
新能源
湖北 - 武汉 来源:中冶有色网 2023-03-18
放电等离子体合成和烧结一步快速制备高锰硅热电材料的方法

本发明属于新能源材料技术领域,具体涉及一种高锰硅热电材料的快速制备方法。一种放电等离子体合成和烧结一步快速制备高锰硅热电材料的方法,其特征在于它包括如下步骤:1)以Si粉和Mn粉为原料,按Si粉与Mn粉的摩尔比为1.80∶1,称取Si粉和Mn粉;2)将步骤1)中称取的原料置于球磨罐中球磨30min,得到混合均匀的粉体;3)将步骤2)所得的粉体进行放电等离子体合成和烧结,得到致密的高锰硅热电材料。该方法工艺简单、制备周期短、成本低廉。

标签:
新能源
湖北 - 武汉 来源:中冶有色网 2023-03-18
用于源端无储能配置的光伏系统的虚拟同步机控制方法

本发明公开了一种用于源端无储能配置的光伏系统的虚拟同步机控制方法,属于新能源发电控制领域,包括:对直流侧电容电压实际值和直流侧电容电压指令值之间的差值进行积分调节,得到频率调节量;直流侧电容电压指令值通过对频率调节量进行比例控制并引入有功备用点处直流电压得到;计算频率调节量和逆变器输出频率指令值之和,得到逆变器实际输出频率并转换为相角指令信号;检测光伏系统的输出无功功率以进一步计算滤波电容电压在dq轴下的指令值;根据相角指令信号和滤波电容电压在dq轴下的指令值生成PWM信号以控制光伏系统中的功率器件。实现无储能单元的新能源光伏系统处于有功备用模式参与电网的一次调频。

标签:
新能源
湖北 - 武汉 来源:中冶有色网 2023-03-18
花卉盆景天线
花卉盆景天线 1175     
 0

本发明公开一种花卉盆景天线,采用花盆土壤作为基础材料再利用自然界的花卉、灌木和乔木的导电特性植物移栽到花盆土壤中组合成无线电通讯天线或新能源静电收集天线。花卉、灌木、乔木等植物的叶片及枝干进行测试发现,它们都具备接收空间微波电能与静电能特性,利用土壤和植物作天线收集空气中的电能,成本低、同时吸收二氧化碳、产生氧气有益于健康,由可再生的植物替代大量的贵重金属,采用大量的花卉和树木植物天线作为通讯技术应用、新能源收集技术应用等方面将产生一场世界科技历史性的革命。

标签:
新能源
湖北 - 武汉 来源:中冶有色网 2023-03-18
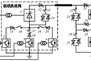
分层混联直流输电系统及其直流故障清除方法

本发明属于电力系统输配电领域,具体公开了一种分层混联直流输电系统及其直流故障清除方法,包括整流侧级联的高压阀组和低压阀组,高压阀组包括n个并联的换流器,低压阀组包括m个并联的换流器;各换流器分别与之对应的交流端连接;其中,各换流器独立接入交流端或多个换流器共同接入同一个交流端,各换流器与各交流端之间的对应连接关系由各换流器类型以及输电系统交流端的电网类型和个数确定。另外,交流端可为交流电网或多种新能源基地,且级联换流阀具备多种工作模式。本发明能够在降低直流系统总体制造成本的前提下能够同时实现高电压、远距离、大容量直流功率传输以及多规模能源基地分层接入,提升输电效率与电网灵活性。

标签:
新能源
湖北 - 武汉 来源:中冶有色网 2023-03-18
铁掺杂的二硒化镍微米花作为可充室温镁电池正极活性材料的应用

本发明涉及新能源镁电池,特别是涉及铁掺杂的二硒化镍微米花作为可充室温镁电池正极活性材料的应用。铁掺杂的二硒化镍微米花作为可充室温镁电池正极活性材料的应用,所述的活性材料是负载在可充室温镁电池的集流体上。本发明的优点是:本发明的可充室温镁电池比容量高(182mAh g‑1)、循环寿命长(20mA g‑1电流下循环100圈仍有150mAh g‑1,以稳定状态的20圈计算容量保持率为98.7%),电压适宜(1.1V)。该制备方法工艺简单、易于实施,为镁电池的进一步发展提供了全新的思路。镁电池容量和寿命达到的新高度,使其有望规模化应用在新一代动力电池上。

标签:
新能源
湖北 - 武汉 来源:中冶有色网 2023-03-18
适应电力市场化改革的电源和电网协调规划方法

本发明涉及一种适应电力市场化改革的电源和电网协调规划方法,本发明分析了电力市场化改革下,新能源大规模发展和输配电价的实施,所引起的边界条件改变。在对安全可靠性指标、电力供应指标和新能源消纳指标的量化分析的基础上,建立了适应电力市场化改革的电源和电网协调规划模型,对电网的规划设计方案从多个方面进行量化计算,从而实现对电网规划设计方案进行更加客观的比选和优化,提高电网投资的经济效益和社会效益,模型的优化结果可用于指导电网公司的决策。

标签:
新能源
湖北 - 武汉 来源:中冶有色网 2023-03-18
高锰硅热电材料的固相反应制备方法

本发明属于新能源材料技术领域,具体涉及一种高锰硅热电材料的制备方法。一种高锰硅热电材料的固相反应制备方法,其特征在于它包括如下步骤:1)以Si粉和Mn粉为原料,按Si粉与Mn粉的摩尔比为(1.75~1.80)∶1,称取Si粉和Mn粉,将Si粉和Mn粉混合均匀,得到混合均匀的粉体;2)将混合均匀的粉体在压片机上压成块体,将块体置于石英玻璃管中,抽真空并密封,再置于马弗炉中于850~900℃固相反应12~24h,保温结束后随炉冷却,得到产物;3)将步骤2)所得产物研磨成细粉;4)将步骤3)所得细粉进行放电等离子体烧结,得到致密的高锰硅热电材料。该方法工艺简单、成本低廉,节省能源,对仪器设备的要求低,适用于商业生产。

标签:
新能源
湖北 - 武汉 来源:中冶有色网 2023-03-18
基于锁相环的电压矢量稳定器及其控制方法

本发明公开了一种基于锁相环的电压矢量稳定器及其控制方法;通过控制电压矢量稳定器的内电势矢量跟随并网点电压矢量的变化速度,来控制电压矢量稳定器与并网点之间的功率交换,旨在降低弱电网下新能源发电厂或敏感负荷的并网点的电压矢量的变化率,帮助并网点电压矢量稳定,进而帮助电力系统的稳定运行。当电压发生相位或者频率扰动时,本发明提供有功功率的支撑降低电压相位或频率的变化速度;当电压发生幅值扰动时,本发明提供无功功率的支撑降低电压幅值变化速度。本发明可提高新能源发电并网运行的稳定性,提高敏感负荷的供电质量。

标签:
新能源
湖北 - 武汉 来源:中冶有色网 2023-03-18
多变频空调的双模型优化的协同控制方法

本申请涉及一种多变频空调的双模型优化的协同控制方法,包括以下步骤:针对具有可再生新能源消纳能力的微型电网需求侧资源调度中的供需平衡问题进行系统框架构构建;对单个可控调节负载即变频空调进行双模型的数学建模;在室内温度满足舒适温度范围约束目标的前提下,对可控调节负载即变频空调设定跟踪目标;建立多可控调节负载即多变频空调之间的信息交流拓扑关系;根据双模型和控制目标,设计迭代优化的协同控制策略;给出相关数据,根据MATLAB进行可行性分析和理论验证;在满足室内温度舒适度约束的前提下实现具有可再生新能源消纳的电网需求侧资源调度中的供需平衡问题。本申请解决具有温度舒适度约束的协同跟踪目标的耦合复杂网络问题。

标签:
新能源
湖北 - 武汉 来源:中冶有色网 2023-03-18
利用深海低温水冷凝制取水源系统装置及方法

本发明是一种利用深海低温海水作为冷媒,利用风能和太阳能等新能源作为动力,通过冷凝海面高温潮湿的空气获取淡水水源,再经过特殊水质净化方式制取饮用水的一种方式。完全不同于现有的海水淡化技术,是一项全新的淡水制取方法。改变了传统的利用压缩机原理获取低温冷媒的方法,从而节省了压缩机运行所需的高能耗,以及压缩机冷凝器产生的热量排放,消除了由众多压缩机产生的室温效应。同时,利用太阳能和风能等新能源产生的电能,作为系统动力,从而实现可再生能源和资源的有效利用。

标签:
新能源
湖北 - 武汉 来源:中冶有色网 2023-03-18
车内发电提供电力直接电驱动混动车

一种车内发电提供电力直接电驱动混动车。本发明专利,运用于汽车行业乘用车和新能源车领域。车内发动机发电,而不是直接驱动变速箱,经过变速控制直接驱动电动机。发动机发电比直接驱动变速箱效率高,同时电驱动比机械驱动效率更高。所发出的电能不需要经过先存储再放电工作。本发明还设置了动能回收储能系统。收集刹车动能,经稳压整流后存储在储能电池里,储满电切换到电池工作模式,储能电池不需要专门外接充电,使用过程中满足100%深充电,寿命期内无衰减。本发明解决纯电动车的电池重量和充放电问题,燃油车的油耗问题,混动车成本和效率问题。解决各种新能源车成本和价格偏高的问题。

标签:
新能源
湖北 - 武汉 来源:中冶有色网 2023-03-18
上一页 16 17 18 19 20 ... 46 下一页
共46页    到第

中冶有色为您提供最新的湖北武汉有色金属新能源材料技术理论与应用信息,涵盖发明专利、权利要求、说明书、技术领域、背景技术、实用新型内容及具体实施方式等有色技术内容。打造最具专业性的有色金属技术理论与应用平台!

全国热门有色金属设备推荐
展开更多 +
全国热门有色金属技术推荐
展开更多 +

 

江西省隆恩特环保设备有限公司
宣传

报名参会
更多+

报告下载

有色专家
更多+

北方民族大学
院长/教授
中南大学
中国工程院院士
江西理工大学
副校长/教授
昆明理工大学
校长
中国瑞林工程技术有限公司
中国工程院院士
赤泥综合利用研究报告2025
推广

热门技术
更多+

推荐企业
更多+

福建省金龙稀土股份有限公司
宣传

发布

在线客服

公众号

电话

顶部
咨询电话:
010-88793500-807