青岛垚鑫智能科技有限公司
宣传

位置:中冶有色 >

有色技术频道 >

> 新能源材料技术

分类:
全部
矿山技术
冶金技术
材料制备及加工技术
环境保护技术
分析检测技术
 
全部
功能材料技术
复合材料技术
新能源材料技术
合金材料技术
加工技术
地区:
全部
北京
天津
上海
重庆
河北
山西
辽宁
吉林
黑龙江
江苏
浙江
安徽
福建
江西
山东
河南
湖北
湖南
广东
海南
四川
贵州
云南
陕西
甘肃
青海
内蒙
广西
西藏
宁夏
新疆
其他
其他
展开
 
全部
武汉
黄石
十堰
宜昌
襄阳
鄂州
荆门
孝感
荆州
黄冈
咸宁
随州
恩施土家族苗族自治州
仙桃
潜江
天门

湖北武汉有色金属新能源材料技术理论与应用

免费发布技术信息>>
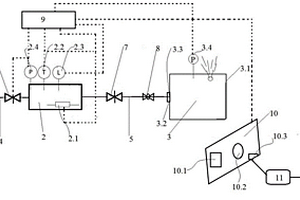
进纸夹式被动自动充电桩

进纸夹式被动自动充电桩安装在停车位尾部,伸出像双手一样的左右纸夹,在车辆停入车位时,双手拥抱住车辆尾部,实现左右上下自动被动对齐后,再自动插入充电枪充电,此技术能在兼容目前充电枪充电口的形状的前提下能顺利实现被动对齐,自动充电,成本较低,易于推广。合适的地面停车场的停车位安装进纸夹式被动自动充电桩和给排水,方便新能源房车出行,刺激旅游消费,提升生活品质,促进纯电动房车消费热潮。

标签:
新能源
湖北 - 武汉 来源:中冶有色网 2023-03-18
充电终端
充电终端 956     
 0

本申请提供一种充电终端,其包括:充电枪,其内部设有进液管道和回液管道;散热装置,其设有入口和出口,该入口与该回液管道通过管路连接;风机,其与该散热装置电连接;储存装置,其与该散热装置的出口通过管路连接,用于储存冷却介质;输送装置,其与该储存装置通过管路连接,用于将该储存装置中的冷却介质输送至该进液管道;控制装置,该控制装置用于控制该风机和该输送装置,以使冷却介质对该充电枪进行散热,而使该充电终端向该目标车辆的充电持续电流在600安培以上,从而提高了充电效率,节省充电时间,满足新能源车用户快速充电补能的需求。

标签:
新能源
湖北 - 武汉 来源:中冶有色网 2023-03-18
汽车隔热顶蓬及其加工工艺

本发明公开了一种汽车隔热顶蓬及其加工工艺,涉及汽车配件技术领域,包括顶蓬、前顶蓬与后顶蓬,顶蓬的左右两端通过一体成型方式固定连接有前顶蓬与后顶蓬,顶蓬包括铝箔层,该装置顶蓬背面使用铝箔层代替普通无纺布,使隔热效果大幅提升,减少空调能耗,针对新能源汽车降低能耗,提升续航时间,阻隔组件的顶部与底部均设置有阻隔球,而且阻隔球的外壁均涂覆有反射层,能够将较多的热量反射阻隔,阻隔球的球面设置增大了反射面积,能够较大程度的阻隔热量,此外,阻隔球内部填充有隔音棉,在隔热的同时能够较好的阻隔外界杂音,PUR板的内部设置有消毒组件,从而起到对车内消毒杀菌的作用,消毒药包也可换成香包。

标签:
新能源
湖北 - 武汉 来源:中冶有色网 2023-03-18
用于电动汽车的风光互补发电储电装置及发电计算方法

本发明提供一种用于电动汽车的风光互补发电储电装置及发电计算方法,包括安装在汽车中网上的太阳能薄膜电池、光照传感器,设置在汽车顶部的风力发电装置、风力发电控制器,以及设置在汽车内的太阳能充电控制器、蓄电池,太阳能薄膜电池通过水平舵机、竖直舵机安装在汽车中网上,太阳能充电控制器与太阳能薄膜电动汽车电池、汽车中控、蓄电池、水平舵机、竖直舵机、光照传感器电连接,汽车顶部的风力发电装置与风力发电控制器电连接,风力发电控制器与蓄电池电连接,蓄电池与汽车中控电连接并为其供电。本发明将太阳能发电和风力发电集成到汽车上,提高了新能源电动汽车续航能力,延长蓄电池使用寿命。

标签:
新能源
湖北 - 武汉 来源:中冶有色网 2023-03-18
能识别整车姿态的车辆控制方法及装置

本发明涉及新能源汽车控制技术领域,尤其涉及一种能识别整车姿态的车辆控制方法;包括以下步骤:S1,采集整车姿态信息;具体包括车辆X、Y、Z轴向的角度及车辆瞬时加速度信息;结合整车控制策略算法对整车姿态信息进行分析和判断输出最优驱动力矩或回馈转矩及驱动转速;S3,控制电机的驱动力矩或回馈转矩及驱动转速并反馈实际的扭矩及转速参数。本发明实施例通过采集整车姿态信息结合整车控制策略算法输出最优扭矩及转速,降低能耗增加续驶里程。

标签:
新能源
湖北 - 武汉 来源:中冶有色网 2023-03-18
太阳能发电的碳纤维汽车引擎盖及制备方法

本发明公开一种太阳能发电的碳纤维汽车引擎盖及制备方法,涉及新能源汽车领域。该碳纤维汽车引擎盖由第一塑封材料层、预热压合太阳能组件、第三塑封材料层和碳纤维复合材料载板压合而成;预热压合太阳能组件包括:太阳能电池片和两层第二塑封材料层,太阳能电池片位于两层第二塑封材料层的中间;碳纤维复合材料载板包括:碳纤维布和两层第四塑封材料层,碳纤维布位于两层第四塑封材料层的中间。本发明将太阳能电池片与碳纤维汽车引擎盖结合,进行一体化设置,使太阳能电池片不易脱落。

标签:
新能源
湖北 - 武汉 来源:中冶有色网 2023-03-18
充放电机柜用均衡充放电节能保护模块

本发明公开了一种充放电机柜用均衡充放电节能保护模块,包括机柜本体、中央处理系统、第一保护块和第二保护块,第一保护块和第二保护块的顶部均与机柜本体内壁的顶部固定连接,所述机柜本体的顶部通过支撑腿固定连接有太阳能板,本发明涉及充放电技术领域。该充放电机柜用均衡充放电节能保护模块,可实现在该充放电机柜内设置有相关保护模块,可有效对机柜内可能出现的故障问题进行监测与报警,管理人员可实时监测到内部的电压和电流数值,为管理人员后续的管理工作创造了良好条件,同时该保护模块无需耗费机柜内的电力资源,可利用太阳能转换成电能这一新能源技术使得相关保护模块得以正常使用,满足了实际的使用需求。

标签:
新能源
湖北 - 武汉 来源:中冶有色网 2023-03-18
采用循环卷绕式原子层沉积设备提高电池稳定性的方法

本发明属于新能源材料领域,并公开了采用循环卷绕式原子层沉积设备提高电池稳定性的方法,循环卷绕式原子层沉积设备包括包括加热板、反应喷头组、驱动辊筒和伺服电机,该方法包括以下步骤:(1)将待沉积薄片绕过各驱动辊筒,再用胶布使该待沉积薄片首尾相连形成封闭的环;(2)将待沉积薄片加热到原子层沉积反应所需的温度;(3)反应喷头组对待沉积薄片上被加热的部分进行吹气和喷反应前驱体,在待沉积薄片表面沉积氧化物薄膜。本发明采用原子层沉积技术包覆锂离子电池中的正极、负极和隔膜,解决了锂离子电池正极和负极在充放电过程中的稳定性问题,提高了隔膜的结构强度,防止隔膜破裂导致的电池短路危险,沉积工艺简单,效率高,成本低。

标签:
新能源
湖北 - 武汉 来源:中冶有色网 2023-03-18
锂离子电池正极材料焦磷酸铁锂的制备方法

本发明公开了一种锂离子电池正极材料焦磷酸铁锂的制备方法,属于新能源材料领域。该制备方法过程是:将锂源,铁源,磷源按Li:Fe:P2摩尔比为2:1:2比例混合,经球磨均匀混料,然后干燥、研磨、压片,转移至煅烧炉中,在保护气氛下预烧,预烧温度为200~400℃,预烧时间5~15个小时,升温度率为1~5℃/min,所得预烧材料研磨、压片后在高温下进行煅烧,煅烧温度为600~800℃,煅烧时间为3~24小时,升温度率为1~5℃/min,然后取出煅烧料,研磨后得到Li2FeP2O7正极材料。本发明的特点:原材料来源广泛,价格低廉;工艺简单、易实现工业化规模生产。

标签:
新能源
湖北 - 武汉 来源:中冶有色网 2023-03-18
风光储场站惯性响应和一次调频协调控制的方法

本发明所提出的一种风光储场站惯性响应和一次调频协调控制的方法,它在已有新能源发电单元的惯性响应和一次调频控制策略基础上,考虑不同发电单元在时序上的差异进行优化调控,充分发挥储能的快速充放电特性在提升风光储场站惯性响应速度上的优势,合理利用风电、光伏和储能参与一次调频能力的能力,实现了场站资源的优化配置和协调控制,在实际中具有很高的可行性。

标签:
新能源
湖北 - 武汉 来源:中冶有色网 2023-03-18
基于改进遗传算法的电力系统多目标储能优化方法

一种基于改进遗传算法的电力系统多目标储能优化方法,先针对在电源侧、电网侧、负荷侧均配置储能的方式构建配置储能总成本最小为目标函数的储能多目标优化模型,然后采用基于Pareto最优概念的非支配排序的遗传算法对构建的储能多目标优化模型进行求解,得到储能优化方案,包括各储能的配置地点和容量。本发明同时实现了电源侧平滑新能源出力、电网侧削峰填谷、负荷侧通过峰谷套利降低成本。

标签:
新能源
湖北 - 武汉 来源:中冶有色网 2023-03-18
车联网中基于优先级的区块链共识方法及系统

本发明提供一种车联网中基于优先级的区块链共识方法及系统,在不同地域部署多个服务器组成节点,运行中的新能源汽车通过车载终端向在地理位置上距离最近的服务器上传车辆实时状态数据报文,报文以交易的形式临时存储在服务器内存中开辟的交易池;节点角色分别是矿工节点和领导者节点,通过共识方式进行出块权选举,包括根据节点交易池交易总数、节点交易池中各交易等级系数、交易被打包进新块所需的等待时间获取节点的优先级评分,该评分代表节点在整个区块链系统中相比于其他节点获得出块权的优先程度。本发明避免了传统工作量证明共识方法耗费计算机资源的缺陷,同时根据不同节点的繁忙程度合理快速分配出块权,保持系统的高可用性。

标签:
新能源
湖北 - 武汉 来源:中冶有色网 2023-03-18
电池液冷板钎焊用石墨夹具及其夹持方法

本发明涉及新能源汽车动力电池热管理技术领域,公开了一种电池液冷板钎焊用石墨夹具,包括不锈钢托架,不锈钢托架的中央区域设有凹槽空间,凹槽空间上设置有石墨底板,石墨底板上方设有石墨上板,石墨底板和石墨上板均设有互相对应的第一工艺定位孔和第二工艺定位孔。本发明还公开了一种电池液冷板钎焊用石墨夹具的夹持方法。本发明电池液冷板钎焊用石墨夹具及其夹持方法,保证了钎焊成型后液冷板表面的平面度和光洁度,提升了平板式液冷板的钎焊合格率。

标签:
新能源
湖北 - 武汉 来源:中冶有色网 2023-03-18
基于车载充电机与逆变器的电控装置、控制方法及系统

本发明公开基于车载充电机与逆变器的电控装置、控制方法及系统,属于电动汽车领域。在电机驱动工况下,电能可双向流动的车载充电机与逆变器并联,两者共同输出电流给驱动电机,以完成对驱动电机转矩和转速的控制。本发明可在不增加任何成本和空间占用的情况下,通过双向车载充电机的辅助作用,提高电控装置整体的峰值电流,从而提升电机驱动时的峰值转矩和最大转速;通过合理分配双向车载充电机和逆变器的电流,从而提升电控装置整体的效率。本发明适用于新能源汽车领域。

标签:
新能源
湖北 - 武汉 来源:中冶有色网 2023-03-18
动力电池的控制方法及装置

本发明涉及新能源汽车技术领域,尤其涉及一种动力电池的控制方法及装置,该方法包括:在动力电池充电或放电过程中,获取动力电池的多个电池电芯的电压均值和多个电池电芯中的每个电池电芯的当前电压值;根据电压均值和每个电池电芯的当前电压值,得到每个电池电芯的电压差值;针对多个电池电芯中的每个电池电芯,若电池电芯的电压差值为正数,且电池电芯的电压差值大于正电压差值阈值,则控制电池电芯与电池电芯的放电电阻并联放电,直到电池电芯的当前电压值位于电压均值的电压均值范围。该方法保障动力电池电芯的一致性,提高动力电池的充电容量和放电容量,延长动力电池的使用寿命,提高动力电池的利用率。

标签:
新能源
湖北 - 武汉 来源:中冶有色网 2023-03-18
控制相位连续线性变化的脉冲宽度调制方法

本发明提供了一种控制相位连续线性变化的脉冲宽度调制方法,通过对多个基波子周期同步调制来获得更多的开关角变量,在不影响其它不可控频率的谐波前提下,以调频方式将被调制电压移动到输出目标间谐波,不仅保持二者幅值和初相位不变,而且还有效地抑制了周围频段寄生间谐波,使得输出目标间谐波电压波形质量好。为了更有效地减少方程组的维数,适当减少PWM逆变器输出时间基准,即逆变器运行在高频基波频率,使得在线求解相关开关角变量成为可行。该方法的显著优点是不仅开关频率低,而且频率控制范围广。应用前景是通过逆变器注入任意频率特定间谐波,来抑制间歇性新能源电网中的间谐波传播放大。

标签:
新能源
湖北 - 武汉 来源:中冶有色网 2023-03-18
氢燃料电池汽车的网络拓扑结构

本发明公开了一种氢燃料电池汽车的网络拓扑结构,属于氢能汽车网络拓扑技术领域,包括:与制动转向控制相关的控制器放置于动力CAN上,与电池电机控制相关的控制器及氢燃料电池系统放置于新能源CAN上,剩余其他功能的控制器放置于车身CAN上。通过CAN线通讯实现整车控制器之间大量可靠的数据传输,不需要大量硬线连接;同种类型的控制器放在同一个网段上,不同类型的控制器放在不同的网段上,保证了不同网段的有效隔离,每个网段的负载率控制器在合理范围内,从而提高信号传输的可靠性。车辆功能配置增加时,网络拓扑只需要在现有的基础上做适应性变更,根据新增控制器的类型直接布置在现有的网段上,适配性强。

标签:
新能源
湖北 - 武汉 来源:中冶有色网 2023-03-18
顶部进料的生物质流化床锅炉装置

本发明涉及一种顶部进料的生物质流化床锅炉,属于新能源技术领域。本发明采用在锅炉炉膛上部、顶部进料。从烟气出口引出一部分烟气经过风机加速后从烟气射流装置喷入锅炉炉膛。在锅炉炉膛出口处布置分离折流板,在锅炉炉膛壁上还有二次风口,三次风口。通过对流化床锅炉的创新设计,黄秸秆不需要进行预处理,可以直接进入到锅炉内燃烧,燃烧效率高;而且锅炉进料系统简单可靠,占地面积小,进料系统周边不会出现飞尘现象,锅炉可以长期稳定高效运行。

标签:
新能源
湖北 - 武汉 来源:中冶有色网 2023-03-18
基于硅倍半氧烷的硅碳复合负极材料及其制备方法

本发明属于新能源材料领域,具体公开了一种基于硅倍半氧烷聚合物前驱体的硅碳复合负极材料(Si@C)的制备方法:首先将乙烯基硅倍半氧烷与苯乙烯混合,在引发剂作用下发生共聚反应,将所得聚合物作为前驱体材料,依次进行碳化、镁热还原、去除杂质得到Si@C负极材料。本发明所得负极材料中,硅与碳形成了均匀复合的包覆结构,且有利于构建纳米孔隙结构,可有效提高锂离子电池放电比容量以及循环稳定性;且涉及的制备方法简单,重复性好,可为锂离子电池高效负极材料的制备提供一条新思路。

标签:
新能源
湖北 - 武汉 来源:中冶有色网 2023-03-18
能源逆变并网控制装置及控制方法

本发明公开了一种能源逆变并网控制装置,包括依次连接于新能源电站上的双向DC/AC模块、电网,所述双向DC/AC模块采用三相四桥臂桥式电路,所述双向DC/AC模块能够用于能量的双向流通,所述双向DC/AC模块还连接内含模糊的改进比例谐振控制器;在abc坐标系下通过基于模糊控制的改进比例谐振控制器对交流侧的三相电流直接控制,比例谐振控制器既具有PI控制器的优点,又可以对交流分量实现无静差的跟踪。

标签:
新能源
湖北 - 武汉 来源:中冶有色网 2023-03-18
再生制动控制系统
再生制动控制系统 847     
 0

本发明涉及新能源汽车领域,更具体地说,涉及再生制动控制系统,包括:整车控制器和多个子系统;所述子系统包括:气压调节系统;所述整车控制器,用于判定车辆进入再生控制阶段,以及根据各子系统的运行参数计算整车进入再生控制阶段后,所需的目标进气量;所述气压调节系统,用于在整车进入再生控制阶段中,根据目标进气量对进气量进行调控;所述整车控制器与气压调节系统连接。本发明整车控制器无需服从气压调节控制器,从而能够利用整车资源保证安全性。

标签:
新能源
湖北 - 武汉 来源:中冶有色网 2023-03-18
适用于低压配网能源路由器拓扑

本发明公开了一种适用于低压配网能源路由器拓扑。该拓扑实际上是整合多种分布式发电、储能系统和智能化电力电子接口的电气单元。它从交流配电网引出,利用高频变压器实现模块化的变压功能;设置直流母线,削弱新能源间歇性出力对微网的冲击,提高有功功率接纳能力,实现分布式电源的即插即用和能量管理;在输出端提供交、直流供电接口,实现电能的路由分配并对网侧电压质量起到改善的作用。具有重要的工程应用价值。

标签:
新能源
湖北 - 武汉 来源:中冶有色网 2023-03-18
基于小型离网风力发电的便携式移动电源

本发明适用于新能源发电技术领域,提供了一种基于小型离网风力发电的便携式移动电源;该移动电源包括:整流模块、充电模块、储能模块、升压模块和逆变模块;升压模块根据外部的控制信号将充电模块输出的直流电进行升压整流处理后通过输出端输出直流电,升压模块还将储能模块的输出进行升压整流处理后通过输出端输出直流电;逆变模块根据外部的控制信号控制升压模块输出端输出的直流电逆变成交流电并输出供给负载。本发明提供的便携式移动电源采用简单、可靠的电路拓扑结构,储能模块采用能量密度高的锂电池,前后级可拆卸,使整个装置灵巧、便携。

标签:
新能源
湖北 - 武汉 来源:中冶有色网 2023-03-18
低碳污水处理工艺的碳排放测算方法

本发明涉及污水处理技术领域,具体涉及一种低碳污水处理工艺的碳排放测算方法。选定待测算工艺,并确定其能量、物质的交换边界;待测算工艺的碳踪因子CFk进行排序,获取碳踪因子输入矩阵A和碳踪因子输出矩阵B;对各个碳踪因子CFk进行碳当量CO2ek标定,并对碳当量CO2ek进行排序,得到碳当量输入矩阵CT和碳当量输出矩阵DT;对碳踪因子CFk进行输入因子和输出因子分类,计算各个输入因子碳消耗量CIi和输出因子碳携带量COj;计算总输入TCI、总输出TCO、新能源的能耗碳因子净减量和气态CO2净减排当量根据TCI、TCO计算汇碳CO2净增量Δ1和碳因子净减量Δ2,本方法能够进行污水处理工艺的碳排放测算,有利于低碳污水处理工艺的优化与管理。

标签:
新能源
湖北 - 武汉 来源:中冶有色网 2023-03-18
大规模分布式光伏电站的频率调节协同控制方法及系统

本发明公开了大规模分布式光伏电站的频率调节协同控制方法及系统,属于新能源并网发电技术领域。本发明通过将交流系统频率信号的变化信息转化为并网逆变器直流母线电压的变化信息,从而对单个光伏组件部署分散式的无通讯调频控制。该控制方法分为两个层面,在并网逆变器侧将交流系统频率偏差引入直流母线电压控制环,调整直流母线电容储存的能量实现虚拟惯量控制;在光伏发电侧部署基于直流优化器的分散式f‑P下垂控制,从而根据因频率变化而产生的直流优化器输出电压的变化调整各光伏发电单元的有功出力。本发明可以使大规模分布式光伏电站自主响应并网交流系统频率变化,有效地改善系统频率变化率、动态频率最低点以及稳态频率偏差等频率指标。

标签:
新能源
湖北 - 武汉 来源:中冶有色网 2023-03-18
电池包上气密性泄漏点的检测方法及装置

本发明公开了一种电池包上气密性泄漏点的检测方法及装置,属于新能源电池技术领域。该检测方法包括采用储气罐向电池包的箱体进气端鼓入一定温度和压力的空气,若箱体在超过时间t后仍无法达到气压P1或/和达到设定气压后当关闭与储气罐相连的气泵机并保压一段时间后,储气罐内气压下降,则判定电池包箱体有气体泄漏;该气体泄漏信息传送给与储气罐相连接的分散控制系统,分散控制系统打开位于电池包箱体周围的广角红外热像仪,热成像的同时将气体泄漏点信息传送给显示单元并通过警示单元发生报警。该检测方法准确度高,且检测迅速。

标签:
新能源
湖北 - 武汉 来源:中冶有色网 2023-03-18
重力发动机
重力发动机 927     
 0

本发明属于新能源领域,尤其是清洁无污染的、永不枯竭的重力能的获取方法及其装置与应用。其特征是在承载面上安放一个圆周体,在圆周体的上部安装圆周体的驱动装置,在圆周体的势能区里安装一个重力输出装置,驱动装置驱动圆周体运动,圆周体的运动包括转动或滚动或晃动;圆周体驱动重力输出装置,重力输出装置将圆周体的重力能输出并转化为可利用的动力,圆周体输出的能量大于其消耗的能量。

标签:
新能源
湖北 - 武汉 来源:中冶有色网 2023-03-18
压力发电金属丝及其制备方法

本发明涉及一种压力发电金属丝及其制备方法,属于新能源和发电技术领域。本发明由正极金属丝、导电聚合物层和负极金属丝构成,正极金属丝和负极金属丝外表面分别包覆棉纤维,棉纤维外表面吸附有导电聚合物层,将外表面吸附有导电聚合物层的正极金属丝和外表面吸附有导电聚合物层的负极金属丝相互平行缠绕形成一体,即得压力发电金属丝。本发明金属丝部分与导电聚合物部分结合性紧密,导电性、柔韧性良好,该压力发电金属丝可广泛应用于具有压电转化性能的织物、柔性微压力传感器,并且在智能服装、可穿着显示器、柔性电子产品等领域也具有广阔的应用前景。

标签:
新能源
湖北 - 武汉 来源:中冶有色网 2023-03-18
节能存储系统的SSD与HDD混合缓存管理方法及系统

本发明公开了一种节能存储系统的SSD与HDD混合缓存管理方法及系统,其方法包括:构建包括SSD缓存与HDD缓存的混合缓存,利用SSD缓存存放最热数据,用HDD缓存存放次热数据;创建基于状态与热度结合的全局访问表;根据全局访问表对用户请求进行分类处理;根据供电状况对主存储池的数据节点进行操作:在面向新能源的节能存储系统的主存储池之上引入由SSD缓存和HDD缓存组成的混合缓存;在供电不足时段,缓存层在处理存储系统的绝大部分请求,在保证数据可用性和存取性能的同时,减少对主存储池的访问次数;并优先淘汰缓存中处于开启状态磁盘的数据,尽可能在HDD缓存中保留关闭磁盘的数据,减少关闭磁盘的被动开启,起到减少磁盘被动开启、降低访问能耗的作用。

标签:
新能源
湖北 - 武汉 来源:中冶有色网 2023-03-18
适用于智能配电网的电压暂降源精确定位优化方法

本发明涉及一种适用于智能配电网的电压暂降源精确定位优化方法。电压暂降发生后,首先基于序功率增量方向原理确定暂降源的候选分布区域。然后,进行电压暂降成因辨识,以针对性地指导定位。对于由短路故障引起的电压暂降,在候选分布区域内,依据反演思想,基于考虑逆变器接口的新能源接入影响的智能配电网短路电流计算方法,以故障位置、过渡电阻为优化变量,以有限观测点处故障电流、电压的计算值与观测值误差最小为目标,建立寻找最邻近母线和寻找准确故障位置的分步优化模型并采用智能优化算法求解,以提高定位精度、实现精确定位。通过上述流程的智能配电网电压暂降源定位优化,本发明可实现定位精度更高、计算量更小、适用性更好的目标。

标签:
新能源
湖北 - 武汉 来源:中冶有色网 2023-03-18
上一页 15 16 17 18 19 ... 46 下一页
共46页    到第

中冶有色为您提供最新的湖北武汉有色金属新能源材料技术理论与应用信息,涵盖发明专利、权利要求、说明书、技术领域、背景技术、实用新型内容及具体实施方式等有色技术内容。打造最具专业性的有色金属技术理论与应用平台!

全国热门有色金属设备推荐
展开更多 +
全国热门有色金属技术推荐
展开更多 +

 

江西省隆恩特环保设备有限公司
宣传

报名参会
更多+

报告下载

有色专家
更多+

武汉科技大学
校学术委员会主任 / 教授
洛阳有色矿业集团有限公司
生产技术部经理
西安建筑科技大学
教授
中南大学
院长/教授
重庆理工大学
教授
赤泥综合利用研究报告2025
推广

热门技术
更多+

推荐企业
更多+

福建省金龙稀土股份有限公司
宣传

发布

在线客服

公众号

电话

顶部
咨询电话:
010-88793500-807