青岛垚鑫智能科技有限公司
宣传

位置:中冶有色 >

有色技术频道 >

分类:
全部
矿山技术
冶金技术
材料制备及加工技术
环境保护技术
分析检测技术
地区:
全部
北京
天津
上海
重庆
河北
山西
辽宁
吉林
黑龙江
江苏
浙江
安徽
福建
江西
山东
河南
湖北
湖南
广东
海南
四川
贵州
云南
陕西
甘肃
青海
内蒙
广西
西藏
宁夏
新疆
其他
其他
展开
 
全部

有色金属技术理论与应用

免费发布技术信息>>
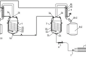
以竹炭为填料的一塔三模综合处理系统及处理废水废气的方法

本发明提供一种能够对废气、废水协同处理,气模式、水模式及气水模式可以任意转换,以竹炭为填料的一塔三模综合处理系统和处理废水废气的方法,该系统包括填充有负载微生物膜的竹炭填料的处理塔;风机出口经过进气管路与处理塔底部相通;循环泵出口与处理塔内上部的喷淋系统相通,处理塔底部通过出水管路与循环水槽相通,循环水槽与循环泵进口相通;处理塔顶部与出气口相通。该方法,处理废气时采用气模式:废气进入塔内,经过负载微生物膜的竹炭填料,被微生物吸附降解后达标排放;处理废水时采用水模式:废水由循环泵抽至喷淋系统喷淋而下,经过竹炭填料,被微生物吸附降解后进行循环处理;同时处理废水和废气是采用气水模式。

标签:
废水处理
江苏 - 南京 来源:中冶有色网 2023-03-19
电催化膜废水处理系统及其电催化膜管

本发明公开一种电催化膜废水处理系统,包括有机废水池、混合阀、直流稳压电源、电催化膜管、辅助电极和渗透液槽;该电催化膜管包括一采用丙稀碳源气体经热分解化学气相沉积实现碳化导电的陶瓷膜管基材,该陶瓷膜管基材负载有实现废水电催化氧化作用的催化剂;该电催化膜管安装于渗透液槽中,该辅助电极围绕在电催化膜管外并与电催化膜管保持有间距;所述有机废水池的出水端通过计量泵与混合阀的进水端连接,该混合阀通过进水管与电催化膜管连接,该直流稳压电源的正极和负极通过导线分别连接到电催化膜管和辅助电极上,所述电催化膜管的出水端与前述混合阀连接,并于电催化膜管与混合阀间设置有一控制阀门,该系统能实现难降解有机废水的治理。

标签:
废水处理
广东 - 东莞 来源:中冶有色网 2023-03-19
废水及污水处理系统
废水及污水处理系统 753     
 0

一种废水及污水处理系统,包括一反应槽、进水管、曝气装置与一污泥质推、导流及排泥装置;其中,反应槽区分形成一反应池与沉淀池,反应池与沉淀池间并形成连通;进水管伸入反应槽的反应池底部,用以将污水、废水平均输入反应槽的反应池中;曝气装置包括一鼓风机,鼓风机连结有一进气管,进气管伸入反应槽所设反应池的底部,用以将气体平均输入反应池中;污泥质推、导流及排泥装置包括一抽吸管,抽吸管设于反应槽的沉淀池底部,抽吸管连结有泵,泵连结有一输送管,输送管回绕输入反应池的底部;借由上述装置,提供一种可不间断地连续进行处理工序,减少污水、废水处理时间,提高污水、废水处理效率,并可大幅降低处理成本的废水及污水处理系统。

标签:
废水处理
其他 - 其他 来源:中冶有色网 2023-03-19
集成装置及采用该装置连续化预处理高COD高盐废水的方法

本发明涉及一种集成装置,还涉及一种采用该装置连续化预处理高COD高盐废水的方法,其特征在于:包括串联的脱气釜、浓缩釜、连续式压榨机,所述脱气釜、浓缩釜的釜体内壁均紧贴设置有至少一道呈圆柱螺旋状延伸的导流槽,并釜体的外壁设置有用于导入加热介质的夹套层。本发明优点是:脱气釜与浓缩釜釜体内的物料通过各自导流槽进行螺旋状流动并被加热,将废水中的低沸点溶剂以及水分脱除,最后经过连续式压榨机的脱水和除盐,完成废水的预处理,降低污水处理系统的负荷。而通过脱气釜、浓缩釜釜外介质温度以及釜内废水流量的同步控制,使得整个装置的处理负荷及工艺参数达到很好的平衡,顺利实现真正的废水连续化预处理。

标签:
废水处理
江苏 - 南通 来源:中冶有色网 2023-03-19
木材加工废水处理的方法

本发明公开了一种木材加工废水处理的方法,包括如下步骤:首先将木材加工废水经过格栅和过滤网,以除去大部分悬浮物;然后出水进入至带有搅拌装置的调节池,加入NaOH调节pH值到7.0~8.0,再分别加入絮凝剂和助凝剂,搅拌强度为2000r/min,保持时间为2.5 h,使絮凝剂与废水充分混合均匀,形成较大颗粒,经调节池出水沉淀、过滤;出水通过打料泵送入压滤机,去除绝大部分微小杂质;出水泵入滤池,自下而上进水,滤料为废纤维球;出水泵入蓄水池,直接回用。采用本发明木材加工废水的处理方法,当每升木材加工废水中加入絮凝剂与助凝剂的质量比为400~500 : 1时,CODcr去除率达到45%以上。

标签:
废水处理
重庆 - 重庆 来源:中冶有色网 2023-03-19
电磁技术处理高盐高有机废水设备与方法

本发明公开了一种电磁技术处理高盐高有机物废水设备与方法,设备内部设置多级电磁极穿孔板,电磁穿孔板由复数个电磁单元和磁水过流间隙交替排列组成,相邻两电磁穿孔板极和两电磁穿孔板极间的磁水反应区构成磁水反应单元;废水由进水管进入设备进水区,由进水区穿过磁水过流间隙进入磁水反应区,对废水有机快速降解,经过多级磁水反应后进入出水区并排出设备外;设备底部设置超声发生器,强化有机物降解效率;超声发生器的上端设置曝气通气管,根据进水水质状况,可通入氧气、臭氧、氮气等气体协同电磁处理。本发明提出的废水设备与方法对高含盐量、难降解的高有机物废水处理效果较好,为后续处理工艺降低难度,降低处理成本。

标签:
废水处理
上海 - 上海 来源:中冶有色网 2023-03-19
鸟嘌呤废水的预处理方法

本发明公开了一种鸟嘌呤废水的预处理方法,属于医药废水处理领域。本发明将中和沉淀、混凝沉淀、O3/H2O2催化氧化、电催化氧化有序的耦合在一起,能将环状类、大分子有机物破环开链,转化为可生化的小分子有机物,并彻底矿化部分污染物,最大限度地实现鸟嘌呤废水中化学需氧量以及总氮的协同降解,显著提高BOD/COD比,使出水水质的化学需氧量、总氮以及氨氮含量达到污水排放标准,并可以为后续处理创造条件。本发明所提供的鸟嘌呤废水的预处理方法具有氧化能力强,协同作用效果好,低耗高效的优点,特别适用于低pH、高盐度、高浓度、难降解废水的预处理,是一项环境友好的技术。

标签:
废水处理
江苏 - 盐城 来源:中冶有色网 2023-03-19
联合铁碳微电解与类芬顿体系的制药废水预处理方法

本发明公开了一种联合铁碳微电解与类芬顿体系的制药废水预处理方法,包括以下步骤:将规整铁碳填料加入到装有废水的反应器内,调节废水pH值为3~4,并进行曝气处理;将铁碳微电解反应后液排入中间储罐并继续曝气处理20min后流入氧化反应罐内,依次加入L‑半胱氨酸、CaO2启动反应,1~1.5h后结束反应;将反应后液排入至絮凝沉淀罐,调节pH值至9~10,再加入絮凝剂,搅拌后静止沉淀,其上清液即为预处理出水。本发明对制药废水中的有机污染物去除效果好,具有稳定、高效、渣量少、无二次污染和成本低廉等优点,为高CODcr浓度、难降解或一般处理方法难以奏效的有机废水处理提供了广阔的前景。

标签:
废水处理
湖南 - 长沙 来源:中冶有色网 2023-03-19
利用含氟废水制备砂状冰晶石的方法及装置

本发明公开了一种利用含氟废水制备砂状冰晶石的装置,包括流化床反应器、废水槽、药剂箱、集水槽;流化床反应器的进水口通过进水泵与废水槽连接;流化床反应器的进药口通过进药泵与药剂箱连接;流化床反应器的出水口与集水槽连接;流化床反应器的回流出口通过回流泵与流化床反应器的回流入口连接;流化床反应器内设有冰晶石晶种,流化床反应器上设有取样口。本发明还提供一种利用含氟废水制备砂状冰晶石的方法。本发明能从废水中回收氟制备砂状冰晶石。

标签:
废水处理
湖北 - 武汉 来源:中冶有色网 2023-03-19
高盐废水的光电催化处理系统及方法

本发明涉及一种高盐废水的光电催化处理系统及方法,涉及废水处理技术领域。该光电催化处理系统,包括光电催化处理设备,光电催化处理设备开设有电解槽,电解槽内间隔设置有阳极电极板与阴极电极板,光电催化处理设备包括盖体,盖体开设有开口,盖体包括保护壳,以及滑动嵌设于开口的第一滑块与第二滑块,第一滑块、第二滑块分别与阳极电极板、阴极电极板连接,保护壳连通有抽气泵,阳极电极板与阴极电极板分别电连接有电源,电解槽内填充有光电催化剂,电解槽设有多个紫外灯,其能强化系统污染物去除能力和抗染污能力。本发明还提出一种高盐废水的光电催化处理方法,将高盐废水经上述光电催化处理系统处理,使高盐废水快速达到合格排放标准。

标签:
废水处理
江苏 - 盐城 来源:中冶有色网 2023-03-19
棉浆造纸废水的深度处理方法

本发明涉及一种棉浆造纸废水的深度处理方法。该方法包括以下步骤:使经过一级处理及二级处理后的棉浆造纸废水经过超滤膜进行超滤处理,得到超滤产水和超滤反洗排水;使所述超滤反洗排水进入废水一级处理设备再次进行处理;使所述超滤产水进入电吸附装置进行电吸附处理,得到电吸附产水和电吸附排水,所述电吸附产水回用于生产,所述电吸附产排水直接排放。本发明的棉浆造纸废水的深度处理方法采用“超滤+电吸附”的深度处理工艺,使废水的含盐量和有机污染物得到有效降低,悬浮物彻底去除,最终产水达到回用要求,最终排水不用再处理可直接排放。

标签:
废水处理
河北 - 保定 来源:中冶有色网 2023-03-19
高浓度氨氮废水的资源化处理方法及装置

本发明公开了一种高浓度氨氮废水的资源化处理方法,其采用低压汽提工艺,由预处理、化学除杂、蒸氨、化学脱氮以及在线清洗步骤依次组成;采用两级化学沉淀法与蒸汽汽提方式联合进行氨氮废水减排及资源化利用的处理方法,利用化学沉淀‑絮凝法去除废水中的氟、重金属离子、硫酸根、硅酸盐等杂质,再通过蒸汽汽提的方式采出氨气、硫酸铵直接利用,最后通过磷酸铵镁MAP沉淀法处理废水中的余氮,满足国家排放标准;该方法能处理包含上述有害物质的高浓度废水,并获得可直接进行资源化利用的副产品。

标签:
废水处理
北京 - 北京 来源:中冶有色网 2023-03-19
用于高浓度难生物降解有机废水处理的臭氧催化流化床装置与方法

本发明公开了一种用于高浓度难生物降解有机废水处理的臭氧催化流化床装置,涉及环保领域中的污水处理理技术,其结构为:包括用于连接污水储罐的有机废水输送管道和溶气水输送管道、污水加压泵、臭氧发生装置、溶气泵、流化床反应器和多个控制阀;流化床反应器的顶部设置有顶部溶气水布水管,顶部溶气水布水管连通溶气水布水头,输送溶气水;还公开了一种有机废水处理的方法:将有机废水加入污水储罐,开启臭氧发生装置,在流化床反应器底部填充催化剂;使臭氧发生装置产生的至少一部分臭氧与有机废水混合后输送到溶气泵产生溶气水;使溶气水经顶部溶气水布水管至溶气水布水头的管道进入流化床反应器底部,与颗粒状催化剂接触发生催化降解反应。

标签:
废水处理
四川 - 成都 来源:中冶有色网 2023-03-19
SO3脱除与脱硫废水零排放一体化的装置和方法

本发明提供了一种SO3脱除与脱硫废水零排放一体化装置和方法,工艺包括:SO3吸收剂制备部分I、脱硫废水零排放预处理部分II、溶液计量分配部分III和喷射蒸发部分IV,具体包括Na2CO3溶解罐1、Na2CO3储液罐2‑1、淡水箱2‑2、在线管道混合器2‑3、浓水箱2‑4、混合加药箱3、澄清沉淀池4、超滤装置5、反渗透膜组6、喷枪7、污泥输送泵8、板框压滤机9、粗过滤器14以及各种泵10、流量计11、压力表12和阀门13。此工艺对SO3脱除和废水零排放两过程进行一体化设计,可同时实现电厂烟气中SO3的脱除和脱硫废水的零排放,工艺过程简单、能耗较低,能够到达较好的处理效果。

标签:
废水处理
北京 - 北京 来源:中冶有色网 2023-03-19
林可霉素类抗生素生产废水的处理工艺

本发明涉及一种林可霉素类抗生素生产废水的处理工艺,酸性厌氧菌将废水中生物难降解的高分子有机物分解为生物易降解的小分子有机物,提高废水的B/C比至0.26~0.30;好氧菌将废水中的生物易降解小分子有机物氧化分解为CO2、H2O等无机物,有效地完成COD的去除;臭氧氧化将水中的大部分残余有机物氧化分解为无机物;活性炭过滤吸附去除水中的有机物以及重金属、氨氮等无机物,确保出水COD浓度小于100mg/L。本发明的工艺技术,可有效地进行林可霉素类抗生素生产废水的处理,处理效果显著,出水水质稳定,出水COD浓度为100mg/L以下,运行成本合理。

标签:
废水处理
江苏 - 扬州 来源:中冶有色网 2023-03-19
智能控制医疗废水处理系统

本发明涉及医疗废水处理技术领域,具体为一种智能控制医疗废水处理系统,包括机壳,处理腔,第一圆腔,第二圆腔,第三圆腔,开设于所述第一圆腔与所述处理腔之间,且与所述第一圆腔以及所述处理腔之间共同转动安装有转杆,且所述转杆的内部中空,滑腔,所述转杆的下端于处理腔的内部周向等间距固定安装有多个搅拌杆,每个所述搅拌杆的上端均等间距固定安装有多个喷头。本发明通过多个喷头喷出气泡,气泡在处理腔的内部四处飘逸,起到扰流的效果,可以将脱氯剂与医疗废水之间均匀混合,可以对处理腔内部的混合液进行反向搅拌,从而使得脱氯剂与医疗废水的混合更加的均匀,从而进一步提高对医疗废水的处理效率。

标签:
废水处理
江苏 - 南通 来源:中冶有色网 2023-03-19
酱菜腌制废水的处理方法

本发明涉及一种酱菜腌制废水的处理方法,该方法包括以下步骤:1)将稻壳粉碎成直径小于2mm的颗粒,按照一定比例加入至酱菜腌制废水中,升高至一定温度,稻壳碳化后原位形成催化剂;2)通入氧气,升高至一定温度后废水在稻壳碳化形成的催化剂作用下,发生催化氧化反应,废水得到氧化降解。与现有技术相比,本发明充分利用了农业废弃物稻壳作为催化剂的原料,进行催化氧化降解酱菜腌制废水,解决了购买活性炭或其他催化剂的高成本问题,实现了有机废弃物稻壳的资源化利用,具有较高的经济效益和环境效益。

标签:
废水处理
浙江 - 台州 来源:中冶有色网 2023-03-19
通过膜分离处理维生素B6生产废水的装置系统及方法

本发明涉及一种通过膜分离处理维生素B6生产废水的装置系统及方法,所述装置系统包括顺次连接的预过滤装置、纳滤装置、脱色装置、结晶装置以及离心装置;所述离心装置的滤液出口与预过滤装置的物料入口连接。本发明提供的装置系统通过纳滤膜对维生素B6生产废水进行处理,无需微滤膜与超滤膜的使用,通过装置之间连接关系的合理设置,有效降低了维生素B6生产废水对环境的影响,降低了能源消耗与运营成本;而且,所述装置系统还能够实现对维生素B6生产废水中维生素B6的高效回收,是一种理想的维生素B6生产废水的装置系统。

标签:
废水处理
上海 - 上海 来源:中冶有色网 2023-03-19
多相催化氧化催化剂、制备方法和用于处理含酚废水的方法

本发明公开了一种多相催化氧化催化剂、制备方法和用于处理含酚废水的方法,所述催化剂包括如下组成:载体为纳米铁改性半焦,活性组分为负载的有机酸络合金属铜和/或稀土金属铈。本发明制备的催化剂具有催化效率高、金属流失量小、稳定性好等特点,有利于将含酚废水中各类酚转化为小分子酸,提升废水生化性,同时去除废水中氨氮,降低废水处理成本。

标签:
废水处理
山东 - 烟台 来源:中冶有色网 2023-03-19
化学合成制药溶媒回收废水处理方法

本发明涉及废水处理领域,公开了一种化学合成制药溶媒回收废水处理方法,包括如下步骤:步骤I:物化处理,采用电解气浮预处理系统对废水进行预处理;步骤II:溶媒回收,包括浓缩阶段、精馏阶段和脱水阶段,处理后溶媒纯度>98%;步骤III:生化处理,将溶媒回收之后的废水依次用UASB反应器、二级串联好氧厌氧系统和MBR反应器处理。本发明能够实现化学合成制药废水中溶媒的回收以及杂质的充分降解。

标签:
废水处理
重庆 - 重庆 来源:中冶有色网 2023-03-19
化工园区综合废水治理的系统和方法

本发明涉及废水处理技术领域,公开了一种化工园区综合废水治理的系统和方法,包括活性炭滤池、反硝化滤池、硝化滤池、除磷反应池和UHS系统,实现方法包括以下步骤:S1、A段(臭氧活性炭过滤):通过活性炭吸附废水中的有机物,通过臭氧降解有机物;S2、B段(生物活性炭过滤):通过反硝化滤池和硝化滤池去除废水中的及氨氮和总氮;S3、除磷反应:通过除鳞反应池使得水中的溶解性磷酸盐充分反应生产不溶性微粒;S4、通过超滤膜对其他有害物进行拦截,使其达到排放标准。本发明通过臭氧活性炭过滤、生物活性炭过滤、除磷反应:和UHS系统去除废水中的及氨氮和总氮,以及残留的小分子有机物,提高水质,达到排放标准。

标签:
废水处理
广东 - 广州 来源:中冶有色网 2023-03-19
废水中重金属的检测装置

本发明公开了一种废水中重金属的检测装置,涉及废水检测技术领域,包括柜体、放置机构和检测箱,所述柜体的上方固定有第一安装台,且第一安装台的上方安装有第二安装台,所述放置机构设置于第一安装台与第二安装台之间的前方一侧,所述检测箱安装于第二安装台的中部上方,且检测箱的上方两侧固定有进料斗,所述进料斗的内部上方设置有第一滤网,且第一滤网的下方设置有第二滤网,所述检测箱的中部上方安装有电动机。本发明的有益效果是:该装置通过对放置机构的设置便于废水样品的放置和保存,呈对称状均匀分布的六个放置槽便于分别设置六个废水样品,通过对检测箱的设置便于对废水与检验用试剂溶液进行化学混合处理以便于后续的检测。

标签:
废水处理
江苏 - 苏州 来源:中冶有色网 2023-03-19
三元前驱体生产废水母液处理系统和处理方法

本发明属于废水处理技术领域,具体涉及一种三元前驱体生产废水母液处理系统,包括连接的母液单元、沉淀单元、压滤单元、脱氨单元和蒸发‑结晶单元,通过上述系统处理三元前驱体生产废水母液的方法,实现了三元前驱体生产废水母液的综合回收利用,可除去重金属离子,滤液通过蒸发结晶获得副产品硫酸钠,并脱氨直接回收氨水,另蒸发结晶过程的蒸汽冷凝液可回用于现有的生产,MVR外排母液返回母液单元循环处理,实现了废水中资源的闭路循环,简化工艺流程,降低生产成本。

标签:
废水处理
江西 - 上饶 来源:中冶有色网 2023-03-19
氨基树脂生产废水的处理系统及处理方法

本发明提供一种氨基树脂生产废水的处理系统,主要包括:与车间废水排水管相连接的废水调节池,废水调节池底部设有提升泵;提升泵与芬顿氧化器相连接;芬顿氧化器与PH调节槽相连接;PH调节槽与絮凝池相连;絮凝池与气浮机相连;气浮机的排渣口与污泥桶相连接;污泥桶与压滤机相连接;压滤机的出水口回接到废水调节池;气浮机与H2O2消解器相连接;H2O2消解器与缺氧池相连接;缺氧池与生物接触氧化池相通;生物接触氧化池与MBR池相通;MBR池外设有抽吸泵,抽吸泵与水槽相连接。本发明选择芬顿氧化与气浮法相结合,并配合H2O2消解器、A/O系统及加强生化作用的膜‑生物反应器,确保出水能够达到国家直接排放标准。

标签:
废水处理
上海 - 上海 来源:中冶有色网 2023-03-19
除氟沉淀剂及其制备方法和使用其对污酸废水进行除氟的方法

本发明涉及一种除氟沉淀剂及其制备方法和使用其对污酸废水进行除氟的方法,属于废水、废液处理与回用技术领域。本发明提供的除氟沉淀剂,包括摩尔比为0.01:1‑100:1的含氧有机硅化合物和硫脲。本发明除氟沉淀剂内所含的硅原子和亚氨基分别提供与氟离子作用的“亲核取代”和“离子键合”的反应位点,通过水解、缩聚反应产生疏水性含氟沉淀,并析出溶液,使污酸废水中氟化物的浓度降低至10mg/L以下,且反应过程不受污酸废水中共存离子的干扰,具有高选择性除氟的能力。除氟后产生的含氟沉淀较常规除氟方法减量达96%以上,且可以实现含氟沉淀和净化后污酸废水的回用。

标签:
废水处理
北京 - 北京 来源:中冶有色网 2023-03-19
利用硝基苯废水制备乳化渣油的方法

本发明涉及一种利用硝基苯废水制备乳化渣油的方法,步骤为:步骤1,乳化剂制备;步骤2,混入硝基苯废水制备乳化剂水溶液;步骤3:乳化剂水溶液加热至70~80℃保温;步骤4:称取渣油,加热使其熔化,然后降温至70~80℃,加入到搅拌机中;步骤5:将乳化剂水溶液均匀加入到熔化状态的渣油中,搅拌5~15min即可得到乳化渣油。本发明所述的利用硝基苯废水制备乳化渣油的方法,利用硝基苯废水来制备乳化渣油,避免了硝基苯废水排放对环境所产生的污染,并且将其制成产品,创造经济效益。

标签:
废水处理
北京 - 北京 来源:中冶有色网 2023-03-19
印染行业碱减量废水厌氧好氧-臭氧氧化-磺化煤吸附处理工艺

本发明公开了一种印染行业碱减量废水厌氧好氧‑臭氧氧化‑磺化煤吸附处理工艺,其包括:(1)预处理碱减量废水,回收对苯二甲酸及其盐;(2)将所述去预处理后废水通入厌氧段;(3)将厌氧处理的废水通入好氧段;(4)将所述好氧段处理的污水通入臭氧进行氧化;(5)将所述臭氧氧化处理的废水通入磺化煤吸附设备,进行吸附处理,得到净化水。本发明所述的处理工艺,其发挥生物降解与磺化煤吸附的协同作用,能有效去除水中的酮类、醇类、有机胺、苯系物、噻吩以及部分有机酯,经半年连续运行,对COD去除率保持在97‑99%,色度去除率99‑99.9%,氨氮去除率保持在95‑98%。

标签:
废水处理
江苏 - 无锡 来源:中冶有色网 2023-03-19
泡菜腌渍废水的两级混凝沉淀处理工艺

本发明涉及泡菜废水处理工艺,具体为一种泡菜腌渍废水的两级混凝沉淀处理工艺。泡菜腌渍废水的两级混凝沉淀处理工艺,A、向泡菜腌渍废水投加生石灰,生石灰投加量为(0.15~0.24)g/100mL原水;使得废水的污染物含量降低;B、在步骤A投加生石灰后,进行固液分离后取上清液,对上清液投加聚合氯化铝(PAC),并投加适量的阳离子聚丙烯酰胺(PAM,分子量为800万)作为助凝剂。与常规的采用单一混凝剂达到的相似效果比较,本工艺投药量减少35~50%,成本节省50%左右,且产生的污泥密实,易于脱水。

标签:
废水处理
四川 - 成都 来源:中冶有色网 2023-03-19
使用皂素废水改良土壤种植蓝莓的方法

本发明公开的使用皂素废水改良土壤种植蓝莓的方法,分别包括取料、改良土壤、定植和定期浇灌四个步骤,采用本发明的使用皂素废水改良土壤种植蓝莓的方法,成本投入主要是皂素废水的运输成本,一亩地需要0.01~0.5m3皂素废水,一辆卡车一次运输8m3废水,每次运费100元,平均每亩则需要投入0.125~6.25元。相比较传统改良方法每亩投入1~5万元的土壤改良成本,基本上可以视为零成本投入,直接提高经济效益1~5万元/亩。另外本发明使用灌溉的方式改良大田土壤,与传统的硫磺粉抛洒混合的方式相比,操作更为便利,且大幅缩短了改良周期。传统改良方法需要6~12个月的改良时间,而本发明只需要7天时间。该方法操作简便易行,便于蓝莓园的管理。

标签:
废水处理
陕西 - 汉中 来源:中冶有色网 2023-03-19
多功能废水处理设备及其应用

本发明多功能废水处理设备及其应用涉及污水处理领域。其目的是为了提供一种有效降低COD、去除氨氮、杀菌灭藻、结构简单、成本低、操作简便的多功能废水处理设备及其应用。本发明多功能废水处理设备,包括电化学处理装置和超声震荡装置,电化学处理装置包括壳体、驱动电机、连接在驱动电机上的搅拌棒,壳体上开设有入口和出口,入口连接废水池,出口连接超声震荡装置;壳体内还设有电极杆,电极杆上连接外接电源;壳体内还设有刮刀,刮刀固定连接在搅拌棒上,刮刀平行于壳体的壁面设置;本发明多功能废水处理设备的应用,用于游泳池用水循环处理和氨氮含量高的污水处理。

标签:
废水处理
河北 - 沧州 来源:中冶有色网 2023-03-19
上一页 9961 9962 9963 9964 9965 ... 10000 ... 20000 ... 30000 ... 32465 下一页
共32465页    到第

中冶有色为您提供最新的有色金属技术理论与应用信息,包括矿山技术、冶金技术、材料制备及加工技术、环境保护技术和分析检测技术等有色技术信息。打造最具专业性的有色金属技术理论与应用平台!

全国热门有色金属设备推荐
展开更多 +
全国热门有色金属技术推荐
展开更多 +

 

江西省隆恩特环保设备有限公司
宣传

报名参会
更多+

2025年10月15日 ~ 17日
2025年10月17日 ~ 19日
2025年10月31日 ~ 11月02日
2025年11月07日 ~ 09日

报告下载

有色专家
更多+

矿冶科技集团
副所长/研究员
石家庄铁道大学
团委书记/副教授
重庆理工大学
教授
中铝检测科技(郑州)有限公司/国家轻金属质量检验检测中心
正高级工程师
长沙有色冶金设计研究院有限公司
正高级工程师/中国铝业首席工程师/全国有色金属行业设计大师/国家注册采矿工程师
赤泥综合利用研究报告2025
推广

热门技术
更多+

推荐企业
更多+

福建省金龙稀土股份有限公司
宣传

发布

在线客服

公众号

电话

顶部
咨询电话:
010-88793500-807