青岛垚鑫智能科技有限公司
宣传

位置:中冶有色 >

有色技术频道 >

> 新能源材料技术

分类:
全部
矿山技术
冶金技术
材料制备及加工技术
环境保护技术
分析检测技术
 
全部
功能材料技术
复合材料技术
新能源材料技术
合金材料技术
加工技术
地区:
全部
北京
天津
上海
重庆
河北
山西
辽宁
吉林
黑龙江
江苏
浙江
安徽
福建
江西
山东
河南
湖北
湖南
广东
海南
四川
贵州
云南
陕西
甘肃
青海
内蒙
广西
西藏
宁夏
新疆
其他
其他
展开
 
全部
南京
无锡
徐州
常州
苏州
南通
连云港
淮安
盐城
扬州
镇江
泰州
宿迁

江苏苏州有色金属新能源材料技术理论与应用

免费发布技术信息>>
用于新能源电池盒盖清洁的高压清洗机

本实用新型公开了一种用于新能源电池盒盖清洁的高压清洗机,包括储水箱和清洗结构;储水箱:其上表面设有左右对称的支撑板,支撑板的内弧壁均与清洗桶的外弧面固定连接,储水箱上表面右前端的进水口处设有进水管,储水箱右侧面下端的出水口处设有出水管,出水管的内部串联有管阀,储水箱上表面的回水口与清洗桶外弧面的排水口通过回水管连通,储水箱的后侧面设有水泵,水泵前侧面设置的抽水管贯穿储水箱的后侧壁并延伸至储水箱的内部下侧;该用于新能源电池盒盖清洁的高压清洗机,可以对电池盒盖进行全面的清洗工作,清洗效果更好,保证清洁质量,还可以循环利用水资源,减少不必要的浪费。

标签:
新能源
江苏 - 苏州 来源:中冶有色网 2023-03-18
壁挂式新能源充电桩
壁挂式新能源充电桩 1184     
 0

本实用新型公开了一种壁挂式新能源充电桩,包括主体和定位螺丝,所述主体的后端焊接有壁挂杆,且壁挂杆的中部开设有槽孔,所述定位螺丝穿设于槽孔的中部,所述主体的外壁从上到下依次设置有显示屏、操作面板、读卡区和操作区,且操作区的外壁从左到右依次设置有充电组件、转块和出线口,所述充电组件的端部连接有连接线,所述转块的外壁旋接有固定杆,且固定杆的外壁焊接有绕线杆,所述主体的左右端外壁均开设有固定框,且固定框的内部安装有连接杆。该壁挂式新能源充电桩设置将壁挂杆焊接于主体的后端,再将定位螺丝穿设于壁挂杆的中部,可以利用定位螺丝,使得壁挂杆与壁挂面相互固定,从而实现整个装置的壁挂性能。

标签:
新能源
江苏 - 苏州 来源:中冶有色网 2023-03-18
检测精度高的新能源电池厚度检测设备

本实用新型公开了一种检测精度高的新能源电池厚度检测设备,包括底架,所述底架顶部的两侧均固定连接有机箱,本实用新型通过伺服压机、平面调节器、上层大理石、下层大理石、报警灯、扫码枪和HMI显示机构设置,共同构建了一个检测精度高的新能源电池厚度检测设备,其中通过人工将产品放入下层大理石的测试平台上,然后人工使用扫码枪对产品进行扫码,设备系统接收产品条码,输入到HMI显示机构内,再通过启动伺服压机开始工作,伺服压机推动平面调节器和上层大理石对产品进行测试,待检测完毕后,系统设备将自行判断测试结果通过报警灯和HMI显示机构进行显示,同时将测试结果保存至本地磁盘,导入EXCEL表,最后人工将产品取出。

标签:
新能源
江苏 - 苏州 来源:中冶有色网 2023-03-18
用于新能源汽车VPU模块功能的检测机构

本实用新型提供一种用于新能源汽车VPU模块功能的检测机构,包括:一个装载组件和一个测试组件,其中该装载组件包括一个按钮控制面板、一个气缸、一个电机和一个电气接口,其中该按钮控制面板被连接于该气缸和该电机,该电机接口对接该新能源汽车VPU模块功能的对应接口,其中该测试组件包括一个控制主机和一个测试仪表,其中该测试仪表、该按钮控制面板和该电气接口被连接于该控制主机。

标签:
新能源
江苏 - 苏州 来源:中冶有色网 2023-03-18
新能源电池托盘集成结构

本实用新型公开了一种新能源电池托盘集成结构,涉及新能源汽车电池领域,本实用新型包括托板,托板的顶部设置有围边,围边的顶部中间通过连接轴连接有旋转板,围边的顶部两侧设置有卡件,卡件的顶部设置有紧固螺栓,旋转板的顶部开设有定位槽,本实用新型通过设置有连接轴、旋转板、卡件、定位槽以及紧固螺栓,电池放置于围边的内侧,工作人员通过连接轴使得旋转板旋转,以此使得旋转板卡入卡件内,接着工作人员旋转紧固螺栓,进而使得紧固螺栓插入定位槽内,这样使得旋转板能够对电池顶部进行限位固定,避免了电池在托盘内上下跳动,提高了电池在托盘安装的稳定性,从而降低电池随汽车颠簸发生晃动而出现碰撞受损的情况。

标签:
新能源
江苏 - 苏州 来源:中冶有色网 2023-03-18
新能源汽车用分体式可更换的电源箱

本实用新型提供一种新能源汽车用分体式可更换的电源箱,涉及新能源技术领域,包括底壳,所述底壳的上端设置有中段壳,所述中段壳的上端设置有顶壳,所述底壳的上端固定安装有加强筋,所述中段壳的侧表面开设有长槽,所述中段壳的侧面固装有定位板,所述顶壳的侧面固定连接有固定板,所述中段壳的侧面装有衔接板,所述中段壳的内表面固装有隔板,所述中段壳的侧面装有L型板,当人们需要更换电源箱时,此时转动L型板上的卡板,使其与卡槽分离,然后将定位板和固定板之间的螺栓取出,即可将顶壳与中段壳进行分离,同时使用衔接板可以将中段壳和底壳分离,从而方便人们根据电源箱的损坏部位进行拆卸更换,降低更换成本。

标签:
新能源
江苏 - 苏州 来源:中冶有色网 2023-03-18
便捷散热的新能源电池箱

本申请公开了一种便捷散热的新能源电池箱,包括外壳体和外盖体,所述外盖体的内顶壁上设置有出风口朝下的第一排风扇,所述外壳体的内侧设有内底壁向上凸起且内部开设有透气孔的放置架,所述放置架外设置有调节组件,该调节组件包括:安装板,其下表面设置有调节套,而调节套之内设置有向外延伸的T型架;弹簧,其设置于调节套的内侧,而T型架之外固定设置有中间安装片;所述外壳体的内壁上设置有横向排布的下板体,所述下板体之下设置有第二排风扇,所述外壳体的侧壁内设置有与外部连通的散热架。该便捷散热的新能源电池箱,通过在箱体内部预留有合理的风道空间,且第一排风扇和第二排风扇对位于风道中心处的电池进行散热,因此散热高效可靠。

标签:
新能源
江苏 - 苏州 来源:中冶有色网 2023-03-18
防充电线拖拽的新能源汽车用充电桩

本实用新型公开了一种防充电线拖拽的新能源汽车用充电桩,包括充电桩主体和防拽组件,所述充电桩主体内部设置有触动开关,且触动开关右侧设置有转动块,所述转动块中部设置有转轴,用于防止拽动损坏的所述防拽组件设置于转动块下方,所述防拽组件包括活动块、滑槽、限位杆、连接块、伸缩弹簧和固定块,所述活动块两侧均设置有滑槽,且滑槽内部贯穿设置有限位杆,所述活动块右侧连接有连接块,且连接块一端连接有伸缩弹簧。该防充电线拖拽的新能源汽车用充电桩通过防拽组件,可以有效防止危险事故的发生,避免了使用者经济财产或人身安全受到损害,增加该装置自身实用性,通过散热组件,可以达到降低装置内部温度的效果,增加装置自身使用寿命。

标签:
新能源
江苏 - 苏州 来源:中冶有色网 2023-03-18
便于更换的新能源汽车电池包结构

本实用新型涉及新能源汽车电池包领域,公开了一种便于更换的新能源汽车电池包结构。包括电池箱体,电池箱体内开设有安装槽,安装槽的底部设置有底板,底板上放置有电池包,安装槽的开口处设置有封盖,箱体内对称设置有抬升组件,抬升组件包括移动杆、转动杆、限位块、升降杆、连接块和抬升弹簧。本实用新型通过抬升组件的设置,方便将电池包从箱体中取出,即便于更换电池包,提高了更换电池包的效率,使电池包在没有工具的地方也可以打开,降低工作难度。

标签:
新能源
江苏 - 苏州 来源:中冶有色网 2023-03-18
新能源电池烧结炉的冷却段

本实用新型涉及一种新能源电池烧结炉的冷却段,包括冷却腔,所述冷却腔两端分别设有进料口与出料口,所述进料口与出料口之间设有传送带,所述出料口上方设有风管,所述风管一端连接有进风管,且所述进风管固定安装与冷却腔内腔,所述进风管上方设有冷却水管,所述冷却水管底部安装有喷头,所述冷却水管一侧设有出风管,所述冷却腔底部连接有排水管,所述冷却腔一侧设有操作箱,所述操作箱内腔设有冷却水箱,所述冷却水箱上方设有给水泵,且所述给水泵两端分别与冷却水管、冷却水箱连接,结构简单,设计合理,能够对新能源电池片进行有效散热,提高降温的效率,同时能够保证工艺流程的连续性,保证生产的效率。

标签:
新能源
江苏 - 苏州 来源:中冶有色网 2023-03-18
用于新能源电机前盖的智能装配设备

本实用新型公开了一种用于新能源电机前盖的智能装配设备,包括装配架、输送机床和操作台,所述输送机床的下端一侧通过操作台与装配架的下端一侧固定连接,所述输送机床的上端内部两侧对称设置有第一滚筒,所述第一滚筒的两侧通过滚动轴承与输送机床的侧表面转动连接,所述第一滚筒的外表面套合有第一传送带,所述输送机床靠近操作台的一端两侧的外表面中心位置均设置有安装板。本实用新型通过设置第二滚筒、第二传送带、第一传送带、单片机控制器、第一滚筒、第二红外线接收器、第二红外线发射器、第一红外发射器和第一红外线接收器,解决了现有的新能源电机前盖在压装轴承时不够智能化和无法实现流水化生产从而生产效率低下的问题。

标签:
新能源
江苏 - 苏州 来源:中冶有色网 2023-03-18
新能源电动车控制器中功率器件的紧压结构

本实用新型公开了一种新能源电动车控制器中功率器件的紧压结构,控制器包括壳体及内部的电路板,电路板上设置有功率器件,壳体的一侧内壁上设置有导热绝缘件,功率器件的散热面贴靠于导热绝缘件上,壳体的任一内壁上延伸设置有压紧臂,压紧臂与功率器件的塑封体表面直接或间接接触,将功率器件压紧于导热绝缘件。上述新能源电动车控制器中功率器件的紧压结构主要于壳体内部设置一个压紧臂,直接或者间接地将功率器件压紧于带有导热绝缘件的壳体上,结构稳定、紧压效果可靠、安装方便、散热效果好。

标签:
新能源
江苏 - 苏州 来源:中冶有色网 2023-03-18
新能源汽车单流道液冷散热器

本实用新型公开了一种新能源汽车单流道液冷散热器,包括液冷板,所述液冷板表面设有一进水口和一出水口,液冷板内部设有流道,所述流道为U形或蛇形,流道为单流道,流道内壁设有若干扰流筋或若干扰流柱或同时设有若干扰流筋和扰流柱,所述进水口和出水口分别位于流道的两端,进水口与出水口通过流道相连通。本实用新型结构简单合理,通过在液冷板流道内壁设置扰流筋或扰流柱或同时设置扰流筋和扰流柱,增大了流场的紊流程度,增大雷诺数,同时增大对流换热系数,增强液冷板的冷却能力,提高了液冷散热器的散热效果,延长了电池组的使用寿命,保证了电池和新能源汽车的安全性。

标签:
新能源
江苏 - 苏州 来源:中冶有色网 2023-03-18
用于新能源电池新型顶盖贴片结构

本实用新型公开了一种用于新能源电池新型顶盖贴片结构,包括电池外壳体,所述电池外壳体的中间连接处设置有可拆卸安装的连接机构,所述电池外壳体的内壁顶端和内壁顶部均设置有顶盖贴片头,所述电池外壳体的内壁两侧均设置有可卡箍电池贴片的贴片槽,所述电池外壳体的外壁两侧均开设有贴孔,所述电池外壳体的外壁下方固定连接有可用于黏贴整个装置的粘贴板。该用于新能源电池新型顶盖贴片结构通过电池外壳体的设置可以将电池在安装入壳体内之后使电池的到一定保护,具有一定的绝缘作用,通过连接机构可以对电池外壳体进行拆卸和固定,通过贴片槽的设置可以纵向安装不同直径大小的电池,该装置的使用方法简单且具有一定的安全性。

标签:
新能源
江苏 - 苏州 来源:中冶有色网 2023-03-18
具有防水结构的新能源充电桩

本实用新型公开了一种具有防水结构的新能源充电桩,包括充电桩本体和充电枪电缆,所述充电桩本体的底端固定有支撑基座,且充电桩本体的前端右侧中部固定有容纳腔,所述容纳腔的顶底两端均固定有连接杆,且连接杆之间通过防护挡盖相连接,所述容纳腔的内部顶底两端均设置有电磁铁夹持件,且电磁铁夹持件的内部衔接有防滑胶垫。该具有防水结构的新能源充电桩通过将充电枪电缆关于固定凸杆的外部进行顺时针环绕起来,上下两侧的定位凸杆可以起到限位作用,当充电枪电缆的自身长度收卷至不会拖地的状态时,通过将充电枪头置于两个电磁铁夹持件之间,此时处于通电状态的电磁铁夹持件产生磁性吸附于充电枪头两侧,从而实现对充电枪头的固定处理。

标签:
新能源
江苏 - 苏州 来源:中冶有色网 2023-03-18
安全便捷的新能源汽车充电枪

本实用新型提供了一种安全便捷的新能源汽车充电枪,涉及新能源汽车领域,包括充电盒,所述充电盒的一侧连接有充电枪头,另一侧设置有充电把手,所述充电盒下端安装有壳体,所述壳体内设有第一腔室,所述第一腔室与所述充电盒之间连接有导线,所述第一腔室内安装有转轴,且转轴两端通过轴承定位在第一腔室内部,所述转轴一侧安装有U形块,所述U形块与所述第一腔室内壁连接,所述U形块内固定有步进电机,且步进电机输出端连接有主动齿轮,所述主动齿轮通过轴承定位在U形块内,通过充电盒控制步进电机让主动齿轮带动从动齿轮转动,使转轴与步进电机同步转动,实现对导线的卷收功能。

标签:
新能源
江苏 - 苏州 来源:中冶有色网 2023-03-18
用于新能源汽车刹车盘的涂装设备

本实用新型公开了一种用于新能源汽车刹车盘的涂装设备,包括柜体、设在柜体内的底座和设在柜体一侧的水泵,所述柜体的一侧设有垫块,所述水泵的进水管延伸至储液箱内,所述水泵的排水管与弯管的一端连接,所述弯管与两个竖管连接,两个竖管的底端均贯穿柜体并与柜体内的两端封闭的横管连接,所述横管的底端固定有若干个雾化喷头,所述底座的底端安装有电机和四个环形阵列排列的刹车滚轮,所述电机的输出轴贯穿底座并与支板连接,所述支板的顶端设有底托,所述底托的顶端构造有若干个锥形的支座。该用于新能源汽车刹车盘的涂装设备,提高了效率,保护了环境。

标签:
新能源
江苏 - 苏州 来源:中冶有色网 2023-03-18
新能源汽车电池包箱体冷却用铝型材一体化挤压模具

本实用新型公开了一种新能源汽车电池包箱体冷却用铝型材一体化挤压模具,它由上模和下模组合而成,所述上模的底面设有进料面,所述进料面的模腔内设有出料口,所述下模的模腔内设有进料孔,所述进料孔的侧面设有出料口,所述出料口设有三个,所述上模的模腔内设有进料孔。本实用新型一种新能源汽车电池包箱体冷却用铝型材一体化挤压模具,能够解决因铝型材空腔多、槽口宽且深、壁厚薄,导致挤压出材极不稳定,而且挤压压力大的问题。通过左右进料孔的进料为一个孔,出料为三个孔,有效的保证挤压的出材稳定、压力降低,能提升挤压型材的成品率。

标签:
新能源
江苏 - 苏州 来源:中冶有色网 2023-03-18
新能源汽车感应活塞杆连接座

本实用新型公开了一种新能源汽车感应活塞杆连接座,涉及新能源汽车感应活塞杆连接座领域,包括座体,座体的内部下方安装有安装座,安装座的内部通过橡胶圈安装有活塞杆,座体的内部开设有滑槽,滑槽的两侧分别设置有第一套体和第二套体,座体的顶部连接有固定板,固定板的顶部两侧通过固定槽安装有固定螺杆。本实用新型通过受压块、挤压块和弹性件,在活塞杆进行上下运动时,活塞杆带动两侧的挤压块对受压块进行挤压,受压块受到挤压将压力传向弹性件,弹性件受力向内收缩,将导油槽内的润滑油挤出,润滑油挤到滑槽和活塞杆之间,润滑油对升降的活塞杆之间进行有效、间歇性的注油润滑。

标签:
新能源
江苏 - 苏州 来源:中冶有色网 2023-03-18
新能源汽车电池盖模具

本实用新型公开了一种新能源汽车电池盖模具,涉及模具技术领域,包括顶板,所述顶板的顶端中部安装有浇口套,且浇口套的内侧中部开设有浇注通道,所述浇注通道的外侧下方安装有母模仁,且母模仁的外侧镶嵌有母模板,所述母模板的底端一侧开设有凹槽,且凹槽的内壁顶端固定连接有旋转机构,所述母模板的下方安装有公模板,且公模板的内侧顶端中部镶嵌有公模仁。本实用新型中,在限位机构的作用下,使得使用者可以有效的避免面针板与公模板之间出现过度接触碰撞,从而能够有效的防止因为面针板与公模板在长期的接触碰撞过程中而出现质量亏损的现象,进而能够有效的保证顶针顶出新能源汽车电池盖模具的位置精度不会发生改变。

标签:
新能源
江苏 - 苏州 来源:中冶有色网 2023-03-18
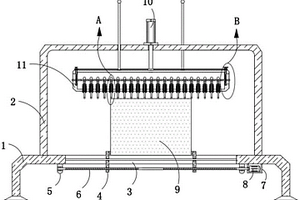
新能源电池材料检测设备

本发明公开了一种新能源电池材料检测设备,包括机架,所述机架上设置有若干个导向滚筒,所述若干个导向滚筒均水平设置,所述导向滚筒将新能源电池材料的卷材依次导向编码器组件、卷材瑕疵检测组件、极耳抚平宽度检测组件,所述卷材瑕疵检测组件对卷材的下表面进行瑕疵检测;经过所述极耳抚平宽度检测组件的卷材分上带路和下带路,所述上带路由导向滚筒导向上带路瑕疵检测组件、上带路贴标组件,所述下带路由导向滚筒导向下带路瑕疵检测组件、下带路贴标组件,所述上带路瑕疵检测组件、下带路瑕疵检测组件分别对上带路、下带路的上表面进行瑕疵检测。本发明能提高新能源电池材料加工和检测效率。

标签:
新能源
江苏 - 苏州 来源:中冶有色网 2023-03-18
新能源汽车控制系统用转接头

本实用新型涉及新能源汽车设备技术领域,具体为一种新能源汽车控制系统用转接头,包括壳体,所述壳体的两端分别设置有用来实现转接功能的连接构件,所述壳体的两端均设置有用来帮助设备安装的安装构件,所述壳体的内部设置有用来吸收汽车行驶时产生的震动的减震构件,本实用新型通过USB接口与外接接口实现新能源汽车控制系统与外界的对接,多个不同类型的外接接口使得控制系统可以与不同的接口连接,通过安装扣以及弹簧将本设备固定在所需要的地方,可以适应不同规格的安装环境,壳体与内壁之间的弹簧二能够吸收汽车行驶时的震动,保证设备的稳定。

标签:
新能源
江苏 - 苏州 来源:中冶有色网 2023-03-18
新能源电池模具配件平整度检查装置

本实用新型提供一种新能源电池模具配件平整度检查装置。所述新能源电池模具配件平整度检查装置包括第一U型板;第二U型板,所述第二U型板固定安装在所述第一U型板的顶部;通孔,所述通孔开设在所述第一U型板的顶部;两个夹板,两个所述夹板均滑动安装在所述通孔上;两个支块,两个所述支块均固定安装在所述第一U型板的顶部内壁上;双向丝杆,所述双向丝杆转动安装在两个所述支块上。本实用新型提供的新能源电池模具配件平整度检查装置具有一种可快速且直观地定位并标记不平整位置,同时可根据平整度检测允许的误差范围进行相应检测误差调整的优点。

标签:
新能源
江苏 - 苏州 来源:中冶有色网 2023-03-18
新型新能源汽车用行李架连接结构

本实用新型公开了一种新型新能源汽车用行李架连接结构,涉及新能源汽车技术领域,其包括第一支撑杆和第二支撑杆,所述第一支撑杆右侧面的上下两侧均固定连接有壳体,且两个壳体的右侧面均卡接有滑套。该新型新能源汽车用行李架连接结构,通过设置第一夹持板、第二夹持板、壳体和连接板,首先人们将第一螺栓从第二螺纹孔内拧出,并根据车顶基架的位置来调节连接板的位置,当人们将连接板调节至合适位置时,并通过两个第一合页分别旋转第一夹持板和第二夹持板,将其套在基架的表面,并将第二螺栓拧回第三螺纹孔内,便能够将第一夹持板和第二夹持板进行固定,便能够将行李架与车顶基架进行连接,同时能够适用于不同的车型。

标签:
新能源
江苏 - 苏州 来源:中冶有色网 2023-03-18
新能源汽车电池盒热成型模具

本实用新型提供一种新能源汽车电池盒热成型模具,包括螺纹孔、螺纹杆、稳定板、微电机、传动轴、主动齿轮、从动齿轮、齿轮圈以及放置槽,放置槽开设在下模座内部上侧,螺纹孔对称开设在下模座内部左右两侧,螺纹孔内部安装有螺纹杆,螺纹杆内侧安装有稳定板,螺纹杆环形侧面安装有齿轮圈,齿轮圈环形侧面安装有从动齿轮,从动齿轮下侧连接有主动齿轮,微电机装配在下模座内部左右两侧,微电机右端面连接有传动轴,主动齿轮固定在传动轴环形侧面,该设计解决了原有新能源汽车电池盒热成型模具固定方式较为繁琐的问题,本实用新型结构合理,简化新能源汽车电池盒热成型模具的固定方式。

标签:
新能源
江苏 - 苏州 来源:中冶有色网 2023-03-18
抗腐蚀耐磨损新能源电车支撑件的表面处理工艺

本发明新能源电车技术领域,具体地,涉及一种抗腐蚀耐磨损新能源电车支撑件的表面处理工艺,包括以下步骤:表面预处理、浸泡处理、微弧氧化处理、阳极钝化、着色处理、封孔处理、烘干处理,得到的新能源电车支撑件具有抗腐蚀、耐磨损、界面结合力好等优点。

标签:
新能源
江苏 - 苏州 来源:中冶有色网 2023-03-18
适用于多尺寸新能源汽车零件的运输托盘

本发明公开了一种适用于多尺寸新能源汽车零件的运输托盘,属于新能源汽车技术领域,包括放置盘,所述放置盘底部两侧均固定连接有固定块,所述放置盘底部中心位置固定连接有升降组件,所述放置盘内部通过移动组件活动连接有多个隔板,所述隔板与放置盘内部滑动连接,所述放置盘内壁两侧与隔板两侧均固定连接有多个减振组件。本发明中,通过设置移动组件,工作人员将隔板移动至合适位置后,松开提拉杆,第一齿条在第一弹簧的作用下对传动齿轮进行限位,使隔板的位置相对固定,从而调整隔板与隔板之间的距离,从而使放置盘内部形成大小不同的隔断,使放置盘能够放置不同大小规格的新能源汽车零件,提高了运输托盘的适用性。

标签:
新能源
江苏 - 苏州 来源:中冶有色网 2023-03-18
新能源发电设备配件运输装置

本发明涉及新能源相关技术领域,且公开了一种新能源发电设备配件运输装置,包括箱体、箱盖、十四个竖隔板、二十六个气囊层、若干个气囊突起、横向安装槽、横向多通管、导气接头、内嵌槽、开关阀、二十六个垂直导向槽、二十六个垂直导气管、安装板、导向槽、两个导向滑槽、二十六个安装滑板、五十二个活动滚轮、二十六个侧向伸缩橡胶层、十三个横向伸缩橡胶层、十三组弧形弹簧、光杆、内轴承、星形把手、两个限位块和十三个螺纹组机构,箱盖位于箱体的正上方,十四个竖隔板等距分布在箱体的前后侧内壁之间。该新能源发电设备配件运输装置,实现光伏板传递应力的多次抵消缓冲,从而有效的对光伏板底部进行保护,提高了运输装置的适用性。

标签:
新能源
江苏 - 苏州 来源:中冶有色网 2023-03-18
新能源车用醇醚汽油
新能源车用醇醚汽油 1059     
 0

本发明涉及一种新能源车用醇醚汽油,具体而言,本发明的新能源车用醇醚汽油包含40~70重量%的汽油和30~60重量%的醇醚混合物,所述醇醚混合物包含45~60重量%的甲醇、5~20重量%的正辛烷、10~30重量%的乙二醇二叔丁醚、0~5重量%的丁二烯、0~5重量%的氯乙烯、0~5重量%的油酸、0~5重量%的3‑氯丙醇、0~2重量%的氯乙酸乙酯和0~2重量%的异丁醇,所述汽油选自90#汽油、93#汽油、97#汽油中的任意一种。本发明的新能源车用醇醚汽油中醇醚类成分的添加比例大幅,显著降低了汽油的消耗量,对空气的污染大为减少,无须改动现有汽车的发动机内部结构,并且可与各标号的汽油混合使用。

标签:
新能源
江苏 - 苏州 来源:中冶有色网 2023-03-18
新能源电动汽车超长里程供电系统

本发明涉及新能源电动车供电系统技术领域,且公开了一种新能源电动汽车超长里程供电系统,包括发电系统,所述发电系统包括车载太阳能/光伏发电组、车载风力发电机组、车载电机反电动势发电机和车载气体发电机组,所述车载太阳能/光伏发电组的输出端与快速防水连接模块的输入端电连接,所述车载风力发电机组的输出端与快速防水连接模块的输入端电连接。该新能源电动汽车超长里程供电系统,有效解决了电动汽车续航里程短的问题,车辆行驶的里程长,满足更多人群的实际需要,满足长途旅行的需要;该系统采用边行驶边充电方式,有效解决了电动汽车充电时间长的问题,即使行驶在偏远地区也不会担心充电的问题。

标签:
新能源
江苏 - 苏州 来源:中冶有色网 2023-03-18
上一页 86 87 88 89 90 ... 99 下一页
共99页    到第

中冶有色为您提供最新的江苏苏州有色金属新能源材料技术理论与应用信息,涵盖发明专利、权利要求、说明书、技术领域、背景技术、实用新型内容及具体实施方式等有色技术内容。打造最具专业性的有色金属技术理论与应用平台!

全国热门有色金属设备推荐
展开更多 +
全国热门有色金属技术推荐
展开更多 +

 

江西省隆恩特环保设备有限公司
宣传

报名参会
更多+

报告下载

有色专家
更多+

中南大学
中国工程院院士
郑州大学
副院长/教授
华东理工大学
主任/教授
昆明理工大学
教授
湖南有色金属研究院
教授级高工/原总工程师
赤泥综合利用研究报告2025
推广

热门技术
更多+

推荐企业
更多+

福建省金龙稀土股份有限公司
宣传

发布

在线客服

公众号

电话

顶部
咨询电话:
010-88793500-807