青岛垚鑫智能科技有限公司
宣传

位置:中冶有色 >

有色技术频道 >

分类:
全部
矿山技术
冶金技术
材料制备及加工技术
环境保护技术
分析检测技术
地区:
全部
北京
天津
上海
重庆
河北
山西
辽宁
吉林
黑龙江
江苏
浙江
安徽
福建
江西
山东
河南
湖北
湖南
广东
海南
四川
贵州
云南
陕西
甘肃
青海
内蒙
广西
西藏
宁夏
新疆
其他
其他
展开
 
全部
杭州
宁波
温州
绍兴
湖州
嘉兴
金华
衢州
台州
丽水
舟山

浙江杭州有色金属理论与应用

免费发布技术信息>>
锂二次电池用单面膜极片的生产方法

本发明公开一种锂二次电池用单面膜极片的生产方法,所述的生产方法是将金属基片依次做涂膜、烘干、碾压处理,其中,所述的涂膜处理为单面涂膜,涂膜采用的正、负极材料中加入鳞片石墨;涂膜并烘干的基片对折或者两层单面膜基片重叠使未涂膜的金属箔面相对再做碾压处理。本发明有效解决了锂二次电池用单面膜极片在加工过程中存在卷曲非常严重的问题。单面膜极片在锂二次电池的型号设计中有很广阔的应用,使用单面膜极片可以降低锂电池的厚度和提高锂电池能量密度、也可以降低电池成本、尤其适合制备超薄型聚合物(软包装)锂电池。

标签:
加工技术
浙江 - 杭州 来源:中冶有色网 2023-03-18
高效散热的锂电池保护板

本实用新型公开了一种高效散热的锂电池保护板,属于锂电池保护板散热技术领域。本实用新型包括锂电池保护板体,锂电池保护板体的顶部固定连接有上散热罩,上散热罩的顶部设置有散热器本体,散热器本体的四周均设置有固定柱一,固定柱一的底部固定连接在上散热罩的顶部,散热器本体通过螺栓固定安装在固定柱一的顶部,锂电池保护板体底部的四角均固定连接有固定柱二。本实用新型具备可对锂电池保护板进行散热的优点,解决了传统的锂电池保护板为单体式,缺少散热结构,在锂电池保护板温度过高时无法进行散热,只能依靠自然降温,容易造成锂电池保护板损坏的问题。

标签:
加工技术
浙江 - 杭州 来源:中冶有色网 2023-03-18
具有图形化结构的铌酸锂衬底及其制造方法

本发明提供一种具有图形化结构的铌酸锂衬底的制造方法,包括如下步骤:步骤1:在一表面平坦的铌酸锂衬底表面制作一掩膜图形;步骤2:以掩膜图形为掩膜,采用氟基等离子体对掩膜图形及铌酸锂衬底进行同步刻蚀;步骤3:采用氧等离子体对铌酸锂衬底进行刻蚀以清除形成在铌酸锂衬底上的氟化锂颗粒;步骤4:多次重复步骤2至步骤3,直至掩膜图形全部消失;步骤5:继续采用氟基等离子体刻蚀铌酸锂衬底,在铌酸锂衬底表面形成氟化锂颗粒以形成具有图形化结构的铌酸锂衬底,图形化结构的表面具有纳米粗糙结构。本发明还提供一种具有图形化结构的铌酸锂衬底,可降低外延材料中的缺陷密度和LED的生产成本,能更有效地提高LED的发光亮度。

标签:
加工技术
浙江 - 杭州 来源:中冶有色网 2023-03-18
利用固相反应制备纳米氟化锂的方法

本发明涉及材料制备技术领域,具体涉及一种利用固相反应制备纳米氟化锂的方法。本发明通过在有机溶剂中分别充分分散氟化铵和氢氧化锂前驱体形成悬浊液,随后在超声条件下以缓慢混合的形式进行充分的反应,保证原料的充分利用。本发明在有机溶剂的悬浊液体系下,氟化铵和氢氧化锂两种原料以固体的形式进行反应,增加了反应能垒,抑制晶粒的生长,同时在超声辐射的作用下提高晶粒的形核速率,并进一步提高反应物的分散均匀性,在两者同时作用下得到纳米级别氟化锂颗粒。本发明制备工艺简单,能耗低,于室温下即可进行,且未引入其他杂质,产物纯度高。同时有机溶剂易挥发易去除。本发明所得氟化锂的平均粒径在30‑100nm。

标签:
加工技术
浙江 - 杭州 来源:中冶有色网 2023-03-18
用于锂离子电池生产的裁片装置

本发明涉及锂离子电池生产技术领域,具体为一种用于锂离子电池生产的裁片装置,包括装置主体,所述装置主体包括装置操作台面,所述装置操作台面底端的四个拐角处皆固定安装有装置支撑腿,所述装置支撑腿的外侧皆焊接安装有加强筋。本发明通过设置有调节机构和裁切机构,从而有效解决了目前市场上的锂离子电池生产切割装置,在使用的过程中,不便于对锂离子电池生产切割装置进行调节,从而不便于使用,因此也降低了锂离子电池生产切割装置的工作效率的问题,进一步的通过设置有第二三角支架,增加了调节机构的稳定性,进一步的通过设置有第一限位槽、第二限位槽、限位杆、拉动环和拉伸弹簧,方便了工作人员对裁切刀片后期的拆卸维护工作。

标签:
加工技术
浙江 - 杭州 来源:中冶有色网 2023-03-18
便于安装和拆卸的锂电池组模块

本发明涉及锂电池技术领域,且公开了一种便于安装和拆卸的锂电池组模块,包括安装板,所述安装板顶部的支撑柱远离安装板顶部的一端固定连接有盖板一,安装板底部的支撑柱远离安装板底部的一端固定连接有盖板二,安装板内部的上下面固定连接有弹垫,盖板一和盖板二靠近安装板的一面固定连接有弹簧,弹簧靠近安装板的一端固定连接有顶盘。通过弹簧的作用使顶盘和弹垫亲密接触,安装板与盖板一和盖板二之间四面为通风状态,这样镍片在顶盘和弹垫之间的平面内就可以横向或竖向使锂电池进行连接,从而达到了无需点焊机对锂电池和镍片进行点焊,就可以对锂电池进行串并联的效果。

标签:
加工技术
浙江 - 杭州 来源:中冶有色网 2023-03-18
高能量密度锂离子动力电池

本发明公开了一种高能量密度锂离子动力电池,属于锂离子电池制造技术领域。其由正极片、负极片、隔膜、电解液和外包装组装而成,正极片由正极集流体和涂覆在正极集流体上的正极浆料组成,正极浆料由正极活性物质、正极导电剂和正极粘结剂组成,正极活性物质为镍钴锰酸锂;负极片由负极集流体和涂覆在负极集流体上的负极浆料组成,负极浆料由负极活性物质、负极导电剂和负极粘结剂组成,负极活性物质为氧化硅碳材料和硅碳材料的混合物,负极粘结剂为聚丙烯酸;电解液由六氟磷酸锂、碳酸乙烯酯、碳酸甲乙酯、氟代碳酸乙烯酯、碳酸亚乙烯酯和双氟磺酰亚胺锂组成。保证了电池的能量密度,改善电池的循环性能,满足动力电池对循环寿命的要求。

标签:
加工技术
浙江 - 杭州 来源:中冶有色网 2023-03-18
动态水热法制备层状锰酸锂材料的方法

一种层状锰酸锂材料的制备方法,包括以下步骤:第一步:将摩尔比在0.8~1.2之间的电解MnO2和二价锰盐加入水中,混合均匀,倒入镍衬动态水热釜中;第二步:将乙二胺四乙酸钠、氢氧化锂倒入动态水热釜中,使氢氧化锂的溶度为3~6M,氢氧化锂与总锰源的摩尔比为5~10,乙二胺四乙酸钠与总锰源的摩尔比为0.25~0.5;第三步:在动态反应釜中,设置搅拌转速在100rpm以上,将第二步得到的混合溶液以0.5~1.5KW的升温功率升温至200℃,于200℃水热反应3h以上;第四步:水热反应完毕后,所得的反应混合物冷却至室温,经后处理得到纯相层状锰酸锂材料。本发明的制备方法解决了LiMnO2传统水热合成过程中反应时间长、原料消耗大和操作步骤多等问题。

标签:
加工技术
浙江 - 杭州 来源:中冶有色网 2023-03-18
具有高导电率良好低温放电性的磷酸铁锂的制备方法

本发明涉及一种磷酸铁锂的制备方法,尤其涉及一种具有高导电率良好低 温放电性的磷酸铁锂的制备方法。本发明主要是针对目前方法制得的磷酸铁锂 导电率低、低温放电性差等缺陷,提供一种具有高导电率和良好低温放电性能 的磷酸铁锂的制备方法。本发明主要技术方案:采用可溶性二价铁盐溶液与磷 酸溶液或者可溶性磷酸盐溶液混合,然后强碱中和,得到颗粒D50在1-5μm之 间的超细Fe3(PO4)2·xH2O沉淀,再混合磷酸锂和导电剂高温烧结。

标签:
加工技术
浙江 - 杭州 来源:中冶有色网 2023-03-18
可充电热失控保护的电动自行车锂电池模块

本发明公开了一种可充电热失控保护的电动自行车锂电池模块,包括有锂离子电芯组(4),所述锂离子电芯组(4)由多个串联在一起的锂离子电芯组成;所述锂离子电芯组(4)的两端分别连接有一个充放电正极端子(1)和一个充放电负极端子(2);所述锂离子电芯组(4)与至少一个串联支路相并联,每个所述串联支路由至少一个常开型温度开关(3)和至少一个功率电阻(5)组成。本发明公开的一种可充电热失控保护的电动自行车锂电池模块,其可以有效提升电动自行车锂离子电池在使用过程中的安全性和可靠性,延长锂离子电池的使用寿命,同时可以降低电动自行车锂离子电池的生产成本,从而具有广泛的市场应用前景,具有重大的生产实践意义。

标签:
加工技术
浙江 - 杭州 来源:中冶有色网 2023-03-18
原位合成含硅、镁、锂的有机层状复合材料的方法

本发明公开了一种原位合成含硅、镁、锂的有机层状复合材料的方法,是以水溶性锂盐或氢氧化锂以及氢氧化镁胶体、硅胶、有机表面活性剂、溶剂水为原料,经原位水热合成制得含硅、镁、锂的有机层状复合材料;所述的氢氧化镁胶体是以水溶性镁盐为原料,以碱为沉淀剂,通过溶液沉淀法制得;所述的硅胶是由水玻璃经酸处理得到;所述的有机表面活性剂为阳离子有机表面活性剂、中性有机表面活性剂中的一种或两种的混合。本发明所述合成方法由于采用了一步合成,操作简单快速,并且拓宽了适用范围。所制得的含硅、镁、锂的有机层状复合材料,结晶良好且有较大的层间距,片状结构完好且堆积紧密,可用于传统有机层状材料应用的领域。

标签:
加工技术
浙江 - 杭州 来源:中冶有色网 2023-03-18
电动平衡车锂电池防爆系统

一种电动平衡车锂电池防爆系统包括主控板、锂电池、充电模块、充电接口、电子开关及温度探头,电子开关的输入端、输出端及控制端分别与充电接口、充电模块及主控板连接,温度探头安装在锂电池里,温度探头与主控板连接,温度探头用于采集锂电池的温度信息并将采集到的锂电池温度信息发送至主控板,主控板根据温度探头采集到的锂电池温度信息判断锂电池的温度是否高于设定值,并在判断出锂电池的温度高于设定值时,主控板控制电子开关断开。本发明的电动平衡车锂电池防爆系统在锂电池充电时,可以在锂电池温度过高时自动停止对锂电池充电,可以有效解决锂电池在温度过高时时容易发生爆炸的问题。

标签:
加工技术
浙江 - 杭州 来源:中冶有色网 2023-03-18
运用于锂电池充放电控制的智能电源管理系统

本发明提供一种锂电池充放电控制的智能电源管理系统,搭建在ARM核心板上,是一种运行linux环境的SOC系统,该管理系统可用于对多个单体锂电池进行布次智能充放电控制,统一高效管理多个锂电池,提高充放电管理效率;另还可根据单体锂电池的电压电流实时计算功率,以动态关闭已达到充放电要求的单体锂电池的电源,达到节能的效果;设置安全监测设备确保系统在安全的环境下使用,延长锂电池的寿命;通过推送上位机软件的策略,进一步达到数据管控以及节能的效果。

标签:
加工技术
浙江 - 杭州 来源:中冶有色网 2023-03-18
碳包覆镍钴锰酸锂三元材料的制备方法

本发明涉及锂离子电池领域,为了克服现有碳包覆镍钴锰酸锂中碳源分散性、包覆性较差,尺寸不可控,对镍钴锰酸锂性能提升和改善效果有限的不足,公开一种碳包覆镍钴锰酸锂三元材料的制备方法。通过非均相反应,在镍钴锰酸锂表面实现聚苯胺的原位生长包覆,再通过控制氧化剂的加入比例,控制聚苯胺包覆层的厚度,从而达到对碳包覆镍钴锰酸锂三元材料的碳包覆层厚度的控制,产物的碳源分散性、包覆性良好,碳包覆镍钴锰酸锂尺寸可控,对镍钴锰酸锂性能提升改善效果明显,从而得到理想的碳包覆镍钴锰酸锂三元材料。

标签:
加工技术
浙江 - 杭州 来源:中冶有色网 2023-03-18
全固态锂离子电容器及其制备方法

本发明涉及一种全固态锂离子电容器及其制备方法,包括步骤:正极制备;补锂负极制备;全固态电解质制备;封装:在手套箱中,将制备得到的正极片、补锂负极片以及全固态电解质封装得到全固态锂离子电容器。本发明的有益效果是:本发明提出一种全固态锂离子电容器,设有正极、全固态电解质、补锂负极和外壳,所述正极上的活性物质为双电层型储能材料;全固态电解质为有机聚合物电解质;补锂负极上的活性物质为补锂后的嵌锂型储能材料;本发明可以有效避免锂枝晶和热失控的发生,消除了电解液泄漏造成的安全隐患,同时提升体系能量密度及循环使用寿命,为开发高能量密度、高安全锂离子电容器提供了一种非常好的思路。

标签:
加工技术
浙江 - 杭州 来源:中冶有色网 2023-03-18
提升锂硫电池稳定性隔膜及其制备方法和应用

本发明公开了一种提升锂硫电池稳定性隔膜及其制备方法和应用。该制备方法如下:一、将氧化硅纳米球与水溶性酚醛树脂混合后涂覆成膜。膜层干燥成型后剥离,得到氧化硅纳米球/酚醛树脂薄膜。二、将氧化硅纳米球/酚醛树脂薄膜在碱溶液中浸泡后,用去离子水清洗至中性,得到多孔酚醛树脂薄膜。三、以甲基吡咯烷酮为溶剂,将纳米金颗粒、碳纳米管、聚偏氟乙烯混合并且搅拌均匀,得到胶状材料。四、将步骤三所得胶状材料涂覆于多孔酚醛树脂薄膜的其中一个面上,形成功能层,厚度控制为5μm至10μm。干燥后得到提升锂硫电池稳定性隔膜。该隔膜在光照下能有效抑制聚硫锂的“穿梭效应”,提升锂硫电池的循环稳定性,推动锂硫电池的发展。

标签:
加工技术
浙江 - 杭州 来源:中冶有色网 2023-03-18
工业车辆锂电池总成充电管理系统

本发明公开了一种工业车辆锂电池总成充电管理系统,包括处理器、电机控制器、温度检测装置及加热装置。处理器基于根据温度检测装置的检测数据在锂电池总成的温度不大于最小充电温度时使处于发电模式的电机控制器为加热装置供电,并通过调节电机控制器的输出电流,以避免加热装置损坏,当锂电池总成的温度上升至大于预设温度时,使处于发电模式的电机控制器为锂电池总成充电。可见,本申请中并不是使处于发电模式的电机控制器直接输出电流,使加热装置进行加热,而是对电机控制器的输出电路进行调整,以使输入至加热装置的电流小于预设电流,保证了加热装置的正常工作,也使电机控制器将机械能转换为电能为锂电池总成充电,提高了能量利用率。

标签:
加工技术
浙江 - 杭州 来源:中冶有色网 2023-03-18
硅基锂离子电池负极材料及其制备方法

本发明公开了一种硅基锂离子电池负极材料及其制备方法,该硅基锂离子电池负极材料包括衬底,以及沉积在衬底上的纳米棒状镍硅核壳阵列;该纳米棒状镍硅核壳阵列以镍正锥形阵列为核,以硅为壳。制备方法包括:通过电沉积法,在预处理后的衬底表面生长镍正锥形阵列;再采用气相沉积法,在镍正锥形阵列外沉积纳米硅,得到硅基锂离子电池负极材料。本发明公开的硅基锂离子电池负极材料为上下均匀的纳米棒状阵列结构,具有优异的初始比容量和循环稳定性,有望在锂离子电池领域获得更广泛的应用。

标签:
加工技术
浙江 - 杭州 来源:中冶有色网 2023-03-18
表面包覆纳米金属颗粒的磷酸亚铁锂电极材料的静电纺丝制备方法

本发明公开了一种表面包覆纳米金属颗粒的磷酸亚铁锂电极材料的静电纺丝制备方法,包括:(1)将可溶性高分子和电解质添加到溶剂N,N‑二甲基甲酰胺中,恒温加热搅拌至溶解;将锂源、铁源、磷源和纳米金属颗粒混合,添加到可溶性高分子纺丝溶液中,室温下超声,得到磷酸亚铁锂前驱体‑纳米金属颗粒混合均匀的纺丝溶液;(2)将上述纺丝溶液脱泡后静电纺丝得到纳米纤维膜;(3)将静电纺丝纳米纤维膜干燥、热压,在氮气气氛下二次煅烧,自然冷却,得到表面包覆纳米金属颗粒的磷酸亚铁锂电极材料。本发明制备方的纳米金属颗粒和碳同时包覆在磷酸亚铁锂颗粒表面,极大的提高了其电导率,从而有效的改善了其电化学性能,同时易于实现工业化大规模生产。

标签:
加工技术
浙江 - 杭州 来源:中冶有色网 2023-03-18
石墨烯锂与铝镁合金电池太阳能一体化制备装置及工艺

本发明涉及电池领域,尤其涉及石墨烯锂与铝镁合金电池太阳能一体化制备装置及工艺,装置包括石墨烯岛、石墨烯锂电池岛、石墨烯硅合金贴膜太阳能发电岛、铝镁合金空气电池岛、远程防爆监控岛;石墨烯岛与石墨烯锂电池岛、石墨烯硅合金贴膜太阳能发电岛连接,石墨烯硅合金贴膜太阳能发电岛与石墨烯锂电池岛连接,铝镁合金空气电池岛与石墨烯锂电池岛连接,远程防爆监控岛用于实时在线监控确保安全。本发明的有益效果在于:一是低成本生产石墨烯锂电池;二是利用铝镁合金空气电池和石墨烯硅合金贴膜太阳能发电为石墨烯锂电池充电,增加续航里程,方便适合远行;三是一体化总重量不到锂离子电池重量的一半,提高电能有效利用率。

标签:
加工技术
浙江 - 杭州 来源:中冶有色网 2023-03-18
基于充电数据空间分布特征的锂电池在线寿命预测方法

本发明公开了一种基于充电数据空间分布特征的锂电池在线寿命预测方法。本发明包括以下步骤:采集全新锂电池在预设充放电循环区间中的充电电压与电流数据以及循环寿命;计算对应的空间分布特征;重复步骤对各个锂电池均进行采集并计算,获得各个锂电池的循环寿命以及对应的空间分布特征,并构成训练集;对锂电池寿命预测回归模型进行训练,获得训练后的锂电池寿命预测回归模型;在线预测时,采集待预测锂电池在预设充放电循环区间中的充电电压与电流数据,计算获得对应的空间分布特征并输入到回归模型中进行预测,输出当前待预测锂电池的循环寿命。本发明实现了锂电池寿命的精准预测,提升了锂电池的可靠性、安全性。

标签:
加工技术
浙江 - 杭州 来源:中冶有色网 2023-03-18
碳包覆磷化锂电极及其制备方法

本发明公开了一种碳包覆磷化锂电极及其制备方法;该电极包括炭基体;炭基体上设有微米级孔道;微米级孔道中填充有磷化锂;炭基体通过木片碳化得到;微米级孔道为木片中自带的孔道。本发明仅在最后一个步骤通过煅烧将吸附到木片中的磷酸锂转化为磷化锂,同时将葡萄糖和木片转化为碳,从而直接得到磷化锂电极,而此前的多个步骤中均无磷化锂材料参与,故磷化锂制备过程中需要干燥环境的步骤得到了大大缩减,这显著简化了工艺,节省了为磷化锂提供干燥环境带来的成本。此外,磷化锂被葡萄糖以及木片碳化后得到的碳所包覆,能有效提升磷化锂电极的电子导电性。

标签:
加工技术
浙江 - 杭州 来源:中冶有色网 2023-03-18
基于模糊模型预测控制的锂电池温度控制系统和方法

本发明公开了一种基于模糊模型预测控制的锂电池温度控制系统和方法。温度采样模块安装于锂电池表面,电流采样模块连接锂电池输出,电流采样模块经SOC估计模块连接到温度控制模块,温度控制模块连接到散热模块;温度采样模块采集锂电池的电池表面温度,电流采样模块采集锂电池的输出电流,SOC估计模块接收来自电流采样模块采集到的锂电池输出电流处理估计获得电池的SOC值,将电池表面温度、SOC值、输出电流发送到温度控制模块,温度控制模块根据锂电池放电时的温升特性,控制散热模块进行散热。本发明既能降低锂电池温升速率,又能减少锂电池用于散热的能量消耗,延长了锂电池的使用寿命和续航能力。

标签:
加工技术
浙江 - 杭州 来源:中冶有色网 2023-03-18
软包装锂离子电池高温电解液

本发明涉及锂离子电池材料技术领域,具体涉及一种软包装锂离子电池高温电解液。所述电解液由主料和功能添加剂组成,主料由A锂盐和B有机溶剂组成,A锂盐为主料总量的12-15wt%,B有机溶剂为主料总量的85-88wt%,功能添加剂为主料总量的6-10wt%。这种软包装锂离子电池高温电解液的高温循环寿命较好。

标签:
加工技术
浙江 - 杭州 来源:中冶有色网 2023-03-18
基于氯化铁铵的锂离子电池负极材料及其制备方法和应用

本发明公开了一种基于氯化铁铵的锂离子电池负极材料,按质量比计,原料组成为:氯化铁铵1;碳材料0~10;碳材料为石墨、乙炔黑、Super P、炭黑、中间相碳微球、石墨烯、纳米碳管中的一种或任意多种的混合。该锂离子电池负极材料的首次放电容量可达1750mAh/g,首次可逆容量可达1000mAh/g,材料的比容量高。本发明还公开了所述的种基于氯化铁铵的锂离子电池负极材料的制备方法,操作简单、成本低。本发明还公开了所述的种基于氯化铁铵的锂离子电池负极材料的应用,用于制作锂离子电池的负极。比目前商业用碳负极材料制备的电池具有更高的比容量。

标签:
加工技术
浙江 - 杭州 来源:中冶有色网 2023-03-18
石墨烯锂与铝镁合金电池太阳能一体化制备装置

本实用新型涉及电池领域,尤其涉及石墨烯锂与铝镁合金电池太阳能一体化制备装置,装置包括石墨烯岛、石墨烯锂电池岛、石墨烯硅合金贴膜太阳能发电岛、铝镁合金空气电池岛、远程防爆监控岛;石墨烯岛与石墨烯锂电池岛、石墨烯硅合金贴膜太阳能发电岛连接,石墨烯硅合金贴膜太阳能发电岛与石墨烯锂电池岛连接,铝镁合金空气电池岛与石墨烯锂电池岛连接,远程防爆监控岛用于实时在线监控确保安全。本实用新型的有益效果在于:一是低成本生产石墨烯锂电池;二是利用铝镁合金空气电池和石墨烯硅合金贴膜太阳能发电为石墨烯锂电池充电,增加续航里程,方便适合远行;三是一体化总重量不到锂离子电池重量的一半,提高电能有效利用率。

标签:
加工技术
浙江 - 杭州 来源:中冶有色网 2023-03-18
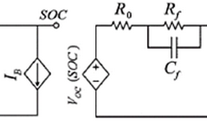
基于滑动窗滤波的单体锂离子电池SOC估计方法

本发明公开了一种基于滑动窗滤波的单体锂离子电池SOC估计方法。新算法中的电池模型由2个RC并联电路、1个串联电阻和1个非线性电压源组成,电池内部动态工作状态由电池端电压、RC并联电路和电池SOC进行模拟。本发明基于电化学-电路等效的锂离子电池组合模型,该模型较好的描述了电池OCV和SOC的非线性函数关系,并利用SMO算法解决模型的非线性问题。同时,本发明创新性的提出将SMO算法与Kalman滤波算法相结合,解决锂离子电池模型不确定性问题,保证电池模型的精确性和电池控制系统的可靠性。最后,本发明提出电池模型参数在线辨识方法,为锂离子电池SOC在线精确估计提供必要的参数值。

标签:
加工技术
浙江 - 杭州 来源:中冶有色网 2023-03-18
锂电池盖板定位压装夹具及其控制系统

本发明公开了一种锂电池盖板定位压装夹具及其控制系统,涉及电池压装领域,本发明的锂电池盖板定位压装夹具包括控制单元、载装台、按压机构、驱动机构和定位机构,所述控制单元与所述按压机构、驱动机构和定位机构电连接,所述载装台用于放置锂电池,所述定位机构用于对锂电池在载物台上进行定位,所述驱动机构推动所述按压机构对锂电池盖板进行按压,将锂电池盖板压入壳中。还提供一种锂电池盖板定位压装夹具控制系统,通过该控制系统,可以减少人工作业强度,提高锂电池盖板压装夹具的自动化控制程度。

标签:
加工技术
浙江 - 杭州 来源:中冶有色网 2023-03-18
锰酸锂电池材料的制备方法

本发明公开了一种锰酸锂电池材料的制备方法,包括以下步骤:(1)将锰源与掺杂离子源溶解于水中,然后加入碱性介质形成离子掺杂的锰氧化物沉淀,然后向其中通入氧化气体,当溶液pH值达到6~7时,结束通气;分离得到离子掺杂锰氧化物;(2)将离子掺杂锰氧化物与氢氧化锂水溶液混合,在150~500℃的水热条件下反应,得到锰酸锂;(3)向所得反应液中注入用作包覆的碳源与水的混合物、氧化物与水的混合物或者氧化物的前驱体盐溶液,充分搅拌后收集反应液,干燥得到中间产物;(4)在保护气氛下,将中间产物在500~800℃温度下烧结得到最终产品。本发明制得的锰酸锂材料,颗粒大小均匀,高低温循环性能和大倍率放电性能均明显优于传统高温固相法合成的同类产品。

标签:
加工技术
浙江 - 杭州 来源:中冶有色网 2023-03-18
电动叉车锂离子电池分区式冷却装置

为了克服现有技术冷却效率低的问题,本发明提供一种电动叉车锂离子电池分区式冷却装置,能提高冷却水的利用效率,增大散热面积,提高锂离子电池的冷却效率。技术方案如下:包括锂电池板、导热隔层、侧面冷却水管、底部冷却水管,导热板、固定框、承重板,外保护箱,锂电池板垂直固定于导热隔层上部,导热板垂直固定于导热隔层上部并与锂电池板平行且贴合锂电池板,侧面冷却水管固定在导热板远离锂电池板的一侧面,底部冷却水管固定在承重板上部,底部冷却水管上部紧贴导热隔层下部,固定框固定在承重板上部,固定框包围导热隔层及导热隔层上下部所有组件,外保护箱包括上保护箱与下保护箱,上保护箱盖在承重板上部,承重板下部装入下保护箱。

标签:
加工技术
浙江 - 杭州 来源:中冶有色网 2023-03-18
上一页 502 503 504 505 506 ... 795 下一页
共795页    到第

中冶有色为您提供最新的浙江杭州有色金属理论与应用信息,涵盖发明专利、权利要求、说明书、技术领域、背景技术、实用新型内容及具体实施方式等有色技术内容。打造最具专业性的有色金属技术理论与应用平台!

全国热门有色金属设备推荐
展开更多 +
全国热门有色金属技术推荐
展开更多 +

 

江西省隆恩特环保设备有限公司
宣传

报名参会
更多+

报告下载

有色专家
更多+

武汉理工大学
副主任/研究员
矿冶科技集团江苏北矿金属循环利用科技有限公司
书记 / 总经理
矿冶科技集团有限公司
所长/研究员级高工
江西铜业集团有限公司
党委书记、董事长
赣州江钨钨合金有限公司
工程师
赤泥综合利用研究报告2025
推广

热门技术
更多+

推荐企业
更多+

福建省金龙稀土股份有限公司
宣传

发布

在线客服

公众号

电话

顶部
咨询电话:
010-88793500-807