青岛垚鑫智能科技有限公司
宣传

位置:中冶有色 >

有色技术频道 >

分类:
全部
矿山技术
冶金技术
材料制备及加工技术
环境保护技术
分析检测技术
地区:
全部
北京
天津
上海
重庆
河北
山西
辽宁
吉林
黑龙江
江苏
浙江
安徽
福建
江西
山东
河南
湖北
湖南
广东
海南
四川
贵州
云南
陕西
甘肃
青海
内蒙
广西
西藏
宁夏
新疆
其他
其他
展开
 
全部
成都
自贡
攀枝花
泸州
德阳
绵阳
广元
遂宁
内江
乐山
南充
眉山
宜宾
广安
达州
雅安
巴中
资阳
阿坝藏族羌族自治州
甘孜藏族自治州
凉山彝族自治州

四川成都有色金属理论与应用

免费发布技术信息>>
蜂窝夹层复合材料的制孔方法

本发明公开了一种蜂窝夹层复合材料的制孔方法,其特征在于,包括如下步骤:在蜂窝夹层复合材料上划出待钻孔的十字中心线;以十字中心线为轴心钻出初孔;以初孔为导引至少一次套料钻出成孔。本发明的一种蜂窝夹层复合材料的制孔方法,将钻制大直径孔的步骤至少分成两次钻出,钻制初孔时减小钻头顶角以增大切削刃长度,改善散热条件,减小横刃宽度,以降低钻削轴向力;后续钻制工序中采用套料钻来减小切削量,从而降低了钻削轴向力,避免了加工中产生层间分层缺陷。

标签:
复合材料
四川 - 成都 来源:中冶有色网 2023-03-18
碳纤维复合材料车体及其制造方法

本发明公开了一种碳纤维复合材料车体,包括车身和底板,底板与车身的底部相连,车身为一体化成型制成,包括由外向内依次设置的外蒙皮、夹心层和内蒙皮,内蒙皮上粘结有加强筋,具有刚度强度大、质量轻、隔音隔热的特点;本发明的碳纤维复合材料车体,由一体化成型制成的车身和底板连接组成,可以大幅度减少车体的连接结构,提高车体的刚度和强度,更有利于车体的安全性。本发明还公开了一种碳纤维复合材料车体的制造方法,生产一体化程度高,对于降低制造成本,同时提高车体刚度和强度具较重要的意义。

标签:
复合材料
四川 - 成都 来源:中冶有色网 2023-03-18
大型复合材料蒙皮模具及其制造方法

本发明公开的一种大型复合材料蒙皮模具及其制造方法,包括,一个组合焊接支撑底座、组合焊接支撑框架、玻璃钢层和粘接在玻璃钢层上的环氧树脂层,所述的环氧树脂层表面上,喷涂有一层氟聚氨酯无光瓷清漆。本发明利用能与环氧树脂紧密粘合,具有良好渗透性的氟聚氨酯无光瓷清漆,完全填补了环氧树脂表面存在的凹坑,从根本上解决了大型复合材料蒙皮模具环氧树脂表面存在的微型气孔缺陷,显著地提高了大型复合材料蒙皮模具表面质量及气密可靠性。

标签:
复合材料
四川 - 成都 来源:中冶有色网 2023-03-18
分段套装式复合材料电线杆的连接结构

本实用新型公开了一种分段套装式复合材料电线杆的连接结构,包括电线杆本体,还包括电杆外锥套和电杆内锥套,所述电杆内锥套的外径与电线杆本体的内径匹配,所述电杆外锥套的内径与电线杆本体的外径匹配,所述电线杆本体包括电杆上段和电杆下段,所述电杆上段设于电杆下段的顶端,所述电杆内锥套设于电杆上段和电杆下段的内侧,所述电杆外锥套设于电杆上段和电杆下段的外侧,所述电杆外锥套、电杆内锥套和电线杆本体的中心轴位于同一直线上,所述电杆外锥套、电杆内锥套和电线杆本体通过多个螺杆连接;所述电线杆本体为复合材料。本实用新型的一种分段套装式复合材料电线杆的连接结构,具有拆装方便,运输方便的优点。

标签:
复合材料
四川 - 成都 来源:中冶有色网 2023-03-18
复合材料结构隧道防护门

本实用新型涉及隧道防护门相关技术领域,具体涉及一种复合材料结构隧道防护门,包括门体,所述门体包括若干个空腔,所有所述空腔均匀分布,紧密排列在门体内部,每个所述空腔中设有防火材料结构件,所述门体外表面设有复合材料结构层,本实用新型所涉及的一种复合材料结构隧道防护门,其设计结构整体强度高、重量轻、密封性、耐久性好,提升防火抗爆性能,维护简单,寿命长,在实际生产中,成本低,价格低廉,隧道防护门整体结构简单,便于生产。

标签:
复合材料
四川 - 成都 来源:中冶有色网 2023-03-18
航空餐车用泡沫夹心复合材料

本实用新型公开了一种航空餐车用泡沫夹心复合材料,该泡沫夹心复合材料包括增强材料铺层,所述增强材料铺层包括外纤维织物层2、泡沫芯3和内纤维织物层4,其特征在于,所述泡沫芯3设有相互连通的孔15和槽14,在增强材料铺层的各层缝隙内、孔15和槽14内均充满浸润其中并固化的树脂,本实用新型的航空餐车用泡沫夹心复合材料质量稳定、成本低、污染小,且强度、界面粘接性能好,使用寿命长。

标签:
复合材料
四川 - 成都 来源:中冶有色网 2023-03-18
用于涂层复合材料结构超声检测的对比试块

本申请公开了一种用于涂层复合材料结构超声检测的对比试块及其制作方法,对比试块为一个“涂层+复合材料”的两层结构,在涂层与复材蒙皮之间、复材蒙皮上、中、下厚度区分别预制了人工缺陷,以模拟实际工作中可能自然产生的脱粘、分层缺陷。人工缺陷共10个,其中涂层与复材蒙皮之间的有1条,尺寸为20mm×250mm,复材蒙皮有9个圆形人工缺陷,尺寸分别为Ф3mm、Ф10mm和Ф19mm,缺陷呈错位间隔排布。本申请对比试块可以用于超声检测方法对涂层复合材料结构检测适用性的验证研究、缺陷的定量评定分析,还可以用于实际工作时对检测设备有效性的验证,从而保证产品质量。

标签:
复合材料
四川 - 成都 来源:中冶有色网 2023-03-18
木屑复合材料压制板
木屑复合材料压制板 750     
 0

本实用新型公开了一种木屑复合材料压制板,包括塑料加强筋板、顶部石墨支撑架和顶部贴合防腐薄片,所述塑料加强筋板的顶部固定连接有顶部石墨支撑架,所述顶部石墨支撑架设有多个,所述塑料加强筋板的顶部且位于多个顶部石墨支撑架之间固定连接有顶部木屑填充压制料,多个所述顶部石墨支撑架和顶部木屑填充压制料的顶部均固定连接有顶部贴合防腐薄片,本实用新型涉及材料技术领域。该木屑复合材料压制板,通过多个顶部石墨支撑架和多个底部石墨支撑架可以解决现有的木屑板,使用结构韧性达不到要求的问题,使得这种木屑复合材料压制板结构强度能达到要求,能长时间作为支撑板,不容易损坏,而且寿命更长。

标签:
复合材料
四川 - 成都 来源:中冶有色网 2023-03-18
用于纤维布复合材料快速浸胶的装置

本实用新型公开了一种用于纤维布复合材料快速浸胶的装置,主要解决了现有技术施工效率低、成本高、质量不可控等问题。用于纤维布复合材料快速浸胶的装置包括真空袋膜,在真空袋膜内设置有隔断系统,通过隔断系统将真空袋膜隔离划分为内部设置有粘胶主剂的粘胶主剂部、内部设置有粘胶固化剂的粘胶固化剂部和内部设置有纤维布的纤维布部,粘胶主剂部和粘胶固化剂部相邻;在未使用状态下,隔断系统束缚、隔离粘胶主剂部、粘胶固化剂部和纤维布部,在使用时,可将隔断系统抽离真空袋膜,使粘胶主剂部、粘胶固化剂部和纤维布部连通。采用本实用新型,极大的提高了复合材料机械性能,同时免去了人工操作的刷胶环节,使施工更方便快捷,提高了工作效率。

标签:
复合材料
四川 - 成都 来源:中冶有色网 2023-03-18
带法兰的复合材料传动轴

本实用新型涉及复合材料及制造领域,具体涉及一种复合材料传动轴,包括法兰盘和传动轴,传动轴的两端均设置有法兰盘,法兰盘和传动轴材质均为复合材料,法兰盘和传动轴两端之间为嵌入安装或插入安装、通过粘接剂来粘接固定,法兰盘内设有环向防滑胶装巢和轴向防滑胶装巢,传动轴的两端与法兰盘内相对应的设有环向防滑胶装巢和轴向防滑胶装巢,所述法兰盘的直径大于传动轴的直径,法兰盘的中心线与传动轴中心线重合,传动轴的两端的直径大于中间部分的直径,传动轴的两端的壁厚大于中间部分的壁厚。本实用新型具有优良的抗拉强度和抗拉模量,重量轻、安装移动方便轻巧、补偿能力强、使用寿命长、低噪声、耐腐蚀、低摩擦、免维修、不导电和无磁性。

标签:
复合材料
四川 - 成都 来源:中冶有色网 2023-03-18
用于复合材料盒式结构的C扫描相控阵检测装置

本实用新型涉及复合材料检测,特别是一种用于复合材料盒式结构的C扫描相控阵检测装置,其包括:探头模块;长支撑部件,所述探头模块安装在所述长支撑部件上并能够沿长支撑部件移动,所述长支撑部件一端固定设置有夹持块A,所述夹持块A用于和载体可拆卸地配合;短支撑部件,所述短支撑部件和长支撑部件成一定夹角设置,所述长支撑部件上相对于夹持块A的一端安装在所述短支撑部件上并能够沿短支撑部件移动,所述探头模块中包括用于进行C扫描的探头,该探头能够在探头模块中移动使其自身远离或靠近长支撑部件,本实用新型的发明目的在于提供一种能够对复合材料的盒式多梁结构进行非手持的半自动C扫描检测的装置。

标签:
复合材料
四川 - 成都 来源:中冶有色网 2023-03-18
基于玄武岩纤维复合材料为保温层的空调铜管

本实用新型公开了一种基于玄武岩纤维复合材料为保温层的空调铜管,包括铜管和包覆在铜管外的保温层,其特征在于,所述保温层由内层的发泡材料层和外层的玄武岩纤维复合材料层构成,所述玄武岩纤维复合材料层由位于两侧的玄武岩纤维纺织布层和包覆在玄武岩纤维纺织布层内的沥青填充层构成。本实用新型中,通过在发泡材料层外设置沥青层和玄武岩纤维纺织布层,沥青层可以起到隔绝空气的作用,防止铜管被氧化,而且玄武岩纤维纺织布层具有电绝缘性、抗腐蚀、抗燃烧、抗刮伤等多种优异性能,可以防止安装或使用过程中损坏保温层及抗腐蚀、抗燃烧。

标签:
复合材料
四川 - 成都 来源:中冶有色网 2023-03-18
轻质高强耐腐蚀的复合材料桥面板

本实用新型公开了一种轻质高强耐腐蚀的复合材料桥面板,包括上下二层面板,所述的二层面板之间设有夹芯层,在夹芯层中设有复合材料腹板,在上层面板上设有混凝土层,混凝土层中设有型材,混凝土层通过型材与面板连成一体,形成复合材料与混凝土相组合的桥面板体系。这种桥面板重量轻,强度高,刚度大、防潮、耐腐蚀、抗剥离、运输便捷、拼装施工简便迅速,本实用新型适用于快速建设永久性桥面板工程,也可用于临时救灾抢险、军事抢建等工程领域。

标签:
复合材料
四川 - 成都 来源:中冶有色网 2023-03-18
带挡块的复合材料帽型件制备装置及其操作方法

本发明公开了一种带挡块的复合材料帽型件制备装置及其操作方法,涉及复合材料制造工艺技术领域,包括铺叠工装、胶接工装和压合工装,铺叠工装用于一次成型多个U型蒙皮;胶接工装包括框架,框架顶部设置有可转动的多面柱形转筒,多面柱形转筒上开设有多个长条形的定位槽,多个定位槽绕着多面柱形转筒轴心线呈环形阵列分布,定位槽内均设置有定位机构,定位机构用于定位安装挡块;压合工装包括压合板,压合板上设置有多个螺栓压紧机构,压合板可通过螺栓压紧机构将U型蒙皮压合在挡块上,操作时,可在滚筒上批量成型出复合材料帽型件,本发明具有大大减少了固化次数、提高了生产效率、降低了生产成本的优点。

标签:
复合材料
四川 - 成都 来源:中冶有色网 2023-03-18
偶氮苯-聚芳醚腈复合材料及其制备方法

本发明公开了一种偶氮苯‑聚芳醚腈复合材料及其制备方法,该复合材料包括以下重量份原料:双羟基偶氮苯100~305份、单羟基偶氮苯0.2~3.0份、芳香族二元酚4~170份、二氯苯甲腈170~250份、缚酸剂60~220份、有机溶剂1000~2500份和带水剂200~500份。本发明通过分子设计,将芳香偶氮结构引入到聚芳醚腈分子主链结构中得到的光活性功能的聚合物,使其具有灵活的分子设计性、良好的耐热性能、高玻璃化转变温度、优异的力学性能、耐化学品腐蚀性能以及光响应性能。偶氮苯‑聚芳醚腈复合材料可作为功能涂层、结构材料、基体树脂等在油气田、航空航天、交通运输和电子电器等领域进行应用。

标签:
复合材料
四川 - 成都 来源:中冶有色网 2023-03-18
多功能相变储能复合材料及其制备方法

本发明属于高分子材料领域,具体涉及一种多功能相变储能材料及其制备方法。本发明提供一种相变储能复合材料,所述相变储能复合材料包括多孔碳泡沫和相变材料,所述多孔碳泡沫具有层状空腔结构,同时碳层内具有多级多孔结构;并且所述相变材料被多孔碳泡沫吸附和包封。本发明所得相变储能材料为具有光‑热和电‑热转变的多功能相变储能复合材料,并且所得的相变储能材料具有包封效率高(PEG的负载量为碳泡沫质量6倍左右),潜热高达160kJ/mol,储能效率高达100%,循环稳定性好,无熔融泄漏。

标签:
复合材料
四川 - 成都 来源:中冶有色网 2023-03-18
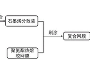
高导电石墨烯/聚合物复合材料及制备方法

本发明公开了一种高导电石墨烯/聚合物复合材料及制备方法,包括以下步骤:步骤1:将石墨烯粉和水性聚氨酯乳液在溶剂中充分混合均匀,得到石墨烯分散液;步骤2:将步骤1得到的石墨烯分散液,刷涂在加热的聚氨酯热溶胶网膜表面,干燥后,即可得到石墨烯/聚氨酯网膜;步骤3:将步骤2得到的石墨烯/聚氨酯网膜以石墨烯涂层面相互接触的方式对折,热压后即可得到所需复合材料。本发明得到的复合材料具有优异的导电特性以及机械柔韧性,本发明工艺流程简单,操作方便,对制备条件要求低,克服了传统熔融共混法功能粒子高填量下难以加工的难题。

标签:
复合材料
四川 - 成都 来源:中冶有色网 2023-03-18
热塑性复合材料的切割设备及切割方法

一种热塑性复合材料的切割设备,包括连接着的水切割平台和刀具切割平台,刀具切割平台为水切割平台的后序加工平台;水切割平台上设置有吸附台;刀具切割平台上设置有固定装置。一种热塑性复合材料的切割方法:将待加工的工件放置在切割设备上,使用真空吸附台固定住工件;将工件使用水切割平台进行切割,切割至形成一排所需要的样件,每个样件的一端均有连接其他样件的余量;水切割平台切割后的形成的一排样件转移至刀具切割平台;使用刀具切割平台切除每个样件的余量。本方案用于加工受热易融化的热塑性复合材料,先使用水切割平台进行粗加工,再使用刀具切割平台进行余量切割,解决了整体使用传统机械加工方式带来的切削热引起的多种问题。

标签:
复合材料
四川 - 成都 来源:中冶有色网 2023-03-18
聚乙烯亚胺-钛酸纳米管复合材料及其制备方法和应用

本发明涉及聚乙烯亚胺‑钛酸纳米管复合材料及其制备方法和应用,属于重金属处理领域。聚乙烯亚胺‑钛酸纳米管复合材料,其结构为聚乙烯亚胺包覆在钛酸纳米管表面;其中,所述钛酸纳米管为中空管状纳米结构,内径为4~5nm,外径为8~10nm,管长超过200nm,其分子式为NaxH2‑xTi3O7,0<x≤2;聚乙烯亚胺重均分子量为600~70000M.W。本发明制得的复合材料对五价钒和六价铬阴离子具有很强的吸附能力。

标签:
复合材料
四川 - 成都 来源:中冶有色网 2023-03-18
氧化石墨烯负载四氧化三铁纳米复合材料及其制备方法

本发明涉及废水处理领域,公开了一种氧化石墨烯负载四氧化三铁纳米复合材料及其制备方法,氧化石墨烯负载四氧化三铁纳米复合材料的制备方法包括将石墨粉、硝酸钠、浓硫酸以及高锰酸钾在冰浴环境中混合的制备氧化石墨烯分散系步骤,以及氧化石墨烯分散系内添加Fe3+、Fe2+离子,并在碱性环境下混合的制备氧化石墨烯‑四氧化三铁悬浊液的步骤。本发明的制备方法工艺简单、安全环保,成本低廉,制备的复合材料对于水中重金属及有机染料都有较佳的吸附能力。

标签:
复合材料
四川 - 成都 来源:中冶有色网 2023-03-18
氧化铝颗粒和晶须共增强铜基复合材料及其制备方法

本发明公开了一种氧化铝颗粒和氧化铝晶须共增强的铜基复合材料,包括重量百分比的如下成分:氧化铝1‑4%、石墨粉末5~10%、镍2‑10%、铁2‑7%、锡2‑10%、铋2‑6%、氧化锆1‑5%、镧0‑0.5%、余量为铜;所述氧化铝包括氧化铝颗粒、改性氧化铝晶须;所述改性氧化铝晶须是将氧化铝晶须放入十二烷基硫酸钠水溶液处理得到氧化铝晶须。本发明所述铜基复合材料中,氧化铝晶须分散较好,杂质含量低,与氧化铝颗粒共同发挥增强作用,协同配合多种添加元素成分,显著提高了铜基复合材料的力学及耐摩擦磨损性能,同时兼具优异的强度和耐冲击性。本发明还公开了其制备方法。该方法工艺简单,易于生产,在要求高强度、高导热性和高耐磨性的材料领域具有广阔的应用前景。

标签:
复合材料
四川 - 成都 来源:中冶有色网 2023-03-18
氢氧化镍/石墨烯或石墨的复合材料及制备方法

一种氢氧化镍/石墨烯或石墨的复合材料,其结构为Ni(OH)2/石墨,或Ni(OH)2、石墨烯交替的层状Ni(OH)2/石墨烯复合材料,其中氢氧化镍重量含量为10~90%。本发明还公开了制备上述复合材料的方法。本发明工艺简单、成本低廉、环境友好,易于批量生产。

标签:
复合材料
四川 - 成都 来源:中冶有色网 2023-03-18
利用离子液体/聚苯胺制备的多孔碳负载二氧化钛复合材料及其方法和应用

本发明公开了一种利用离子液体/聚苯胺制备的多孔碳负载二氧化钛复合材料及其方法和应用。用溶胶-凝胶法制备二氧化钛溶胶,向溶胶中加入占溶胶1.0wt%~8.0wt%的离子液体,0.1wt%~10.0wt%的苯胺,混合均匀后加氧化剂引发苯胺聚合。将溶胶静置陈化3~5d后置烘箱60℃~120℃烘干。碾磨后将所得复合物于氮气氛中450~850℃下煅烧30min~2h,使聚苯胺碳化,得多孔碳负载二氧化钛复合材料。在离子液体的协助下,二氧化钛和聚苯胺同步合成,形成相互交联贯穿的特殊结构,氮气氛下煅烧使聚苯胺碳化,二氧化钛沉积在聚合物残留碳骨架上,同时实现了对二氧化钛的非金属掺杂。本发明制得的纳米复合材料在紫外和可见光区域均有很强的吸光能力,在紫外和可见光下有优异的光催化性能和良好的吸附性能。

标签:
复合材料
四川 - 成都 来源:中冶有色网 2023-03-18
熔融共混制备聚合物基导电复合材料的方法

一种熔融共混制备聚合物基导电复合材料的方法,其步骤是:1)选取碳纳米管或石墨为导电填料,再选择聚合物一和聚合物二:其中聚合物一的粘度)与聚合物二的粘度之比≥100;或者聚合物一与导电填料亲和性低、聚合物二与导电填料亲和性高,导电填料与聚合物一及聚合物二构成的共混体系的理论浸润系数ωa>1,其中γ代表两相之间的界面张力,且聚合物一、二是化学性质不相容的聚合物;2)将导电填料进行煅烧或酸化处理;3)再将导电填料先与聚合物一熔融共混,得母料,再将母料与聚合物二熔融共混,即得聚合物基导电复合材料。该方法的导电填料用量低,制备的导电复合材料导电性能好,力学性能强。

标签:
复合材料
四川 - 成都 来源:中冶有色网 2023-03-18
聚乙烯自增强复合材料及其制备方法

本发明公开了一种聚乙烯自增强复合材料及其制备方法,以聚乙烯和经辐射微交联的聚乙烯为原料制备聚乙烯自增强复合材料,包含:(1)微交联聚乙烯制备、(2)母料制备、(3)聚乙烯共混物制备、(4)动态保压注塑成型等工艺步骤。本发明方法使聚乙烯复合材料内部形成互连串晶(ihterlinked?shish-kebab)的自增强结构,材料的综合性能均得到增强,相比较于不添加微交联聚乙烯的聚乙烯材料,其拉伸强度和模量均得到明显的提高,可提高材料的使用寿命和拓宽材料的使用范围。

标签:
复合材料
四川 - 成都 来源:中冶有色网 2023-03-18
双铁功能化羊粪生物炭复合材料及其制备方法与应用

本发明公开了一种双铁功能化羊粪生物炭复合材料及其制备方法与应用,通过以羊粪生物炭、铁盐和亚铁盐为原料采用共沉淀法制得Fe3O4磁性生物炭,再将Fe3O4磁性生物炭于氮气氛围下热解后,即获得负载有Fe0和Fe3C的双铁功能化羊粪生物炭复合材料。该复合材料可作为催化剂活化过一硫酸盐从而高效降解磺胺嘧啶。本发明通过以废制废的方式制备双铁功能化的过一硫酸盐催化材料,不仅实现了粪源废物的资源化利用,同时为有机废水高效的处理方法提供了技术支撑。

标签:
复合材料
四川 - 成都 来源:中冶有色网 2023-03-18
基于复合材料的阻燃耐火电缆

本发明公开了一种能实现线芯和保护套双重阻燃的避免燃烧蔓延的基于复合材料的阻燃耐火电缆。该基于复合材料的阻燃耐火电缆,包括线芯以及线芯外侧的阻热保护套;所述线芯中心位置设置有中心孔;所述线芯内设置有沿圆周均匀分布的横向线孔;所述线孔内设置有导线;所述线芯内设置有沿圆周均匀分布的散热通道;所述线芯外表面上设置有横向均匀分布的第一填充槽;所述第一填充槽内填充有阻热材料;所述阻热保护层由内到外依次包括静电屏蔽层、第一阻燃层、抗拉伸保护层、第二阻燃层;所述第二缓冲阻燃层外侧设置有护套。采用该基于复合材料的阻燃耐火电缆能够提高阻燃效果,实现多重阻燃,能够避免电缆着火后出现蔓延。

标签:
复合材料
四川 - 成都 来源:中冶有色网 2023-03-18
阻燃耐高温聚酰亚胺复合材料及其制备方法

本发明公开了一种阻燃耐高温聚酰亚胺复合材料及其制备方法,属于膨胀阻燃材料技术领域。其包括:按重量份计,改性聚酰亚胺60份‑90份、改性碱木质素20份‑40份、有机复合阻燃剂5份‑25份、无机复合阻燃剂2份‑5份、多聚硅烷偶联剂3份‑5份、亚磷酸三苯酯3份‑5份、马来酸酐接枝聚乙烯3份‑5份和硬胆酸锌0.5份‑3份。其制备方法包括:(1)将上述的改性聚酰亚胺和改性碱木质素混合,并搅拌均匀;(2)再加入有机复合阻燃剂、无机复合阻燃剂、多聚硅烷偶联剂、亚磷酸三苯酯、马来酸酐接枝聚乙烯和硬胆酸锌,继续搅拌反应1‑2h,制得聚酰亚胺阻燃复合材料。本发明的阻燃耐高温聚酰亚胺复合材料耐热性能好、热稳定性强,阻燃效果好。

标签:
复合材料
四川 - 成都 来源:中冶有色网 2023-03-18
具有高抗湿滑性的乳聚丁苯橡胶复合材料及其制备方法

本发明涉及一种乳聚丁苯橡胶复合材料及其制备方法,属于橡胶材料技术领域。本发明提供一种乳聚丁苯橡胶复合材料,所述复合材料的原料包括:乳聚丁苯橡胶100重量份,白炭黑30~70重量份,硅烷偶联剂3~7重量份,其中,所述硅烷偶联剂为3‑辛酰基硫代‑1‑丙基三乙氧基硅烷或双‑(3‑三乙氧基硅烷基丙基)‑四硫化物。本发明所得材料具有优异的抗湿滑性能,并且具有较低的滚动阻力。

标签:
复合材料
四川 - 成都 来源:中冶有色网 2023-03-18
石墨复合材料及其制备方法

本发明涉及一种石墨复合材料的制备方法,包括以下内容:1)将复合材料各组分混合,在100‑150℃下反应0.5‑1h;2)再输送至挤出机中,挤出、造粒。本发明制得石墨复合材料的导电性能好,导热系数达0.9543W/m·K,体积电阻小于4.5×107Ω·cm。

标签:
复合材料
四川 - 成都 来源:中冶有色网 2023-03-18
上一页 481 482 483 484 485 ... 500 ... 719 下一页
共719页    到第

中冶有色为您提供最新的四川成都有色金属理论与应用信息,涵盖发明专利、权利要求、说明书、技术领域、背景技术、实用新型内容及具体实施方式等有色技术内容。打造最具专业性的有色金属技术理论与应用平台!

全国热门有色金属设备推荐
展开更多 +
全国热门有色金属技术推荐
展开更多 +

 

江西省隆恩特环保设备有限公司
宣传

报名参会
更多+

报告下载

有色专家
更多+

中国矿业大学
教授
蒙纳士苏州校区
中国工程院外籍院士/校长
矿冶科技集团有限公司工程公司
副总经理
中国矿业大学
副院长/教授
重庆理工大学
教授
赤泥综合利用研究报告2025
推广

热门技术
更多+

推荐企业
更多+

福建省金龙稀土股份有限公司
宣传

发布

在线客服

公众号

电话

顶部
咨询电话:
010-88793500-807