青岛垚鑫智能科技有限公司
宣传

位置:中冶有色 >

有色技术频道 >

分类:
全部
矿山技术
冶金技术
材料制备及加工技术
环境保护技术
分析检测技术
地区:
全部
北京
天津
上海
重庆
河北
山西
辽宁
吉林
黑龙江
江苏
浙江
安徽
福建
江西
山东
河南
湖北
湖南
广东
海南
四川
贵州
云南
陕西
甘肃
青海
内蒙
广西
西藏
宁夏
新疆
其他
其他
展开
 
全部

有色金属技术理论与应用

免费发布技术信息>>
苹果可溶性固形物快速检测方法

本发明公开了一种苹果可溶性固形物快速检测方法,包括制备测试样本、采集光谱数据、建立定标模型、样品测定等步骤。本发明是基于大量的数据库建模的预测值,是无损检测,精确度更高;苹果样品的光谱采集操作简单,可用于测量批量苹果的可溶性固形物;检测结果误差小,预测值和真实值较为接近,绝对偏差普遍在0.5%以内,平均值为0.4%。

标签:
无损检测
广东 - 深圳 来源:中冶有色网 2023-03-19
基于近红外检测的注水肉快速筛查方法

本发明公开了一种基于近红外检测的“注水肉”快速筛查方法。该方法通过采集样品的近红外光谱,建立水分、蛋白质和脂肪含量预测模型;利用统计学的中位数法,分析水分/蛋白质和脂肪分布规律;依据国家标准《GB 18394‑2001畜禽肉水分限量》的限量值77%和利用水分/蛋白质和脂肪的中位数作为筛查指标,快速筛查疑似“注水肉”。本方法的检测过程简便、快速、无损而且适合在场在线,可以普及推广到市场和商超的肉类检测。

标签:
无损检测
北京 - 北京 来源:中冶有色网 2023-03-19
基于深度学习和高光谱成像技术的猕猴桃品质检测方法

本发明涉及基于深度学习和高光谱成像技术的猕猴桃品质检测方法,属于水果质量检测技术领域,该方法首先,准备N个形状良好、颜色正常并且无腐烂的猕猴桃并进行存储条件编号,分别放入低温试验箱和室温模拟不同的存储环境,在两个存储环境中存储不同时间后进行近红外高光谱成像。其次,采用ENVI5.3软件提取不同存储条件下果实感兴趣区域中所有像素点的光谱反射率,对其进行黑白校正后用于建立像素级分类模型,实现对不同存储条件下果实的快速识别。本发明检测方法高效、无损且节省人力资源,适用于猕猴桃果实的实时监测和工业化管理。

标签:
无损检测
天津 - 天津 来源:中冶有色网 2023-03-19
基于五轴联动的变径钢管双端可变距椭圆度检测系统

本发明公开的基于五轴联动的变径钢管双端可变距椭圆度检测系统,包括控制机构及与之联动的检测机构,所述控制机构包括控制器,所述检测机构包括龙门座及运动机构,所述龙门座包括辊道,所述运动机构由转盘及连接件组成,并于所述转盘及连接件上分别设置多组导轨,所述导轨上包括电机及传感器支架,所述传感器支架上设有传感器,所述辊道两侧分别设有红外开关。实现全自动、无损、非接触、测量双管端内径和外径以及椭圆度的目的,适用于内径大于100mm的不同规格的直线钢管,效率较高。

标签:
无损检测
河北 - 唐山 来源:中冶有色网 2023-03-19
新型乳腺肿瘤检测仪
新型乳腺肿瘤检测仪 1031     
 0

本实用新型公开了一种新型乳腺肿瘤检测仪,包括收纳箱体、检测组件和锁定组件,所述收纳箱体呈中空箱体设置,所述收纳箱体包括上箱体、下箱体和铰接板,所述上箱体铰接设于下箱体一端上方,所述铰接板设于上箱体和下箱体之间,所述铰接板对称设于上箱体两端,所述铰接板两端分别与上箱体和下箱体铰接,所述下箱体内设有柔性垫,所述检测组件设于收纳箱体内,所述检测组件包括显示屏、固定件、控制箱、线槽、连接线、收纳槽、检测器和检测头。本实用新型属于医疗器械技术领域,具体是提供了一种可折叠收纳,占用空间小,方便携带,检测组件可拆卸,方便整齐收纳,且能够迅速、准确、无损的进行科学诊断,实用性高、操作简单的新型乳腺肿瘤检测仪。

标签:
无损检测
新疆 - 乌鲁木齐 来源:中冶有色网 2023-03-19
手持式碳纤维导线检测仪

本实用新型公开了手持式碳纤维导线检测仪,包括主架、操作杆、驱动机构和检测机构;主架水平设置,其上端设有电池和显示屏;驱动机构包括相对间距布置的滚轮、与滚轮连接的轮连接架、设于轮连接架上端的滑块、与滑块配合的导轨;检测机构包括设于主架下端的超声波探伤仪及探头。本实用新型提出的手持式碳纤维导线检测仪,由于驱动机构的作用,可将检测仪悬挂于导线上,并沿着导线移动;降低了操作人员的劳动强度;利用超声波探伤仪及探头实现对导线的无损检测,不破坏导线外层即可掌握导线内部情况,可及时发现问题,降低损失,通过操作杆对检测仪进行手持式操作,便于在地面检测,体型小,操作灵活。

标签:
无损检测
湖北 - 武汉 来源:中冶有色网 2023-03-19
机器人式荧光渗透检测线

本实用新型涉及无损检测,具体公开了一种机器人式荧光渗透检测线,包括检测线主体(1)和沿着所述检测线主体(1)移动的机器人(2),所述检测线主体(1)包括至少两个荧光渗透检测槽体结构(11);所述机器人(2)包括移动轨道(21)和至少两个机械臂(22),所述机械臂(22)依次铰接以适于围绕铰接连接轴(23)运动,所述机械臂(22)中的末节机械臂的远离所述铰接连接轴(23)的一端设有抓取装置(24),该抓取装置(24)上的抓取模块(241)能够调整抓取角度,以适于进出所述荧光渗透检测槽体结构(11)而进行抓取动作。本实用新型通过设置抓取装置(24)转移所述检测线主体(1)内的零件,结构简单,操作便捷,工作效率高。

标签:
无损检测
江苏 - 扬州 来源:中冶有色网 2023-03-19
容器内置零件检测系统的位姿标定方法

本发明涉及一种视觉检测系统的位姿标定方法,特别是一种容器内置零件检测系统的位姿标定方法,属于计算机视觉与工程应用技术领域。本发明包括下述步骤:1)对内置零件检测系统进行本体标定,得到本体矩阵;2)对内置零件检测系统进行手眼标定,得到手眼关系矩阵;3)利用上述求出的本体矩阵、手眼关系矩阵将视觉传感器坐标系下的坐标值转换成内置零件检测系统的基座坐标系下,从而获得统一坐标系下的点云数据。本发明提高了容器内置零件的无损检测系统的测量精度和数据融合精度,并在一定程度消除系统误差,改善系统的准确度和可重复度。

标签:
无损检测
江苏 - 扬州 来源:中冶有色网 2023-03-19
SiC/Al复合材料超声检测缺陷的定性和定量分析方法

本发明涉及SiC/Al复合材料缺陷无损检测领域,发明了一种能够真实反应铝基复合材料中特有缺陷性质的超声检测用专用试块和特有缺陷性质识别方法。其特征为:(1)设计了一种经两次烧结法,制备出专用检测试块。区别于通用检测用平底孔试块,该试块能够正确呈现出SiC/Al复合材料中的SiC团聚、Al偏析和/或Al线两类特有缺陷的性质与当量。(2)设计超声相位分析方法,经过专用试块和实际缺陷测试验证,证明并实现了两类缺陷的超声定性识别。该发明为铝基复合材料超声定性、定量检测和铝基复合材料超声检测标准的制定提供了试块和测试方法基础。

标签:
无损检测
辽宁 - 沈阳 来源:中冶有色网 2023-03-19
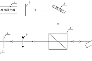
基于光学相干背散射效应的原子气体浓度检测装置及方法

本发明公开了一种基于光学相干背散射效应的原子气体浓度检测装置及方法,该原子气体浓度检测装置包括准直激光器(1)、格兰泰勒棱镜(2)、反射镜(3)、消偏振分光棱镜(4)、样品台(5)、傅里叶透镜(6)、检偏器(7)、探测器(8)和计算机(9);准直激光器(1)、格兰泰勒棱镜(2)和反射镜(3)沿横向方向依次设置于同一条直线上;反射镜(3)和消偏振分光棱镜(4)沿纵向方向设置于同一条直线上;样品台(5)设置于消偏振分光棱镜(4)的一侧,在消偏振分光棱镜(4)的另一侧依次设置傅里叶透镜(6)、检偏器(7)和探测器(8);探测器(8)通过数据线与计算机(9)电连接;探测器(8)设置于傅里叶透镜(6)的焦面上。所述原子气体浓度检测装置及方法能够实现原子气体封闭汽室内的原子浓度的无损检测。

标签:
无损检测
北京 - 北京 来源:中冶有色网 2023-03-19
基于图像的产品表面质量检测系统

本发明公开了一种基于图像的产品表面质量检测系统,包括光源照明系统、图像采集单元、图像处理单元、控制单元、传送装置、报警单元、传感器单元、分拣装置、主控计算机;所述图像采集单元与图像处理单元连接,用于采集被检测产品表面图像;所述光源照明系统、图像处理单元、传送装置、传感器单元、报警单元、分拣装置、主控计算机均与控制单元连接,本发明通过光源照明系统和图像采集单元共同配合采集被检产品的表面图像,图像处理单元对整个产品的表面和外边缘缺陷进行高精度、高效率检测,并能通过分拣装置将缺陷品与无损品分拣到不同区域,提高了检测的准确性、一致性以及检测效率。

标签:
无损检测
四川 - 成都 来源:中冶有色网 2023-03-19
管材壁厚自动检测装置
管材壁厚自动检测装置 1163     
 0

本实用新型属于管材检测领域,公开了一种管材壁厚自动检测装置,包括机架、压紧转动机构、水平移动机构、弹力夹持机构和霍尔测量机构;压紧转动机构设置在机架上,用于夹紧待测管材并驱动待测管材沿圆周方向旋转;水平移动机构沿待测管材的长度方向可移动设置在机架上且位于压紧转动机构的下方;弹力夹持机构设置在水平移动机构上;霍尔测量机构包括钢珠、测量杆和主机,所述钢珠用于放置在待测管材内,所述测量杆与主机电连接,测量杆设置在弹力夹持机构上且其头部与待测管材的底部抵接,用于测量头部与放置于待测管材内的钢珠的间距;主机与水平移动机构固定连接。本实用新型尤其可实现含微气孔烧结塑料管材壁厚的无损检测。

标签:
无损检测
安徽 - 马鞍山 来源:中冶有色网 2023-03-19
原子力声学显微镜悬臂梁接触谐振频率检测系统

原子力声学显微镜悬臂梁接触谐振频率检测系统主要用于检测原子力显微镜悬臂梁的接触谐振频率,进而实现原子力声学显微镜的弹性模量成像,属于无损检测领域。本实用新型基于原子力显微镜悬臂谐振曲线峰值对应的电压信号,控制压控振荡器输出谐振中心频率的正弦电压信号激励压电传感器的原理。主要包括与原子力声学显微镜悬臂梁的光电二极管探测器连接的锁相放大器、与原子力声学显微镜的压电传感器连接的压控振荡器(VCO),以及处理频率信号的DSP控制板。DSP控制板控制VCO输出谐振中心频率的正弦电压信号激励压电传感器,得到谐振曲线,进而得到谐振曲线的中心频率,实现了一种自动频率检测系统。

标签:
无损检测
北京 - 北京 来源:中冶有色网 2023-03-19
SOI晶圆键合质量检测方法及系统

本发明提供了一种SOI晶圆键合质量检测方法及系统,检测方法包括如下步骤:提供第一晶圆和第二晶圆,第一晶圆包括依次叠置的第一硅层、第一二氧化硅层和第一键合金属层,第二晶圆包括依次叠置的第二硅层、第二二氧化硅层和第二键合金属层,第一晶圆和第二晶圆通过第一键合金属层与第二键合金属层相互键合以形成测试结构;对测试结构进行电容电压测试,得到测试结构的电容电压测试曲线,并根据电容电压测试曲线表征测试结构的键合质量。本发明针对低温键合SOI晶圆界面的质量评估需求,通过对测试结构进行电容电压测试,实现了对SOI晶圆键合质量快速且无损的表征,揭示了键合界面的电学特性,对于三维单片集成工艺的开发具有重要意义。

标签:
无损检测
广东 - 广州 来源:中冶有色网 2023-03-19
基于超声导波的电缆竖井防火封堵缺陷检测及信号处理方法

本发明属无损检测领域,公开了一种基于超声导波的电缆竖井防火封堵缺陷检测及信号处理方法,包括:步骤一,利用函数信号发生器产生需要设定频率的正弦波形激励信号,输出至功率放大器中,由功率放大器将该电信号放大;步骤二,放大的电信号通过粘贴在待测试件发射端的压电陶瓷晶片将电信号转为机械信号,产生超声波,压电陶瓷晶片转换为电信号;步骤三,所述电信号经初步过滤后传入数字示波器,显示该电信号参数并进行提取采集;步骤四,利用基于稀疏和频散的匹配追踪法对提取到的信号进行处理,根据所得信号波形判断是否存在缺陷,从而实现快速、准确地对电缆竖井防火封堵中存在的裂纹、气泡等缺陷进行检测,进而判断系统的封堵效果是否达标。

标签:
无损检测
湖北 - 十堰 来源:中冶有色网 2023-03-19
电机定子线圈单点破损检测方法

本发明涉及一种电机定子线圈单点破损检测方法,通过定制工装,在高真空度条件下,在电机的绕组和外壳之间,或者线圈和矽钢片之间施加一调制后的高压;如果有单点破损或者线伤,产生放电,该电压会迅速损耗掉,通过判断该电压损耗的时间,即可判断电机定子是否合格。该发明方法具有以下优势:(1)检出率高。对于线伤距离在标准距离要求内的可准确检出。(2)对被测品损伤小。测试输出的能量小,电压较低,对定子线圈基本无损。(3)便于维修。测试过程中可以观察到定子的绝大部分位置。一旦有破损点放电,很容易观察到。

标签:
无损检测
山东 - 青岛 来源:中冶有色网 2023-03-19
基于视觉计算视频传输的图像检测与分析方法

本发明属于视频图像检测技术领域,具体涉及一种基于视觉计算视频传输的图像检测与分析方法。本发明包括:(1)动态图像目标检测;(2)设置背景目标的训练数据库地址;(3)设置分类标签,设置背景名以及背景两个标签;(4)分别设置训练神经网络时输入视频的大小、每次训练样本的数目、目标类别数、测试的准确率阈值;(5)构建卷积神经网络模型;(6)设置目标损失函数,并进行训练等。本发明是计算机领域下的视觉计算系统设计,具有高带宽、低延迟、非压缩、适合远距离无损传输等特点。持不少于3种计算资源的异构组合和高效协同,具备高效能计算、多模态图形图像处理、架构动态可重配置等能力。

标签:
无损检测
广东 - 广州 来源:中冶有色网 2023-03-19
基于超声导波的方钻杆检测方法

本发明公开了一种基于超声导波的方钻杆检测方法,包括以下步骤:通过半解析有限元的方法计算出方钻杆的相速度和群速度频散曲线;在频散曲线上相对较平直的范围内,选择激励模态和激励频率;在方钻杆的一端布置激励传感器,另一端布置接收传感器;信号发生器产生以激励频率为中心频率的脉冲信号,通过功率放大器输入激励传感器,在方钻杆中激发所需要的模态和频率超声导波;频率超声导波在方钻杆中传播,由接收传感器接收,并输送至示波器进行显示,得到信号的幅值At;计算透射系数,然后将被测方钻杆的透射系数Td与无损方钻杆的透射系数T0进行比较。本发明既可以检测试样表面缺陷,也可以对试样内部损伤进行检测与评估。

标签:
无损检测
陕西 - 西安 来源:中冶有色网 2023-03-19
超声波水浸自动探伤铝合金预拉伸板的检测方法

一种超声波水浸自动探伤铝合金预拉伸板的检测方法,它涉及一种超声波水浸自动探伤铝合金预拉伸板的检测方法。本发明是要解决超声波接触法探伤铝合金预拉伸板内部缺陷的缺点的无损检测问题。方法:一、取铝合金预拉伸板制作待探伤板材,调试探伤灵敏度;二、将其完全浸入水中,以水作耦合剂,设定扫描分辨率、步进分辨率、脉冲重复频率和扫描速度,启动超声波水浸自动探伤机,采用10MHz超声波探头,并调试探头的探测角度,对待探伤板材进行探伤,探伤时水温保持在20~50℃之间,扫描结束后,得到C扫图像,探伤结束后,探头归位。本发明用于铝合金预拉伸板的探伤。

标签:
无损检测
黑龙江 - 哈尔滨 来源:中冶有色网 2023-03-19
基于动态顶空技术和GC-MS检测茶树挥发物的方法

本发明公开了一种基于动态顶空技术和GC-MS检测茶树挥发物的方法。该方法利用动态顶空技术收集茶树挥发物,使用GC-MS对挥发物的成分及量进行检测,具体步骤如下:将叶片洗净的茶树放入动态顶空装置中,开启动态顶空装置,待动态顶空装置中的吸附柱(内含吸附剂)吸附一定时间后,关闭动态顶空装置,取下该吸附柱,使用淋洗液进行淋洗,并在淋洗得到的溶液中加入内标,使用GC-MS进行检测,通过GC-MS的结果分析出茶树挥发物中所含的具体物质及其浓度,最后可推算出每小时茶树挥发相应物质的质量。本发明对茶树无损伤,并在常温范围内即可完成,避免了分析过程中产生新的化合物,能够全面、准确的测定茶树挥发物的成分及含量。

标签:
无损检测
浙江 - 杭州 来源:中冶有色网 2023-03-19
连续带状多孔金属材料漏镀缺陷的检测并定位的方法

本发明提供了一种连续带状多孔金属材料漏镀缺陷的检测并定位的方法,首先判定漏镀缺陷——判定后再定位漏镀缺陷的区域,每个过程均包括训练分类器-测试-输出结果,判定漏镀缺陷时,采用产品图像的灰度均值、方差、同质值及45°和135°两个方向上的惯性矩作为特征向量,而定位漏镀缺陷时,则采用灰度均值、灰度方差、RGB联合向量以及在0°、45°、90°和135°四个方向上的相关性,构成特征向量。本发明针对多孔金属材料能在线自动检测并定位漏镀缺陷区域,不仅准确率高,可实现产品的无损检测,而且还可提高多孔金属材料产品的质量和合格率,降低生产成本,提高生产效率。

标签:
无损检测
湖南 - 长沙 来源:中冶有色网 2023-03-19
基于光声显微成像的鲜红斑痣血管定量化检测装置

本发明公开了一种基于光声显微成像的鲜红斑痣血管定量化检测装置。该装置包括硬件和软件两部分;硬件包括出光系统,光学快速扫描系统,光声探测系统,X、Y、Z轴电机定位系统和主机系统;软件包括各种硬件的驱动、去卷积、滤波反投影算法和三种扫描成像模式。该装置的成像深度为2mm,横向分辨率为3.8μm,轴向分辨率为40μm,成像范围为0.5mm或1mm,解决了纯光学方法无法达到的成像深度及超声无法达到的分辨率;由于采用的是二维及三维结构成像,可定量的统计血管的管径、深度及沿深度方向分布的相对血液体积百分比等参数,解决了现在临床PWS检测技术的不足及缺点,为PWS病理研究提供了无损实时多模式的检测方法。

标签:
无损检测
广东 - 广州 来源:中冶有色网 2023-03-19
渗透检测用擦除装置
渗透检测用擦除装置 924     
 0

本实用新型属于无损检测的渗透检测领域,具体涉及一种渗透检测用擦除装置。涉及的一种渗透检测用擦除装置具有用以夹持布或纸巾的盖板和底板;所述的盖板与底板之间具有用以夹持布或纸巾的间隙;所述的底板与所述的盖板在宽度方向的一侧通过弹簧弹性连接在一起,所述的盖板为可在所述弹簧弹力的作用下翘起、方便将布或纸巾放在盖板与底板之间的结构;所述底板与所述的盖板之间还通过夹紧机构连接为一体;所述盖板的顶部设置有用以在外力作用下压紧盖板与底板的手柄。本实用新型使清洗和去除操作时作用在被检表面的力更均匀,清洗效果更快更好,有效降低了劳动强度。

标签:
无损检测
河南 - 洛阳 来源:中冶有色网 2023-03-19
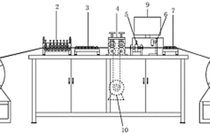
异形截面钢材的在线涡流探伤检测装置

一种异形截面钢材的在线涡流探伤检测装置,属于检测技术领域。该装置可以在线检测异形截面钢材。包括放线机(1)、平矫直器(2)、前横矫直器(3)、牵引辊(4)、涡流线圈(5)、打标器(6)、后横矫直辊(7)、收线器(8)、涡流探伤仪(9)、牵引辊电动机(10)和收线机电动机(11);平矫直器(2)、前横矫直器(3)、牵引辊(4)、涡流线圈、打标器(6)和后横矫直辊(7)按照先后顺序固定在工作台上;收线机(8)和放线机(1)分别安装在工作台的前后位置;涡流探伤仪(9)与涡流线圈相连接;牵引辊电动机(10)与牵引辊连接;收线机电动机(11)与收线机(1)连接。涡流线圈为异形截面,其形状与被检异形钢材截面形状一致。优点在于,实现了异形钢材无损、精准、高效的表面缺陷检测。

标签:
无损检测
北京 - 北京 来源:中冶有色网 2023-03-19
带包覆层承压设备的腐蚀缺陷检测仪

本实用新型公开了一种带包覆层承压设备的腐蚀缺陷检测仪,包括瞬变电磁传感器和控制主机,瞬变电磁传感器具有骨架、柱形磁芯、激励线圈和接收线圈,柱形磁芯穿设于骨架,激励线圈绕制在骨架上且位于柱形磁芯的外侧,接收线圈绕制在激励线圈的外侧,控制主机通过线缆分别与瞬变电磁传感器的激励线圈和接收线圈电性连接。接收线圈绕制在激励线圈的外侧,两者之间相互耦合,激励线圈能够使带包覆层承压设备产生涡流磁场,接收线圈接收涡流磁场的耦合区磁场的感应电压,可以实现待包覆层承压设备腐蚀缺陷的无损检测,有利于提高检测效率和降低检测成本,且磁芯能够起到聚焦磁场的作用,有利于提高检测的精确度和分辨率。

标签:
无损检测
广东 - 珠海 来源:中冶有色网 2023-03-19
用于管座角焊缝超声相控阵检测的模拟试件

本实用新型公开了一种用于管座角焊缝超声相控阵检测的模拟试件,涉及无损检测技术领域,包括接管,所述接管的底端设有母管,所述接管与母管通过角焊缝相连接,所述角焊缝的内部设置有第一未熔合缺陷、第二未熔合缺陷和第三未熔合缺陷。本实用新型通过在一块模拟试件上设置三种类型、不同尺寸的未熔合缺陷,有利于检测人员进行对比试验,具备较高的培训实用性,值得推广,三处未熔合缺陷的位置及相应的长度设置与现实情况中集箱管座角焊缝裂纹的发生情况相吻合,具备很好的代表性,能够用于检测管座角焊缝表面裂纹的检测工艺验证。

标签:
无损检测
江苏 - 南京 来源:中冶有色网 2023-03-19
用于大口径管焊缝相控阵超声检测的扫查记录装置

本实用新型涉及无损检测领域,具体涉及一种用于大口径管焊缝相控阵超声检测的扫查记录装置,包括磁轮、支架、探头夹和位置传感器,支架由支架主杆和旋转轴组成,位置传感器由电缆线、滚轮和信息转换器组成,扫查记录装置通过电缆线与相控阵超声检测仪之间进行连接。本实用新型采用电缆线和相控阵超声检测仪连接,信号传输稳定;扫查记录装置支架和探头夹采用钛合金材料制成,增加使用寿命;磁轮为磁性材料制成,吸附在管子上,方便操作;位置传感器采用单独的滚轮,位置信息记录的更加准确;探头夹和支架通过弹性螺丝连接,可对探头进行微调,保证探头和管子表面的耦合效果。更够满足现场检测的需要。

标签:
无损检测
安徽 - 合肥 来源:中冶有色网 2023-03-19
面向铝合金搅拌摩擦焊件的超声相控阵成像检测装置

本实用新型涉及一种面向铝合金搅拌摩擦焊件的超声相控阵成像检测装置,它包括固定在斜楔块上的超声相控阵探头、超声相控阵电路系统、传送带、夹持装置、控制柜和计算机。计算机既能通过控制柜来控制传送带以及夹持装置,又能通过数据线连接超声相控阵系统,获取超声相控阵的扫描图像。在获取图像后,计算机上的软件能够对扫描图像进行优化分析以及存储。本实用新型采用机械化平台并结合超声相控阵装置,具有自动化程度高、连续检测性能好、检测速度快以及劳动强度低等优点,同时引入工业计算机,可以对缺陷进行精确定位和定量检测,满足工业无损检测的需求。

标签:
无损检测
江苏 - 南京 来源:中冶有色网 2023-03-19
6自由度超声波检测装置

本实用新型涉及一种6自由度超声波检测装置,包括基座、X轨道、Y轨道、探头组件、探头组件安装座及转台,X轨道横向设于基座的顶部,Y轨道垂直布置于X轨道上方并能沿X轨道的长度方向移动,探头组件安装座竖直布置于Y轨道上并能沿Y轨道的长度方向移动,探头组件安装座下部设置有能上下移动的Z轴,探头组件能转动的设于Z轴的下端,转台能转动的设于基座下部并与探头组件相对布置。本实用新型能实现对曲面异构件进行无损检测及曲面自动跟踪路径设计,检测时,被检测件在转台上旋转,探头位置可根据需要通过X轨道、Y轨道、探头组件安装座、Z轴之间的配合关系及探头组件自身的转动结构进行调节,使探头沿被检测件内表面母线作曲线运动。

标签:
无损检测
浙江 - 宁波 来源:中冶有色网 2023-03-19
光声复合三维微纳成像检测系统

本实用新型公开了一种光声复合三维微纳成像检测系统,包括光全息光路,还包括计算机、显微镜、用于放置固体样品的压电晶片和用于驱动压电晶片振动的功率放大器,计算机上接有同步控制器和数字相机,同步控制器上接有波形发生器和脉冲激光器;光全息光路包括物光光路、参考光光路和第一分束立方镜,物光光路包括依次设置的第二分束立方镜、第一扩束镜和第一反射镜,参考光光路包括第三分束镜和第二反射镜,以及第二扩束镜,压电晶片设置在显微镜的正下方。本实用新型设计合理,实现方便,能够适用于不同厚度的固体样品的缺陷检测,检测速度快,检测精度和可靠度高,真正实现了无损检测,实用性强,应用范围广,便于推广使用。

标签:
无损检测
陕西 - 西安 来源:中冶有色网 2023-03-19
上一页 1996 1997 1998 1999 2000 ... 5000 ... 10000 ... 20000 ... 30000 ... 32465 下一页
共32465页    到第

中冶有色为您提供最新的有色金属技术理论与应用信息,包括矿山技术、冶金技术、材料制备及加工技术、环境保护技术和分析检测技术等有色技术信息。打造最具专业性的有色金属技术理论与应用平台!

全国热门有色金属设备推荐
展开更多 +
全国热门有色金属技术推荐
展开更多 +

 

江西省隆恩特环保设备有限公司
宣传

报名参会
更多+

2025年10月15日 ~ 17日
2025年10月17日 ~ 19日
2025年10月31日 ~ 11月02日
2025年11月07日 ~ 09日

报告下载

有色专家
更多+

北方民族大学
院长/教授
蒙纳士苏州校区
中国工程院外籍院士/校长
中南大学
中国工程院院士
中南大学
教授、博士生导师
北京工业大学、中国工程院
中国工程院 院士
赤泥综合利用研究报告2025
推广

热门技术
更多+

推荐企业
更多+

福建省金龙稀土股份有限公司
宣传

发布

在线客服

公众号

电话

顶部
咨询电话:
010-88793500-807