青岛垚鑫智能科技有限公司
宣传

位置:中冶有色 >

有色技术频道 >

> 固/危废处置技术

分类:
全部
矿山技术
冶金技术
材料制备及加工技术
环境保护技术
分析检测技术
 
全部
废水处理技术
大气治理技术
固/危废处置技术
土壤修复技术
地区:
全部
北京
天津
上海
重庆
河北
山西
辽宁
吉林
黑龙江
江苏
浙江
安徽
福建
江西
山东
河南
湖北
湖南
广东
海南
四川
贵州
云南
陕西
甘肃
青海
内蒙
广西
西藏
宁夏
新疆
其他
其他
展开
 
全部
成都
自贡
攀枝花
泸州
德阳
绵阳
广元
遂宁
内江
乐山
南充
眉山
宜宾
广安
达州
雅安
巴中
资阳
阿坝藏族羌族自治州
甘孜藏族自治州
凉山彝族自治州

四川有色金属固/危废处置技术理论与应用

免费发布技术信息>>
固体废弃物的无焰焚烧工艺

本发明公开了一种固体废弃物的无焰焚烧工艺,它包括分选处理,厌氧发酵,无焰焚烧和可燃气体回收的步骤。本发明的工艺具有处理效率高、综合效益好、处理干净彻底,无焰焚烧温度高,碳化迅速;可燃性气体转化充足,实现了焚烧过程中能源的自给自足,产生的焦渣质轻、气泡丰富、透水性好、含碳量高,有害物超低排放。

标签:
固废
四川 - 成都 来源:中冶有色网 2023-03-19
固体废物锅炉对流受热面固定结构

本实用新型公开了一种固体废物锅炉对流受热面固定结构,涉及管道固定的技术领域,具体包括烟道和对流受热面管,所述对流受热面管设置在烟道内,还包括起支撑作用的膜式管壁,所述膜式管壁包括至少一根膜式壁管;所述膜式壁管上设置有可进行热传导的用于支撑对流受热面管的支撑装置;本实用新型,在膜式壁管上直接设置可进行热传导的支撑装置,支撑装置吸收的烟气的热量直接传导给膜式壁管外壁,进而膜式壁管外壁的热量传导至膜式壁管内壁,再传递给膜式壁管内的介质由介质流动直接带走热量;热量不在该区域沉积,从而有效降低了该区域的金属壁面温度,延缓腐蚀速度,延长了金属固定元件的使用寿命。

标签:
固废
四川 - 自贡 来源:中冶有色网 2023-03-19
固体废物粉碎系统
固体废物粉碎系统 995     
 0

本实用新型公开了一种固体废物粉碎系统,包括一级粉碎筒和二级粉碎筒,所述一级粉碎筒设置在二级粉碎筒上方,所述一级粉碎筒的上端和下端分别设置有入料口和排料口,所述一级粉碎筒内设置有转轴,所述转轴上设置有切刀,所述二级粉碎筒内设置有两个相互配合的压辊,所述二级粉碎筒的底部设置有出料口,所述二级粉碎筒的顶部在排料口的下方设置有开口,所述排料口上设置有导料筒,所述导料筒穿过开口设置在2个压辊之间间隙的上方。本实用新型解决了现有设备导致粉碎后的颗粒尺寸过大的问题,同时,筒实用新型还具有成本低的优点。

标签:
固废
四川 - 绵阳 来源:中冶有色网 2023-03-19
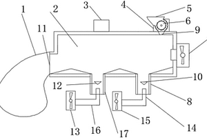
固体废弃物的生物氧化处理装置

一种固体废弃物的生物氧化处理装置,包括处理池、清理门、安装套、滑动架、定位套、调节套、紧固套,所述处理池与清理门相适应,所述清理门连接处理池,所述清理门上侧连接紧固套,所述处理池两侧具有安装套槽,所述安装套槽与安装套相适应,所述安装套连接安装套槽,所述安装套内部具有滑动架槽,所述滑动架槽与滑动架相适应,所述滑动架连接滑动架槽,所述滑动架在滑动架槽内滑动,所述滑动架槽两侧具有定位凸起槽,所述滑动架两侧具有定位凸起,所述定位凸起连接定位凸起槽,所述定位凸起在定位凸起槽内滑动,所述滑动架外端具有定位套槽,所述定位套槽连接定位套。

标签:
固废
四川 - 成都 来源:中冶有色网 2023-03-19
焚烧固体废物锅炉的炉膛结构

本实用新型公开了一种焚烧固体废物锅炉的炉膛结构,包括炉膛和燃烧系统,所述炉膛上部,且靠近炉膛出口处边界设置有屏式过热器,所述屏式过热器包括进水U型管圈和出水U型管圈;所述出水U型管圈设置在进水U型管圈的内部;所述进水U型管圈的进水端与进口小集箱连通,所述进水U型管圈的出水端与中间小集箱连通;所述出水U型管圈靠近进水U型管圈进水端的一端与出口小集箱连通,所述出水U型管圈的另一端与中间小集箱连通;本实用新型,在炉膛内布置了屏式过热器,大大增加了过热蒸汽的吸热量,促使锅炉输出蒸汽达到既定的高温高压状态成为可能。

标签:
固废
四川 - 自贡 来源:中冶有色网 2023-03-19
用于污泥生产固体燃料的废水处理装置

本实用新型公开了一种用于污泥生产固体燃料的废水处理装置,包密封净水箱,密封净水箱的左侧底部镶嵌有进水阀,进水阀的出水口通过导管连接有物理过滤箱,物理过滤箱的过滤输出端连接有二级净水处理槽,二级净水处理槽的出水口连接有沉淀处理槽;二级净水处理槽包括一级氧化接触槽和二级电解净化槽,一级氧化接触槽内部垂直镶嵌有固定栅格架和氧化接触板;二级电解净化槽的内部等间隔垂直安装有电解离子棒,电解离子棒的供电端连接有高压静电发射器;本实用新型通过设置一级氧化分解处理有机物、二级电解处理金属盐,并且结合物理过滤和紫外线杀菌操作的结合,大大提高了对污水净化处理的效率和质量,实现水循环利用,节能环保。

标签:
固废
四川 - 成都 来源:中冶有色网 2023-03-19
加工固体废物破碎清除装置

本实用新型公开了一种加工固体废物破碎清除装置,包括燃烧炉、加料仓、加热器和燃烧仓,所述燃烧炉的底部四角处皆安装有支架,且燃烧炉内部的底端设置有加热仓,所述加热仓内部的中间位置处安装有加热器,且加热仓内部的顶端设置有燃烧仓,所述燃烧炉顶部的一侧设置有烟筒,所述燃烧炉靠近烟筒一侧的顶部安装有加料仓,且加料仓的出口与燃烧炉连通,所述加料仓内部顶端靠近燃烧炉的一侧铰接有密封板。本实用新型加料箱的内侧设置有预热仓,预热仓安装有加热管,可以通过导烟管将燃烧仓内产生的烟雾导入螺旋管内,即可以避免烟雾排到空气中造成污染,保护环境,又可以利用烟雾中带来的高热量,对垃圾进行预热干燥。

标签:
固废
四川 - 宜宾 来源:中冶有色网 2023-03-19
承载放射性固体废物的钢桶封闭器

本实用新型属于封闭器技术领域,且公开了一种承载放射性固体废物的钢桶封闭器,包括定位箍,所述定位箍底部活动铰接有活动箍,所述定位箍和活动箍的内壁均固定连接有防滑块,所述定位箍和活动箍的顶部均固定安装有连接块,所述连接块的数量为两个,两个所述连接块的外表面分别活动铰接有定位板和限位板,所述限位板的顶部固定连接有连接板。本实用新型通过连接块、定位板、限位板和限位孔,通过定位箍和活动箍可以在防滑块的配合下对钢桶进行封闭,而通过连接块可以方便工作人员对定位板和限位板的角度进行调节以适用于紧固封闭,而通过限位孔可以改变定位板与限位板的连接范围,从而使其适用于对不同尺寸钢桶进行封闭。

标签:
固废
四川 - 自贡 来源:中冶有色网 2023-03-19
建筑混凝土固体废料粉碎装置

本实用新型公开了一种建筑混凝土固体废料粉碎装置,包括箱体,所述箱体的顶部连通有进料管,箱体的右侧固定连接有壳体,壳体内壁的顶部和底部均活动连接有第三转动轴。本实用新型通过设置第二转动轴、粉碎辊、第一转动轴、碾碎辊、固定板、电动伸缩杆、滤板、转动辊、壳体、传送带、第三转动轴、第一齿轮、第二齿轮、第一电机、连接板、第三齿轮、和第二电机的配合使用,具备可进行二次粉碎,处理后大块混凝土进行循环粉碎的优点,解决了现有的混凝土粉碎装置,只是将混凝土进行一次粉碎,处理后仍具有较大的混凝土块,处理效果差,需要工作人员将混凝土多次加入装置粉碎,增加了工作人员工作量,降低工作效率的问题。

标签:
固废
四川 - 成都 来源:中冶有色网 2023-03-19
固体废物焚烧锅炉受热面之间的固定管结构

本实用新型公开了一种固体废物焚烧锅炉受热面之间的固定管结构,包括屏式过热器和管夹管,所述屏式过热器由至少两屏管屏叠加而成,所述管屏由管子绕成;所述管夹管围成矩形状,所述管夹管的竖直段与屏式过热器四个角上最外侧的管子通过第一连接装置连接;所述管夹管的水平段包括横向段和垂直段;所述横向段设置在屏式过热器的前后两个端面上,用于固定单个管屏的形状;所述垂直段设置在屏式过热器的左右两个端面上,所述垂直段设置有定位装置,各管屏中最外端的管子通过定位装置固定在垂直段上;本实用新型,利用管夹管即实现固定也实现散热,能有效冷却固定件的金属温度,使固定件的寿命长于屏式受热面,大大降低了屏式受热面的维护成本。

标签:
固废
四川 - 自贡 来源:中冶有色网 2023-03-19
环保固体废物处置用除酸塔

本实用新型公开了一种环保固体废物处置用除酸塔,包括除酸塔本体,所述除酸塔本体的一侧表面设置有尾气进口,所述除酸塔本体一侧通过支板固定有水泵,所述水泵的一端连接有进液管,所述水泵的另一端设置有连通管,所述除酸塔本体内侧固定有喷淋管,所述喷淋管与水泵通过连通管进行内部连通,所述喷淋管下表面固定有喷淋头,所述喷淋头外侧壁设置有固定块;通过设置有雾化凸起、凸块、密封挡板、环筒、导向杆、弹簧及固定块,避免碱液雾化效果差,不能很好的与酸性尾气接触,造成净化效果差,通过设置有安装块、风车板及反光镜体,便于对飞鸟进行驱散,避免飞鸟在除酸塔本体顶部筑巢,导致除酸塔本体上端通风效果差。

标签:
固废
四川 - 达州 来源:中冶有色网 2023-03-19
石膏固体废料回收系统

本实用新型公开了石膏固体废料回收系统,包括空心腔、外壳体、出料机构和内壳体,所述外壳体外部底端的四个拐角处均安装有支撑柱,所述外壳体的底端固定连接有出料机构,所述外壳体的顶端固定连接有进料筒,且进料筒上设置有封盖。本实用新型通过在外壳体的另一侧固定连接有水箱,且水箱一端的底部固定连接有导水管,且导水管上固定连接有水泵,同时喷淋管的底端均匀固定连接有喷头,导水管的一端与喷淋管的内部相连通,喷头在喷淋管的底部呈同心圆排列,清洗时,启动水泵,将水箱内部的水抽出,通过导水管输送到喷淋管的内部,再由喷头喷出,喷头呈斜向安装,水流直接冲击内壳体的内壁,实现对本装置的内部进行清洗,增加功能性。

标签:
固废
四川 - 攀枝花 来源:中冶有色网 2023-03-19
固体废物搅拌机
固体废物搅拌机 908     
 0

本实用新型公开了一种固体废物搅拌机,包括底座、支撑架、搅拌桶和支撑块,所述支撑架和支撑块均安装在底座上,所述搅拌桶安装在支撑块上,所述支撑架上设有第一驱动装置,所述第一驱动装置的输出端连接有变速箱,所述变速箱的输出端连接有转轴,所述转轴延伸至搅拌桶内,所述延伸至搅拌桶内的转轴上设有搅拌杆,所述搅拌杆上设有敲击块,所述搅拌桶上设有齿条,所述支撑块内设有与所述齿条相配合的齿轮,所述支撑架上设有第二驱动装置,所述齿轮安装在第二驱动装置的输出端上。其结构简单,使用、安装方便,操作简单,省力,搅拌均匀,效率高,成本低,移动方便,适用范围广,使用寿命长,具有安全可靠的作用。

标签:
固废
四川 - 成都 来源:中冶有色网 2023-03-19
有机固体废弃物复合菌发酵复合菌剂

本发明提供了一种用于有机固体物废弃物微生物发酵的复合菌菌剂及其生产方法,属于环境微生物技术应用领域。复合菌由如下菌种组成:木霉菌20-30%、固氮菌20-30%、解磷菌20-30%、硅酸盐细菌20-30%、光合菌?20-30%、芽孢杆菌20-30%、酵母菌20-30%、放线菌20-30%??、乳酸菌20-30%?,复合菌菌剂总的比例为100%。

标签:
固废
四川 - 成都 来源:中冶有色网 2023-03-19
应用于固体废物焚烧锅炉的邻炉加热系统

本发明公开了一种应用于固体废物焚烧锅炉的邻炉加热系统,包括邻炉加热母管,所述邻炉加热母管的输入端用于向邻炉加热母管内输入其他热源,所述邻炉加热母管的输出端与分配集箱连接,所述分配集箱与水冷壁下集箱上的热入口管接头连接;所述水冷壁下集箱内设置有给热分配管,所述给热分配管与热入口管接头连通,所述热分配管上开设有至少一排小孔;所述邻炉加热母管的其他热源通过热入口管接头输送至水冷壁下集箱内的热分配管内,由热分配管的小孔流出,与水冷壁下集箱的冷态给水混合;本发明,在锅炉冷态启动时,可向炉膛水冷壁输入其他热源与冷的给水混合,不断提升给水的温度,加快了炉膛的升温速度,同时减少了化石燃料的使用和二氧化碳的排放量,更加环保。

标签:
固废
四川 - 自贡 来源:中冶有色网 2023-03-19
农村固体废物无害化处理系统

本发明涉及农业领域,公开了一种农村固体废物无害化处理系统,包括支柱,支柱上设有加热装置,加热装置开口向上的端口通过抽板封闭,抽板两端设有拉环,加热装置内壁由内至外依次设有加热层、隔热层,加热装置内腔设有斜板,加热装置外壁沿斜板向下的一端设有相配合的出口盖,加热装置上设有铰料箱,铰料箱开口上方设有进料口,铰料箱开口下方通过抽板封闭,铰料箱内腔设有铰料机构,铰料机构包括转动轴,转动轴上设有铰刀,转动轴与驱动装置驱动连接。本发明解决了人们在收割禾本科农作物后把秸秆直接还田作为养料,但秸秆必须经过长时间才会腐烂,这不仅影响了田地的使用,也使田地等待吸收秸秆养分时间过长的问题。

标签:
固废
四川 - 成都 来源:中冶有色网 2023-03-19
用于固体废物处理的炉渣输送装置

本实用新型公开了一种用于固体废物处理的炉渣输送装置,包括输送装置主体,所述输送装置主体的一侧连接有下料口,所述输送装置主体的外侧设置有遮挡机构,所述输送装置主体的一侧安装有电机,所述电机的底部安装有安装座,所述输送装置主体的外侧连接有支撑杆;本实用新型摒弃了原有的使用金属板进行遮挡的方式,改用∩形板进行遮挡,且∩形板安装简便,更换较为方便,加强了对现场操作人员的防护;本实用新型能够通过支撑弹簧提供弹力并确保支撑杆底部连接的稳定,同时在支撑脚损坏并需要更换支撑脚时,操作较为简便,操作者可通过竖直方向拉动凹槽块的方式进行拆卸,达到了易于更换支撑脚的效果。

标签:
固废
四川 - 达州 来源:中冶有色网 2023-03-19
养殖和屠宰固体废弃物高温快速堆肥复合菌剂的制备方法

本发明公开了一种养殖和屠宰固体废弃物高温快速堆肥复合菌剂的制备方法。它是将经过处理的嗜热脂肪地衣芽胞杆菌、嗜热枯草芽孢杆菌、嗜热地衣芽孢杆菌、嗜热浸麻芽孢杆菌、嗜热里氏木霉5种菌相似菌株中的一种,在各自基础培养基中按接种量2.0%,28~37℃,180r/min发酵36小时得到各菌种的发酵原液。5种发酵原液按体积比3:2:1:1:3的比例混合,在(NH4)SO4?2.0~4.0g/L、NaH2PO4?1.5~3.0g/L、pH6.5~7.5,质量百分含量为2.0%的淀粉水溶液中,经28~34℃,36~48h的条件下通气搅拌发酵,直至培养液中微生物含量不低于4.0×108CFU(菌落形成单位)/mL,而得到的。

标签:
固废
四川 - 绵阳 来源:中冶有色网 2023-03-19
固体废弃物无焰焚烧窑

本实用新型公开了一种固体废弃物无焰焚烧窑,窑体下部设有供气通道、点火装置和监控装置;窑体的顶部设有窑盖、排烟管道和喷淋装置,窑盖与窑顶的结合部设置有滑轨,窑盖外设导流水槽并加水密封;窑体上设置有进料出渣自动门。本实用新型的窑结构简单、巧妙,自动化程度高,运行可靠,易操控,一次性进料、出渣,处理规模大,有害物超低排放。

标签:
固废
四川 - 成都 来源:中冶有色网 2023-03-19
有机固体废物的降解设备

本实用新型公开了一种有机固体废物的降解设备,包括方体炉箱、陶瓷加热片、电机、细钢丝刷毛、条形板、碾压室、半球槽、碾压辊、圆柱箱、烧解室、活性炭吸附板、滑落管、网孔板、吸风机、钢管、投料口、出渣方孔、条形滤网、滤尘管道和出气管道。本实用新型设计合理,通过将气体和微粒分别进入出气管道内排出和进入滤尘管道内在自重作用下进入圆柱箱内,从而采用加热高温降解有机物体的方式进行降解,具有对烟尘进行吸附过滤及螺旋环管过滤的功能,且吸附过滤效果好,有利于将灰渣挤压成球块状,避免灰尘颗粒清理扬起的情况,便于清理以备后续铺设使用,通过两个碾压辊上相对的且逐渐对合的半圆槽将灰渣挤压在形成的球型内进而挤压灰渣球块。

标签:
固废
四川 - 成都 来源:中冶有色网 2023-03-19
环保型固体废物焚烧炉的尾气净化装置

本实用新型公开了一种环保型固体废物焚烧炉的尾气净化装置,包括集灰箱和旋风除尘器,所述集灰箱的表面设置有清灰门,所述集灰箱上设置有供所述清灰门定位的定位机构,所述定位机构包括固定块,所述固定块的内部分别开设有滑槽和两组贯穿槽,所述滑槽的内部分别设置有滑条和固定杆,所述滑条的内部开设有供所述固定杆的端部穿过的移动槽,所述固定杆的外壁套设有弹簧;本实用新型通过设计的定位机构,便于对打开的清灰门进行限位,避免了受到外界风的影响或操作人员误碰到清灰门造成清灰门关闭的问题,方便清理粉尘,省事省力,提高了清理效率。

标签:
固废
四川 - 达州 来源:中冶有色网 2023-03-19
固体废物连续自动采样监测装置

本实用新型涉及监测装置技术领域,公开了一种固体废物连续自动采样监测装置,其结构包括平板,所述平板上设置有电极、凹槽、固定板和电动推杆,所述电极通过螺钉与所述平板的上表面固定连接,所述凹槽位于所述平板的右端,所述固定板通过焊接于所述平板上表面的右侧固定连接,所述电动推杆通过螺钉与所述平板的底部固定连接,所述凹槽通过固定轴连接套管,所述套管的右端设置有支撑杆,所述支撑杆上设置有集水槽,所述集水槽的内部设置有滑轨。本实用新型防止了清理电极的污水直接落入到监测装置上,导致检测装置被污染,避免了操作人员在对电极清洗后再对监测装置进行清洗,提高了电极在清洗过程中对监测装置的防护效果。

标签:
固废
四川 - 宜宾 来源:中冶有色网 2023-03-19
用于固体废物焚烧处理的除尘装置

本实用新型公开了一种用于固体废物焚烧处理的除尘装置,包括机体,所述机体外壁设置有进料管,所述进料管端部固定有侧架,所述侧架两端表面均固定有安装套筒,所述安装套筒内侧两端对称贯穿有连接杆,所述连接杆一端设置有纠偏板,所述连接杆另一端之间连接有拉簧;本实用新型通过设计的纠偏板,纠偏板对接管进行推动调整位置,同时也起到支托作用,极大的降低安装人员的劳动强度,使其安装更加便捷,通过设计的拉簧,拉簧对纠偏板提供拉力,使其纠偏板两端的拉扯作用一致,进而牵动纠偏板对接管进行调整位置,使其与侧架上的安装孔对齐,便于安装。

标签:
固废
四川 - 达州 来源:中冶有色网 2023-03-19
用于固体废弃物生产生物有机肥的装置

一种用于固体废弃物生产生物有机肥的装置,其特征在于:包括用于粉碎农作物秸秆的破碎机,用于存储破碎后的秸秆的储料箱,用于秸秆菌种培植的培植罐,用于存储畜禽粪便的储粪罐,储粪罐底部设有出口;用于将秸秆和粪便混合、搅拌的配料罐;配料罐的底部设有出口;包括用于将配料发酵的好氧发酵罐,所述好氧发酵罐入口与配料罐出口连通,所述好氧发酵罐的底部设有出口,还包括与好氧发酵罐连通的造粒机。本实用新型结构简单紧凑,所用部件均为常用部件,成本低;能确保发酵培植符合要求,生产出的有机肥肥力高。

标签:
固废
四川 - 内江 来源:中冶有色网 2023-03-19
固体废弃物的风选装置

本实用新型公开了一种固体废弃物的风选装置,包括风选筒,所述风选筒一侧固定有第三风机,风选筒另一侧开设有排风口,风选筒顶部设有粉碎机外壳,粉碎机外壳内设有粉碎辊,粉碎机外壳顶部设有进料口,所述风选筒顶部设有位于粉碎辊正下方的粉碎出口,所述风选筒底部设有第一出料管和第二出料管,第一出料管内部焊接有第一隔块,第二出料管内部焊接有第二隔块,所述第一隔块正下方设有第一进风管,第二隔块正下方设有第二进风管,所述第一进风管固定连接有第一风机,第二进风管固定连接有第二风机。本实用新型通过第一隔块和第二隔块,使得第一出风管和第二出风管不会被物料堵住,粉碎辊使得物料颗粒较为均匀,避免过大的颗粒进入。

标签:
固废
四川 - 成都 来源:中冶有色网 2023-03-19
固体废物回收焚烧回转窑

本实用新型公开了一种固体废物回收焚烧回转窑,包括窑头罩、窑尾罩、筒体、进料管、排烟口、接料筒、接料口、封口盖、散热铜片、第一圆环、封口筒、进气口、连接管、风机、燃料管、第一密封筒体、第二圆环、第二密封筒体、第三圆环、橡胶密封垫圈、第三密封筒体和橡胶密封夹筒。本实用新型结构合理,通过密封结构的设置可提高筒体两端与窑头罩和窑尾罩的密封效果,通过第三密封筒体、第一密封筒体和第二密封筒体之间形成夹层,延迟封闭路径,通过橡胶密封夹筒进行夹层的封堵密封,同时配合第三圆环两侧的橡胶密封垫圈提高了密封效果;通过第一圆环、封口筒、散热铜片以及接料筒之间可进行热量的集中,避免接料筒表面热量的浪费。

标签:
固废
四川 - 成都 来源:中冶有色网 2023-03-19
便于拆装的固体废物焚烧处理装置

本实用新型公开了一种便于拆装的固体废物焚烧处理装置,包括一次燃烧室,所述一次燃烧室的前表面铰接有防护门,所述一次燃烧室上设置有将防护门紧固的门栓,所述一次燃烧室的顶部设置有和一次燃烧室内部连通的二次燃烧室,且二次燃烧室上设置有和二次燃烧室内部连通的第二凸块,所述一次燃烧室上设置有和一次燃烧室内部连通的管道;本实用新型的有益效果是:通过设计的调节机构,与传统的滤网通过螺丝固定,安装拆卸不便相比,本实用新型有助于实现滤网的快速安装和拆卸,提高了拆卸滤网清洁的效率;通过设计的导向机构,增加了第一凸块和第二凸块连接的导向,减少管道安装时的手扶,使得螺栓穿过螺栓孔将第一凸块和第二凸块固定更快捷。

标签:
固废
四川 - 达州 来源:中冶有色网 2023-03-19
用于固体废物处理的微波馈入装置

本实用新型涉及微波器件领域,是指用于固体废物处理的微波馈入装置,解决了现有技术中微波分布不均匀及互耦严重的问题。本实用新型设置于矩形反应腔外壁,包括连接的微波源和波导,所述波导具有宽边和窄边的矩形波导本体,所述波导本体宽边或窄边为折弯面。本实用新型通过单面折弯的波导,有效解决波阻抗渐变的问题,同时大大减少微波反射;通过将单面折弯波导设置于反应腔壁,在增大微波功率的同时,大幅增加微波在腔体内的分布均匀度,提高微波利用效率;通过设置向对面的单面折弯波导,大大降低互耦,有效降低微波源的温度,提升微波源的使用寿命。

标签:
固废
四川 - 成都 来源:中冶有色网 2023-03-19
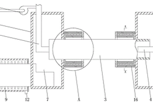
用于处理有机固体废料的节能型热裂解反应釜

本发明公开了一种用于处理有机固体废料的节能型热裂解反应釜,包括反应釜外筒体(14)和反应釜内筒体(20),在反应釜内筒体(20)上设有至少一组U形管构件,该U形管构件包括设置在反应釜内筒体(20)的内腔上部的U形管(25),U形管(25)的两开口端分别与U形管构件的烟气入口管(18)的尾端和U形管构件的烟气出口管(26)的起始端相连接,所述烟气入口管(18)的起始端开口朝向高温烟气的流动方向、且所述U形管构件的烟气出口管(26)的尾端通过旁路与热风通道排烟口(27)相连通。本发明的热裂解反应釜通过U形管构件来利用部分高温烟气直接对釜体内的物料进行加热,不仅增加了换热面积而且提高了能量利用效率。

标签:
固废
四川 - 成都 来源:中冶有色网 2023-03-19
用于微波裂解固体废物的波导组合

本发明涉及微波工业应用领域,指一种用于微波裂解固体废物的波导组合,解决了现有技术中弯曲波导结构造成的不适宜工业应用的问题。本发明弯曲波导包括波导本体、波导弯曲部、微波输入口、微波输出口,所述波导本体与波导弯曲部串联形成导通的波导腔,所述微波输入口连接波导本体另一端,所述弯曲波导为偶数个,所述波导弯曲部的朝向互相垂直设置。本发明通过波导弯曲部朝向互相垂直设置,使偶数个弯曲波导以最节约空间的结构设置,同时保证微波辐射的方向互相垂直,保证微波能量辐射的均匀性,提升微波加热的均匀性;通过设置倒三角开缝,保证微波尽量多的在被加热腔体中均匀辐射。

标签:
固废
四川 - 成都 来源:中冶有色网 2023-03-19
上一页 93 94 95 96 97 ... 104 下一页
共104页    到第

中冶有色为您提供最新的四川有色金属固/危废处置技术理论与应用信息,涵盖发明专利、权利要求、说明书、技术领域、背景技术、实用新型内容及具体实施方式等有色技术内容。打造最具专业性的有色金属技术理论与应用平台!

全国热门有色金属设备推荐
展开更多 +
全国热门有色金属技术推荐
展开更多 +

 

江西省隆恩特环保设备有限公司
宣传

报名参会
更多+

报告下载

有色专家
更多+

武汉工程大学
教授
矿冶科技集团有限公司工程公司
副总经理
任灵宝金源矿业股份有限公司
技术发展部经理
江西省科学院应用化学研究所
副主任/副研究员
矿冶科技集团
中国工程院院士
赤泥综合利用研究报告2025
推广

热门技术
更多+

推荐企业
更多+

福建省金龙稀土股份有限公司
宣传

发布

在线客服

公众号

电话

顶部
咨询电话:
010-88793500-807