青岛垚鑫智能科技有限公司
宣传

位置:中冶有色 >

有色技术频道 >

> 固/危废处置技术

分类:
全部
矿山技术
冶金技术
材料制备及加工技术
环境保护技术
分析检测技术
 
全部
废水处理技术
大气治理技术
固/危废处置技术
土壤修复技术
地区:
全部
北京
天津
上海
重庆
河北
山西
辽宁
吉林
黑龙江
江苏
浙江
安徽
福建
江西
山东
河南
湖北
湖南
广东
海南
四川
贵州
云南
陕西
甘肃
青海
内蒙
广西
西藏
宁夏
新疆
其他
其他
展开
 
全部
成都
自贡
攀枝花
泸州
德阳
绵阳
广元
遂宁
内江
乐山
南充
眉山
宜宾
广安
达州
雅安
巴中
资阳
阿坝藏族羌族自治州
甘孜藏族自治州
凉山彝族自治州

四川有色金属固/危废处置技术理论与应用

免费发布技术信息>>
固废焚烧处理系统
固废焚烧处理系统 772     
 0

本实用新型公开了一种固废焚烧处理系统,属于钻井固废处理技术,主要解决了现有技术中固废处理方式处理不彻底、易造成环境污染等问题。该固废焚烧处理系统包括焚烧装置,设置于焚烧装置上端的送料系统和尾气排放系统,以及与焚烧装置下端连接的卸料系统。本实用新型通过高温焚烧的方式来处理钻井固废,使其得到了充分的处理,如此,既避免了固废处理不彻底的问题,又达到了资源循环利用的效果,同时,经过处理后的尾气排放还避免了大气污染问题,使现有技术存在的问题得到了有效的解决。

标签:
固废
四川 - 达州 来源:中冶有色网 2023-03-19
固废焚烧处理系统及其处理工艺

本发明公开了一种固废焚烧处理系统,属于钻井固废处理技术,主要解决了现有技术中固废处理不彻底、容易造成环境污染的问题。该固废焚烧处理系统包括依次连接的送料系统、焚烧系统和尾气处理系统,在该焚烧系统的下端还设置有与焚烧系统连为一体的卸料系统。本发明还提供了一种上述固废焚烧处理系统的处理工艺,结合上述焚烧处理系统,不仅解决了现有技术中存在的问题,避免了固废处理对环境的污染问题,还实现了废物的二次利用,使本发明具有了很高的实用价值和推广价值。

标签:
固废
四川 - 达州 来源:中冶有色网 2023-03-19
基于深度学习与全局推理的遥感影像多尺度固废检测方法

本发明公开了一种基于深度学习与全局推理的遥感影像多尺度固废检测方法,包括:S1、获取待检测区域的原始遥感影像,并对其进行多尺度裁剪处理,获得各尺度下的影像块集合;S2、通过全局推理多尺度检测模型对各尺度下的影像块集合中的影像进行检测,输出各尺度下的检测框;S3、将输出检测框整合到原始遥感图像对应的大范围影像中,并对其合并,得到对应的固废检测结果。本发明该方法基于SSD模型,在原始的卷积层之间嵌入GloRe单元,使模型在进行多尺度检测时中充分利用影像的全局信息;针对大范围的固废堆场检测任务提出一种多尺度优化策略,提升对尺度差异巨大的固废堆场目标的检测效果,并有效解决完整堆场被滑动窗口切割的问题。

标签:
固废
四川 - 成都 来源:中冶有色网 2023-03-19
利用水基钻井固废制备水泥的方法

本发明公开了一种利用水基钻井固废制备水泥的方法,包括以下步骤:(1)改性脱水,向水基钻井固废中加入非氯化物脱稳剂和固化剂,强制搅拌破乳聚集后,过滤脱水,使水基钻井固废的含水率低于30%;(2)增量混掺,向改性脱水后的水基钻井固废中加入石灰石和砂岩,均匀混合后干燥至含水率低于10%,得到一次生料;(3)复合配料,将一次生料与钙质原料、铁质原料按比例进行配料,得到混合生料;(4)粉磨干燥,将混合生料送入烘干粉磨设备中进行粉磨烘干;(5)煅烧制备,煅烧后即得到水泥熟料。本发明能够利于水基钻井固废制备水泥,解决了现有技术中不能有效处理水基钻井固废的问题,达到了废物利用和保护环境的目的。

标签:
固废
四川 - 德阳 来源:中冶有色网 2023-03-19
全固废基多孔陶瓷吸音材料及其制备方法

本发明一方面提供了全固废基多孔陶瓷吸音材料的制备方法,将固废材料粉碎后与造孔材料和添加剂混合,然后经造粒、素坯成型、烧结以及后加工即得;另一方面提供了上述方法制备而得的全固废基多孔陶瓷吸音材料;本发明所提供的全固废基多孔陶瓷吸音材料,由于完全采用固废材料作为原料,不仅原料的来源广泛,且成本极其低廉,使得成品的市场售价能够控制到几十元每吨,并且,在生产过程中,能够消耗大量的固废材料,变废为宝,绿色环保,此外,按本发明的方法制备出的全固废基多孔陶瓷吸音材料的抗压强度与孔隙率能够很好地相互协调,具有吸音效果好、力学强度高、耐腐蚀、耐候性好的优点,可广泛应用于高速铁路和公路声屏障等吸音降噪的领域。

标签:
固废
四川 - 成都 来源:中冶有色网 2023-03-19
固废热解处理装置
固废热解处理装置 1173     
 0

本实用新型公开了一种固废热解处理装置,涉及废弃物处理技术领域,本装置包括依次连接的高温回转炉、旋风分离器、一级换热器管程、二级冷却器、三相分离器、循环风机、一级换热器壳程、第一加热器和第二加热器,第二加热器出口与高温回转炉连接,本装置还包括出、入口分别与旋风分离器、第一加热炉连通的低温回转炉,本装置设置低、高温回转炉对固废进行热解处理,让固废中的低沸点物质在低温下先热解分离、高沸点物质在高温下热解分离,缩短了固废在高温下的处理时间,避免了固废中高沸点物质在高温下长时间停留而过度热解和结焦,从而提高了固废热解的液体收率。

标签:
固废
四川 - 攀枝花 来源:中冶有色网 2023-03-19
建筑固废制砂用皮带上料机

本实用新型涉及建筑固废制砂技术领域,尤其涉及建筑固废制砂用皮带上料机,解决了现有技术中的上料机功能比较单一,只能进行单纯的上料工作,在上料之前由于固废的体积大小不一,进而造成了上料容易掉落的情况,同时在上料时灰尘大量的灰尘,大大影响了工人的身体健康的问题。建筑固废制砂用皮带上料机,包括底座,底座的顶部一侧固定连接有箱体,且箱体的一侧固定连接有侧板,箱体的外壁一侧通过螺栓固定连接有主电机。本实用新型中提出的方式,通过破碎杆对固废上料输送之前进行破碎,进而可以使得固废更加均匀,避免了较大的固废从传送带掉落情况,同时对固废输送中产生的灰尘进行收集处理,避免了传统中灰尘容易对工人身体造成损坏的问题。

标签:
固废
四川 - 达州 来源:中冶有色网 2023-03-19
水基钻井软质固废资源化处置利用工艺

本发明公开了一种水基钻井软质固废资源化处置利用工艺,包括:将钻井软质固废混合均匀,按重量比0.5%‑1%的比例接种具有降解作用的微生物菌种并混合均匀,再按固废重量的0.5‑2%加入微生物营养剂混合均匀后,与含水量15%‑20%的土壤混合均匀,固废和土壤按重量比的混合比例为1:0.5‑3,将处理混合物堆放好,并在其上栽种植物或播种草种,利用微生物—土壤—植物联合体系进行降解处理钻井软质固废中的有机污染物。本发明能够将钻井作业软质固废中COD、Oil等有效降解去除,将有机污染物一部份降解成简单的无机物,一部份降解为腐殖质,从而使固废中的污染物得到去除,使其达到无害化和资源化利用目的。

标签:
固废
四川 - 成都 来源:中冶有色网 2023-03-19
用于石化固废物的三相焚烧系统

本实用新型公开了一种用于石化固废物的三相焚烧系统,包括焚烧炉,在焚烧炉一次燃烧区的送料口前端设混合装置,所述混合装置连接固废物来料管;在焚烧炉二次燃烧区的二次进风口设PSA吸附装置,二次风经PSA吸附装置后送入焚烧炉二次燃烧区。本实用新型采用混合装置将石化固废物混合均匀后送入焚烧炉,不仅能实现三相固废物的同时焚烧处理,还能通过混合方式提高固废物的焚烧效率,由于三相固废物的成分复杂,在二次燃烧区通入PSA吸附装置制得的富氧,进行充分燃烧,避免一次燃烧区因燃烧不充分而携带CO、NO等污染物进入二次燃烧区,进一步提高焚烧炉的燃烧效率,降低焚烧炉尾气的净化压力。

标签:
固废
四川 - 成都 来源:中冶有色网 2023-03-19
规模化大宗固废超微粉体生产线设备

本实用新型提供一种规模化大宗固废超微粉体生产线设备,包括刀式粗颗粒粉碎机、预冷器Ⅰ、盘式粉碎机、旋风分离器、流化床气流粉碎机、旋风分离器Ⅱ、除尘捕集器、高压引风机、空气压缩机、冷冻干燥机、引风设备、锁风阀和固废加工物管道,所述除尘捕集器在旋风分离器Ⅱ的一端通过固废加工物管道连接;与现有技术相比,本实用新型具有如下的有益效果:它利用外加机械力,使机械力转变成自由能,部分地破坏物质分子间的内聚力达到粉碎的目的就是用机械方法来增加固废表面积,表面积的增加会引起自由能的增加,使粉碎过程达到一种粉碎与结聚的动态平衡,以使粉碎顺利进行,对被粉碎物料自然属性影响小,功效高,使用寿命长。

标签:
固废
四川 - 绵阳 来源:中冶有色网 2023-03-19
利用水基钻井固废制备水泥生料的方法

本发明公开了一种利用水基钻井固废制备水泥生料的方法,包括以下步骤:(1)改性脱水,向水基钻井固废中加入非氯化物脱稳剂和固化剂,强制搅拌破乳聚集后,过滤脱水,使水基钻井固废的含水率低于30%;(2)增量混掺,向改性脱水后的水基钻井固废中加入石灰石和砂岩,均匀混合后干燥至含水率低于10%,即得到生料。本发明能够将水基钻井固废制备成用于制备水泥的水泥生料,解决了现有技术中不能有效处理水基钻井固废的问题,达到了废物利用和保护环境的目的。

标签:
固废
四川 - 德阳 来源:中冶有色网 2023-03-19
利用石料切割固废生产粉煤灰的方法

本发明公开了一种利用石料切割固废生产粉煤灰的方法,生产原料配方包括如下质量比例的各组分:石料切割固废100份,钛精矿酸解渣20~130份,煤矸石8~12份,炉渣2~8份。其优点是:1)提供了一种新的石料切割固废回收利用途径;2)所制得的粉煤灰产品完全符合国家法定检测标准的混凝土掺和材料二级粉煤灰质量标准,实现石料切割固废的资源化利用,更重要的是彻底解决了石料切割固废对环境的污染问题;3)实验表明本发明的粉煤灰产品用作混凝土掺和料能够延长混凝土凝结时间。

标签:
固废
四川 - 泸州 来源:中冶有色网 2023-03-19
固废污染物处理系统
固废污染物处理系统 958     
 0

本发明公开了一种固废污染物处理系统,属于固废污染物处理及回收利用技术领域。固废污染物处理系统包括:解析炉体,分别与所述解析炉体的炉体入口和炉体出口连接的进料螺旋挤压机和出料螺旋挤压机,与所述解析炉体的集气口连接的集气管线,安装于所述集气管线上的冷凝器以及与所述集气管线连接的油水气分离器;所述解析炉体包括物料输送机和电热管组,所述物料输送机的运动始端和运动末端分别与所述炉体入口和所述炉体出口相对,所述电热管组安装于所述物料输送机上。本发明能够处理多种固废物,应用范围广、适应性强,并且处理过程中对环境没有二次污染,为无害化处理。

标签:
固废
四川 - 遂宁 来源:中冶有色网 2023-03-19
含重金属、钠盐及铵盐的固废资源化利用的方法

本发明公开了一种含重金属、钠盐及铵盐的固废资源化利用的方法,属于冶金化工技术领域。含重金属、钠盐及铵盐的固废资源化利用的方法包括如下步骤:a.破碎、球磨、溶解,还原剂除杂;b.还原、加碱中和,回收重金属和非金属物;c.降温结晶,过滤后溶解结晶,降温进行二次结晶,得到高纯Na2SO4·10H2O。本发明工艺简单,且运行过程中的能量与物质均进行了循环利用和回收,采用较低成本即对含重金属、钠盐及铵盐的固废进行了高效的资源化利用,回收的Na2SO4·10H2O纯度≥98%,有效解决了现有技术回收处理含重金属、钠盐及铵盐的固废的回收物品质较低的问题。

标签:
固废
四川 - 攀枝花 来源:中冶有色网 2023-03-19
可直接填埋固废的固化稳定化处理设备

本实用新型涉及固废处理技术领域,公开了一种可直接填埋固废的固化稳定化处理设备,包括底板,所述底板顶部左右两部均竖直向上固定连接与支撑板,两块所述支撑板上部均与同一个绞碎筒固定连接,绞碎筒底部中间位置竖直向下固定连通有导料管,导料管下端部与输送筒上部左侧固定连通。本实用新型通过将固废投放在绞碎筒内,驱动电机通过皮带轮和皮带带动两个绞碎刀辊旋转进行绞碎固废,此时固废颗粒通过导料管进入到输送筒内,输送筒左侧的伺服电机工作带动螺旋输送辊进行旋转输送固废颗粒,并从输送筒内排出,然后固废内的液体在输送筒倾斜的作用下流向排液管排出,这种简单的结构保证排出的固废不会掺杂大量的水分造成运载转运压力大的问题。

标签:
固废
四川 - 宜宾 来源:中冶有色网 2023-03-19
含油固废物综合处理工艺及装置

本发明公开了一种含油固废物综合处理工艺及装置,涉及含油固废物处理技术领域,含油固废物综合处理工艺是:首先,将含油固废物混液后加热、搅动至熔化,泵入加压过滤机,同时通过加药喷嘴加入萃取剂,使含油固废物中的油、水、泥发生化学分解;其次,过滤得到的粗砂直接排出;得到的油污泥混合液泵入高速离心机,分离得到污泥、油水,以及气态的萃取剂;再次,污泥排出处理,气态的萃取剂增压成液态再回收循环使用,油水进入轻重油分离罐进行加热并旋转分离,得到重油、轻油和水;最后,重油直接回收,轻油和水排出后进行沉淀分离,轻油作为系统动力介质。含油固废物综合处理装置用于实施上述工艺,实现了含油固废物的无害化处理。

标签:
固废
四川 - 南充 来源:中冶有色网 2023-03-19
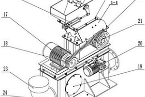
建筑固废用回收装置
建筑固废用回收装置 821     
 0

本实用新型公开了一种建筑固废用回收装置,包括箱体,所述箱体的右侧固定连接有第一电机,所述箱体左侧的前侧和后侧均贯穿设置有第一转动轴并与第一转动轴活动连接。本实用新型通过设置第一转动轴、第一齿轮、粉碎辊、第一电机、斜板、第二转动轴、碾碎辊、导板、挡板、滤筛、电动伸缩杆、第一支撑板、固定块、滑槽的配合使用,具备能够进行二次粉碎,能够对固废中金属物质进行筛分的优点,解决了现有的建筑固废物回收装置,在对固废物进行粉碎时,都是一次粉碎,并不能对固废物粉碎彻底,影响对固废物的回收效果,建筑固废物都含有金属类物质,在回收使不能够对金属物质进行筛分,造成资源浪费的问题。

标签:
固废
四川 - 德阳 来源:中冶有色网 2023-03-19
固废处理用输料装置
固废处理用输料装置 1075     
 0

本实用新型公开了一种固废处理用输料装置,涉及固废处理技术领域,包括箱体,所述箱体的一侧面设有固定架,所述固定架的上方设有输送电机,所述箱体的内部设有螺旋叶片,所述箱体顶面的一端设有粉碎机构,所述箱体顶面的中心设有除湿箱。该固废处理用输料装置,通过设置粉碎箱,在粉碎器和粉碎刀的配合作用下,可以在锥形进料管中对固废进行粉碎,从而有效的避免体积不一的固废进入箱体中堵塞螺旋叶片,解决了现有固废处理用输送装置容易堵塞的问题,通过设置除湿箱,在风机和热电偶的配合作用下,对箱体内的固废进行预热除湿,有效的避免潮湿的固废进入焚烧炉降低焚烧效率,解决了现有固废处理用输送装置不能对固废进行预热除湿的问题。

标签:
固废
四川 - 南充 来源:中冶有色网 2023-03-19
有机固废处理装置及方法

本发明公开了有机固废处理装置,在反应仓内底面上设有主风道以及多个分支风道,各分支风道均与主风道连通;各分支风道的底部设有集水池、各分支风道的顶部敞口端覆盖有隔板,隔板上开设若干通孔,隔板上用于堆积有机固废。采用上述有机固废处理装置处理有机固废的方法:将有机固废堆积在隔板上;调节有机固废的含水率;通入高压空气、依次经主风道、各分支风道后,从隔板上的通孔排出与隔板上的有机固废接触进行分解反应,反应过程中产生的污水经通孔进入集水池收集。本发明利于实现有机固废降解需氧量的均匀供给,满足好氧微生物繁殖需要的氧含量,达到快速、全面降解有机固废,消除臭味,回收废水循环利用。

标签:
固废
四川 - 成都 来源:中冶有色网 2023-03-19
转炉冶炼固废钢渣热泼法处理系统及处理方法

本发明涉及一种转炉冶炼固废钢渣热泼法处理系统及处理方法,包括支撑架、储水箱、除热装置和运输装置,所述的支撑架上端通过支撑柱安装有储水箱,储水箱下端通过波纹管连接有除热装置。本发明可以解决现有的设备在针对转炉冶炼固废钢渣进行除热时,不能对固废钢渣进行少数多次的除热处理,易出现由于固废钢渣过多导致固废钢渣除热不完全的现象,从而降低了固废钢渣的除热效率,同时,不能通过清水对固废钢渣进行除热处理,从而降低固废钢渣除热的效率,并且,在对固废钢渣除热时不能将固废钢渣进行分散,从而降低了固废钢渣与清水的接触面积,降低了固废钢渣的扇热空间,降低了固废钢渣的扇热效果等问题。

标签:
固废
四川 - 绵阳 来源:中冶有色网 2023-03-19
水基钻井液体系固废资源化处置利用工艺

本发明公开了一种水基钻井液体系固废资源化处置利用工艺,包括:将聚合物钻井液体系钻井固废混合均匀,按重量比0.1%‑0.3%的比例接种具有降解作用的微生物菌种并混合均匀,再与含水量15%‑20%的土壤混合均匀,钻井固废和土壤按重量比的混合比例为1:0.2~0.5,将处理混合物堆放好,利用微生物—土壤联合体系进行降解处理钻井固废中的有机聚合物。本发明实现了钻井固废的生物修复处理,处理物可作为完井井场复耕用土,实现资源化处置利用,进而实现钻井不同类别水基固废的处置资源化利用。

标签:
固废
四川 - 成都 来源:中冶有色网 2023-03-19
含油固废物综合处理装置

本实用新型公开了一种含油固废物综合处理工艺及装置,涉及含油固废物处理技术领域,含油固废物综合处理工艺是:首先,将含油固废物混液后加热、搅动至熔化,泵入加压过滤机,同时通过加药喷嘴加入萃取剂,使含油固废物中的油、水、泥发生化学分解;其次,过滤得到的粗砂直接排出;得到的油污泥混合液泵入高速离心机,分离得到污泥、油水,以及气态的萃取剂;再次,污泥排出处理,气态的萃取剂增压成液态再回收循环使用,油水进入轻重油分离罐进行加热并旋转分离,得到重油、轻油和水;最后,重油直接回收,轻油和水排出后进行沉淀分离,轻油作为系统动力介质。含油固废物综合处理装置用于实施上述工艺,实现了含油固废物的无害化处理。

标签:
固废
四川 - 南充 来源:中冶有色网 2023-03-19
固废物及生活垃圾管道运输锤切式破碎装置及其使用方法

本发明提供一种固废物及生活垃圾管道运输锤切式破碎装置及其使用方法,包括落料装置、破碎装置和除铁收集装置,落料装置包括外置气缸和同轴落料控制双板,破碎装置内部装有转轴,转轴上固装有若干个锤头和捻轮,破碎装置内部下方设置有呈弧形的落料孔板,落料孔板的下方设置有两片相对应的落料板,除铁收集装置包括磁辊除铁器和挡铁器斜板,在磁辊除铁器的下方设置有天方地圆接口,天方地圆接口依次连接连接管、伸缩节和主管道,在整套设备下方设置有若干个脚垫减震器。设备结构合理,使用操作方便,便于检查,提高了破碎效率,减小了破碎动耗,能对垃圾实现综合破碎,对石块、木头、铁器等大块废弃物进行破碎分解等综合处理。

标签:
固废
四川 - 成都 来源:中冶有色网 2023-03-19
固体废物焚烧锅炉受热面管夹管结构

本实用新型公开了一种固体废物焚烧锅炉受热面管夹管结构,包括屏式过热器和管夹管,所述屏式过热器由多根呈U型状的管子组成;所述管夹管共三根,分别为第一管夹管、第二管夹管和第三管夹管;第一管夹管和第二管夹管呈双U型结构设置在屏式过热器外侧;第一管夹管和第二管夹管最下端分别设置在屏式过热器中各管子的前后两端,且采用具有导热性能的第一固定部件将屏式过热器的各管子进行夹持固定;第三管夹管绕着屏式过热器中最内侧的管子呈U型设置,且第三管夹管的两端采用具有导热性能的第二固定部件固定连接;第三管夹管的下部也被第一管夹管和第二管夹管夹持;本实用新型,使用寿命长,维护简便,维护成本低廉。

标签:
固废
四川 - 自贡 来源:中冶有色网 2023-03-19
固体危险废物镍、镉精制用多级抽滤装置

本实用新型提供了一种固体危险废物镍、镉精制用多级抽滤装置,目的是解决现有技术方案易堵塞滤布,以及洗液用量大使滤饼二次滤干用时较长而导致的处理效率低的技术问题。该抽滤装置包括若干叠设嵌于壳体内的筒体。筒体内由上到下依次设有喷淋环管、滤托、滤布和缩口部,缩口部径向投影的筒体侧壁处开设有与真空泵相连通的抽气孔。其中,滤布孔径随该滤布所处垂直位置的降低而变小。本实用新型对浆料进行多级抽滤,逐层分离浆料内不同粒径的颗粒,有利于避免堵塞滤布,提高抽滤效率。同时,通过各筒体内设置的喷淋环管,以喷淋方式对抽滤后的各滤饼进行清洗,有利于减少洗液用量,缩短滤饼再次滤干的时长。

标签:
固废
四川 - 广元 来源:中冶有色网 2023-03-19
一体化固体废料及生物质燃料的生产装置

本实用新型公开了一种一体化固体废料及生物质燃料的生产装置,包括机体,所述机体的上方设置生物破壁机和控制面板,生物破壁机的上方开设进料管,生物破壁机的下方连接发酵槽,发酵槽的下方连接出料管,机体的内部设置工位槽,机体的下方分别安装四个万向轮。生物破壁机下方的工位槽内设置压滤机,压滤机下方通过输料管道连接造粒器;造粒器包括支架、滚筒、履带、电机、进料口和出料口,滚筒安装在支架上,支架的侧端连接电机,滚筒的两端分别设置进料口和出料口,进料口通过活动轴与滚筒连接,滚筒端的活动轴上套接履带,履带另一端包覆电机的输出轴,造粒器的侧端设置干燥箱。

标签:
固废
四川 - 成都 来源:中冶有色网 2023-03-19
固体废物焚烧飞灰预处理装置

本实用新型涉及飞灰预处理技术领域,公开了一种固体废物焚烧飞灰预处理装置,包括处理箱;所述处理箱底部设有水箱,所述水箱内侧上方前后两端安装有托架,所述托架上方放置有过滤板,所述过滤板右端且位于水箱右侧安装有安装板,所述安装板上下两侧插入有螺栓,所述水箱右侧且位于过滤板上下两侧开设有螺孔,所述螺栓末端位于螺孔内旋转固定,所过滤板内安装有滤网。本实用新型通过滤网可使冲洗液过滤后再次落回水箱完成循环使用,从而起到教好的节能环保效果,而通过螺栓旋转使其位于螺孔内拆卸,此时过滤板即可位于水箱内抽出完成拆卸,通过拆卸可使滤板的清理维护更为便捷,且拆卸方式简单便捷,省时省力。

标签:
固废
四川 - 宜宾 来源:中冶有色网 2023-03-19
环保固体废物处置用二噁英吸附装置

本实用新型公开了一种环保固体废物处置用二噁英吸附装置,包括吸附装置主体,所述吸附装置主体的两端侧面均焊接固定有卡板槽,所述卡板槽的内表面开设有卡槽,所述吸附装置主体的两端均设置有连接头,所述连接头的端部一体式成型有卡板块,所述卡板块的一侧紧压连接有橡胶垫,所述卡板块的两侧均开设有凹槽;通过在连接头的端部设计卡板块和在吸附装置主体的两侧侧面设计卡板槽,避免吸附装置两端的连接头与装置为一体式结构,在使用时内部损坏不便于将连接头拆卸进行检查维修,在使用一段时间内部损坏进行检查维修时,可以通过弹簧在凹槽的内部发生弹性形变的作用将卡头与卡槽脱离,此时再次通过卡板块的端部在卡板槽的内部滑动将连接头拆卸。

标签:
固废
四川 - 达州 来源:中冶有色网 2023-03-19
用于固体废玻璃再利用的破碎除杂处理装置

本实用新型公开了一种用于固体废玻璃再利用的破碎除杂处理装置,包括机架进料仓、破碎仓和除杂仓;破碎仓的底部设置有出料斗且出料斗一侧连接有螺旋输送装置;螺旋输送装置的出料口位于除杂仓进料口上方;破碎仓内设置有破碎机构;破碎机构包括有两根轴向并行设置且转动方向相反的破碎辊子;破碎辊子表面上还设置有破碎钢棒;除杂仓包括壳体和磁铁片;壳体为与机架转动连接的卧式棱柱形盒体;壳体的棱条上设置有筛孔且内壁活动连接有磁铁片;除杂仓的进料口上设置有密封盖;本实用新型采取的技术方案解决了现有的破碎装置不仅破碎效率低且由于功能单一难以对破碎后的碎玻璃进行筛选分拣导致影响后续处理加工效率的问题。

标签:
固废
四川 - 遂宁 来源:中冶有色网 2023-03-19
印染用废水源头固体物拦截装置

新型公开了一种印染用废水源头固体物拦截装置,包括桶体,且桶体的顶部上活动连接有盖板,所述盖板的顶部上靠近后侧处固定连接有进水管,且盖板的顶部靠近左右两侧处分别固定连接有拉手,所述盖板的底部靠近左右两侧处分别固定连接有竖板,且两个竖板之间从上往下依次固定连接有滑杆和过滤板,所述过滤板上开设有若干个均匀分布的通孔,所述滑杆上从左往右依次套设有两个活动环,且两个活动环的顶部之间固定连接有U形杆,U形杆的左右两侧侧壁上分别固定连接有压缩弹簧和电动伸缩杆,本实用新型通过一系列的结构使得本装置具有拦截效率高和不易堵塞等特点。

标签:
固废
四川 - 达州 来源:中冶有色网 2023-03-19
上一页 92 93 94 95 96 ... 104 下一页
共104页    到第

中冶有色为您提供最新的四川有色金属固/危废处置技术理论与应用信息,涵盖发明专利、权利要求、说明书、技术领域、背景技术、实用新型内容及具体实施方式等有色技术内容。打造最具专业性的有色金属技术理论与应用平台!

全国热门有色金属设备推荐
展开更多 +
全国热门有色金属技术推荐
展开更多 +

 

江西省隆恩特环保设备有限公司
宣传

报名参会
更多+

报告下载

有色专家
更多+

中南大学
常务副校长
长沙矿冶研究院
总经理
洛阳有色矿业集团有限公司
生产技术部经理
石家庄铁道大学
团委书记/副教授
西北有色金属研究院、中国工程院
院士
赤泥综合利用研究报告2025
推广

热门技术
更多+

推荐企业
更多+

福建省金龙稀土股份有限公司
宣传

发布

在线客服

公众号

电话

顶部
咨询电话:
010-88793500-807