青岛垚鑫智能科技有限公司
宣传

位置:中冶有色 >

有色技术频道 >

分类:
全部
矿山技术
冶金技术
材料制备及加工技术
环境保护技术
分析检测技术
地区:
全部
北京
天津
上海
重庆
河北
山西
辽宁
吉林
黑龙江
江苏
浙江
安徽
福建
江西
山东
河南
湖北
湖南
广东
海南
四川
贵州
云南
陕西
甘肃
青海
内蒙
广西
西藏
宁夏
新疆
其他
其他
展开
 
全部
其他

其他其他有色金属理论与应用

免费发布技术信息>>
玻璃制品
玻璃制品 849     
 0

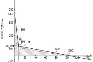
本申请涉及包含硅铝酸锂(“LAS”)的玻璃制品,所述玻璃制品包括第一表面、与所述第一表面相对的第二表面、从所述第一表面延伸至第一压缩深度的第一压缩区、从所述第二表面延伸至第二压缩深度的第二压缩区、以及设置在所述第一压缩深度与所述第二压缩深度之间的拉伸区,其中所述第一压缩区中的应力分布包括在所述第一表面与第一转变点之间提供的第一段和在所述第一转变点与所述第一压缩深度之间提供的第二段,并且其中所述第一转变点处的应力与所述第一表面处的应力的比率为0.22至0.47。

标签:
加工技术
其他 - 其他 来源:中冶有色网 2023-03-19
金属混合溶液的制造方法以及混合金属盐的制造方法

一种制造包含钴离子及镍离子中的至少一种和锰离子的金属混合溶液的方法,其包括:Al除去工序,在该Al除去工序中,针对将锂离子电池废弃物的电池粉供给至浸出工序所得到的至少包含钴离子及镍离子中的至少一种、锰离子和铝离子的酸性溶液,将所述酸性溶液中的锰离子的至少一部分残留于水相,同时将铝离子萃取至溶剂而除去;以及金属萃取工序,在该金属萃取工序中,针对通过所述Al除去工序所得到的萃取残液,使用包含羧酸系萃取剂的溶剂使平衡pH为6.5~7.5,将萃取残液中的钴离子及镍离子中的至少一种和锰离子萃取至该溶剂,之后从该溶剂反萃取钴离子及镍离子中的至少一种和锰离子。

标签:
加工技术
其他 - 其他 来源:中冶有色网 2023-03-19
化学强化用玻璃及化学强化玻璃

本发明的目的在于提供具有高的强度、破裂时的碎片的飞散少的化学强化玻璃以及对制作该化学强化玻璃有用的化学强化用玻璃。本发明涉及一种化学强化用玻璃,由液相温度TL为温度T4以下的锂铝硅酸盐玻璃构成,所述温度T4是粘度达到104dPa·s的温度,假想温度为比玻璃化转变温度Tg低30℃的温度~比所述Tg高25℃的温度。

标签:
加工技术
其他 - 其他 来源:中冶有色网 2023-03-19
非水电解质二次电池用正极活性物质和非水电解质二次电池

一种非水电解质二次电池用正极活性物质,其包含:含有相对于除Li之外的金属元素的总摩尔数为80摩尔%以上的Ni的锂过渡金属复合氧化物,至少在该复合氧化物的颗粒表面存在有B。将粒径大于体积基准的70%粒径(D70)的颗粒作为第1颗粒、将粒径小于体积基准的30%粒径(D30)的颗粒作为第2颗粒时,第2颗粒中的B相对于除Li之外的金属元素的总摩尔数的摩尔分数大于第1颗粒中的B相对于除Li之外的金属元素的总摩尔数的摩尔分数。

标签:
加工技术
其他 - 其他 来源:中冶有色网 2023-03-19
具有改进的收缩率和强度的无机纤维

本发明提供了含有二氧化硅和氧化镁作为主要纤维组分的无机纤维,并且还包括预期添加的氧化锂以改进纤维的热稳定性。所述无机纤维显示在1260℃和更高的温度下的良好的热性能、低线性收缩率,在暴露于使用温度后保持机械完整性,并且在生理性流体中显示低的生物持久性。还提供由多种无机纤维制备的热绝缘产品形式、制备无机纤维的方法和使用由多种无机纤维制备的热绝缘物使制品热绝缘的方法。

标签:
加工技术
其他 - 其他 来源:中冶有色网 2023-03-19
硫化物固体电解质及其制造方法

本发明的目的在于,提供粒径小、比表面积低的硫化物固体电解质、使用了该硫化物固体电解质的电极合剂、浆料和电池、以及该硫化物固体电解质的制造方法,提供一种硫化物固体电解质,其含有锂(Li)元素、磷(P)元素和硫(S)元素,中值粒径D50为0.10μm以上且2.0μm以下,下述式:(A×B)/C[式中,A表示BET比表面积(m2/g),B表示真密度(g/cm3),C表示CS值(m2/cm3)。]的值为1.0以上且2.5以下。

标签:
加工技术
其他 - 其他 来源:中冶有色网 2023-03-19
固体电解质
固体电解质 988     
 0

涉及含有锂、磷、硫和卤素的硫化物系的固体电解质,作为可以抑制硫化氢的产生、可以确保离子传导性的新型固体电解质,提出一种固体电解质,其特征在于,其含有Li7‑aPS6‑aHaa(Ha表示卤素,a为0.2<a≤1.8)和Li3PS4,所述Li7‑aPS6‑aHaa由硫银锗矿型晶体结构形成,在利用X射线衍射法(XRD)测定得到的X射线衍射图案中,源自Li3PS4的在衍射角2θ=26.0~28.8°的位置出现的峰的强度相对于源自前述硫银锗矿型晶体结构的在衍射角2θ=24.9~26.3°的位置出现的峰的强度的比率为0.04~0.3。

标签:
加工技术
其他 - 其他 来源:中冶有色网 2023-03-19
保护电路
保护电路 997     
 0

本发明的课题在于以更简单的构成实现保护电池组免受过量充电与过热影响的保护电路及电池包。本发明提供一种保护电路,其保护锂离子电池等二次电池的电池包免受过量充电与过热影响,且具备:电池组,其由1个以上的二次电池的单体连接而成;信号控制部,其根据单体或电池组的电压输出控制信号;第一开关元件及第二开关元件,其等并联连接于电池组与外部端子之间的电流电路,且接收来自信号控制部的信号从而进行接通/断开控制;以及保护元件,其内置保险丝组件与热敏电阻器,保险丝组件与放电电路并联连接,且热敏电阻器的动作由连接于信号控制部的第三开关元件控制。

标签:
加工技术
其他 - 其他 来源:中冶有色网 2023-03-19
镍复合氢氧化物、以镍复合氢氧化物作为前体的正极活性物质

本发明提供对锂化合物的反应性优异的镍复合氢氧化物和将该镍复合氢氧化物作为前体的正极活性物质。针对该镍复合氢氧化物,在利用氮吸附法进行细孔分布测定时,细孔的平均直径为50埃以上60埃以下,在使用CuKα射线的X射线粉末衍射中,出现在2θ=51.9±1.0°的范围的衍射峰/出现在2θ=19.1±1.0°的范围的衍射峰的积分强度比为0.40以上0.50以下。

标签:
加工技术
其他 - 其他 来源:中冶有色网 2023-03-19
二次电池用电极及二次电池

本发明的目的在于得到二次电池用电极,其能够以少量的导电助剂实现高输出功率、及长寿命的二次电池。本发明为二次电池用电极,其具有包含石墨烯和二次电池用活性物质粒子的合剂层,所述二次电池用活性物质粒子至少包含锂和镍,利用下述方法确定的、该二次电池用电极的截面中的导电材料部分的平均长径比为2.0以上。导电材料部分的确定方法:(1)利用扫描扩展电阻显微镜法,取得合剂层部分的扩展电阻值。(2)将上述扩展电阻值的全部数据数设为N时,使扩展电阻值按从小到大的顺序重新排列,将第0.1N个(0.1N的小数点以后舍去)的扩展电阻值设为R,以0.7R作为阈值,对扩展电阻值的二维数据进行二值化处理,在得到的二值化图像中,将具有0.7R以下的电阻值的部分作为导电材料部分。

标签:
加工技术
其他 - 其他 来源:中冶有色网 2023-03-19
电池隔板、带涂层的电池隔板、电池及相关方法

公开了新的或改进的微孔单层、双层、三层或多层膜、隔板膜、隔板或带涂层的隔板。膜优选由至少一种树脂或聚合物和至少一种添加剂组成。添加剂可以包含至少一种材料,其改善微孔膜对涂层(包括含聚芳酰胺的涂层和PCS涂层)或者对不同的材料(比如金属表面,包括电极表面)的粘附力。粘附力的改善是基于与不含至少一种添加剂的类似微孔膜的比较。在一些优选实施方式中,至少一种添加剂可以包含下列、由或基本上由下列组成:官能化的聚合物或官能化的聚合物和弹性体的组合。在一些实施方式中,官能化的聚合物的官能团可以是马来酸酐(MAH)。还公开了电池隔板或带涂层的隔板,其包含新的或改进的微孔膜。电池隔板可包括涂覆有含聚芳酰胺的涂层的微孔膜。还公开了新的或改进的隔板、复合体、电池、二次锂离子电池和/或包含该隔板、复合体或电池的车辆或装置。

标签:
加工技术
其他 - 其他 来源:中冶有色网 2023-03-19
固体电解质和使用它的电池

本公开提供具有高的锂离子传导性的固体电解质。本公开的固体电解质包含Li、M和X。M包含选自Gd、Tb和Sm中的至少一种元素。X是选自Cl、Br和I中的至少一种元素。

标签:
加工技术
其他 - 其他 来源:中冶有色网 2023-03-19
包括微孔膜和涂层的电池隔板

本文公开了包括微孔膜和涂层的电池隔板。所述涂层可包含聚合物组分、无机组分或其组合、由或实质上由聚合物组分、无机组分或其组合组成。与一些现有技术的电池隔板相比,本文所述的电池隔板尤其更薄、更坚固且更易被电解质润湿。电池隔板可用于二次电池或可充电电池,包括锂离子电池。电池可用于车辆或设备,例如手机、平板电脑、笔记本电脑和电动汽车。

标签:
加工技术
其他 - 其他 来源:中冶有色网 2023-03-19
正极活性物质的制造方法、窑、加热炉

本发明的一个方式提供一种高生产率正极活性物质的制造方法。另外,提供一种可高生产率地制造正极活性物质的制造装置。提供一种包含锂、过渡金属、氧及氟的正极活性物质的制造方法,其中在被处理物的加热期间包括抑制粘合工序。作为抑制粘合工序,有在加热期间通过使炉旋转而进行的搅拌、在加热期间通过使装有被处理物的容器振动而进行的搅拌以及在多个加热工序之间进行的研碎等。通过使用这些制造方法,可以制造表层部的添加物的分布良好的正极活性物质。

标签:
加工技术
其他 - 其他 来源:中冶有色网 2023-03-19
导电性碳材料分散液
导电性碳材料分散液 980     
 0

下述导电性碳材料分散液适于在锂离子二次电池等储能器件的电极集电体上所形成的底涂层的制作,该导电性碳材料分散液包含导电性碳材料、阳离子性分散剂和溶剂,不含阴离子性化合物,阳离子性分散剂例如为双氰胺/二亚乙基三胺缩合物、聚乙撑亚胺等不具有阴离子性官能团的阳离子性聚合物。

标签:
加工技术
其他 - 其他 来源:中冶有色网 2023-03-19
磁存储装置
磁存储装置 1207     
 0

实施方式提供包括磁阻效应元件的磁存储装置,所述磁阻效应元件设有具有优异特性的隧道势垒层。实施方式涉及的磁存储装置包括层叠构造(10),所述层叠构造具备具有可变的磁化方向的第1磁性层(11)、具有固定了的磁化方向的第2磁性层(12)以及设在所述第1磁性层与所述第2磁性层之间且含有镁(Mg)以及氧(O)的非磁性层(13),所述非磁性层还含有从氟(F)、硫(S)、氢(H)以及锂(Li)选择的添加元素。

标签:
加工技术
其他 - 其他 来源:中冶有色网 2023-03-19
非水电解质二次电池用负极活性物质及非水电解质二次电池、以及非水电解质二次电池用负极材料的制造方法

本发明是一种非水电解质二次电池用负极活性物质,其具有负极活性物质颗粒,所述负极活性物质颗粒含有硅化合物SiOx,其中,0.5≤x≤1.6,并且,所述硅化合物包含锂化合物,所述非水电解质二次电池用负极活性物质的特征在于,硅化合物的表面的至少一部分被碳被膜覆盖,硅化合物的表面的至少一部分或是碳被膜的表面的至少一部分、或这双方的至少一部分,被复合层覆盖,所述复合层包含由非晶质的金属氧化物和金属氢氧化物所构成的复合物。由此,提供一种非水电解质二次电池用负极活性物质,其对于水系浆料的稳定性高、高容量,并且循环特性和初次效率良好。

标签:
加工技术
其他 - 其他 来源:中冶有色网 2023-03-19
氟化嵌段共聚物及其应用

本发明涉及包含交替的硬嵌段和软嵌段的氟化嵌段共聚物,其中所述硬嵌段和软嵌段二者都包含偏二氟乙烯(VDF)。本发明进一步涉及所述嵌段共聚物在锂电池应用中的用途。

标签:
加工技术
其他 - 其他 来源:中冶有色网 2023-03-19
负极活性物质材料
负极活性物质材料 1011     
 0

本发明涉及负极活性物质材料。提供可以改善以锂离子二次电池为代表的非水电解质二次电池的单位体积的容量和充放电循环特性的负极活性物质材料。本实施方式的负极活性物质材料含有合金相。合金相在释放金属离子时或吸收金属离子时发生热弹性型无扩散相变。本实施方式的负极活性物质材料可以用于非水电解质二次电池。热弹性型无扩散相变的含义为所谓的热弹性型马氏体相变。

标签:
加工技术
其他 - 其他 来源:中冶有色网 2023-03-19
具有吸收氢的材料的电化学固体电池

具有吸收氢的材料的电化学固体电池。本发明涉及一种电化学固体电池(1),包括至少一个负电极(21)、至少一个正电极(22)和至少一种固体电解质(15),其中所述至少一个负电极(21)包括至少一个集流器(31)和至少一种活性材料(41),所述活性材料包含元素锂;所述至少一种正电极(22)包括至少一个集流器(32)和至少一种活性材料(42);所述至少一种固体电解质(15)布置在所述至少一个负电极(21)与所述至少一个正电极(22)之间;以及所述电化学固体电池(1)此外包含至少一种吸收氢的材料(82)。本发明的主题也是一种用于制造电化学固体电池(1)的方法以及其应用。

标签:
加工技术
其他 - 其他 来源:中冶有色网 2023-03-19
具有受控的透射率曲线和高氧化铁含量的β-石英玻璃陶瓷、包含其的制品和前体玻璃

本申请涉及具有受控的透射率曲线和高氧化铁含量的β‑石英玻璃陶瓷、包含其的制品和前体玻璃。β‑石英铝硅酸锂(LAS)玻璃不含有氧化砷或氧化锑,使用氧化锡澄清并包含氧化钒、氧化铬和高氧化铁含量(大于950ppm),且具有受控的透射率曲线。可由这类玻璃陶瓷制备的诸如炉灶面的制品。

标签:
加工技术
其他 - 其他 来源:中冶有色网 2023-03-19
易收纳组合式无线枪形仿真游戏手柄

本发明公开了一种易收纳组合式无线枪形仿真游戏手柄,包括枪形主体、后坐力模仿装置、枪管装置、换弹装置、瞄准装置以及控制器,枪形主体上设置有枪栓、第一距离传感器、第二距离感应器、扳机以及旋转开关;旋转开关包括转轮、圆形支架、标识识别设备、位置标识;后坐力模仿装置包括设置在枪托内的电动缸、支撑板、一对导向杆以及张紧弹簧;枪形主体、枪管装置相互连接;换弹装置包括压板、压力传感器、锂电池以及第二按钮;其结构合理,具有结构简单、使用方便、不限制玩家活动范围、参与感强、智能化程度高等优点,有效解决传统枪形游戏手柄不易于收纳的问题。

标签:
加工技术
其他 - 其他 来源:中冶有色网 2023-03-19
碳化蘑菇电极和方法
碳化蘑菇电极和方法 1187     
 0

展示一种碳化蘑菇组织电极材料和方法。在一个例子中,碳化蘑菇组织用作如锂离子电池的电池中的电极。一种电池,包括:第一电极,包含来自蘑菇的碳化组织;第二电极;和与所述第一电极和所述第二电极两个接触的电解质。

标签:
加工技术
其他 - 其他 来源:中冶有色网 2023-03-19
适用于糖转化成乳酸和2-羟基-3-丁烯酸或其酯的金属-硅酸盐材料

本发明提供了一种用于在金属‑硅酸盐材料、金属离子和溶剂的存在下从糖制备乳酸和2‑羟基‑3‑丁烯酸或其酯的方法,其中金属离子选自钾离子、钠离子、锂离子、铷离子和铯离子中的一种或多种。

标签:
加工技术
其他 - 其他 来源:中冶有色网 2023-03-19
正极活性物质、正极材料、正极及非水电解质二次电池

本发明涉及正极活性物质、正极材料、正极及非水电解质二次电池。[课题]提供一种在非水电解质二次电池中能够抑制长期使用时的容量下降、提高功率特性的手段。[解决手段]一种非水电解质二次电池用正极活性物质,其特征在于,以镍作为主要成分的锂复合氧化物的二次颗粒的真密度/振实密度为1.6~2.3的范围,在前述二次颗粒内,比该二次颗粒的D50的颗粒半径R的R/2[μm]更中心侧的平均孔隙率大于比该二次颗粒的D50的颗粒半径R的R/2[μm]更表面侧的平均孔隙率。

标签:
加工技术
其他 - 其他 来源:中冶有色网 2023-03-19
油墨用分散液组合物以及水性油墨

本发明以提供分散液组合物为课题,该分散液组合物保存稳定性良好,即使在用作油墨的情况下,也可以实现着色剂的高浓度化,干燥后的再分散性也良好,而且,即使在长期保存的情况下油墨物理性质也不会产生变化;其解决手段为一种油墨用分散液组合物,含有(A)染料和/或颜料、(B)苯乙烯-(甲基)丙烯酸共聚物以及以(C)下述式(1)所表示的化合物,以(C)下述式(1)所表示的化合物的含量超过0.18质量%,该油墨用分散液组合物中的钠离子浓度、钾离子浓度、锂离子浓度的总和为6800ppm以下,[在式(1)中,t表示1至5。]

标签:
加工技术
其他 - 其他 来源:中冶有色网 2023-03-19
多孔硅材料和导电性聚合物粘结剂电极

从多孔硅和导电性聚合物粘结剂制备用于锂离子电池组中的复合电极。导电性聚合物粘结剂具有式:聚(甲基丙烯酸1‑芘甲酯)或PPy、聚(甲基丙烯酸1‑芘甲酯‑共‑甲基丙烯酸)或PPy‑MAA、聚(甲基丙烯酸1‑芘甲酯‑共‑三乙二醇甲醚或PPyE的重复单元。还公开了生产使用所述粘结剂的复合电极的方法。

标签:
加工技术
其他 - 其他 来源:中冶有色网 2023-03-19
具有向驱动单元供电的电池模块的集装箱运输车辆

本发明涉及一种用于集装箱的运输车辆(1),尤其是用于ISO集装箱的地面无人驾驶的重型运输车辆(1),其具有用于接收至少一个待运输集装箱的平台(5),在集装箱被放置在平台(5)上时,所述平台由用于引导所述集装箱的引导元件(5a)限定,还具有驱动单元和用于给所述驱动单元供应电力的电池模块(7)。所述电池模块(7)具有支承框架(7b)和电池(7a)。本发明的目的是改良对应的运输车辆(1)。这通过将电池(7a)设计成锂离子电池,以及将至少一个空调装置(7d)和电池(7a)一起布置在支持框架(7b)中而实现。

标签:
加工技术
其他 - 其他 来源:中冶有色网 2023-03-19
非水电解液及使用该非水电解液的非水电解质二次电池

近年来,对于锂非水电解质二次电池的特性改善的要求不断提高,但存在以循环特性为代表的耐久性能与容量、电阻、输出特性等性能存在折衷选择的关系,因而综合性能的平衡较差的问题。为了解决这样的问题,本发明提供一种非水电解液,该非水电解液含有电解质及非水溶剂,同时还含有:(A)选自具有碳‑碳不饱和键的碳酸酯、通式(1)表示的化合物、亚砜类、亚硫酸酯类、砜类、磺酸酯类、磺内酯类及硫酸酯类中的至少一种化合物、(B)具有氟原子的环状碳酸酯、及(C)分子内至少具有2个异氰酸酯基的化合物。

标签:
加工技术
其他 - 其他 来源:中冶有色网 2023-03-19
催化剂的制造方法
催化剂的制造方法 957     
 0

提供使用包含芴骨架的特定结构的配体、能以高纯度且高收率制造作为茂金属化合物的催化剂的催化剂的制造方法。通过包括如下工序的方法而制造催化剂:工序(I),相对于包含芴骨架的特定结构的配体,使特定量且特定结构的有机锂化合物反应;工序(II),使工序(I)的产物分别与选自由规定结构的Mg化合物、Zn化合物和Al化合物组成的组中的1种以上反应;和,工序(III),使工序(II)的产物与相对于配体为1摩尔当量以上的具有卤素原子等的Ti化合物、Zr化合物或Hf化合物反应。

标签:
加工技术
其他 - 其他 来源:中冶有色网 2023-03-19
上一页 477 478 479 480 481 ... 500 ... 1471 下一页
共1471页    到第

中冶有色为您提供最新的其他其他有色金属理论与应用信息,涵盖发明专利、权利要求、说明书、技术领域、背景技术、实用新型内容及具体实施方式等有色技术内容。打造最具专业性的有色金属技术理论与应用平台!

全国热门有色金属设备推荐
展开更多 +
全国热门有色金属技术推荐
展开更多 +

 

江西省隆恩特环保设备有限公司
宣传

报名参会
更多+

报告下载

有色专家
更多+

鞍钢集团有限公司
中国工程院院士
矿冶科技集团
中国工程院院士
昆明冶金研究院有限公司
党委书记、执行董事
红河学院
研究员
中科院过程工程研究所循环经济技术中心
主任
赤泥综合利用研究报告2025
推广

热门技术
更多+

推荐企业
更多+

福建省金龙稀土股份有限公司
宣传

发布

在线客服

公众号

电话

顶部
咨询电话:
010-88793500-807