青岛垚鑫智能科技有限公司
宣传

位置:中冶有色 >

有色技术频道 >

> 固/危废处置技术

分类:
全部
矿山技术
冶金技术
材料制备及加工技术
环境保护技术
分析检测技术
 
全部
废水处理技术
大气治理技术
固/危废处置技术
土壤修复技术
地区:
全部
北京
天津
上海
重庆
河北
山西
辽宁
吉林
黑龙江
江苏
浙江
安徽
福建
江西
山东
河南
湖北
湖南
广东
海南
四川
贵州
云南
陕西
甘肃
青海
内蒙
广西
西藏
宁夏
新疆
其他
其他
展开
 
全部
南京
无锡
徐州
常州
苏州
南通
连云港
淮安
盐城
扬州
镇江
泰州
宿迁

江苏苏州有色金属固/危废处置技术理论与应用

免费发布技术信息>>
施工用固体废弃物粉碎装置

本实用新型提供一种施工用固体废弃物粉碎装置,所述施工用固体废弃物粉碎装置包括粉碎箱;进料箱,所述进料箱固定安装在所述粉碎箱的顶部,且所述进料箱与所述粉碎箱相连通;吸尘罩,所述吸尘罩固定安装在所述进料箱的顶部,且所述吸尘罩与所述进料箱相连通;两个粉碎辊,两个所述粉碎辊转动安装在所述粉碎箱内;两个导料板,两个所述导料板固定安装在所述粉碎箱内;研磨筒,所述研磨筒固定安装在两个所述导料板上;研磨块,所述研磨块转动安装在所述粉碎箱内,且所述研磨块与所述研磨筒相适配;本实用新型提供的施工用固体废弃物粉碎装置具有粉碎彻底、粉碎效率高、同时便于对粉尘进行收集处理的优点。

标签:
固废
江苏 - 苏州 来源:中冶有色网 2023-03-19
危险固体废弃物处理设备

本实用新型属于废弃物处理技术领域,具体的说是一种危险固体废弃物处理设备,包括处理机体;所述处理机体的顶部位置开设有入料道;所述入料道呈U形开设;所述入料道的端部固接有收料罩;所述处理机体的内部安装有驱动电机;所述驱动电机的输出端固接有驱动轴;所述驱动轴的端部固接有主动齿轮;所述处理机体的内部设有两个从动齿轮;所述主动齿轮与从动齿轮啮合;所述从动齿轮的侧壁上固接有推动绞龙;通过推动绞龙的边界对废弃物切割,以及研磨辊对废弃物研磨的结构设计,实现了可使得喷烧组件对废弃物的处理效果更好的功能,有效的解决了废弃物硬度较硬、体积较大,导致废弃物的焚烧不充分的问题。

标签:
固废
江苏 - 苏州 来源:中冶有色网 2023-03-19
固体废料粉碎用筛选装置

本实用新型涉及固体废料技术领域,尤其涉及一种固体废料粉碎用筛选装置,包括工作台,工作台侧壁固定安装有侧板,两根侧板相对端均开设有燕尾槽,两个燕尾槽内部均活动安装有第一燕尾块,两个第一燕尾块之间固定安装有升降板,升降板侧壁开设有矩形槽,矩形槽内壁开设有滑槽,升降板底部固定安装有第一弹簧,第一弹簧底部固定安装有筛选机构,筛选机构包括筛网,筛网端部固定安装有第一防落板,筛网远离第一防落板的一侧固定安装有第二弹簧,第二弹簧内部活动设置有中心柱,筛网内壁开设有圆槽,中心柱活动内设在圆槽中,中心柱端部螺纹安装有螺帽,使得该设备在使用时可完成自动筛分和自动归类收集,使用更加简单便捷。

标签:
固废
江苏 - 苏州 来源:中冶有色网 2023-03-19
固体废弃物填埋池的防浸润装置

本实用新型公开了一种固体废弃物填埋池的防浸润装置,包括设置于填埋池四周的若干根立柱,立柱的顶部安装有顶棚,该顶棚覆盖所述填埋池,所述顶棚的四周边沿固定有集水槽,集水槽的底部设置有若干个下水口,每个下水口与下水管连通,所述下水管与雨水池连通,所述填埋池的四周设置有截流堤坝。该防浸润装置可以有效的防止雨水和地表水进入到填埋池中造成固体废弃物二次污染。

标签:
固废
江苏 - 苏州 来源:中冶有色网 2023-03-19
固体废弃物分离设备
固体废弃物分离设备 735     
 0

本实用新型公开了一种固体废弃物分离设备,包括分离筒,所述分离筒的一侧顶部安装有进料斗,所述分离筒内安装有驱动柱,所述分离筒的底端中心处安装有固定过滤网,所述分离筒的底端安装有废水箱,所述驱动柱外部安装有过滤网安装柱,所述过滤网安装柱的一端为圆角设置,所述过滤网安装柱圆角的一端与分离筒的内壁接触,所述过滤网安装柱围绕驱动柱呈环形阵列设置,所述过滤网安装柱每两个为一组,所述过滤网安装柱内开设有振动槽,所述振动槽内安装有铰接柱,所述铰接柱上安装有移动过滤网,所述铰接柱的两端安装有铰接安装柱,所述铰接柱的一侧固定安装有振动条。本实用新型,能够有效避免固体废弃物堆积,更加方便使用。

标签:
固废
江苏 - 苏州 来源:中冶有色网 2023-03-19
固体废弃物脱氨装置
固体废弃物脱氨装置 1092     
 0

本实用新型提供了一种固体废弃物脱氨装置,包括竖直设置的箱体,所述箱体的内部自顶端向低端依次分为气态区与液态区;所述箱体内部设有浸液槽,所述浸液槽通过设置的滑动机构带动而在箱体内部作升降滑动且在所述气态区与所述液态区之间作切换,所述浸液槽用于放置固体废弃物且底部开设有多个浸液孔,所述箱体的顶部设有密封盖板,所述密封盖板上设有与箱体内部连通的进气管与出气管,所述箱体的底部设有搅动装置,位于所述搅动装置与所述浸液槽之间的所述箱体的侧壁接设有抽液管,输水管以及充气管;所述充气管外接有气泵,并通过所述气泵向所述箱体内部的液态区填充低压饱和蒸汽。通过本实用新型所揭示的,实现对固体废弃物的脱氨。

标签:
固废
江苏 - 苏州 来源:中冶有色网 2023-03-19
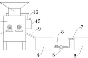
固体废弃物用于再生石膏生产装置

本实用新型公开了一种固体废弃物用于再生石膏生产装置,包括粉碎箱、进料斗、电机和粉碎辊,所述粉碎箱顶端固定有所述进料斗,所述粉碎箱内设置有所述粉碎辊,所述粉碎箱一侧壁上安装有所述电机,所述粉碎箱另一侧壁上设置有水箱,所述水箱内设置有潜水泵,所述潜水泵上连接有喷淋管,所述喷淋管一端设置有雾化喷头。有益效果在于:本实用新型通过设置筛板和清理门,当需要对废渣进行清理时,将清理门打开,由于筛板为倾斜设置,进而废渣依靠自身重力便于自动排出,无需人工进行清理,不仅节约人力物力,而且保证清理效率,提高装置功能性。

标签:
固废
江苏 - 苏州 来源:中冶有色网 2023-03-19
工业用过滤固体废气的处理管道

本发明公开了一种工业用过滤固体废气的处理管道,包括主体、滑轨和细分隔机构,所述主体的左侧固定有进气口,且进气口的内部安装有粗分隔结构,所述进气口与粗分隔结构之间为活动连接,所述滑轨安置在进气口的下方,且滑轨的内侧安装有收集盒,所述滑轨与进气口之间为固定连接,且滑轨与收集盒之间为活动连接,所述细分隔机构安置在主体的内部,且细分隔机构的内部安装有内置管,所述细分隔机构与主体之间为活动连接,且细分隔机构与内置管之间为固定连接。该工业用过滤固体废气的处理管道设置有内置网,其能够对粗分隔结构上的固体杂物通过摩擦进行清理,从而能够对附着在粗分隔结构的表面的租屋进行清理。

标签:
固废
江苏 - 苏州 来源:中冶有色网 2023-03-19
固体废物用环境内分泌干扰物质的检测方法

本发明公开了一种固体废物用环境内分泌干扰物质的检测方法,包括以下步骤:配置第一样本和第二样本;设置样品提取参数、样品净化参数和样品测定参数;采集第一固体废物;基于所述第一样本、所述样品提取参数和所述第一固体废物进行待净化样品提取操作,得到待净化样品;基于所述第一样本、所述样品净化参数和所述待净化样品进行样品净化操作,得到待测定样品;基于所述第二样本、所述样品测定参数和所述待测定样品进行色谱分析操作;本发明能够在不需要衍生的情况下,对于不同结构的双酚类和烷基酚类化合物进行有效分离检测,且检测方法选择性、重现性和普及性均极高,使用成本和操作难度低,弥补了现有技术的不足,具有极高的应用价值。

标签:
固废
江苏 - 苏州 来源:中冶有色网 2023-03-19
含硫酸镁固体的甲醇废液再回收方法

本发明公开了一种含硫酸镁固体的甲醇废液再回收方法,包括如下步骤:提取硫酸镁晶体:将废液冷却后固液分离得到硫酸镁冷却晶体和含有硫酸镁溶液、甲醇以及水的离心废液;离心废液加热处理:将离心废液加热蒸发后得到含有硫酸镁蒸发结晶和硫酸镁溶液的蒸发底液以及甲醇与水的蒸汽混合物;蒸发底液循环利用:将蒸发底液再次进行提取硫酸镁晶体的操作;提取甲醇和水:将甲醇与水的蒸汽混合物冷凝后利用纳米纤维膜蒸发器进行甲醇和水的分离,本发明能将废液中的甲醇、硫酸镁、水分别以高纯度的甲醇、硫酸镁晶体以及清水进行回收利用,不形成二次污染,节能环保,同时能提升企业的经济效益,符合企业的实际使用需求。

标签:
固废
江苏 - 苏州 来源:中冶有色网 2023-03-19
电镀液固体废料析出装置

本实用新型公开了一种电镀液固体废料析出装置,该电镀液固体废料析出装置包括电镀液容器、第一水泵、冷却桶、固液分离装置和储液箱;其中,所述电镀液容器内存有电镀液,该电镀液容器的出口经所述第一水泵通过管道连通所述冷却桶的入口,所述第一水泵用于将电镀液从电镀液容器送入所述冷却桶;该冷却桶具有一个出水口,所述出水口通过管道与所述固液分离装置的入口相连通;所述固液分离装置具有液体出口,所述液体出口与所述储液箱的入口相连通。该电镀液固体废料析出装置能够净化电镀液中的盐化合物,提高电镀效率和镀层质量,延长电镀液的使用寿命。

标签:
固废
江苏 - 苏州 来源:中冶有色网 2023-03-19
流线型固体废物压缩转运装置

一种流线型固体废物压缩转运装置属于环保设备领域,主要涉及一种固体废物转运装置;本发明为了解决现有技术中的固体废物转运装置由于其结构的不合理,装置在进料操作过程中耗能大,举升能力低,降低了城市固体废物的处理能力的问题;本发明的翻斗臂一端与翻斗固定座铰接,翻斗臂的另一端与翻斗固定连接,翻斗调节杆的两端分别与翻斗和翻斗连杆铰接,翻斗连杆的另一端与进料箱铰接连接,所述翻斗油缸的固定端与进料箱铰接连接,翻斗油缸的神缩端与翻斗连杆铰接连接;本发明结构坚固、耐用,大大提延长了装置整体的使用寿命,更换检修方便,适用范围广泛。

标签:
固废
江苏 - 苏州 来源:中冶有色网 2023-03-19
工业废白土浸出提油工艺以及再生白土在农药固体制剂中的应用

本发明公开了一种工业废白土浸出提油工艺以及再生白土在农药固体制剂中的应用,采用食用油脂行业脱色后的废白土经过浸出提油工艺将存于白土中的油脂和白土分离,并对分离出的白土进行烘干脱水、煅烧、煅烧后酸洗活化、再烘干过筛成再生白土,将再生白土用于农药固体制剂中,实现了废白土的循环利用,变废为宝,产生更高的经济社会价值。

标签:
固废
江苏 - 苏州 来源:中冶有色网 2023-03-19
施工现场固体废弃物处理用转运装置

本实用新型提供一种施工现场固体废弃物处理用转运装置,所述施工现场固体废弃物处理用转运装置包括底板;两个固定块,两个所述固定块对称固定安装在所述底板上;安装板,所述安装板转动安装在两个所述固定块上;四个套筒,四个所述套筒对称固定安装在所述安装板上;滑动杆,所述滑动杆滑动安装在所述套筒内;料斗,所述料斗固定安装在所述滑动杆的顶端;本实用新型提供的施工现场固体废弃物处理用转运装置具有方便将固体废弃物倒入处理装置内,省时省力,提高了工作效率,使用方便的优点。

标签:
固废
江苏 - 苏州 来源:中冶有色网 2023-03-19
氧弹燃烧法测定工业固体废弃物中卤素及硫含量的方法

本发明提供一种氧弹燃烧法测定工业固体废弃物中卤素及硫含量的方法,绘制各待测元素系列标准溶液的浓度?谱峰面积工作曲线,以热值低多取、热值高少取的原则取适量样品加入氧弹中,并加入0.05倍氧弹容积的吸收液、和适量的质量分数为10%~30%的H2O2,样品在氧弹中燃烧氧化后被吸收液吸收获得待测试样品溶液,利用离子色谱仪测定样品溶液的谱峰面积,根据该谱峰面积和系列标准溶液工作曲线计算废气物中各卤素和硫的含量。本测定方法通过加入一定量的H2O2, 能够促进硫在燃烧过程中的氧化,确保硫在测定过程中尽量完全燃烧,减少损失,测试结果更准确;同时以热值低多取、热值高少取的原则来确定单次加入的样品重量,以此来强化样品在测定过程中完全燃烧,缩短测量时间。

标签:
固废
江苏 - 苏州 来源:中冶有色网 2023-03-19
固体废物热解炉
固体废物热解炉 1106     
 0

本实用新型公开了一种固体废物热解炉,涉及固体废物热解炉技术领域,包括底板和收集单元;底板上侧前后两端分别沿左右方向设置有一个支撑座,两个支撑座的上侧之间沿前后方向设置有炉体,所述炉体的上侧前端开设有进料口,所述炉体的后端设置有与外部储存结构之间配合连接的出料管,所述底板的上侧中部设置有与炉体下侧之间配合连接的加热结构,所述炉体的内部设置有搅拌单元;收集单元包含有支撑架、卡槽、吸风机和排气管一,在支撑架的支撑作用下,通过卡槽实现对吸风机的卡紧作用,通过吸风机实现将进料口排出的废气的吸收作用,吸收后的废气通过排气管一排入到外部储存结构内部,从而实现对进料口外侧的废气处理的作用。

标签:
固废
江苏 - 苏州 来源:中冶有色网 2023-03-19
工业废弃固体颗粒高效率回收处理设备

本发明属于工业固体废物回收技术领域,具体的说是一种工业废弃固体颗粒高效率回收处理设备,包括打散箱;所述打散箱的顶部安装有进料口;所述打散箱的内部转动连接有多组转动杆;所述转动杆端部与电机输出端固接;所述转动杆中部固接有挤压轮;所述挤压轮中部固接有多组压齿;所述压齿上在位于挤压轮上套有橡胶轮套;所述压齿上固接有橡胶缓压垫;所述橡胶缓压垫内部开设有泄压孔;通过在回收处理设备的挤压轮上套设有橡胶轮套,可避免硬度较高挤压轮在将结块的固体颗粒挤散时,把固体颗粒挤碎的问题,在将结块的固体颗粒挤散的同时,保持了固体颗粒原有的形状。

标签:
固废
江苏 - 苏州 来源:中冶有色网 2023-03-19
固体废弃物的热解气化装置

本实用新型提供本一种固体废弃物的热解气化装置,固体废气物首先在热解气化炉内缺氧条件下燃烧热解气化,已燃烧的废弃物释放的热能在炉内逐步将填装的废弃物进行干燥、裂解、燃烧和燃尽,最终热解气化产生可燃气体,随后可燃气体进入燃烧内,与预先预热的空气进行混合燃烧,通过控制燃烧炉内的温度在1100℃~1150℃之间,能够有效控制二噁英的产生;通过热解气化炉和燃烧炉的燃烧配合将废弃物燃烧转化成CO2及各种相应的酸性气体,燃烧彻底;同时,通过设置多座热解气化炉,交替启动各热解气化炉,一个炉内燃烧时,另一个炉上料,确保燃烧不间断,提高设备的处理能力。

标签:
固废
江苏 - 苏州 来源:中冶有色网 2023-03-19
高速经济的城市有机固体废物的处理系统及其运行方法

本发明提供了一种高速经济的城市有机固体废物的处理系统,所述系统包括用于进行生物化学反应的主反应池,与主反应池连通的营养液存储池,用于主反应池的固液分离装置,供液装置,排液装置,气体收集与检测装置,加热与控温装置,和时间控制装置,所述时间控制装置分别连接供液装置、排液装置、气体收集与检测装置和加热与控温装置,并控制系统运行时间。本发明还提供了一种高速经济的城市有机固体废物处理系统的运行方法。本发明可以大幅度降低城市固体废物处理时间(50%以上)及占地需求(40%),产生清洁的生物能源,同时还能同步实现温室气体零排放,取得经济环保双重效益。

标签:
固废
江苏 - 苏州 来源:中冶有色网 2023-03-19
工业固体废弃物的热解气化方法

本发明提供一种工业固体废弃物的热解气化方法,包括以下步骤,(1)根据废弃物中是否含有氯元素、是否含有过渡金属元素将废弃物分类为含氯不含过渡金属废弃物和含过渡金属不含氯废弃物,并将含氯不含过渡金属废弃物和含过渡金属不含氯废弃物两者分开单独储放;(2)将含氯不含过渡金属废弃物投入A热解气化炉内缺氧热解气化;将含过渡金属不含氯废弃物投入B热解气化炉内缺氧热解气化。通过将含氯不含过渡金属废弃物、和含过渡金属不含氯废弃物预先进行分类,含氯不含过渡金属废弃物燃烧时没有作为反应催化剂的金属离子存在,能有效遏制二噁英的二次合成;含过渡金属不含氯废弃物燃烧时由于不存在氯,燃烧中不会产生二噁英,由此实现从源头上控制二噁英的产生。

标签:
固废
江苏 - 苏州 来源:中冶有色网 2023-03-19
利用辐照射线处理感染性医疗固体废物的方法

一种利用辐照射线处理感染性医疗固体废物的方法,根据所在地区感染性医疗固体废物数据建立密度数据模型,至少选取三种不同密度且材质均匀的模拟材料进行剂量分布试验。将模拟材料与剂量计分别放置在传输装置中进行辐照处理。分析模拟材料中辐照剂量分布数据,建立吸收剂量最小值与监控位置剂量换算关系式。将感染性医疗固体废物以及剂量计置于传输装置上进行辐照处理。其后根据监控位置剂量通过换算关系式计算出感染性医疗固体废物接收的吸收量最小值并与灭菌要求的接收最低辐照剂量进行比对,若达标则取出感染性医疗固体废物,若不达标则重复照射,以此将感染性医疗固体废物射线灭菌工艺规范化,降低运行成本,也保证了灭菌效果的可靠性。

标签:
固废
江苏 - 苏州 来源:中冶有色网 2023-03-19
生活垃圾及固体废弃物的热裂解系统

本实用新型属于垃圾处理技术领域,公开了一种生活垃圾及固体废弃物的热裂解系统,包括撕碎系统,用于撕碎生活垃圾及固体废弃物;干燥窑,包括外壳及内筒体,外壳同轴心的套接在内筒体外且两者的筒壁之间存在空隙,内筒体的入口与撕碎系统的出口相连;热裂解窑的入口与干燥窑的出口连通,用于无氧地热裂解撕碎的生活垃圾及固体废弃物,热裂解窑的燃烧废气出口通过第一废气管道与干燥窑的空隙连通;残渣处理系统与热裂解窑的残渣出口相连;热裂解气体处理系统与热裂解窑的热裂解气体出口相连,热裂解气体处理系统能够将热裂解气体分离为再生油和可燃气体。该生活垃圾及固体废弃物的热裂解系统不产生二噁英,不污染环境,运营成本低。

标签:
固废
江苏 - 苏州 来源:中冶有色网 2023-03-19
固体废弃物环保处理用筛选装置

本实用新型涉及废弃物筛选的技术领域,特别是涉及一种固体废弃物环保处理用筛选装置,其通过设置筛分机构,便于对固体废弃物进行多次筛选,将不同颗粒大小的固体废弃物筛选分离,进而对固体废弃物分类处理,提高使用实用性;包括筛分机构、上料机构和二次筛选输送机构,筛分机构用于对固体废弃物进行筛选分离作业,上料机构用于将固体废弃物输送至筛分机构上,二次筛选输送机构用于将筛选下的余料再次输送至上料机构中,筛分机构包括筛选支架、筛选筐、第一筛选筒轴、第一筛选筒、第二筛选筒轴、第二筛选筒、第三筛选筒轴、第三筛选筒、三组传动轮、传动带和从动轮,筛选筐固定安装在筛选支架上,第一筛选筒轴转动安装在筛选筐上。

标签:
固废
江苏 - 苏州 来源:中冶有色网 2023-03-19
固体废弃物分选前均料设备

本实用新型涉及固体废弃物分选前均料设备。固体废弃物分选前均料设备,它包括机架;机架上设有入料溜槽;机架下设有箱体;入料溜槽下方的箱体内设有均料装置;箱体内设有固定挡板;均料装置固定在固定挡板上;箱体在与固定接板相对的一侧设有出料口;均料装置由两个均料单元组成;均料单元包括支撑架、圆形均料盘和动力机构;支撑架的内部设有传动机构;传动机构联接圆形均料盘和动力机构。本实用新型的固体废弃物分选前均料设备,使物料铺满整个皮带机平面,高速旋转的圆盘使物料更为松散更有利于后期设备分选;可有效提高后续设备利用率,同时,可减少后续设备的维护成本,降低能耗;结构紧凑密封,占用空间小,便于分选系统设计的选型布局。

标签:
固废
江苏 - 苏州 来源:中冶有色网 2023-03-19
等离子体耦合富氧气化熔融炉及其处理固体危废物的方法

本发明公开了一种等离子体耦合富氧气化熔融炉及其处理固体危废物的方法,属于固体危废物处理技术领域。该熔融炉在炉体上对应低于熔浆区液面以下位置处设有富氧空气侧吹口,且炉体上对应气化区处设有供富氧空气进入的补风口;进行处理时,将破碎固体危废物与辅料形成的混合物料在熔浆区内与侧吹富氧空气进行气化熔融反应,熔浆区未气化有机物组分在气化区内与经补风口进入的富氧空气进行气化反应,形成粗合成气。该熔融炉和方法大大提高了危废物处理效果和能力,减少了合成气气量并提高了品质,同时能够杜绝大分子有机物产生,使危废物中有害有机物能得到充分气化,同时从源头上解决了玻璃体成相时间长和出渣不顺利的问题,提高了能源利用率。

标签:
固废
江苏 - 苏州 来源:中冶有色网 2023-03-19
用于固体废弃物处理的转运装置

本实用新型涉及固体废弃物转运的技术领域,特别是涉及一种用于固体废弃物处理的转运装置,其通过设置转运输送机构,便于自动将固体废弃物提升输送至转运车斗中,无需工人手动搬抬废弃物存放箱将废弃物倾倒至转运车斗上,提高使用便利性;包括转运输送机构和夹取倾倒机构,夹取倾倒机构用于夹取固体废弃物存放箱,转运输送机构用于带动夹取倾倒机构移动转运至转运车上,转运输送机构包括支撑底架、提升电机、两组第一支杆、两组第一轴承座、第一输送轴、两组第一输送轮、从动轮、主动轮、传动皮带、两组第二支杆、两组第二轴承座、第二输送轴、两组第二输送轮和两组输送带,提升电机固定安装在支撑底架上,支撑底架上对称固定安装有两组第一支杆。

标签:
固废
江苏 - 苏州 来源:中冶有色网 2023-03-19
有机固体废弃物快速生物干化-好氧发酵处理方法

本发明涉及一种有机固体废弃物快速生物干化‑好氧发酵处理方法,该方法中,先将有机废弃物筛选除杂、挤压脱水,然后进行灭菌预处理、生物干化、好氧发酵,最终制备成腐熟肥料。该方法将预灭菌、生物干化处理和好氧发酵处理相结合,通过调控微生物数量与功能活性,实现有机固体废弃物短期存放、运输和处理过程无异味排放,生物干化‑好氧发酵处理过程中的回料还可重复使用,最终得到发芽指数大于70%、含水率低于40%的腐熟肥料,但整个处理周期不超过7天,解决了有机固体废弃物处理过程易产臭、已有生物干化技术或机械脱水效率低、好氧发酵周期长的问题,为有机固体废弃物处理提供了快速、环保、可大批量处理、产品高质资源化的集成工艺方法。

标签:
固废
江苏 - 苏州 来源:中冶有色网 2023-03-19
危险固体废弃物运输箱
危险固体废弃物运输箱 1068     
 0

本实用新型公开了一种危险固体废弃物运输箱,包括底座,底座的底部设有移动轮,底座的一侧设有扶手,底座上设有箱体和二氧化碳瓶,箱体的上端设有开口,开口处交接有导料板,导料板与箱体之间设有伸缩弹簧,箱体的一侧设有出料口,出料口处铰接有翻转板,翻转板与箱体之间铰接有伸缩缸,箱体内设有上下移动的支撑板,支撑板上设有漏液孔。本实用新型与现有技术相比的优点在于:通过导料板与伸缩弹簧配合,保证箱体上端开口的闭合以及固体废弃物下落时进行缓冲阻挡,减小对箱体内部的冲击力;固体废弃物通过支撑板对固体废弃物上的渗液等进行分离,上下移动的支撑板可以根据废弃物的多少进行调整高度,方便进行卸料处理。

标签:
固废
江苏 - 苏州 来源:中冶有色网 2023-03-19
固体废物中挥发性有机物的测定方法

本发明涉及检测技术领域,尤其涉及一种固体废物中挥发性有机物的测定方法及其应用。包括以下步骤:S1.收集固体废物样品;S2.标准样品的配制;S3.前处理样品;S4.将前处理后样品和标准样品放入顶空‑气相色谱质谱联用仪中进行检测。本发明提供了一种固体废物中挥发性有机物的测定方法,应用于采矿废渣类固体废物中VOCs的检测。该发明能够快速高效地对几十种目标化合物进行检测,且对低浓度样品具有较好的检测重现性,同时降低了甲苯、六甲基二硅氧烷的检测限,本发明的可操作性强,分析灵敏度低,且分析周期较短,应用前景广阔。

标签:
固废
江苏 - 苏州 来源:中冶有色网 2023-03-19
危险固体废物破碎装置

本发明公开了一种危险固体废物破碎装置,包括:竖置机架,设于机架顶部的破碎装置,向破碎装置倾倒危险固体废物的倾倒装置,将危险固体废物从机架底部提升至倾倒装置的提升装置,从破碎装置输出破碎料的出料装置。本发明危险固体废物破碎装置,将危险固体废物通过提升装置送至倾倒装置,再通过倾倒装置送入破碎装置,经过刀轴撕碎碾压,碎成小块,从出料装置排出,可降低人工成本,可排除危险因素,高效、节能、环保。

标签:
固废
江苏 - 苏州 来源:中冶有色网 2023-03-19
上一页 77 78 79 80 81 下一页
共81页    到第

中冶有色为您提供最新的江苏苏州有色金属固/危废处置技术理论与应用信息,涵盖发明专利、权利要求、说明书、技术领域、背景技术、实用新型内容及具体实施方式等有色技术内容。打造最具专业性的有色金属技术理论与应用平台!

全国热门有色金属设备推荐
展开更多 +
全国热门有色金属技术推荐
展开更多 +

 

江西省隆恩特环保设备有限公司
宣传

报名参会
更多+

报告下载

有色专家
更多+

南昌航空大学
副院长/教授
中南大学
常务副校长
中南大学
中国工程院院士
昆明理工大学
校长
洛阳有色矿业集团有限公司
生产技术部经理
赤泥综合利用研究报告2025
推广

热门技术
更多+

推荐企业
更多+

福建省金龙稀土股份有限公司
宣传

发布

在线客服

公众号

电话

顶部
咨询电话:
010-88793500-807