青岛垚鑫智能科技有限公司
宣传

位置:中冶有色 >

有色技术频道 >

> 固/危废处置技术

分类:
全部
矿山技术
冶金技术
材料制备及加工技术
环境保护技术
分析检测技术
 
全部
废水处理技术
大气治理技术
固/危废处置技术
土壤修复技术
地区:
全部
北京
天津
上海
重庆
河北
山西
辽宁
吉林
黑龙江
江苏
浙江
安徽
福建
江西
山东
河南
湖北
湖南
广东
海南
四川
贵州
云南
陕西
甘肃
青海
内蒙
广西
西藏
宁夏
新疆
其他
其他
展开
 
全部
南京
无锡
徐州
常州
苏州
南通
连云港
淮安
盐城
扬州
镇江
泰州
宿迁

江苏苏州有色金属固/危废处置技术理论与应用

免费发布技术信息>>
反弹式固体废弃物分离装置

本发明公开了一种反弹式固体废弃物分离装置,包括:在机架上设置有振动给料机和抛射皮带机,振动给料机的出料口位于抛射皮带机进料端的上方,抛射皮带机出料端一侧的机架上设置有挡板,挡板下方的机架上倾斜设置有向上输送的皮带输送机,皮带输送机的下端活动支承在机架上,皮带输送机与机架之间设置有倾斜角度调节支撑装置,所述的挡板能阻挡固体废弃物、并使固体废弃物反弹至皮带输送机上,机架上还设置有连接风管的风机,风管的管口位于皮带输送机下端的上方、且风朝着皮带输送机的上端吹送,在皮带输送机上端外侧的机架上设置有调节板挡料装置,调节板挡料装置能将固体废弃物中的有机物阻挡在其内侧。

标签:
固废
江苏 - 苏州 来源:中冶有色网 2023-03-19
固体废弃物燃烧净化装置

本发明公开了一种固体废弃物燃烧净化装置,包括:进料入口、第一燃烧室、第二燃烧室、分离腔室、急冷塔、输气通道、活性炭净化室、石灰池,所述进料入口设置在所述第一燃烧室的前端,所述第一燃烧室、第二燃烧室之间通过管道连接,所述分离腔室与所述第二燃烧室相连接,所述活性炭净化室通过输气通道与所述第二燃烧室相连接。通过上述方式,本发明固体废弃物燃烧净化装置,对固体废弃物进行充分的燃烧,并将产生的气体进行净化处理,避免造成了二次污染。

标签:
固废
江苏 - 苏州 来源:中冶有色网 2023-03-19
工业废弃固体粉碎装置
工业废弃固体粉碎装置 1134     
 0

本实用新型公开了一种工业废弃固体粉碎装置,包括箱体,箱体上设置有一号外壳,一号外壳一侧通过连接外壳连接有粉碎箱,粉碎箱上方设置有进料口,箱体表面设置有观察窗,观察窗一侧设置有操作面板,箱体下方连接有若干支撑腿,一号外壳内部设置有一号电机,有益效果是:本工业废气固体粉碎装置结构简单,粉碎更加彻底,便于清理,使用时,废弃固体通过进料口进入粉碎箱,通过操作面板打开一号电机,传动轴高速旋转,通过旋转刀将固体初步切割,切割后的固体流入箱体内部,通过操作面板打开二号电机,电控伸缩杆进行伸缩,带动碾压滚轮对固体进行碾压粉碎,粉碎结束后,通过把手打开侧门,对废料进行清理。

标签:
固废
江苏 - 苏州 来源:中冶有色网 2023-03-19
生活垃圾及固体废弃物的热裂解系统及方法

本发明属于垃圾处理技术领域,公开了一种生活垃圾及固体废弃物的热裂解系统及方法,包括撕碎系统,用于撕碎生活垃圾及固体废弃物;干燥窑,包括外壳及内筒体,外壳同轴心的套接在内筒体外且两者的筒壁之间存在空隙,内筒体的入口与撕碎系统的出口相连;热裂解窑的入口与干燥窑的出口连通,用于无氧地热裂解撕碎的生活垃圾及固体废弃物,热裂解窑的燃烧废气出口通过第一废气管道与干燥窑的空隙连通;残渣处理系统与热裂解窑的残渣出口相连;热裂解气体处理系统与热裂解窑的热裂解气体出口相连,热裂解气体处理系统能够将热裂解气体分离为再生油和可燃气体。该生活垃圾及固体废弃物的热裂解系统及方法不产生二噁英,不污染环境,运营成本低。

标签:
固废
江苏 - 苏州 来源:中冶有色网 2023-03-19
含重金属的固体废弃物的预处理装置

本实用新型公开了一种含重金属的固体废弃物的预处理装置,包括釜体,该釜体的上端设置废弃物投放口、水泥投放口、进水口,釜体的底部设置有废弃物出口,釜体中设置有搅拌装置,水泥投放口与水泥供应装置管道连通,进水口与供水装置管道连通,废弃物投放口和水泥投放口处均设置有称重装置,进水口处设置有流量计,釜体上位于水泥投放口处设置有水泥投放控制阀,釜体上位于废弃物投放口处设置有废弃物投放控制阀,进水口处设置有进水控制阀,所述废弃物出口处安装出料门,该出料门由开闭动力装置驱动。该预处理装置可以对含有重金属的固体废弃物进行搅拌预处理,添加水泥后使含有重金属的固体废弃物把包覆而逐渐硬化,更适合掩埋。

标签:
固废
江苏 - 苏州 来源:中冶有色网 2023-03-19
智能固体废物收集系统

本发明涉及固体废物收集技术领域,具体涉及一种智能固体废物收集系统,包括底壳、上壳、投料口、粉碎单元、除尘单元、转运单元以及智能控制单元,底壳为方形壳体,且底壳的一端为开口结构,底壳的顶壁上开设有通槽,上壳为方形壳体,且上壳的底部为开口结构,上壳固定安装在底壳的上部。本发明,其智能化程度较高,粉碎效率较高,粉碎的固体废物的粒度比较均匀,无需二次筛分,可省去需要重新包装粉碎的固体废物的麻烦,进而有效降低工作人员的工作强度,最终达到提高固体废物收集效率的目的,可避免工作时造成其周围环境被粉尘污染,进而有效防止工作人员因呼入粉尘而影响身体健康,甚至引发呼吸科疾病。

标签:
固废
江苏 - 苏州 来源:中冶有色网 2023-03-19
固体废弃物填埋处理装置

本实用新型公开了一种固体废弃物填埋处理装置,包括主填埋池,所述主填埋池的四周池壁和池底均设置为钢砼层,主填埋池的四周池壁和池底设置有防渗层,所述主填埋池的中部设置有用于填埋危险固体废弃物的危废填埋池,危废填埋池的四周为普废填埋区域,该危废填埋池的四周池壁和池底均设置为钢砼层,且危废填埋池的四周池壁和池底设置有防渗层,所述主填埋池的四周设置有方便车辆运行的环形道路,该环形道路与危废填埋池之间连接有入库道路和入库平台,主填埋池的顶部设置有防止雨水进入主填埋池的顶棚。该填埋处理装置可以有效的填埋普通固体废弃物和有毒有害的固体废弃物,使有毒有害的固体废弃物的填埋效果好,防止有毒有害物质的扩散。

标签:
固废
江苏 - 苏州 来源:中冶有色网 2023-03-19
用于固体废弃物运输的压实装置

本实用新型涉及固体废弃物处理的技术领域,特别是涉及一种用于固体废弃物运输的压实装置,其此装置结构简单,成本较低,增加固体废弃物运输的压实的效果,防止固体废弃物排水管,增加固体废弃物压实后的卸料效果,提高实用性;包括箱体、盖板、压实箱、第一导流板、第一排水管、第一液压缸、压板、第二排水管、排水机构和推料机构,箱体内部设置有腔室,盖板安装在箱体上,箱体上设置有进料口,压实箱安装在箱体腔室内,压实箱内部设置有腔室,第一导流板安装在压实箱上并与箱体连接,箱体上设置有出料口并与压实箱腔室连通,第一排水管安装在箱体上并与压实箱腔室连通,第一液压缸安装在盖板上,第一液压缸的输出端设置有第一活塞杆。

标签:
固废
江苏 - 苏州 来源:中冶有色网 2023-03-19
工业固体废弃物的环保排放处理系统

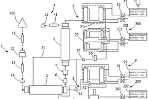
本发明提供一种工业固体废弃物的环保排放处理系统,废气物首先在热解气化炉内缺氧条件下燃烧热解气化,燃烧过程中释放的热能在炉内逐步将填装的废弃物进行干燥、裂解、燃烧和燃尽,最终热解气化产生可燃气体,随后可燃气体进入燃烧炉内,与预先预热的空气进行混合燃烧,完全燃烧、燃尽产生由烟尘、CO2、以及各种相应的酸性气体构成的废烟、废气,依次经过后续由烟气换热器、急冷中和吸收塔、脱酸吸附装置、布袋除尘装置、水循环脱酸除尘洗涤塔组成的尾气处理系统进行降温、脱酸、脱水、吸附、除尘处理后最终无安全无害化、符合国标GB18484-2001《危险废物焚烧污染控制标准》的标准排放。系统运行稳定、燃烧彻底、尾气处理完全无害化,能够有效控制降低运行成本。

标签:
固废
江苏 - 苏州 来源:中冶有色网 2023-03-19
固体废弃物矿化低浓度二氧化碳的装置及其方法

本发明涉及废弃物处理、二氧化碳矿化利用领域,更具体涉及一种利用大宗固废快速固定二氧化碳的方法及其应用。固体废弃物矿化低浓度二氧化碳的装置,包括依次相连的气体储存罐、增压器、分气包、带有加热盘管的多组矿化反应釜,其中,气体储存罐的出口、增压器的进口、增压器的出口、分气包的进口、分气包的出口、多组矿化反应釜的进口依次连接。本发明装置和方法成本低,实现了高效的资源利用,且实现了低浓度二氧化碳气体的矿化,同时矿化产物内部缺陷大幅减少。

标签:
固废
江苏 - 苏州 来源:中冶有色网 2023-03-19
车载式固体废弃物无害化处理一体机

本实用新型公开了一种车载式固体废弃物无害化处理一体机,包括底板,所述底板的右侧上方前后两侧均固接有第二支撑座,所述第二支撑座的内侧均通过第五销轴与箱体转动相连,所述排水管的外壁安装有阀门,所述箱体的上方安装有进料组件。该车载式固体废弃物无害化处理一体机,通过进料箱、箱体、第一转轴、第二转轴、电机、螺旋叶、棘爪和棘齿之间的配合,解决了现有技术的挤压排水过程总是大量固废一同进行,导致挤压排水效果较差的问题,通过液压缸、液压杆、第五销轴、底板、箱体、端盖、螺钉和第四销轴之间的配合,使拧松螺钉可对液压缸下方注油实现箱体转动具备一定倾角,解决了现有车载处理装置在排料时较为困难的问题。

标签:
固废
江苏 - 苏州 来源:中冶有色网 2023-03-19
以Ca基固体废弃物再生高强负碳建材的方法及其应用

本发明涉及建筑材料技术领域,尤其涉及一种以Ca基固体废弃物再生高强负碳建材的方法及其应用。所述以Ca基固体废弃物再生高强负碳建材的方法为:通过控制反应原料中的可矿化钙成分来控制体系中矿化反应进行程度,利用矿化反应释放热量调控体系温度,达到水热反应所需条件,使体系内既能进行矿化反应又能进行水热反应,从而制得高强度建材成品。本发明有效实现了工业固废的高效资源化利用,制备得到的建材产品相比于传统的硅酸盐水泥制品的总碳排放低50%以上,对我国建材行业的低碳化发展具有重要的推动作用。

标签:
固废
江苏 - 苏州 来源:中冶有色网 2023-03-19
工业固体废弃物用处理打包装置

本实用新型适用于固废打包技术领域,提供了一种工业固体废弃物用处理打包装置,包括:传动箱;设于所述传动箱顶端的进料口;设于所述传动箱的顶端,并远离所述进料口一端的移动槽。本实用新型通过设置联动机构,实现通过启动电动推杆带动连接杆向下移动,使密封门在限位杆、弹簧轴和缓冲弹簧的连接作用下沿U型座的内壁向下移动,对传动箱的一端进行封闭,固体废弃物进入传动箱内部后,连接杆下移带动顶块下移,使压块向下移动,对传动箱内固体废物进行压缩,与此同时,连接杆沿限位杆的内壁及弹簧轴的外壁向下移动,并使缓冲弹簧受力收缩,通过以上零件的相互配合使用,实现压块与密封门联动配合使用,结构简单。

标签:
固废
江苏 - 苏州 来源:中冶有色网 2023-03-19
固体废弃物有害物质检测设备

本发明公开的属于固废检测技术领域,具体为一种固体废弃物有害物质检测设备,包括壳体与通过合页安装在壳体上的盖体,所述壳体内中部设有隔板一,且隔板一将壳体内腔体分隔成为干燥腔体与检测腔体,所述干燥腔体内设有架板,且架板上架设有容器,所述干燥腔体内壁与隔板一一侧上均设有加热装置,且干燥腔体内底部设有容液盒,所述壳体背面设有出液口,且出液口与容液盒连通,本发明使用方便,功能全面,壳体内设有干燥腔体与检测腔体,通过干燥腔体能够实现对固体废弃物的干燥处理,从而便于对固体废弃物完成粉碎处理,废弃物通过粉碎设备粉碎后能够经由振荡设备进行振荡检测,更好的对固体废弃物中的有害物质进行检测。

标签:
固废
江苏 - 苏州 来源:中冶有色网 2023-03-19
资源化利用固体废弃物的方法

本发明涉及危险废物治理技术,属于环保领域,具体而言,涉及一种资源化利用固体废弃物的方法。该方法既能处理水分、成分、粒度组成复杂的固体废物(特别是危险废物),又符合国家节能环保政策要求。本资源化利用固体废弃物的方法适应性强、节能效果好、床能率高、工艺流程短、产污环节少,是一种多功能、投资省的资源化利用固废的工艺。

标签:
固废
江苏 - 苏州 来源:中冶有色网 2023-03-19
CO2矿化钢铁业固体废弃物的建筑材料及制备方法

本发明涉及专利IPC分类的C04B28/00领域,尤其涉及一种CO2矿化钢铁业固体废弃物的建筑材料及制备方法。建筑材料,以质量百分比计,原料至少包括:可矿化固废、硅铝质固废和水,所述可矿化固废与硅铝质固废的质量比为1:0.5‑2.8。本申请制备的建筑材料利用钢铁行业产生的固废消纳排放的二氧化碳废气,利用固废中活性钙成分固定二氧化碳,限定可矿化固废与硅铝质固废的质量比,使其具有较高的矿化活性,从而使固废制品在提高固碳率的同时达到一定的抗压强度,且过程中无需额外加热,节约能源。

标签:
固废
江苏 - 苏州 来源:中冶有色网 2023-03-19
固体废料烘干处理装置
固体废料烘干处理装置 1085     
 0

为了解决现有技术中固废烘干不均匀导致企业危废处理成本高的技术问题,本实用新型提供了固体废料烘干处理装置,其由料斗、风机和热风产生装置组成;料斗由外层箱体和内层箱体构成;外层箱体与内层箱体之间构成一条循环风道;构成内层箱体的四个侧板和一个底板上均设置有数个导风孔;内层箱体的底板向上隆起形成一个锥桶;锥桶的四个倾斜侧板上也设置有数个导风孔。固废从上方倾倒入料斗的时候,锥桶对上方的固废,起到减缓冲击力,使固废四散到周围,减少了中间区域固废的厚度,减少了干燥热风穿过固废的阻力;同时,锥桶倾斜侧壁上设置的导风孔增加了热传导作用,令热风能够吹入到固废的中心区域,使得固废能够在短时间内均匀烘干。

标签:
固废
江苏 - 苏州 来源:中冶有色网 2023-03-19
固体废弃物处置厂废气滤涤设备

本实用新型公开了固体废弃物处置厂废气滤涤设备,包括塔体、水箱、第一入料口、第一出料口、第二入料口、第二出料口、检视窗、通水管、阀门、水泵、喷淋管、喷头、溢流管、过滤网、水箱盖、出风口和入风口。本实用新型结构简单,操作方便,通过水源的循环流动有利于提高水资源的利用率,并通过溢流阀的设计方便水源的补充和排出,具有耗水量少,净化效率高、效果显著等优点,适用于含臭味及各类酸碱污染气体等;本实用新型通过双层的填料设计方便提高废气中粉尘微粒的洗涤效率,有利于通过喷头对废气进行喷淋洗涤,并通过与出风口外接的活性炭吸附箱对废气的异味臭气进行去除,提高排放时的空气质量。

标签:
固废
江苏 - 苏州 来源:中冶有色网 2023-03-19
基于废水处理的固体废渣预过滤装置

本实用新型公开了一种基于废水处理的固体废渣预过滤装置,属于过滤装置领域,一种基于废水处理的固体废渣预过滤装置,包括壳体,壳体的上下两端分别连接有进水管和排水管,进水管上连接有三通阀,排水管贯穿壳体的下端并延伸至壳体内,壳体的上端开凿有安装孔,安装孔内插接有第一滤芯,第一滤芯的上端固定连接有与安装孔相匹配的密封盖,壳体的下端转动连接有转盘,壳体的底端和转盘上均开凿有多个排渣孔,转盘的下端固定连接有集渣盒和套筒,套筒套接在排水管上,集渣盒的下端固定连接有出渣管,出渣管的下端卡接有密封塞,可以实现方便过滤废水中的固定杂质,方便过滤后废渣的收集处理。

标签:
固废
江苏 - 苏州 来源:中冶有色网 2023-03-19
工业废弃固体颗粒高效率回收处理设备

本发明属于工业固体废物回收技术领域,具体的说是一种工业废弃固体颗粒高效率回收处理设备,包括打散箱;所述打散箱的顶部安装有进料口;所述打散箱的内部转动连接有多组转动杆;所述转动杆端部与电机输出端固接;所述转动杆中部固接有挤压轮;所述挤压轮中部固接有多组压齿;所述压齿上在位于挤压轮上套有橡胶轮套;所述压齿上固接有橡胶缓压垫;所述橡胶缓压垫内部开设有泄压孔;通过在回收处理设备的挤压轮上套设有橡胶轮套,可避免硬度较高挤压轮在将结块的固体颗粒挤散时,把固体颗粒挤碎的问题,在将结块的固体颗粒挤散的同时,保持了固体颗粒原有的形状。

标签:
固废
江苏 - 苏州 来源:中冶有色网 2023-03-19
有机固废双层炉体湿式排灰固定床气化炉

本实用新型公开了有机固废双层炉体湿式排灰固定床气化炉,所述气化炉包括进料装置、包括上段炉体和下段炉体的反应区炉体、炉顶气化剂进气口、中段气化剂进气口、炉底气化剂进气口、煤气出气口和排渣装置,上段炉体与下段炉体之间形成有环形空腔,煤气出气口设置在环形空腔对应的下段炉体侧壁上且位于炉顶气化剂进气口与中段气化剂进气口之间,排渣装置设置在水中且包括灰盘、碎渣圈、炉篦支撑件和第一灰刀。该气化炉可应用于各类含碳有机固体的气化处理,解决了煤气与料层反方向移动的逆流式气化装置焦油含量多、进料口煤气泄漏的问题,同时解决了煤气与料层同方向移动的顺流式气化装置固相灰渣中含碳量高的问题。

标签:
固废
江苏 - 苏州 来源:中冶有色网 2023-03-19
有机固废双层炉体湿式排灰固定床气化炉及气化方法

本发明公开了有机固废双层炉体湿式排灰固定床气化炉及气化方法,所述气化炉包括进料装置、包括上段炉体和下段炉体的反应区炉体、炉顶气化剂进气口、中段气化剂进气口、炉底气化剂进气口、煤气出气口和排渣装置,上段炉体与下段炉体之间形成有环形空腔,煤气出气口设置在环形空腔对应的下段炉体侧壁上且位于炉顶气化剂进气口与中段气化剂进气口之间,排渣装置设置在水中且包括灰盘、碎渣圈、炉篦支撑件和第一灰刀。该气化炉可应用于各类含碳有机固体的气化处理,解决了煤气与料层反方向移动的逆流式气化装置焦油含量多、进料口煤气泄漏的问题,同时解决了煤气与料层同方向移动的顺流式气化装置固相灰渣中含碳量高的问题。

标签:
固废
江苏 - 苏州 来源:中冶有色网 2023-03-19
有机固废套筒式导气湿式排灰固定床气化炉及气化方法

本发明公开了有机固废套筒式导气湿式排灰固定床气化炉及气化方法,所述气化炉包括进料装置、反应区炉体、炉顶气化剂进气口、中段气化剂进气口、炉底气化剂进气口、煤气出气口和排渣装置,反应区炉体包括炉壁和炉腔,炉腔中段设有套筒,套筒与炉壁之间形成有环形空腔,套筒上部为上宽下窄结构且套筒的上端止抵于炉壁,煤气出气口设在炉壁的中部且位于环形空腔所在的区域内,排渣装置设置在水中且包括灰盘、碎渣圈、炉篦支撑件和第一灰刀。该气化炉可应用于各类含碳有机固体的气化处理,解决了煤气与料层反方向移动的逆流式气化装置焦油含量多、进料口煤气泄漏的问题,同时解决了煤气与料层同方向移动的顺流式气化装置固相灰渣中含碳量高的问题。

标签:
固废
江苏 - 苏州 来源:中冶有色网 2023-03-19
套筒式双氧化层固定床气化炉及有机固废气化的方法

本发明公开了套筒式双氧化层固定床气化炉及有机固废气化的方法。该气化炉包括:进料装置、反应区炉体、炉顶气化剂进气口、中段气化剂进气口、炉底气化剂进气口、煤气出气口、气化剂分布调节器和排渣装置。其中炉体内上段设有布料装置、中段设有套筒、底部设有炉篦,套筒与炉壁之间形成环形空腔,套筒上部为上宽下窄结构且套筒的上端止抵于炉壁;炉底气化剂进气口与炉篦的下部连通,煤气出气口设在炉壁的中部且位于环形空腔所在的区域内,气化剂分布调节器可上下移动地设在炉底气化剂进气口的出口端。该气化炉可应用于含碳有机固体的气化处理,解决煤气与料层反方向移动的逆流式气化炉气化效果差、焦油含量多、灰渣中含碳量高等的问题。

标签:
固废
江苏 - 苏州 来源:中冶有色网 2023-03-19
有机固废套筒式导气湿式排灰固定床气化炉

本实用新型公开了有机固废套筒式导气湿式排灰固定床气化炉,所述气化炉包括进料装置、反应区炉体、炉顶气化剂进气口、中段气化剂进气口、炉底气化剂进气口、煤气出气口和排渣装置,反应区炉体包括炉壁和炉腔,炉腔中段设有套筒,套筒与炉壁之间形成有环形空腔,套筒上部为上宽下窄结构且套筒的上端止抵于炉壁,煤气出气口设在炉壁的中部且位于环形空腔所在的区域内,排渣装置设置在水中且包括灰盘、碎渣圈、炉篦支撑件和第一灰刀。该气化炉可应用于各类含碳有机固体的气化处理,解决了煤气与料层反方向移动的逆流式气化装置焦油含量多、进料口煤气泄漏的问题,同时解决了煤气与料层同方向移动的顺流式气化装置固相灰渣中含碳量高的问题。

标签:
固废
江苏 - 苏州 来源:中冶有色网 2023-03-19
便于固废样品浸出毒性的浸提瓶

本实用新型涉及一种便于固废样品浸出毒性的浸提瓶。所述浸提瓶包括瓶体、瓶盖和底座。底座由底盘(A)、底盘(B)以及活动旋转连接器(C)组成。底盘(A)和(B)在距离圆心1/4处分别各有一个相同尺寸大小的圆形排气孔(a)、(b)。实验员在进行浸提操作时,盖好瓶盖摇晃瓶体使固体废物充分溶解在浸提剂中,此时圆形排气孔(a)和(b)为错位状态,浸提瓶气密性良好。待实验员摇晃一定程度后瓶体中会产生一定气体,此时将整个瓶体倒置,在通风橱中旋转底盘(A)使圆形排气孔(a)与(b)相对应,瓶体中的气体将从两个圆形排气孔中释放出来使浸提瓶体中的压力与瓶外大气压维持平衡。

标签:
固废
江苏 - 苏州 来源:中冶有色网 2023-03-19
秸秆干化泥状固废的方法和装置

本发明公开了一种秸秆干化泥状固废(污泥、人畜粪便、餐厨垃圾等)的方法和装置,属于固体废弃物处理工程技术领域。为解决污泥干化能耗高、占地大、以及效率低下的缺陷,本发明采用方法是:将秸秆与污泥分层或混合入筒仓存储,在重力作用下较干燥秸秆会吸附污泥中水份,并最终使污泥中水分减少至满足平衡燃烧。由于污泥干化过程不耗热能,以及无须人工干预,故运营成本很低。本发明的装置是:存储秸秆和污泥的筒仓仓体是随筒仓内物料的高度上升或下降。由于仓体构造简单,故建设投资很小。

标签:
固废
江苏 - 苏州 来源:中冶有色网 2023-03-19
工业固废处理用定向分类设备

本实用新型公开了工业固废处理用定向分类设备,包括处理箱的内部设置有过滤桶,过滤桶内部的两侧均开设有通槽,通槽的内部设置有安装框,安装框的内部嵌设有过滤网,过滤桶的两边侧均设置有安装机构,安装机构包括安装板、固定杆、连接板、两个限位杆和弹簧,安装板的边侧与安装框固定连接,固定杆的一端与过滤桶的外壁固定连接,固定杆的外壁与连接板滑动穿插连接,限位杆位于安装板上,弹簧套设于固定杆的外壁。本实用新型通过利用过滤网、安装板、固定杆、连接杆、限位杆和弹簧的相互配合,限位杆对安装板的位置进行限定,进而有利于对过滤网进行拆卸,便于对过滤网进行清洗或更换,便于增加液体和固体废物分离的效果。

标签:
固废
江苏 - 苏州 来源:中冶有色网 2023-03-19
群仓构建固废填埋场的方法和装置

本发明公开了一种群仓构建固废填埋场的方法和装置,是属于固体废弃物处理工程技术领域。现有垃圾填埋场产生的大量渗沥液一直是难以攻克的技术难题,本发明可有效阻断地表径流水和雨水入侵,使垃圾填埋场无外溢渗沥液产生,从而解决了这一技术难题。现有尾矿库如遇长时间降雨,库中尾矿呈液态对尾矿坝产生很大侧压力,一旦垮坝将形成人造泥石流对下游造成巨大危害。本发明除有效阻断地表径流水和雨水入侵外,还可长期持续排出尾矿中积水使其呈固态,最终形成尾矿干化填埋场彻底消除垮坝隐患。特别具有重要意义的是:本发明适用于在已建垃圾填埋场(或尾矿库)进行拓建和覆盖,不仅可以消除老坝体安全隐患,还可以利用现有场地增加很大库容。

标签:
固废
江苏 - 苏州 来源:中冶有色网 2023-03-19
用于固废检测的预处理装置

本实用新型公开了一种用于固废检测的预处理装置,包括机体、控制盒、压辊、第一搅拌杆,所述机体内部顶端固定有压辊,所述压辊一侧固定连接第二齿轮盘,所述第二齿轮盘一侧固定连接第二电机,所述压辊下方固定有第二搅拌杆,所述第二搅拌杆底端固定连接第二锥齿轮,所述第二锥齿轮一侧啮合转动第一锥齿轮,所述第一锥齿轮固定连接连接杆,所述连接杆上端固定有挡板,挡板与机体内壁转动连接,通过设置热风装置,并且在放置板一侧固定了传送带,传送带将经过碾压和搅碎的固体废物传送到烘干筒内,烘干筒一侧固定了热风装置,底端的搅拌杆对固体废物料进行搅拌,热风装置向筒体内吹入热风进行烘干,方便后续操作,一套连贯的处理程序能够提高效率。

标签:
固废
江苏 - 苏州 来源:中冶有色网 2023-03-19
上一页 78 79 80 81 下一页
共81页    到第

中冶有色为您提供最新的江苏苏州有色金属固/危废处置技术理论与应用信息,涵盖发明专利、权利要求、说明书、技术领域、背景技术、实用新型内容及具体实施方式等有色技术内容。打造最具专业性的有色金属技术理论与应用平台!

全国热门有色金属设备推荐
展开更多 +
全国热门有色金属技术推荐
展开更多 +

 

江西省隆恩特环保设备有限公司
宣传

报名参会
更多+

报告下载

有色专家
更多+

鞍钢集团有限公司
中国工程院院士
南方科技大学
外籍院士
中国瑞林工程技术有限公司
中国工程院院士
赣州江钨钨合金有限公司
工程师
中国矿业大学(北京)
教授
赤泥综合利用研究报告2025
推广

热门技术
更多+

推荐企业
更多+

福建省金龙稀土股份有限公司
宣传

发布

在线客服

公众号

电话

顶部
咨询电话:
010-88793500-807