青岛垚鑫智能科技有限公司
宣传

位置:中冶有色 >

有色技术频道 >

> 固/危废处置技术

分类:
全部
矿山技术
冶金技术
材料制备及加工技术
环境保护技术
分析检测技术
 
全部
废水处理技术
大气治理技术
固/危废处置技术
土壤修复技术
地区:
全部
北京
天津
上海
重庆
河北
山西
辽宁
吉林
黑龙江
江苏
浙江
安徽
福建
江西
山东
河南
湖北
湖南
广东
海南
四川
贵州
云南
陕西
甘肃
青海
内蒙
广西
西藏
宁夏
新疆
其他
其他
展开
 
全部
南京
无锡
徐州
常州
苏州
南通
连云港
淮安
盐城
扬州
镇江
泰州
宿迁

江苏南京有色金属固/危废处置技术理论与应用

免费发布技术信息>>
直接将PET废料解聚并制取增塑剂的方法

一种直接将PET废料解聚并制取增塑剂的方法。制备一种高岭土基负载型固体催化剂,应用于废聚酯(PET)的回收利用中。酯交换反应在高压釜内进行,在实验条件下,PET的解聚率可达100%,对苯二甲酸二(2‑乙基)己酯的选择性可达80%到90%。所述的高岭土基负载型固体催化剂,是将高岭土进行酸处理后,以浸渍沉淀法负载氧化亚锡活性成份。该类催化剂应用于酯化反应或酯交换反应中具有很高的催化活性,能显著地加快反应进程,简化后处理工艺。

标签:
固废
江苏 - 南京 来源:中冶有色网 2023-03-19
废稀硫酸回收利用处理方法

本发明涉及一种废稀硫酸回收利用处理方法,包括以下步骤,1)将炉气先经过文氏管,同时通过压力泵将稀酸水槽内的稀酸水压入文氏管进行管内喷洒,出理后的炉气再经过泡沫塔,同时通过压力泵将稀酸水槽内的稀酸水压入泡沫塔进行塔内喷洒;2)通过压力泵将步骤1)处理后稀酸水槽内的稀酸清水压入微孔过滤器中,经过过滤后到达稀酸水储槽;3)将大孔胺基膦酸螯合树脂放入步骤2)中稀酸水储槽在常温下混合振荡30min,充分对稀酸水中的重金属离子进行吸附。本发明的有益效果为:采用微孔过滤器对稀酸水过滤,保证过滤出的稀酸水中不含任何的固体杂质;通过树脂吸附法去除溶液中的杂质离子,提高了硫酸产品的透光率、透明度。

标签:
固废
江苏 - 南京 来源:中冶有色网 2023-03-19
萘法苯酐生产装置的废气净化设备

本实用新型公开了一种萘法苯酐生产装置的废气净化设备,涉及萘法苯酐生产技术领域,便于便于去除废气中的固体颗粒物,进而减少废气中携带的固定颗粒物,其技术方案要点是:包括水喷淋塔塔体以及设置在塔体侧壁下端的进气口和塔体顶部的排气口,所述塔体上端内壁设有除沫脱水器,所述塔体底部设有排水管,所述塔体在除沫脱水器下端设有进水管,所述塔体在进水管的出水口的下方设有使得废气聚集向进水管出水口方向流动的导向件,所述进水管出水口上设有使得水流覆盖导向件出口的分布件。

标签:
固废
江苏 - 南京 来源:中冶有色网 2023-03-19
畜禽养殖废水处理系统

本实用新型公开了一种畜禽养殖废水处理系统,集成有用于固液分离的预处理系统、用于降解可溶性污染物的生物处理系统以及用于中水回用的深度处理系统;其中,预处理系统包括集水池、固液分离池、用于收集分离后固体物质的粪便发酵池;生物处理系统依次包括调节池、上流式酸化反应器、多级依次交替设置的缺氧池和好氧池,以及MBR反应池,固液分离池的出水进入生物处理系统的调节池;深度处理系统依次包括芬顿池、终沉池和回用水池;MBR反应池的出水进入芬顿池。本实用新型畜禽养殖废水处理系统有效解决了畜禽养殖废水高含固量、高有机物、高氨氮浓度的问题,实现了畜禽粪便资源化与废水处理后回用的目的。

标签:
固废
江苏 - 南京 来源:中冶有色网 2023-03-19
利用废弃聚苯乙烯泡沫塑料制备高效减水剂的方法

本发明公开了一种利用废弃聚苯乙烯泡沫塑料制备高效减水剂的方法,将重均分子量在90000-100000的废弃聚苯乙烯泡沫塑料固体颗粒,放入装有搅拌器、温度计、滴液漏斗和回流冷凝管的反应釜中,加入磺化剂和催化剂,在20-30℃下搅拌24小时,加入水混合,滤去溶液中的不溶物,调节溶液的pH值至10~11,熟化后得到产物,此种制备方法避免了生产过程中有机溶剂的排放而对环境的污染,实现了产物的常温生产,简化了磺化废弃聚苯乙烯泡沫塑料塑料高效减水剂生产过程,节约了生产成本,且产品掺量小、减水性能好。

标签:
固废
江苏 - 南京 来源:中冶有色网 2023-03-19
4,6-二硝基-1,2,3-三氯苯水解反应中废水的处理方法

本发明涉及由4,6-二硝基-1,2,3-三氯苯合成2-氯-4,6-二硝基-1,3-间苯二酚过程中废水的处理方法,采用铁碳微电解和二氧化氯活性炭催化氧化两步法处理水解废水,原水的COD为22000mg/L,经铁碳微电解处理后可降解约50%的COD,经两步处理后废水的COD在1000mg/L左右。对氧化出水的可生化性分析BOD/COD=0.303,表明氧化出水适宜生化处理。本发明采用常温处理的方式,安全且操作简便,不产生固体废物等二次污染,操作时间短,处理效果稳定。

标签:
固废
江苏 - 南京 来源:中冶有色网 2023-03-19
采用废塑料瓶制备磁性填料的方法

本发明涉及一种采用废塑料瓶制备磁性填料的方法,属于水处理技术领域。采用废塑料瓶制备磁性填料的方法,包括塑料瓶的切割、低温等离子体改性和微细铁氧体粉末喷涂。具体制备过程是:先将废塑料瓶切成细条状塑料,然后采用介质阻挡放电等离子体发生器产生低温等离子体对细条状塑料进行改性,最后利用空气流将微细铁氧体粉末喷涂在细条状塑料表面,形成塑料磁性填料。磁性填料的原料为废塑料瓶、重金属离子废水处理产物磁性铁氧体,成本低,实现了固体废物的资源化;磁性填料表面具有较高的生物亲和性,易于挂膜,处理污水的效率高。

标签:
固废
江苏 - 南京 来源:中冶有色网 2023-03-19
便于净化生活废水的防堵塞性污水处理装置

本实用新型属于污水处理领域,具体涉及一种便于净化生活废水的防堵塞性污水处理装置,包括箱体,所述箱体的上端通过螺纹连接有箱盖,所述箱盖上设置有入水孔,所述箱体的右端开设有出水孔,所述箱体内接触连接有第一过滤室,所述第一过滤室的下端固定连接有安装框,所述安装框内粘接有第一过滤网。本实用新型通过设置第一过滤室为半圆形状,大颗粒固体物可以从入水孔进入后沿半圆外侧滑落直接进入沉淀箱,下料槽为漏斗形结构,固体物不易在箱壁残留,沉淀箱通过螺纹和下料孔连接,容易拆卸清理,通过设置第一过滤室从下方进水,废水从上方进入第二过滤室,紊流板扰乱水流,水流相对运动,第二过滤网上不会有固体物堆积,不易发生堵塞。

标签:
固废
江苏 - 南京 来源:中冶有色网 2023-03-19
低消耗催化分离的废水处理方法

本发明公开了一种低消耗催化分离的废水处理方法,其包括步骤:1)废水通过格栅井、隔油池,分离悬浮物;2)将活性气体溶解于水中,产生溶气水;3)破乳处理;4)沉降处理;5)在气浮池中通入溶气水,释放出微细气泡进入废水中,实现废水初步分离;6)生物降解;7)臭氧池中分解,得到氧化分解水;8)氧化处理;9)破乳处理;10)将沉降处理得到的废水经过过滤装置过滤,过滤后排入收集池中;本发明方法采用通过电场激活的气体做气源,产生溶气水,释放到污水中,产生细密的气泡,具有破乳作用,网捕效应好,促进胶体失稳、减少药剂消耗,起到强化乳化物、悬浮性固体与水分离的目的,减少泥产量、降低污泥中药剂含量。

标签:
固废
江苏 - 南京 来源:中冶有色网 2023-03-19
钛白废酸制备钛石膏的方法

本发明提供了一种钛白废酸制备钛石膏的方法,所述方法包括如下步骤:(1)搅拌条件下,将中和药剂分30‑60次加入至钛白废酸中进行中和反应;(2)步骤(1)所述中和反应结束所得浆料进行静置处理,固液分离,干燥固液分离后所得固体,得到所述钛石膏。本发明将中和药剂分批次加入到钛白废酸溶液中,通过控制添加中和药剂的时间间隔,克服了中和反应生成的硫酸钙阻碍中和反应持续进行的缺陷,获得了二水硫酸钙含量≥85%的钛石膏。本发明提供的方法工艺简单,有利于提高钛白废酸的利用效果,提高了所得钛石膏的产品质量并提高企业的经济效益,具有良好的工业应用前景。

标签:
固废
江苏 - 南京 来源:中冶有色网 2023-03-19
含磷酸盐的废盐资源化处理方法

本发明公开了一种含磷酸盐的废盐资源化处理方法。所述方法首先将含磷酸盐的废盐于300℃~500℃热解后与水混合,在80℃~100℃加热条件下使磷酸盐充分溶解并加入活性炭搅拌,过滤得到含有少量氯化钠的磷酸盐溶液,调节盐溶液的pH值至4~12,然后将70℃~90℃的热磷酸盐溶液以15~30℃/h的降温速率冷却结晶析出磷酸盐固体,固液分离后回收滤液,得到磷酸盐。本发明以磷酸二氢钠、磷酸氢二钠和磷酸钠等形式回收磷酸盐,实现了废盐的资源化回收利用,回收的磷酸盐纯度高且晶粒度较好,避免了重结晶过程中降温过快导致结晶效果差的问题,同时,分离得到的活性炭和滤液都可以通过再生重复利用,保证了废水的零排放。

标签:
固废
江苏 - 南京 来源:中冶有色网 2023-03-19
切削液废液处理方法
切削液废液处理方法 751     
 0

本发明提出一种切削液废液处理方法,包括步骤:(1)通过磁性分离去除切削废液中的金属碎屑;(2)通过过滤网对切削废液进行过滤,滤除切削液中存在的固体杂志,得到第一处理液;(3)在第一处理液中加入乳化剂,去除切削废液中的油脂性物质后得到第二处理液;(4)向第二处理液中加入药剂,促进第二处理液中的氧化物发生氧化反应,得到第三处理液;(5)调节第三处理液的PH值为中性值,向中性的第三处理液中加入混凝药剂,使第三处理液中的悬浮颗粒形成凝絮物体,得到第四处理液;(6)对第四处理液进行过滤后得到清液。本发明可快速实现切削废液的处理,有效去除油脂、金属碎屑、高有机物和难降解的物质。

标签:
固废
江苏 - 南京 来源:中冶有色网 2023-03-19
生产重油加氢催化剂的废水处理方法

本发明涉及一种生产重油加氢催化剂的废水处理方法,该方法采用“加碱除硬+澄清+微滤+离子交换+调酸+膜蒸馏+蒸发结晶”的工艺流程,本发明对进入膜蒸馏器的废水进行了预处理使得废水中Ca2+、Mg2+浓度≤5mg/L,降低膜蒸馏过程的膜污染,提高了膜蒸馏器运行周期,该方法采用多级能量回收式膜蒸馏器,对于膜蒸馏过程的能量进行了回收利用,提高了膜蒸馏过程热利用率,降低了处理废水的能耗,同时该方法产水质量好,产水电导率≤10μs/cm,可以作为工业水继续回用,蒸发结晶后的固体结晶物可以集中处理或回收,实现了催化剂废水的零排放。

标签:
固废
江苏 - 南京 来源:中冶有色网 2023-03-19
用废矿物油制备再生基础油设备

本实用新型公开了一种用废矿物油制备再生基础油设备,涉及废矿物油回收技术领域,为解决现有技术中的废矿物油的形成大多是一些液体或是固体杂质进入到原油中造成原油污染,因为杂质的原因导致其无法进行正常的使用,形成浪费的问题。所述换热器的一端设置有原料油管道,且换热器与原料油管道通过法兰连接,所述换热器外表面的一侧设置有蒸汽输入口,且另一侧设置有蒸汽输出口,所述换热器的另一端设置有絮凝罐,且换热器与絮凝罐通过预热转送管道连接,所述絮凝罐的底部设置有排渣口,所述絮凝罐的上方设置有闪蒸塔,且絮凝罐与闪蒸塔通过闪蒸管道连接,所述闪蒸塔的一侧设置有加热炉,且加热炉与闪蒸塔通过蒸汽管道连接。

标签:
固废
江苏 - 南京 来源:中冶有色网 2023-03-19
一体化医用废水处理设施

本实用新型公开了一种一体化医用废水处理设施,包括处理箱,所述处理箱的顶端开设有进水口,处理箱的两侧内壁之间活动连接有过滤板,过滤板的上表面固定连接有多个C形挡框,且处理箱的两侧内壁之间活动连接有转动杆,转动杆的圆周一侧固定连接有凸轮,所述处理箱的底部密封插接有连接筒,连接筒的多侧外壁滑动连接有盛放盒,且连接筒的多侧内壁活动连接有过滤网,所述连接筒的两侧内壁之间固定连接有紫外线杀菌灯,连接筒的一侧开设有出水口,盛放盒的一侧外壁密封插接有出水管。本实用新型方便对过滤板上的固体废弃物作处理,同时以便于对过滤网做清理和更换以及对盛放盒底部作清理,保障了后续的废水处理效果。

标签:
固废
江苏 - 南京 来源:中冶有色网 2023-03-19
生物医药生产用废液收集器

本实用新型公开了一种生物医药生产用废液收集器,包括主体,所述主体包括筒体,所述筒体的一端安装有滤板,所述筒体内部滑动安装有活塞,当装置在实际使用时,通过将废液排入主体的筒体中的活塞和滤板之间,再控制活塞在筒体中做上下往复运动,活塞向下时,其将和滤板一起将两者间的废液进行挤压,将废液挤压过滤,使得废液中的固体杂质存留在筒体中,液体则直接排出筒体,完成对废液的固液分离。

标签:
固废
江苏 - 南京 来源:中冶有色网 2023-03-19
具有颗粒物去除及气压调节功能的废气净化设备

本发明涉及一种具有颗粒物去除及气压调节功能的废气净化设备,包括主体、进气管、出气口和过滤网,还包括清除机构和调节机构,清除机构包括震动组件和清扫组件,震动组件包括第一电机、驱动轮和两个震动单元,清扫组件包括往复单元和伸缩单元,调节机构包括检测组件和转动组件。该具有颗粒物去除及气压调节功能的废气净化设备中,通过清除机构,使得过滤网上下震动及清扫,防止固体颗粒物堵塞过滤网,影响废气过滤的效果,通过调节机构,可以检测主体的内部压强并且对进气口中的废气流量进行调节,减轻了过高的气压对主体内部结构的影响,起到保护作用,通过这些,提高了废气净化设备的实用性和可靠性。

标签:
固废
江苏 - 南京 来源:中冶有色网 2023-03-19
用于自动焊锡机的除废锡装置

本实用新型公开了一种用于自动焊锡机的除废锡装置,其涉及自动焊锡领域,旨在解决现有自动焊锡机去除废锡不稳定的问题,其技术要点包括设置在机架内的熔锡炉和设置在机架内位于熔锡炉远离助焊剂炉一侧的废锡回收箱,所述废锡回收箱的顶端位于熔锡炉顶端的下方,其特征在于:还包括设置在机架内位于废锡回收箱远离熔锡炉一侧的集化驱动组件、设置在集化驱动组件驱动端的水平挡锡板、设置在水平挡锡板下表面远离集化驱动组件的一端的竖直刮锡板以及设置在水平挡锡板上的若干碎锡槽,本实用新型可以有效防止固体废锡反倾倒到熔融的锡液中,保证金属端子脚焊锡工作的正常进行。

标签:
固废
江苏 - 南京 来源:中冶有色网 2023-03-19
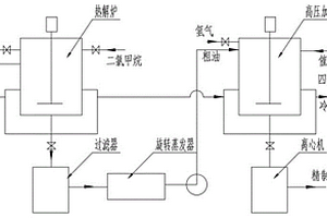
废轮胎制备高品质油的方法

本发明公开了一种废轮胎制备高品质油的方法,包括以下步骤:(1)废轮胎粉碎:将废轮胎粉碎;(2)热解:将预处理过的轮胎送入热解炉,在氦气氛围下加压热解;(3)冷却分离:热解后液体混合物经过冷却以及二氯甲烷冲洗后,再经过过滤以及旋转蒸发得到粗油;(4)精制:将步骤(3)得到的粗油送入二级高压加热反应釜,在氢气氛围下,加入定量催化剂和四氢萘,加压定温反应后,得到的液体经冷却以及离心分离后得到精制油。本发明通过四氢萘与氢气联合作用,减少气体和固体产品的产量,提高了所得到的由品的质量,同时引入催化剂极大降低了NOS的含量,因此,本发明既能提高轮胎制油的品质,又可以提升油的环保性。

标签:
固废
江苏 - 南京 来源:中冶有色网 2023-03-19
给排水用废水曝气装置

本发明属于给排水技术领域,尤其是一种给排水用废水曝气装置,针对现有技术中对固体杂质密集度大的废水曝气效果差的问题,现提出以下方案,包括处理壳体,所述处理壳体的外壁设置有进水管、出水管、第一曝气管和排气管,所述处理壳体设置成水平放置的圆筒状结构,且处理壳体的两端均固定有密封盖,所述进水管和出水管分别设置于处理壳体的两端底部。本发明中,从位于处理壳体两侧的第一曝气管和第二曝气管向废水中进行曝气处理,且搅拌件远离固定杆的端部与处理壳体的内壁,以及第一曝气管和第二曝气管的端部接触滑动,从而避免第一曝气管和第二曝气管的端口位置发生堵塞而影响曝气效果。

标签:
固废
江苏 - 南京 来源:中冶有色网 2023-03-19
工业清洗废水的零排放处理工艺

本发明涉及一种工业清洗废水的零排放处理工艺,属于水处理技术领域。为了解决在对硅片表面去除硅片表面的污染物和自身氧化物的过程中所产生的大量废水无较好的处理方法的问题,本发明公开了一种对清洗废液的处理方法,本方法一方面能够有效地回收其中的硅粉等固体,另一方面,能够有效地对清洗液中的有效成分进行回收利用,同时,也能实现整个清洗液的零排放的效果。

标签:
固废
江苏 - 南京 来源:中冶有色网 2023-03-19
废弃资源回收利用制备环保增塑剂的方法

一种废弃资源回收利用制备环保增塑剂的方法,将含有对苯二甲酸钠盐的碱减量废水转入带有搅拌装置的酸析槽中,加入硫酸持续析出PTA固体;将混合液进行板框过滤得PTA粗料;将上述回收的PTA粗料加入带有醇水分离装置的酯化反应釜中,加入异辛醇,升温脱水,加入催化剂钛酸四丁酯进行酯化反应;待反应不再出水结束反应,进行脱醇,得到DOTP粗品;将上述所制DOTP粗品用填料式精馏塔进行精馏,取精馏后的产品加入中和反应釜中,加入氢氧化钠碱水搅拌碱洗;静置沉降后排放下层的水溶液,再加入热水进行搅拌水洗,静置沉降后排掉下层水分,进行升温脱水,添加无机型助滤剂进行过滤,得纯DOTP产品实现废弃资源的回收再利用。

标签:
固废
江苏 - 南京 来源:中冶有色网 2023-03-19
含盐废水的近零排放工艺

本发明涉及一种含盐废水的近零排放工艺,具体步骤为:1)预处理:去除原水中的部分COD、悬浮物、硬度等;2)电吸附:去除经过预处理的部分产水中的无机盐;该过程产生浓水与氧化未经电吸附处理的部分废水一起进入膜过滤系统;3)膜处理系统:膜处理系统主要包括超滤、反渗透和电渗析工艺;4)蒸发结晶及盐泥处理工艺。对电渗析产水浓盐水进行蒸发结晶处理,产生淡水进入供水系统,产生固体进入盐泥处理系统。该工艺的水综合回收率可以达到99.5%,实现了含盐废水的资源化和无害化处理。

标签:
固废
江苏 - 南京 来源:中冶有色网 2023-03-19
利用火电厂脱硫废水制取七水硫酸镁的方法

本发明公开了公开了一种采用该装置利用火电厂脱硫废水制取七水硫酸镁的的方法,包括以下步骤:脱硫废水进絮凝沉淀单元,絮凝后,上清液进入镁沉淀单元;芒硝进入双极膜单元分解为氢氧化钠和硫酸,上清液与氢氧化钠溶液混合,得到氢氧化镁沉淀;氢氧化镁经洗涤脱水;硫酸与氢氧化镁固体溶解并转化为硫酸镁溶液;硫酸镁溶液进入蒸发结晶单元,七水硫酸镁的结晶析出,并经脱水后得到七水硫酸镁产品。还公开了制取七水硫酸镁的装置,包括絮凝沉淀单元、镁沉淀单元、镁过滤洗涤单元、双极膜单元、蒸发结晶单元。本发明实现低运行成本的、能够利用脱硫废水制取硫酸镁,同时实现脱硫废水主要污染物的资源化利用并最终实现零排放。

标签:
固废
江苏 - 南京 来源:中冶有色网 2023-03-19
利用生物质和真菌处理染料废水的方法

本发明公开了一种利用生物质和真菌处理染料废水的方法,包括生物质预处理、吸附、回收分离、固态发酵等步骤。本发明的方法利用农业废弃物秸秆和真菌固态发酵技术设计了染料废水处理新方法,使得染料分子通过吸附作用快速附着在秸秆表面,明显减少了废水中染料成分的含量。相对于活性炭吸附剂,废弃秸秆的价格更加低廉且来源广泛;培养出的白腐真菌对染料污染物具有很好的降解去除效果,通过真菌固体发酵技术处理吸附染料的秸秆,减少化学药剂使用量和残留药剂对环境的污染。整体操作简单、成本低廉、绿色环保。

标签:
固废
江苏 - 南京 来源:中冶有色网 2023-03-19
絮凝剂回收式废油再生集成装置及其应用

本发明公开了一种絮凝剂回收式废油再生集成装置及其应用。该装置通过集成为一体的搅拌沉降罐、蒸馏罐、絮凝剂冷凝管等装置实现了废油再生与萃取剂实时回收利用的同时作业。所得到的再生油符合国家所规定的废油回收标准,所回收的萃取剂经过简单处理后即可循环使用。废油再生过程中产生的水送入水处理系统,固体杂质则制成印刷油墨或作为铺路沥青加以应用。该装置及其应用实现了以较低的成本、环保的方法、较高的效率对废油进行再生处理的目标。

标签:
固废
江苏 - 南京 来源:中冶有色网 2023-03-19
采用碱溶液从银杏叶废渣中提取抗氧化剂的方法

本发明提出了一种银杏叶废渣制备抗氧化剂的方法,涉及到固体废弃物的资源化利用。本发明采用稀的碱溶液,在温和条件下得到提取物,通过后处理获得抗氧化剂。该方法对银杏叶废渣中的活性成分深度利用,所用提取条件温和,方法简单易于实施,提取过程环保。本发明主要包括银杏叶废渣前处理、加热回流和冷冻干燥三个主要步骤。取银杏叶粉末,加入液固比为10~30的(mL/g)NaOH碱溶液,碱溶液质量浓度为0.02%~0.5%,在60~100℃条件下加热回流30~120min。加热结束后,样品过滤,得到滤液。滤渣采用清水洗涤至洗涤液pH达8。将滤液与洗涤液合并,减压蒸发,将浓缩后的液体冷冻干燥,得到抗氧化剂。所得到的抗氧化剂得率最高达13.89%,对DPPH自由基清除率达50%时所需最低浓度为9.8mg/mL。

标签:
固废
江苏 - 南京 来源:中冶有色网 2023-03-19
从稀土湿法冶炼草沉废水中回收草酸的工艺

本发明涉及稀土湿法冶炼废水处理资源化治理领域,特别是涉及从稀土湿法冶炼草沉废水中回收草酸的工艺。本发明公开了一种从稀土湿法冶炼草沉废水中回收草酸的工艺,通过向稀土草沉废水中加入碱性钙离子,固液分离收集草酸钙固体部分;向草酸钙中加入稀硫酸溶液,固液分离,取液体部分降温至0~15℃,析晶,得到高纯度草酸。从而可以有效从稀土湿法冶炼草沉废水中回收草酸,回收率达到50%以上,回收得到的草酸纯度达到95%以上。同时,本发明所公开的方法无需离子树脂等产品参与,也无需复杂的柱层析工艺,因此处理成本低,工艺简单、可靠。适合于工业化推广。

标签:
固废
江苏 - 南京 来源:中冶有色网 2023-03-19
基于磷石膏清洗废水制备羟基磷灰石的方法

本发明涉及一种基于磷石膏清洗废水制备羟基磷灰石的方法,所述方法包括如下步骤:(1)对清洗废水进行pH调节并搅拌,之后进行固液分离得到滤液;(2)将步骤(1)得到的滤液进行加热搅拌并进行第一pH调节,冷却后进行第二pH调节并搅拌进行反应,之后进行固液分离,得到固体;(3)将步骤(2)得到的固体依次进行洗涤及煅烧,得到所述羟基磷灰石。本发明是基于磷石膏的水洗预处理,整个过程不加入有毒试剂,反应条件温和,同时可以解决磷石膏水洗预处理带来的二次污染问题,不会对环境产生危害。此外,制备羟基磷灰石过滤出来的滤液可以用于磷石膏的清洗,达到水的循环使用,降低水资源的消耗。

标签:
固废
江苏 - 南京 来源:中冶有色网 2023-03-19
含有硫酸铵的有机废液资源化利用方法

本发明提供了一种含有硫酸铵的有机废液资源化利用方法,包括以下步骤:第一步:对有机废液投加与有机废液中硫铵含量等摩尔的硫酸铝和助剂,并加热;第二步:对有机废液冷却;第三步:进行固液分离,分离出来的硫酸铝铵固体经干燥、包装销售;第四步:对溶液进行蒸发浓缩,蒸发冷凝液并送生化装置进行污水处理;第五步:将浓缩液排入罐或槽中进行冷却静置,静置形成的底液与结晶沉淀,将底液进入第三步,浓缩液进入到第六步;第六步:将去除沉淀与底液的浓缩液排入产品储罐得到炉用燃料油,待按炉用燃料标准检测合格后进行本发明的方法获得液体燃料,实现资源化综合利用,特别适合己内酰胺生产过程中苯萃取后浓缩的硫铵废液处理。

标签:
固废
江苏 - 南京 来源:中冶有色网 2023-03-19
上一页 73 74 75 76 77 ... 98 下一页
共98页    到第

中冶有色为您提供最新的江苏南京有色金属固/危废处置技术理论与应用信息,涵盖发明专利、权利要求、说明书、技术领域、背景技术、实用新型内容及具体实施方式等有色技术内容。打造最具专业性的有色金属技术理论与应用平台!

全国热门有色金属设备推荐
展开更多 +
全国热门有色金属技术推荐
展开更多 +

 

江西省隆恩特环保设备有限公司
宣传

报名参会
更多+

报告下载

有色专家
更多+

长沙矿冶研究院有限责任公司
中国工程院院士
广西大学
处长/教授
重庆大学
副院长/教授
南京理工大学、中国科学院
院士
长沙有色冶金设计研究院有限公司
正高级工程师/中国铝业首席工程师/全国有色金属行业设计大师/国家注册采矿工程师
赤泥综合利用研究报告2025
推广

热门技术
更多+

推荐企业
更多+

福建省金龙稀土股份有限公司
宣传

发布

在线客服

公众号

电话

顶部
咨询电话:
010-88793500-807