青岛垚鑫智能科技有限公司
宣传

位置:北方有色 >

有色技术频道 >

> 固/危废处置技术

分类:
全部
矿山技术
冶金技术
材料制备及加工技术
环境保护技术
分析检测技术
 
全部
废水处理技术
大气治理技术
固/危废处置技术
土壤修复技术
地区:
全部
北京
天津
上海
重庆
河北
山西
辽宁
吉林
黑龙江
江苏
浙江
安徽
福建
江西
山东
河南
湖北
湖南
广东
海南
四川
贵州
云南
陕西
甘肃
青海
内蒙
广西
西藏
宁夏
新疆
其他
其他
展开
 
全部
南京
无锡
徐州
常州
苏州
南通
连云港
淮安
盐城
扬州
镇江
泰州
宿迁

江苏南京有色金属固/危废处置技术理论与应用

免费发布技术信息>>
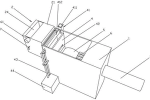
电镀废水中重金属回收装置

本实用新型属于电镀废水处理技术领域,尤其为一种电镀废水中重金属回收装置,包括箱体,所述箱体的内部安装有用于放入化学药剂和废水的搅拌桶,所述搅拌桶的一侧设置有用于加入化学药剂的进药管和用于加入废水的进水管,所述搅拌桶中设置有用于将化学试剂和废水搅拌均匀的搅拌组件,所述箱体的内部位于搅拌桶的一侧设置有用于存放混合后液体的沉淀池。本实用新型通过搅拌组件中的搅拌电机转动,从而带动主动齿轮转动,从而带动四个从动齿轮转动,从而带动搅拌桶内的四个搅拌杆和搅拌叶一起转动,从而对搅拌桶中的化学试剂和废水进行搅拌,使得化学试剂和废水混合的更均匀,使得发生反应后产生的重金属固体量更多。

标签:
固废
江苏 - 南京 来源:北方有色网 2023-03-19
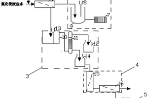
用于大气污染治理的废气净化装置

本实用新型提供一种用于大气污染治理的废气净化装置,包括洗涤罐本体和过滤装置,洗涤罐本体的顶部固定连接有排气管,洗涤罐本体的右侧活动安装有连接管,连接管的右侧活动连接有外壳,过滤装置包括进气口,进气口于外壳的右侧设置,外壳的内部靠近中轴线的位置设置有通风板。本实用新型,通过设置过滤装置,当废气从通入管经过进气口进入原气腔时,废气通过吸附管,吸附管内壁设置有吸附剂,可以吸附并中和废气中的有害物质和大颗粒的固体,通过喷吹管和反吹装置清理滤芯上的灰层,延长装置的使用寿命,现有装置并不能进行自净功能,且工业废气中多含有有害物质以及PM2.5,多次吸附及过滤有效的提高废气净化率,现有装置废气净化率并不高。

标签:
固废
江苏 - 南京 来源:北方有色网 2023-03-19
利用农业废弃物制备生物质缓凝剂的方法及其应用

本发明提供了一种利用农业废弃物制备生物质缓凝剂的方法及其应用,方法包括:1)将农业废弃物进行高能球磨,得到农业废弃物粉末;2)通过负载有金属的固体酸催化剂对步骤1)中得到的农业废弃物进行定向湿解;3)将湿解产物固液分离,得到液体生物质缓凝剂,同时对催化剂进行回收。本发明制备的生物质缓凝剂水溶性好、绿色可降解、性能佳、成本低廉,整体生产工艺能耗低、污染小,在水泥外加剂中可用作水泥缓凝剂。本发明为农业废弃物的高值化利用及其在建筑行业领域的应用提供了一条切实可行的技术路径。

标签:
固废
江苏 - 南京 来源:北方有色网 2023-03-19
便于清理废料带有防护功能的数控机床

本实用新型涉及数控机床技术领域,且公开了一种便于清理废料带有防护功能的数控机床,包括数控机床主体,数控机床主体内部设置有工作台,数控机床主体内部设置有竖板,竖板一侧外表面固定连接有横板,横板底部设置有加工钻头,数控机床主体内部设置有清理机构。该便于清理废料带有防护功能的数控机床,工作人员推动拉块一,带动连接块与活性炭吸附网进入数控机床主体内部,通过活性炭吸附网对废料中的浮尘进行吸附,废料的固体颗粒物落入数控机床主体内部的废料收集盒内部,通过废料收集盒正面的拉块二可便于工作人员进行抽拉废料收集盒,达到数控机床主体便于清理废料的效果。

标签:
固废
江苏 - 南京 来源:北方有色网 2023-03-19
以级配半焦和活性炭处理煤化工废水的方法

本发明公开了一种以级配半焦和活性炭处理煤化工废水的方法,将部分半焦研磨成细粉,与未处理的半焦进行级配,将其置于废水中搅拌混合,吸附和聚沉废水中悬浮油、悬浮固体,半焦和废水进行分离;分离出的废水再通过填充了活性炭的吸收塔,除去废水中的绝大部分的有机污染物和无机盐,吸收塔中的活性炭可在氮气保护下经过加热活化,反复使用至失去活化价值;本发明中通过级配半焦吸附和废水中的悬浮油、悬浮颗粒,使废水澄清,处理过废水的半焦和失去活化价值的活性炭与煤、废水和添加剂混合制备成气化用水煤浆;处理过废水的级配半焦也可加入废水、添加剂制成废水半焦浆,再与工业水煤浆混合作为煤化工原料;从而实现半焦、废水的资源化清洁利用。

标签:
固废
江苏 - 南京 来源:北方有色网 2023-03-19
废水处理专用智能及加药装置

本实用新型公开了一种废水处理专用智能及加药装置,包括反应工作台、固定设置在反应工作台上端的安装板及废水处理仓、固定设置在反应工作台上用于配合对废水处理仓内部进行搅拌清理的搅拌清洁机构和设置在安装板上端用于配合对废水处理仓内部进行加药的加药机构。本实用新型中,通过设置的加药机构,可以实现对处理仓内部进行自动加药,无需人工操作,减少操作步骤;通过设置的搅拌清洁机构,可以提高废水处理效率,同时防止废水内部固体在处理仓内壁粘接,影响后续反应进行。

标签:
固废
江苏 - 南京 来源:北方有色网 2023-03-19
废物分类处理系统
废物分类处理系统 716     
 0

本实用新型涉及一种废物分类处理系统,包括发电装置,发电装置的出口处由电机通过管道将废物输送到粉碎输送机上,粉碎输送机与收集罐一相接,收集罐一通过输送带一将收集罐一内的废物由高压风机吹向滚筒和识别装置,其中所述的识别装置分别将识别后的废物通过输送带三和输送带四输送到有机收集罐和尺寸装置;所述的滚筒通过输送带二将废物输送收集罐二。本实用新型设计合理、使用方便,通过该种处理系统,不仅能够有效的避免资源浪费和固体废物,而且能够充分的分类和处理这些废物,对于有利用价值的废物进行收集并回收利用。

标签:
固废
江苏 - 南京 来源:北方有色网 2023-03-19
多级废水处理装置
多级废水处理装置 740     
 0

本实用新型提供一种多级废水处理装置,涉及废水处理设备技术领域,包括废水处理池,废水处理池一端的外壁上设置有进水池,废水处理池另一端的外壁上设置有出水管口,出水管口上设置有出水管道,废水处理池内依次顺序设置有加料处理池、沉淀过滤网和分流过滤座,加料处理池的一侧壁固定设置在废水处理池一端的内壁上,加料处理池的顶部为开口状,且加料处理池的顶部开口处设置有药剂添加装置,加料处理池的另一侧壁的底部设置有出水槽,加料处理池的外壁上自上而下依次设置有若干溢流管,废水处理池的外壁上设置有溢流箱。本实用新型具有通过对废水的多级过滤处理,能有效的去除废水中柔性丝状物和固体颗粒杂质,提高了对废水处理的效果等优点。

标签:
固废
江苏 - 南京 来源:北方有色网 2023-03-19
工业废盐的资源化方法

本发明属于工业固体废物的处理处置领域,具体公开了一种以硫酸钠或氯化钠为主要成分的工业废盐的资源化方法,上述资源化方法具体为:取一定量的工业废盐溶解于水中,在超声和搅拌的联合作用下充分溶解,得到接近饱和的盐溶液A;将盐溶液A进行两级过滤净化,去除盐溶液A中的不溶性杂质,得到盐溶液B;将盐溶液B送入喷雾燃烧炉中,在低于盐熔点的温度下将盐溶液B中的溶解性有机物热解氧化后随水蒸气一起排出,最终得到干燥的钠盐产品。本发明方法不仅能够高效去除废盐中的有机物,实现工业废盐这种危险废物的无害化,还能够制备出满足工业产品质量要求的钠盐副产品,从而实现了工业废盐的无害化和资源化。

标签:
固废
江苏 - 南京 来源:北方有色网 2023-03-19
离子液体支撑液膜渗透汽化-精馏耦合技术回收农药废水中低浓度甲醛的技术

本发明涉及离子液体支撑液膜渗透汽化-精馏耦合技术回收农药废水中低浓度甲醛的技术,包括:(1)含有低浓度甲醛的农药废水先使用装有离子液体支撑液膜的渗透汽化装置在透过侧完成甲醛溶液的预富集;(2)预富集的甲醛废水进入精馏塔中部,在装填有固体酸催化剂的精馏塔反应段内进行催化反应,通过泵外循环方式以合理控制停留时间,使主要以聚合物形式存在的甲醛解聚得到游离形态的甲醛,再进入到精馏段进行浓缩,获得高浓度甲醛溶液,而提馏段则得到去甲醛的废水溶液。由于采用装有离子液体支撑液膜的渗透汽化装置先对甲醛溶液进行预富集再用精馏法分离,与单一精馏法分离相比可以大大节省能耗,降低成本,从而更加经济合理。

标签:
固废
江苏 - 南京 来源:北方有色网 2023-03-19
羽绒工业废水高效回用方法及其装置

本发明涉及一种羽绒工业废水高效回用方法及其装置,该装置包括预处理系统、超滤系统、脱色除盐系统、浓水处理系统。羽绒工业生产废水经过生化处理后,进入预处理系统去除部分有机物、大颗粒悬浮物。预处理系统出水进入超滤系统除去废水中细菌、大肠杆菌、固体悬浮物,降低浊度、悬浮物及胶体物质,降低污染指数;超滤系统出水再进入脱色除盐系统,除去水质中的色度、盐分物质,出水进入调配系统后回用生产;脱色除盐系统的浓水经过高级氧化降解处理后达标排放。本发明可实现70~90%的废水回用率和更好的回用水质,将其用于水洗羽绒,对提升羽绒品质具有明显效果,同时解决了企业用水量大及废水排放的困难,对企业长远发展和水资源保护具有重大意义。

标签:
固废
江苏 - 南京 来源:北方有色网 2023-03-19
化学结晶法回收废水中氨氮的方法

本发明公开了一种化学结晶法回收废水中氨氮的方法,属于废水处理领域。其步骤为:(1)向磷酸铵镁固体中添加氢氧化钠粉末,热解得热解产物;(2)向废水中投加步骤(1)制得的热解产物,得磷酸铵镁晶体沉淀;(3)回收步骤(2)中的磷酸铵镁晶体,烘干,投加氢氧化钠粉末,加热分解,分解产物投入废水循环沉氨;(4)所述的步骤(1)-(3)每循环2~5次后,将步骤(3)中的热解产物投入酸性溶液中进行酸解,酸解产物投入废水中循环沉氨。本发明可以有效解决磷酸铵镁法药剂成本过高的问题,同时解决了随着磷酸铵镁循环沉氨次数的增加氨氮去除率下降的难题。

标签:
固废
江苏 - 南京 来源:北方有色网 2023-03-19
火电厂脱硫废水去除钙离子硬度的方法

本发明公开了公开了一种火电厂脱硫废水去除钙离子硬度的方法,包括以下步骤:高纯度氯化钠溶液进入双极膜单元,生产出氢氧化钠溶液和氯化氢溶液,氢氧化钠溶液输送至PH调整单元,氯化氢溶液输送至钙过滤洗涤单元;脱硫废水进PH调整单元与氢氧化钠溶液混合反应,送入喷淋单元;脱硫废水与引自湿电除尘器出口的烟气充分接触,生成难溶的碳酸钙沉淀;脱硫废水进入钙沉降单元,高浓度碳酸钙浆液送入钙过滤洗涤单元,碳酸钙固体脱水完毕后,使碳酸钙溶解并转化为氯化钙溶液;氯化钙溶液进入蒸发结晶单元,氯化钙的结晶析出,并经脱水后得到高纯度氯化钙产品。

标签:
固废
江苏 - 南京 来源:北方有色网 2023-03-19
氟化铵废盐水资源化利用方法及装置

本发明涉及一种氟化铵废盐水的资源化利用方法和装置,特别涉及应用于钽铌行业的氟化铵碱性废盐水膜法再利用方法及装置,属于化工行业技术领域。包括如下步骤:第1步,将氟化铵废盐水进行除多价离子杂质处理,使用分离膜进行过滤,得到纯化后的盐水;所述的盐水中包含有有机污染物、硫酸盐;第2步,对纯化后盐水投加沉淀剂进行氟资源回收,得到高纯度氟化钙产品;第3步,膜浓缩液通过负压汽提进行铵资源回收,得到高纯度氨水;第4步,汽提残液进行RO浓缩后,得到高品质回用水;第5步,浓缩液经过MVR蒸发结晶处理得到固体盐。本发明的氟化铵浓盐水的资源化利用方法和装置可以有效地解决钽铌行业碱性氟化铵废盐水难以有效处置的难题。

标签:
固废
江苏 - 南京 来源:北方有色网 2023-03-19
膜法及降膜蒸发零排放含盐废水处理方法及其装置

本发明提供一种膜法及降膜蒸发零排放含盐废水处理方法;包括以下工艺步骤:I)含盐废水经过ED电渗析浓缩装置,浓缩液进入步骤(II);电渗析淡水出水进入低压RO装置,经过低压RO得到的浓水回到ED电渗析浓缩装置,经低压RO得到的淡水作冷凝液回收利用;II)含盐废水经过ED电渗析装置浓缩后的浓缩液进入降膜蒸发装置蒸发,得到的蒸汽冷凝水回用;III)经过降膜蒸发装置蒸发后的固体盐和含盐浓缩液进分离结晶装置分离出固体盐,分离后的浓缩液再次进入降膜蒸发装置进行降膜蒸发。

标签:
固废
江苏 - 南京 来源:北方有色网 2023-03-19
由亚硫酸盐法制浆废液制备沙土改良剂的方法

本发明提供一种由亚硫酸盐法制浆废液制备沙土改良剂的方法。该方法直接从亚硫酸盐法制浆废液出发,经减压蒸发或空间蒸发得到固体物含量为20%~60%的浓缩液、然后与乙烯基类单体接枝改性,制备的产物用水稀释后可喷洒在沙土表面,使沙土具有抵御风蚀水蚀的作用,是一种成本较低的固沙材料,并且是一种可降解的有机肥料。另外该方法还为亚硫酸盐法制浆废液的回收利用提供了一条简便有效的工艺路线。

标签:
固废
江苏 - 南京 来源:北方有色网 2023-03-19
畜禽废水处理装置
畜禽废水处理装置 1050     
 0

本实用新型公开了一种畜禽废水处理装置,涉及畜禽养殖技术领域,包括底座,底座的下表面设置有万向轮,底座的端部固定设置有扶手,底座的上表面设置有凹槽,凹槽内放置有废水处理桶,废水处理桶的上表面设置有开口,开口内活动放置有过滤桶,设计有过滤桶、过滤网和搅拌棒,使得可以多次分层的将废水中的固体分离出来,从而便于下阶段的废水治理,从而提高了废水处理的效率;设有扶手和万向轮,畜禽废水处理装置操作简单,且便于移动、占地空间小,使得便于个体户种植或中小企业用来治理废水。

标签:
固废
江苏 - 南京 来源:北方有色网 2023-03-19
脱硫废水预蒸发零排放处理装置

本发明公开了一种脱硫废水预蒸发零排放处理装置,包括由管道依次连通的脱硝装置、空气预热器、除尘器以及脱硫塔;脱硫塔连通废水箱,连接废水箱设置蒸发器,蒸发器内具有雾化喷嘴,废水箱和蒸发器之间由废水管道连通,连接蒸发器分别设置气体管道和湿气管道,气体管道连接在脱硝装置和空气预热器之间的管道上,湿气管道连接在空气预热器和除尘器之间的管道上。与现有技术相比,本发明通过引入高温气流强化与脱硫废水间的换热,实现了脱硫废水在排出蒸发器时完全蒸发,废水中的固体颗粒干燥后被再次收集,实现脱硫废水零排放的效果。

标签:
固废
江苏 - 南京 来源:北方有色网 2023-03-19
电化学氧化絮凝组合工艺预处理焦化废水的方法

本发明公开了一种电化学氧化絮凝组合工艺预处理焦化废水的方法,其步骤包括:首先调整废水的pH值,向废水中添加Fe2+,含Fe2+的废水依次高压脉冲放电氧化区域、高频脉冲直流电解氧化区域、微气泡氧化区域、混凝反应区域和沉淀区域,高压脉冲和高频脉冲是两种不同机理强氧化方式,同时在液体和固体双重催化剂作用下,形成协同效应,强化了对难降解有机物的破坏作用,废水中的有机物在该过程得到较彻底去除。高浓度焦化废水经过本发明处理后再经过常规生化处理,即可使得出水的各项指标达到国家一级排放要求,其投资和运行费用也控制在经济可行的范围内,其处理效果显著,设备投资较小,运行成本较低,便于工程推广应用。

标签:
固废
江苏 - 南京 来源:北方有色网 2023-03-19
粘胶纤维纺丝酸性废液分阶回收及循环套用的方法和装置

本发明公开了一种粘胶纤维纺丝酸性废液分阶回收及循环套用的方法和装置,该方法包括以下步骤:(1)将粘胶纤维行业纺丝酸性废液降温换热后,采用精密过滤器去除废液中的固体不溶物;(2)对步骤(1)处理后的废液进行电渗析,去除废水中的有机物,对电渗析浓水进行蒸发浓缩处理,得到盐分质量浓度为30%~50%的浓缩液;(3)采用冷冻结晶的方式回收所述步骤(2)得到的浓缩液中的十水硫酸钠晶体,冷冻残液回用至纺丝生产工艺中的酸浴装置;(4)用步骤(3)回收的十水硫酸钠晶体进行精制得到无水硫酸钠。本发明实现了系统中硫酸钠平衡的问题,解决了粘胶纤维纺丝废水资源化利用及近零排放,避免了有机物在系统内富集。

标签:
固废
江苏 - 南京 来源:北方有色网 2023-03-19
工业废物自动分类处理系统

本实用新型涉及一种工业废物自动分类处理系统,包括废物收集罐,废物收集罐将废物收集后通过输送带输送到粉碎机,粉碎机将废物粉碎后经高压风机输送到比重装置,对于符合一定要求的废物通过输送带进入识别装置,对于没有达标的废物通过输送带输送到二次收集罐,由二次收集罐分别通过输送带将没有达标的废物输送到尺寸分类装置和有机分类装置。本实用新型设计合理、使用方便,通过该种处理系统,不仅能够有效的避免资源浪费和固体废物,而且能够充分的分类和处理工业废物,对于有利用价值的工业废物进行收集并回收利用。

标签:
固废
江苏 - 南京 来源:北方有色网 2023-03-19
含高浓度二氯乙烷、氯化氢混合废气的处理方法

本发明公开了一种含高浓度二氯乙烷、氯化氢混合废气的处理方法,包括如下步骤:过滤去固:对二氯乙烷废气进行过滤处理,去除二氯乙烷废气中的固体颗粒;分子捕获:采用醇类捕获剂对二氯乙烷废气进行捕获;水洗吸收:将分子捕获后的二氯乙烷废气进行水洗,通过水洗去除废气中的氯化氢以及挥发的醇类捕获剂;活性吸附:采用活性炭处理后的二氯乙烷废气进行物理吸附,去除有害成分并进行排放,本发明设计合理,通过分子捕获分离了氯化氢和二氯乙烷气体,使得纯化废盐酸的难度大大降低,通过脱附再生达到了资源再利用,捕获剂可以循环利用,节约废气处理的成本,另外二氯乙烷废气充分吸收处理后,大大降低了活性炭处理负荷,减少了二次污染。

标签:
固废
江苏 - 南京 来源:北方有色网 2023-03-19
两步醋酸酸解农林废弃物制备低聚木糖的方法

本发明提供了一种两步醋酸酸解农林废弃物制备低聚木糖的方法,其包括:将富含木聚糖的农林废弃物和醋酸混合,低温加热反应,分离获得第一低聚木糖液和剩余固体渣;将所述剩余固体渣清洗至中性,加入醋酸再混合,升温加热反应,分离获得第二低聚木糖液;收集所述第一低聚木糖液和所述第二低聚木糖液。本发明采用两步酸解法将农林废弃物的木聚糖组分高效转化为低聚木糖,获得了较高低聚木糖得率,并高度利用了农林废弃物的惰性木聚糖组分。

标签:
固废
江苏 - 南京 来源:北方有色网 2023-03-19
高盐高COD废水的膜法集成处理方法

本发明公开了一种高盐高COD废水的膜法集成处理方法,将高盐高COD废水经过预处理,之后送入优先透有机物膜分离系统,以优先透有机物膜为分离载体,以膜上下游两侧的压力差为推动力,利用有机组分透过膜的速率快于水分子,从而在膜渗透侧富集得到不含盐的高COD值废水,膜渗余侧的废水COD值降低;工业循环水对膜组件进行反冲洗,除去在膜表面结晶的盐,反冲洗水和膜渗余侧的废水进入反渗透系统,得到反渗透淡水和反渗透浓水;反渗透浓水可直接送入蒸发系统得到固体盐和蒸发清夜。本发明技术一方面可以达到高效治理高盐高COD废水的目的;另一方面,又能达到最小化投资和运行费用的目的。

标签:
固废
江苏 - 南京 来源:北方有色网 2023-03-19
利用农业废弃物定向制备人工腐殖酸的方法及应用

本发明提供了一种利用农业废弃物定向制备人工腐殖酸的方法及应用,方法包括:1)将含氮有机废物与农业废弃物混合,加入水搅拌均匀;2)往步骤1)的混合体系中加入碱性试剂,同时加入固体碱催化剂混合均匀,在搅拌的情况下进行水热腐殖化反应;3)将步骤2)所得固液混合物离心分离,液体经酸沉淀、离心得到固体人工腐殖酸。本发明制备人工腐殖酸的方法易操作、成本低、产率高,所得人工腐殖酸具有矿源腐殖酸不可比拟的优良性质,胡敏酸含量高、产率高,具有更多的含氧和含氮官能团,且氮元素比例可调,在土壤中矿物磷素释放应用中表现出突出效果。本发明为人工腐殖酸的批量合成和应用提供了一条切实可行的技术路径和方法。

标签:
固废
江苏 - 南京 来源:北方有色网 2023-03-19
硫析出装置、含硫废气的处理系统及处理方法

本发明公开了一种用于处理含硫废气的硫析出装置,包括:筒体,用于接收含硫废气并在其内冷却,进而在筒体的内壁上析出固体硫;包裹在所述筒体外壁的换热装置,用于流通冷却介质以对筒体内的废气进行冷却处理;设置在所述筒体进口端的进口法兰盖;设置在所述筒体出口端的出口法兰盖;设置在所述筒体内部的刮板,用于刮除筒体内壁上析出的固体硫;拉杆,其一端穿过进口法兰盖与所述刮板相连,另一端连接手柄,用于移动刮板。本发明还公开了一种含硫废气的处理系统,包括至少一个硫析出装置和至少一个碱洗装置。本发明将硫蒸气冷却为固态硫回收,并采用多级缩颈碱淋塔净化,装置简单成本低,处理尾气中硫化氢和硫蒸气含量极低,环境效益好。

标签:
固废
江苏 - 南京 来源:北方有色网 2023-03-19
循环处理氮磷废水的方法

循环处理氮磷废水的方法,步骤如下:A、向废水中投加正磷酸盐、铵盐以及镁盐,并用碱液调节pH值,抽滤得到沉淀;B、用纯水洗涤沉淀物,干燥放冷;C、用碱液将上步所得沉淀物调成浆糊状;D、将所得浆糊状沉淀物置于含有导气管的密闭容器中,加热热解;E、用吸收液吸收所产生气体,热解完成后,收集热解固体产物;F、将吸收液加入到含磷废水中,重复步骤A-E;将步骤E中回收的固体热解产物投加到含氮废水中,重复步骤A-E。本发明拓宽了磷酸铵镁沉淀法回收氮磷产物的资源化途径,实现资源的循环利用,保证了经济社会的可持续发展。

标签:
固废
江苏 - 南京 来源:北方有色网 2023-03-19
低密度聚乙烯接枝马来酸酐废水资源化回用方法

本发明涉及一种低密度聚乙烯接枝马来酸酐废水资源化回用方法,包括以下步骤:第一步、采用低密度聚乙烯接枝马来酸酐废水,向废水中加入溶剂二甲苯和LDPE粉末,在回流冷凝条件下,加热并搅拌均匀,得预混液;第二步、向预混液中加入MAH、表面活性剂及分散剂,加热并搅拌均匀,得反应液;将反应液转移至反应容器中;第三步、加热并搅拌反应液,然后将含有BPO的二甲苯溶液加入反应液中,继续加热并搅拌进行反应;第四步、停止加热和搅拌反应液,将反应液冷却后抽滤取固体,洗涤固体并晾干,得粉末;第五步、向粉末中加入丙酮提取剂,在索氏提取器中抽提后干燥至恒量,即得回用反应产物。本发明可充分利用废水中未反应的有效成分,提高原料和水资源的利用率。

标签:
固废
江苏 - 南京 来源:北方有色网 2023-03-19
奶牛养殖场废水综合处理系统

本实用新型公开了一种奶牛养殖场废水综合处理系统,包括进水设备、机械格栅、固液分离系统、沼气池、调节池、UASB处理系统、微生物强化CASS处理系统、沉淀池、生物氧化塘、消毒装置相连,经消毒装置排出的废水可直接排放或回用;所述固液分离系统会对废水进行固液分离处理,处理后将分离后的废水经污水管排至沼气池,将残渣分离出来进入堆肥池;所述沼气池与UASB处理系统均连接有气体收集装置。本实用新型以强化脱氮微生物为核心技术、“固液分离‑厌氧处理‑好氧处理”为工艺流程、“固体堆肥‑沼气收集‑废水回用”为最终处理目标,可高效处理养殖场废水,处理过程中产生的各种废弃物得到资源化利用,可大大节约成本,具有很好的市场推广价值。

标签:
固废
江苏 - 南京 来源:北方有色网 2023-03-19
低温蒸发式高含盐废水处理装置

本实用新型公开了一种低温蒸发式高含盐废水处理装置,包括沉降池、废液储罐以及蒸发器,沉降池端部设有颗粒去除机构,颗粒去除机构包括嵌设于沉降池端部的安装座。本实用新型利用安装座前端的过滤网A,去除废水中的固定颗粒,为避免在过滤固定颗粒时造成过滤网A的阻塞,本实用新型还在过滤网A外侧设置防阻塞组件;本实用新型还在安装座后端内侧设置过滤网B,利用活性炭过滤网B去除废水中的悬浮颗粒,为便于对过滤网B中的活性炭面网的更换,本实用新型还其上方设置便于连接的气缸,从而使废水中的固体以及悬浮颗粒得以过滤,保证其在降膜蒸发器内蒸发结垢。

标签:
固废
江苏 - 南京 来源:北方有色网 2023-03-19
上一页 75 76 77 78 79 ... 98 下一页
共98页    到第

北方有色为您提供最新的江苏南京有色金属固/危废处置技术理论与应用信息,涵盖发明专利、权利要求、说明书、技术领域、背景技术、实用新型内容及具体实施方式等有色技术内容。打造最具专业性的有色金属技术理论与应用平台!

全国热门有色金属设备推荐
展开更多 +
全国热门有色金属技术推荐
展开更多 +

 

江西省隆恩特环保设备有限公司
宣传

报名参会
更多+

报告下载

有色专家
更多+

中南大学
常务副校长
矿冶科技集团有限公司
所长/研究员级高工
中国瑞林工程技术有限公司
中国工程院院士
矿冶科技集团
副所长/研究员
中国矿业大学(北京)
教授
赤泥综合利用研究报告2025
推广

热门技术
更多+

推荐企业
更多+

福建省金龙稀土股份有限公司
宣传

发布

在线客服

公众号

电话

顶部
咨询电话:
010-88793500-807