青岛垚鑫智能科技有限公司
宣传

位置:中冶有色 >

有色技术频道 >

> 失效分析技术

分类:
全部
矿山技术
冶金技术
材料制备及加工技术
环境保护技术
分析检测技术
 
全部
物理检测技术
化学分析技术
力学检测技术
无损检测技术
失效分析技术
环境检测技术
地区:
全部
北京
天津
上海
重庆
河北
山西
辽宁
吉林
黑龙江
江苏
浙江
安徽
福建
江西
山东
河南
湖北
湖南
广东
海南
四川
贵州
云南
陕西
甘肃
青海
内蒙
广西
西藏
宁夏
新疆
其他
其他
展开
 
全部
上海

上海有色金属失效分析技术理论与应用

免费发布技术信息>>
基于电路分割的低功耗扫描测试方法

一种测试技术领域的基于电路分割的低功耗扫描测试方法,步骤如下:1)电路分割:对设计进行逻辑划分,划分后一个逻辑部分对应一个扫描测试模式;2)扫描时钟设计:对各个逻辑部分进行扫描测试时,每一时刻只有一个逻辑部分的扫描时序单元的时钟可控制;3)独立扫描链电路设计:对于整个设计进行逻辑分割后,各个划分的测试逻辑部分是互异的关系;4)输入输出复用:划分的多个逻辑部分都有对应的扫描链,各逻辑部分的扫描链通过多路选择器复用共同的输入输出端口。本发明减少了同时进行扫描测试的扫描触发器的数量,大大降低了瞬时测试功耗,平均功耗也有所降低,从而避免了芯片在测试过程中由于功耗过大而失效。

标签:
失效分析
上海 - 上海 来源:中冶有色网 2023-03-19
金属互连线电迁移的测试结构及方法

本发明公开了一种金属互连线电迁移的测试结构,包括本征多晶硅电阻、互连线测试结构、温度监控电阻和层间介质层,所述互连线测试结构和所述温度监控电阻相互平行且并排设置,所述本征多晶硅电阻位于所述层间介质层之下,所述互连线测试结构与温度监控电阻位于所述层间介质层之上。本发明还公开了一种金属互连线电迁移的测试方法,在给本征多晶硅电阻通电流使互连线测试结构周围温度达到设定温度之后,给互连线测试结构通恒定电流,并记录失效时间。本发明对金属互连线电迁移的评价不需要因在划片后进行封装测试而消耗硅片,从而大大的降低了成本,并且缩短了测试时间,提高了测试效率,可以实时监控工艺变化对金属互连线电迁移的影响。

标签:
失效分析
上海 - 上海 来源:中冶有色网 2023-03-19
金属电迁移测试电路结构

本发明提供了一种金属电迁移测试电路结构,包括:由下至上的多层金属层;连接相邻所述金属层的通孔层;与所有所述金属层连通并向所有所述金属层和所述通孔层提供电流的引线端;以及,位于每层所述金属层上的测试线,通过测试所述测试线上的信号,以判断所述金属层或所述通孔层是否发生电迁移。在本发明提供的金属电迁移测试电路结构中,通过测试通孔层连接的相邻所述金属层上的测试线的信号,以判断所述金属层或所述通孔层是否发生电迁移,而多个测试线,可以同时测试到多个待测试失效问题的位置,并且测试后能根据不同测试线的位置精确定位到具体失效的位置。

标签:
失效分析
上海 - 上海 来源:中冶有色网 2023-03-19
星载姿轨控制导与导航软件的测试方法

本发明提供了一种星载姿轨控制导与导航软件的测试方法,包括:测试设计过程,具体包括:S0:利用失效模式库完善测试用例库,使得测试用例库覆盖已知所有的失效模式;S1:对待测的测试项的模块进行关键程度划分,并对各测试项进行优先等级的划分;S2:根据各测试项的优先等级,确定测试用例库中的测试用例的测试优先级;S3:根据所述测试优先级情况和测试需求,选择本次测试的用例集合;测试执行过程,具体包括:S4:根据各模块的关键程度对各模块进行静态测试;并且根据测试优先级实施用例集合中的测试用例,进而实现动态测试;在测试执行过程之中和/或之后,还包括对静态测试和动态测试进行充分性评价的过程。

标签:
失效分析
上海 - 上海 来源:中冶有色网 2023-03-19
在并行测试机台上实现芯片频率微调的方法

本发明公开了一种在并行测试机台上实现芯片频率微调的方法,在并行测试机台的程序中将写前一档补正数据向量和读下一档读时间向量合并为一个测试向量,得到多个测试向量,然后并行测试机台依次执行所述多个测试向量,不断循环直到同测对象集合中所有被测的芯片全部失效剔除或到循环结束,最后将为通过状态的硬件寄存器对应的测试通道连接的被测芯片中最后写入的芯片补正数据激活,各被测芯片中的时钟周期微调电路根据最后写入的芯片补正数据对时钟周期进行微调。本发明能对多芯片进行频率同测。

标签:
失效分析
上海 - 上海 来源:中冶有色网 2023-03-19
新型的ESP/ABS泵的测试装置

本实用新型涉及汽车领域的测试装置,旨在提供一种新型的ESP/ABS泵的测试装置,该装置包括被测试泵单元,被测试泵单元还相连着油泵进油部分、可调节出油压力部分、流量测量部分和工控机部分。通过本实用新型装置可进行单个油泵单元测试,无需用总成做测试件,对ABS泵和蓄能器零件的失效能提前预测,降低了失效风险,也降低了软硬件的复杂度,进而降低成本;本实用新型简化了测试过程,缩短测试周期,降低测试难度,并且采集的数据更加可靠,测试准确性更高。

标签:
失效分析
上海 - 上海 来源:中冶有色网 2023-03-19
晶圆测试中动态修改参数达到提高良率的方法

本发明公开了一种晶圆测试中动态修改参数达到提高良率的方法,包括如下步骤:以若干颗的DIE的数据为样本;在ATE中进行相关设置;进行DIE样本的测试;判断测试结果;S20中的包括设置DIE测试fail时的BIN号以及设置需要修改的测试参数初始值,S50中的具体的判定方式为:若设置DIE在fail时的BIN号的失效率满足要求,则不需要进行参数的更改,整个测试结束;若设置DIE在fail时的BIN号的失效率不满足要求,则更改参数并重新返回执行S30‑S50的步骤,直到测试结果符合,整个测试结束,通过动态的修改参数以达到提高良率的方法,降低了对专业技术人员的依赖性,减少了不必要的人力成本和物力成本,极大的提高了产能、节省了时间。

标签:
失效分析
上海 - 上海 来源:中冶有色网 2023-03-19
使用线路终结器的前端围栏及使用其的电子脉冲式探测器

本发明涉及前端围栏,尤其涉及一种使用线路终结器的前端围栏及使用其的电子脉冲式探测器。本发明前端围栏,包括一高压探测线,该高压探测线串联一电子线路终结器。本发明电子脉冲式探测器,包括前述前端围栏及一电子围栏主机,该电子围栏主机包括高压整流滤波电路和对前述电路输出信号进行判断的微控制器,该高压整流滤波电路含有至少两个输入端和一个输出端,输入端同串联电子线路终结器的前端围栏相连接,输出端同为控制器相连接。通过本发明前端围栏的结构,减少了主机端子个数,使主机结构简单化;并解决了电子围栏6线制(或以上线制)中存在高压等电位问题;且解决了通过非法旁路而造成报警失效的难题。

标签:
失效分析
上海 - 上海 来源:中冶有色网 2023-03-19
静电微量润滑有效性的评价方法及监测装置

本发明涉及一种静电微量润滑有效性的评价方法及监测装置,评价方法:采集切削液的pH值pH、流量q、温度T、浓度值电阻率ρ、TDS值TDS、余氧量RO、浊度NTU,及静电微量润滑电压V、切削液气雾浓度值ω后,将参数分别代入公式计算冷却、润滑失效系数,当对应系数超过1时,判断冷却或润滑失效;反之,未失效;监测装置包括静电电压传感器、切削液气雾浓度值传感器及包含pH值传感器、流量传感器、温度传感器、浓度值传感器、电阻率传感器、TDS值传感器、余氧量传感器和浊度传感器的监测传感器箱;本发明的评价方法,能够评估静电微量润滑的有效性,确保加工效果;本发明的装置,能够保证静电微量润滑的可靠性。

标签:
失效分析
上海 - 上海 来源:中冶有色网 2023-03-19
集成电路自动控制测试方法

本发明公开了一种集成电路自动控制测试方法,为一种机械结构和算法的结合,首先需要对handler内部进行结构的改造,增加失效复测区(E)和一移动机械臂(F),将需要复测的BIN放置由原来位置移动到失效复测区域,在完成第一次测试后,将失效复测区域的芯片通过机械臂又放置在待测区域,从而实现自动复测的目的,减少人工重新放置和测试机停机的时间。

标签:
失效分析
上海 - 上海 来源:中冶有色网 2023-03-19
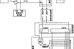
利用半导体测试仪读取芯片信息的方法

本发明公开了一种利用半导体测试仪读取芯片信息的方法,序列图形发生器产生图形值并写入图形真值表中,数据比较器根据图形值输出X结果到数据失效存储器,输出Y结果到数据失效存储器;通过测试程序设置数据选择器,设定数字采集器各比特位与芯片测试通道的链接;再把数据失效存储器中的X结果、Y结果值通过数字采集器中的异或逻辑门生成数字采集器的采集使能信号,用来控制将H结果或L结果值传入数字采集器的存储器中同该芯片测试通道对应的存储区间;最后通过后台处理将数字采集器存储器中的数据传入指定的数组变量中。通过本发明的方法可以利用半导体测试仪同时对多颗芯片的信息进行读出操作,并节省测试时间。

标签:
失效分析
上海 - 上海 来源:中冶有色网 2023-03-19
芯片筛选测试的方法
芯片筛选测试的方法 1143     
 0

本发明提供了一种芯片筛选测试的方法,包括:建立芯片测试的智能学习模型;将每个所述芯片的待测试参数进行分类,并将所述待测试参数按照分类号依次排列;按照排列好的顺序依次测试所述待测试参数,将测试结果使用智能学习模型进行处理,预测各个待测试参数失效的概率,将概率最大的待测试参数的分类号提到排列顺序的前列,以使得概率最大的待测试参数优先测试。本发明通过智能学习模型将目前已经测试的待测试参数的测试结果经过处理输出待测试参数的失效率,将失效率大的测试参数提到前列,在之后的测试过程中优先测试,可以减少芯片的测试时间,提高芯片的测试效率。

标签:
失效分析
上海 - 上海 来源:中冶有色网 2023-03-19
可不间断供电的X射线探测器

本实用新型提供一种可不间断供电的X射线探测器,包括:X射线传感器、采集驱动电路、主CPU控制处理单元、主电源单元、不间断供电单元,用于主电源单元失效或更换主电源单元时时为系统继续供电,主电源单元正常工作时蓄能、及电源管理单元,用于监测主电源单元和不间断供电单元状态,决定哪个单元为X射线探测器供电,管理X射线探测器上下电时序,动态控制X射线探测器功耗。本实用新型克服了现有X射线探测器主电源充电时间长,寿命短,总电量随充电次数增加显著降低,在主电源失效下供电中断等不足,能够快速充电,还能在主电源取出或失效时继续工作一段时间,实现不间断供电。本实用新型结构简单,在X射线探测器领域具有广泛的应用前景。

标签:
失效分析
上海 - 上海 来源:中冶有色网 2023-03-19
测试对准使用芯片的制作方法

本发明公开了一种测试对准使用芯片的制作方法,其特征在于,包括:步骤1、在工艺初期图形定义时,硅片内的所有区域都进行曝光;步骤2、当该硅片因为芯片尺寸过小时,需要进行对准芯片制作时,针对此类硅片,在硅片内部完整shot的位置上,选择一个小的区域M进行二次曝光,使区域M内的全部或部分芯片失效,形成一个失效的芯片阵列,作为测试对准使用;步骤3、根据区域M中的失效芯片周边芯片中是否含有有效芯片,来判定测试结果是否与硅片上实际芯片结果发生左、右、上、下的偏移。本发明的测试对准使用芯片的制作方法,相对于常规使用的不曝光方式制作失效芯片的方法影响面积少,判定准确率高,并且失效芯片数目变化灵活性高等优点。

标签:
失效分析
上海 - 上海 来源:中冶有色网 2023-03-19
高温材料的蠕变寿命预测方法

本发明属于材料科学与工程应用技术,一种高温材料的蠕变寿命预测方法。随着工作温度的升高,现代工业中的高温设备和高温机构发生蠕变失效的可能性,以及由于蠕变失效引发的事故的严重性,都大为增加。本发明高温材料的蠕变寿命预测方法的步骤为:获取不同温度下材料性能的数据,每个试验点数据包括温度、应力和断裂时间;把试验数据按式计算出每个试验应力σ下相对应的P值;进行LH参数法曲线回归,得到LH回归曲线的主曲线,回归曲线的数学表达式为:lgσ=A0+A1P+A2P2+…;在回归主曲线上,求出在不同温度、不同应力情况下的蠕变寿命。本发明的优点为:提高材料蠕变寿命的预测精度;提高寿命评估的可靠性;适用范围广;预测方法简便。

标签:
失效分析
上海 - 上海 来源:中冶有色网 2023-03-19
BMS控制器测试系统及方法

本发明公开了一种BMS控制器测试系统及方法。该测试系统包括:控制模块、继电器模块和指示模块,所述继电器模块包括至少两个继电器;所述控制模块用于向至少一个待测BMS控制器发送配置信息,其中,所述配置信息包括硬件失效测试信息,所述硬件失效测试信息用于测试所述BMS控制器的硬件控制是否失效;所述指示模块用于指示所述继电器导通或关断状态并根据所述继电器导通或关断状态得到指示结果;所述控制模块还用于根据所述配置信息及所述指示结果输出测试报文。本发明实施例提供的技术方案实现了模拟BMS控制器工作验证测试,并且通过添加硬件失效验证,对BMS系统控制器硬件失效问题进行诊断,提高了验证安全性、开发效率和验证全面性。

标签:
失效分析
上海 - 上海 来源:中冶有色网 2023-03-19
基于深度学习耦合建模的飞机发动机剩余寿命预测方法

本发明涉及一种基于深度学习耦合建模的飞机发动机剩余寿命预测方法,包括:获取飞机发动机的多元传感器失效信号,载入深度学习耦合模型中,获取飞机发动机随时间演变的潜在失效状态分布,得到剩余使用寿命的分布结果,实现飞机发动机的剩余寿命预测;深度学习耦合模型包括失效过程模型和融合模型,失效过程模型用于描述飞机发动机随时间演变的潜在失效状态,融合模型用于结合多元传感器失效信号,构建发动机的健康指数HI。与现有技术相比,本发明充分考虑飞机发动机失效过程状态,利用飞机发动机运行中采集到的反映其健康状态的多元传感器信号数据,实现对飞机发动机失效过程的建模和剩余寿命的预测。

标签:
失效分析
上海 - 上海 来源:中冶有色网 2023-03-19
带存储单元的集成芯片的复测方法

本发明公开了一种带存储单元的集成芯片的复测方法,包括如下步骤:步骤一,通过读取CP1通过标记,判断芯片是否做过并完全通过上次CP1测试;若通过则测试继续进行,若失效则测试结束,返回失效结果;步骤二,通过读取CP2通过标记,判断芯片是否做过并完全通过上次CP2测试;若通过则测试结束,返回通过结果;若失效则测试继续进行;步骤三,通过读CP2第一数据保存标记,判断是否需要进行数据保存功能测试;若需要则测试继续进行,若不需要则测试结束,返回失效结果;步骤四,通过写及读CP2第二数据保存标记,验证CP2第二数据保存标记,以便复测时判断数据保存功能是否失效。本发明能够保证测试结果的准确性并节省复测时间。

标签:
失效分析
上海 - 上海 来源:中冶有色网 2023-03-19
硅片级别的频率测试方法

本发明公开了一种硅片级别的频率测试方法,是在专门进行存储器类型芯片测试的测试仪,即存储器测试仪上利用其自身带有的失效地址内存资源进行频率测试,至少包括以下步骤为:选择扫描频率,对待测波形进行扫描;选择参考电压,将扫描得到的模拟信号转化为数字信号;利用失效地址资源对上述数字信号进行存储;对存储的数据进行处理,计算出固定时间内的周期个数,最后进行频率计算。本发明是直接利用存储器类型测试仪进行频率测试,扩展了存储器测试仪的测试功能、提升了其利用率,降低了测试成本。

标签:
失效分析
上海 - 上海 来源:中冶有色网 2023-03-19
晶圆测试结果图标记修改方法

本发明提供了一种晶圆测试结果图标记修改方法,包括:第一步骤,用于根据晶圆测试结果图自动生成晶圆测试结果图文本文件;第二步骤,用于利用Excel?Macro程序对生成的晶圆测试结果图文本文件进行自动识别以标记出不合格的失效裸片;第三步骤,用于在Excel?Macro程序中针对失效裸片自动对围绕失效裸片的合格晶圆进行附加标记;第四步骤,用于利用Perl?script程序对附加标记后的晶圆测试结果图文本文件进行格式转换。

标签:
失效分析
上海 - 上海 来源:中冶有色网 2023-03-19
晶圆允收测试结构
晶圆允收测试结构 976     
 0

本申请公开了一种晶圆允收测试结构,该结构将两套测试图案结合起来,不但能够监控金属互连层失效问题,而且能够监控金属互连层之间的连接孔的失效问题,因此能够更有效、全面地监控金属-氧化物-金属(MOM)器件的失效问题。

标签:
失效分析
上海 - 上海 来源:中冶有色网 2023-03-19
带冗余单元的存储器芯片的晶圆测试方法

本发明公开了一种带冗余单元的存储器芯片的晶圆测试方法,包括步骤:步骤一、根据晶圆上存储器芯片的主区域的阵列结构和冗余单元的结构设置存储器测试机中的存储失效地址的存储器的行地址和列地址的长度;步骤二、对芯片单元进行测试,并将每一行的测试结果进行或运算后存储到行地址相同的存储失效地址的存储器中;步骤三、读取存储失效地址的存储器中的各行的内容得出失效的行数以及行地址;步骤四、判断存储器芯片的主区域的各失效的行能否修复,如能则分配冗余单元替换存储器芯片的主区域的失效行。本发明能有效减少测试时间,降低测试成本。

标签:
失效分析
上海 - 上海 来源:中冶有色网 2023-03-19
电迁移测试方法、装置、设备及存储介质

本发明实施例公开了一种电迁移测试方法、装置、设备及存储介质。其中,该方法包括:根据芯片中的待测试链路的仿真模型,确定待测试链路的标准电阻;根据电迁移仿真测试过程中的多组仿真测试数据确定待测试链路的失效时间计算公式;确定与待测试链路对应的多组电迁移测试条件;控制电迁移测试系统对与待测试链路对应的电迁移测试样品进行电迁移测试,得到与各组电迁移测试条件对应的测试样品失效时间;根据各组电迁移测试条件中的预期失效时间与所对应的测试样品失效时间的比对结果,确定待测试链路的电迁移测试结果。本发明实施例可以对芯片中的链路进行电迁移测试,确定芯片中各链路的整个链路结构的电迁移实际情况。

标签:
失效分析
上海 - 上海 来源:中冶有色网 2023-03-19
基于ATE快速生成存储芯片修复装置及测试方法

一种基于ATE快速生成存储芯片修复装置及测试方法,该方法包括将待测存储芯片链接到ATE测试机上;对待测存储芯片发送测试波形,测试出待测存储芯片的失效阵列,将失效阵列的数据存在ATE测试机上;ATE测试机发送信号通过第二通信单元和接口单元将失效阵列的数据发送给外设处理模块的接口单元;运算单元以冗余阵列和失效阵列的数据作为输入条件,运行修复算法以及计算得到修复方案,并控制第二通信单元和运算单元向ATE测试机传输修复方案;ATE测试机根据修复方案通过第一通信单元对待测存储芯片发送修复波形,将标准成品阵列中失效阵列所承担的功能映射到冗余阵列中去完成,以实现待测存储芯片的修复。因此,本发明节省了测试时间和测试成本。

标签:
失效分析
上海 - 上海 来源:中冶有色网 2023-03-19
非易失性存储器可靠性的测试方法和装置

一种用于非易失性存储器可靠性测试的方法,包括如下步骤:在K个分别 具有Nm个区块的非易失性存储器的每一个中分别选取N个区块;对被选取的 K×N个区块分别执行T次测试程序,得到测试数据;根据测试数据,统计执 行测试程序次数与该次数的测试中累计发生失效的区块数目之间的数据关系 并绘制测试曲线;确定等效失效区块数目判断标准;在测试曲线中读出执行次 数值对应的失效数目;将得到的失效数目与等效失效区块数目判断标准相比 较,判断是否合格。本发明还提供了一种用于非易失性存储器可靠性测试的装 置。本发明的优点在于,所述测试方法和装置在不丧失统计学意义情况下,降 低测试的时间,提高测试效率。

标签:
失效分析
上海 - 上海 来源:中冶有色网 2023-03-19
实现冗余功能存储器芯片测试的方法

本发明公开了一种实现冗余功能存储器芯片测试的方法,其把存储器芯片主区域测试向量按最小冗余单元进行分割,做成子测试向量组;针对每个测试项目分别运行子测试向量组,读出子测试向量组的每个向量的测试结果;把失效向量的序号换算成失效单元地址存放在内存变量中,不同测试项目的子测试向量组测试出的失效单元地址存放在不同的内存变量中,并累积计算每个测试项目的失效单元个数及地址;根据每个测试项目的失效单元个数及地址,统计得出存储器芯片主区域失效单元数的总和以及失效地址。本发明的实现冗余功能存储器芯片测试的方法,可以利用自带数字向量发生器的数字测试机实现和存储器测试机相同的冗余功能存储器芯片测试,降低测试成本。

标签:
失效分析
上海 - 上海 来源:中冶有色网 2023-03-19
电迁移加速测试方法
电迁移加速测试方法 964     
 0

本发明提供了一种电迁移加速测试方法,包括:获取能消除测试结构焦耳热的临界电流密度;预估测试结构总数;对所述测试结构施加多个低于临界电流密度的电流进行电迁移加速测试使测试结构加速失效,并得到加速失效时间;当测试结构加速失效数量达到预设值时,停止测试,获取失效测试结构的加速失效时间对累计加速失效率的分布;根据测试结构的加速失效时间对累计加速失效率的分布计算测试结构的寿命。通过获取能消除测试结构焦耳热的电流范围,再从其中选取多个电流密度对应的电流对测试结构进行电迁移加速测试,避免了电迁移加速测试中焦耳热的影响,最终使获取的测试结构的寿命更加准确。

标签:
失效分析
上海 - 上海 来源:中冶有色网 2023-03-19
加速热载流子注入测试的方法

一种加速热载流子注入测试方法,包括以下步骤:a分别测量不同温度下的在不同偏置电压下漏极电流、衬底电流相对时间的曲线;b设定失效条件,将达到该失效条件的时间称为失效时间;c将失效时间与漏极饱和电流之积和衬底电流与漏极饱和电流之商在坐标上绘出得出它们相互之间的关系式;d.将失效时间与温度在坐标上绘出得出它们之间相互关系;e.在低温下进行失效试验,根据失效时间与温度的关系推出其他温度下的失效时间。本发明能够加快测量时间迅速地获得预测寿命结果。

标签:
失效分析
上海 - 上海 来源:中冶有色网 2023-03-19
基于实时风荷载动态耦合智慧灯杆残余寿命测算方法及系统

本发明提供了一种基于实时风荷载动态耦合智慧灯杆残余寿命测算方法及系统,包括:通过线性静态有限元求解得到灯杆危险区域在单位载荷下的初始应力解;利用雨流计数法将环境检测设备读取的风载荷实时历程数据筛分为若干组恒定幅值的载荷组,并以此为缩放系数计算得到这些恒幅载荷所对应的疲劳应力解;再结合载荷形式、尺寸效应、表面粗糙度以及平均应力等影响对疲劳寿命进行修正;根据标准材料试样的寿命曲线,计算得到当前每种幅值载荷对杆体寿命的已损耗程度、所有幅值叠加下的疲劳累加损伤以及杆体的残余寿命。本发明根据得出的杆体寿命残值对即将失效的杆件做出判断预警,提醒使用者及时对杆件进行更换,避免安全事故发生,减少生命财产损失。

标签:
失效分析
上海 - 上海 来源:中冶有色网 2023-03-19
基因测试溶剂存放试剂盒

本实用新型涉及基因检测技术领域,且公开了一种基因测试溶剂存放试剂盒,包括收纳盒,所述收纳盒的内部设有多组储存管,每组所述储存管的外表面均螺装有密封端盖,所述收纳盒的内壁设有多组连接板,每组所述连接板的外表面均与相对应储存管的外表面固接,所述收纳盒的顶部设置有防护盒盖。该基因测试溶剂存放试剂盒,通过储存管和密封端盖,使试剂处于独立的密闭空间内,当试剂意外出现泄露时,泄露的试剂被约束在由储存管和密封端盖构成的独立密闭空间内,极大降低了装置内的试剂出现交叉污染的几率,减低了重要样本混合失效的几率,有效提高了装置的存放效果,从而增强了装置的实用性。

标签:
失效分析
上海 - 上海 来源:中冶有色网 2023-03-19
上一页 35 36 37 38 39 ... 62 下一页
共62页    到第

中冶有色为您提供最新的上海有色金属失效分析技术理论与应用信息,涵盖发明专利、权利要求、说明书、技术领域、背景技术、实用新型内容及具体实施方式等有色技术内容。打造最具专业性的有色金属技术理论与应用平台!

全国热门有色金属设备推荐
展开更多 +
全国热门有色金属技术推荐
展开更多 +

 

江西省隆恩特环保设备有限公司
宣传

报名参会
更多+

报告下载

有色专家
更多+

江西铜业集团有限公司
党委书记、董事长
中国矿业大学(北京)
教授
重庆理工大学
教授
中南大学
教授、博士生导师
北京航空航天大学、中国工程院
院士
赤泥综合利用研究报告2025
推广

热门技术
更多+

推荐企业
更多+

福建省金龙稀土股份有限公司
宣传

发布

在线客服

公众号

电话

顶部
咨询电话:
010-88793500-807