青岛垚鑫智能科技有限公司
宣传

位置:中冶有色 >

有色技术频道 >

> 加工技术

分类:
全部
矿山技术
冶金技术
材料制备及加工技术
环境保护技术
分析检测技术
 
全部
功能材料技术
复合材料技术
新能源材料技术
合金材料技术
加工技术
地区:
全部
北京
天津
上海
重庆
河北
山西
辽宁
吉林
黑龙江
江苏
浙江
安徽
福建
江西
山东
河南
湖北
湖南
广东
海南
四川
贵州
云南
陕西
甘肃
青海
内蒙
广西
西藏
宁夏
新疆
其他
其他
展开
 
全部
济南
青岛
淄博
枣庄
东营
烟台
潍坊
济宁
泰安
威海
日照
滨州
德州
聊城
临沂
菏泽

山东济南有色金属加工技术理论与应用

免费发布技术信息>>
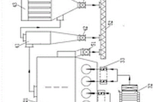
无金属接触的流化床锂盐干燥装置

本实用新型属于物料干燥技术,具体涉及一种无金属接触的流化床锂盐干燥装置,包括进料系统,包括相连通的进料螺旋和进料布料器,其中,所述进料系统中与物料接触的部分均喷涂碳化钨;流化床,通过所述进料布料器与所述进料系统连接;干燥系统,包括干燥鼓风机和加热器,通过所述加热器与所述流化床干燥部连接;冷却系统,包括除湿器和冷却鼓风机,通过所述除湿器与所述流化床冷却部部连接;除尘系统,包括旋风除尘器、布袋除尘器、引风机和湿式除尘器;出料系统,包括出料旋转卸料阀和设置在所述出料旋转卸料阀下方的出料螺旋,所述出料旋转卸料阀设置在所述流化床的出料口处。

标签:
加工技术
山东 - 济南 来源:中冶有色网 2023-03-18
铁酸锂电池负极材料烧结用组合式石墨匣钵

本实用新型公开了一种铁酸锂电池负极材料烧结用组合式石墨匣钵,包括底板,所述底板的上端两侧对称设置有两个C型挡板,两个C型挡板之间共同设置有两个横挡板,两个C型挡板和两个横挡板分别位于底板的上端一周,所述底板的上端一周均开设有卡槽。本实用新型能够通过底板、C型挡板和横挡板组合成一种组合式石墨匣钵,可以将匣钵制作原料的板材选择方位大幅扩宽,只需安装目标尺寸切割加工相应石墨板,机加工工序简单,匣钵组合方便,并且可以保证匣钵的组合牢固性,减少石墨碎废料的产生,从而可以大幅度的降低石墨匣钵的生产成本。

标签:
加工技术
山东 - 济南 来源:中冶有色网 2023-03-18
锂硫电池生产用手套箱

本实用新型提供一种锂硫电池生产用手套箱,包括手套箱主体、前挡板以及手套主体,手套箱主体的顶部设置有置物板,手套箱主体的右侧设置有物管,手套箱主体的前表面设置有观察窗,手套箱主体的前侧设置有前挡板,前挡板由左移动板、右移动板以及手套放入筒构成,左移动板以及右移动板之间通过合页连接在一起,手套放入筒设有两个,手套主体套在手套放入筒内,手套主体的底部设置有连接筒,连接筒与手套放入筒相配合,手套主体通过连接筒与手套放入筒相配合,继而与手套连接筒连接;与现有技术相比,本实用新型具有如下的有益效果:可以适应不同体型的操作人员使用,方便更换手套主体,保证了操作的安全性。

标签:
加工技术
山东 - 济南 来源:中冶有色网 2023-03-18
锂电池组内部交流加热电路、系统及加热方法

本公开提出了一种锂电池组内部交流加热电路、系统及加热方法,加热电路包括第一回路、第二回路及第三回路;第一回路中,待加热电池放电至第一储能元件,第一储能元件电压上升;第二回路,待加热电池放电至第二储能元件,第二储能元件电压上升;第三回路导通时,第一回路、第二回路关断,第一储能元件和第二储能元件的电压和大于待加热电池的电压,第一储能元件和第二储能元件放电,电流流向待加热电池。本发明能够实现任意节电池在低温条件下的快速加热,具有较高的加热效率。

标签:
加工技术
山东 - 济南 来源:中冶有色网 2023-03-18
基于卷积神经网络的锂电池容量估计方法

本发明提供了一种基于卷积神经网络的锂电池容量估计方法,包括以下步骤:构造电池参数数据集,对相同规格的电池进行充放电循环实验,对步骤1中采集到的数据进行预处理,构造神经网络的输入数据;构建卷积神经网络进行适应性的修改,保证网络的特征提取能力和收敛能力,并进行超参数优化;得到估计模型;取电池最近一次充电过程的充电电压、充电电流数据,利用步骤2处理后输入步骤4进行计算,得到电池的容量估计值。本发明所提出的方法具有迁移学习的优势,有效降低了算法开发的试验测试需求,缩短了开发用时。这项研究工作为智能化电池管理的研发奠定了基础。

标签:
加工技术
山东 - 济南 来源:中冶有色网 2023-03-18
锂电池包
锂电池包 1118     
 0

本发明公开一种锂电池包,用于解决现有的电池组升温问题。它包括电池芯、均温组件和壳体,其中,电池芯和均温组件彼此间隔叠加,所述均温组件包括左壳体、右壳体、导液片和进液管、出液管,其中,左、右壳体为对称结构,导液片内部腔室为冷却液通道,导液片的边沿嵌入在左、右壳体的接缝内,并在导液片的四周设置有聚乙烯胶槽形成胶缝,导液片两侧分别与左、右壳体之间形成均温场,在导液片的两侧面上设置有中心孔和螺旋布液槽孔,壳体和导液片通过四根出液管和一根进液管进行连接,形成冷却介质流动通道。本发明可以对均温组件中的冷却介质的流动速度加以控制,达到控制电池芯内部温度的目的。

标签:
加工技术
山东 - 济南 来源:中冶有色网 2023-03-18
废旧锂电池高温热解处理系统和方法

本发明涉及一种废旧锂电池高温热解处理系统和方法,包括,焙烧窑,包括回转窑体和炉膛,所述回转窑体在炉膛的内部,可相对炉膛旋转,炉膛沿着轴向设置相互独立的加热段;热风炉,焙烧窑的热解尾气出口与热风炉进口连接,热风炉的烟气出口与炉膛的各加热段进口分别通过烟气管道连接,各烟气管道上分别设置阀门。避免电池在热解过程中出现欠烧和过烧的现象,导致热解不完全或造成电池的损伤。实现对废旧电池的间接换热,避免直接换热时,电池在热源气体中的成分的作用下产生爆炸和氧化燃烧的危险。

标签:
加工技术
山东 - 济南 来源:中冶有色网 2023-03-18
锂离子电池正极材料Na<sub>1.1</sub>V<sub>3</sub>0<sub>7.9</sub>制备方法

本发明涉及一种锂离子电池正极材料Na1.1V3O7.9制备方法,该方法是利用溶胶‑凝胶法通过不同温度的热处理,制备具有良好电化学性能的正极材料Na1.1V3O7.9。

标签:
加工技术
山东 - 济南 来源:中冶有色网 2023-03-18
动力锂电池用碳酸钴-聚吡咯复合负极材料及制备方法

本发明公开了一种动力锂电池用碳酸钴-聚吡咯复合负极材料及制备方法,该材料为微纳米级类球体的核壳结构,内部为碳酸钴的核,外面包覆聚吡咯,该复合负极材料的粒径为3~5μm,碳酸钴内核由20~50nm宽的纳米棒组装而成,聚吡咯包覆层厚度为0.3~1μm,所述聚吡咯包覆层由50~100nm的聚吡咯纳米颗粒团聚而成。制备方法为将CoCO3粉末分散于溶有表面活性剂的水中制备悬浊液,在以上悬浊液中加入吡咯单体混合均匀后,加入氯化铁聚合。反应结束后,过滤收集碳酸钴-聚吡咯沉淀,清洗后干燥得到碳酸钴-聚吡咯复合负极材料。本发明所得复合负极材料,表现出优异的循环稳定性,倍率性能和超强的容量恢复能力,且该复合材料制备方法简单,易于大规模生产。

标签:
加工技术
山东 - 济南 来源:中冶有色网 2023-03-18
锂电池包总成
锂电池包总成 1009     
 0

本发明公开一种锂电池包总成,用于解决现有的电池组升温问题。它包括电池芯、均温组件和壳体,其中,电池芯和均温组件彼此间隔叠加,所述均温组件包括左壳体、右壳体、导液片和进液管、出液管,其中,左、右壳体为对称结构,导液片内部腔室为冷却液通道,导液片的边沿嵌入在左、右壳体的接缝内,并在导液片的四周设置有聚乙烯胶槽形成胶缝,导液片两侧分别与左、右壳体之间形成均温场,在导液片的两侧面上设置扰流孔,壳体和导液片通过四根出液管和一根进液管进行连接,形成冷却介质流动通道。本发明可以对均温组件中的冷却介质的流动速度加以控制,达到控制电池芯内部温度的目的。

标签:
加工技术
山东 - 济南 来源:中冶有色网 2023-03-18
锂电池极耳贴胶装置
锂电池极耳贴胶装置 949     
 0

本发明公开了一种锂电池极耳贴胶装置,属于贴胶装置,其结构包括固定胶带机构、压胶机构、切胶机构、胶带导向机构、下压胶机构、步进拉胶驱动机构、拉胶机构、极耳上顶保护机构、铝型材支架、贴胶机固定板、贴胶机移动板和固定底板,所述的拉胶机构包括夹爪固定板、夹胶机构和滚胶机构,所述的铝型材支架前侧的贴胶机移动板上还设置有极耳上顶保护机构,极耳上顶保护机构与下压胶机构上下对应设置,固定底板上还设置有贴胶机移动板移动气缸,贴胶机移动板气缸的缸杆与贴胶机移动板相连。本发明具有能很好的模仿人工完成贴胶动作,提高贴胶质量,并在一定程度上减少劳动率,提高生产效率、能实现自动化生产等特点。

标签:
加工技术
山东 - 济南 来源:中冶有色网 2023-03-18
锂电池三元前驱体生产废水重金属在线检测方法

本发明公开了一种锂电池三元前驱体生产废水重金属在线检测方法,包括以下步骤:步骤a)采集生产废水的水样,采用紫外分光光度计进行总重金属含量的测量;步骤b)将磁性纳米颗粒投入水样中进行磁分离操作,得到含有锰离子的第一分离液和吸附有镍钴离子的磁性纳米颗粒,第一分离液采用紫外分光光度计进行测量;步骤c)将磁性纳米颗粒进行酸液洗脱操作,分离得到镍钴离子的混合液;步骤d)将镍、钴离子的混合液进行离子交换分离操作,得到含有镍离子的第二分离液;步骤e)将第二分离液采用紫外分光光度计进行测量。本发明的检测方法操作简单,成本低廉,可以实时监控重金属离子含量,解决了产品产率下降和重金属外排带来的水体污染等问题。

标签:
加工技术
山东 - 济南 来源:中冶有色网 2023-03-18
锂电池电池片组左右两侧面贴胶装置

本发明公开了一种锂电池电池片组左右两侧面贴胶装置,属于贴胶装置,其结构包括支架、压板气缸、压板和贴胶机构,贴胶机构包括两个,对称设置在压板气缸的左右两侧,压板气缸的缸杆上设置有压板,每个贴胶机构分别包括固定板、送胶板、送胶辊、吹气块、压胶组件、胶带导向机构、切胶组件、推胶组件、拉胶气缸和夹爪,固定板分别设置在支架的左右两侧,送胶板通过上下移动装置与固定板相连,每个送胶板上分别设置有送胶辊、吹气块、压胶组件、胶带导向机构、切胶组件和推胶组件。本发明具有解决了外形尺寸较大的电池片组左右两侧面贴胶,减轻了工人的劳动强度,提高生产效率,既可以作为单机使用,也可以并联在自动化生产线上使用等特点。

标签:
加工技术
山东 - 济南 来源:中冶有色网 2023-03-18
溴化锂吸收式制冷工艺及设备

本发明为一种溴化锂吸收式制冷工艺及设备。它是将连续输入的制冷剂经节流阀后进行蒸发制冷,由吸收液对蒸汽进行吸收,吸收液呈稀释状态,蒸发时多余的制冷剂回流;稀释状态的吸收液进经过冷法传质分离生成浓缩的吸收液和水蒸汽,水蒸汽散发,浓缩吸收液返回进行下一次吸收。本发明所公开的设备是在此工艺过程的基础上将吸收和蒸发制冷的机构安装在了真空箱体内,并采用了涡流传质分离的装置,从而能够降低能耗、有利于环境保护、节约水资源、减少设备、降低成本。

标签:
加工技术
山东 - 济南 来源:中冶有色网 2023-03-18
锂电池正极耳焊接机构
锂电池正极耳焊接机构 1070     
 0

本实用新型公开了一种锂电池正极耳焊接机构,属于焊接机构,其结构包括焊接装置、转动装置和移动装置;所述的焊接装置包括焊机上固定板、超声焊机、支撑柱和焊机下固定板;所述的移动装置包括底板、纵向导轨、纵向移动板、推动气缸、横向移动导轨、电缸、电缸连接件和横向移动板;所述的转动装置包括旋转轴套、轴承、盖板、转轴、推块和转动气缸,转轴的下部与横向移动板相固定,转轴上部设置有盖板,旋转轴套套在焊机下固定板上,横向移动板的另一端设置有转动气缸,转动气缸上设置有浮动接头,浮动接头与推块连接。本实用新型具有焊接过程中不会粘连,使用安全,稳定性好,在一定程度上减轻了劳动力,能适应自动化生产等特点。

标签:
加工技术
山东 - 济南 来源:中冶有色网 2023-03-18
高性能磷化钴颗粒修饰的氮,磷负载碳纳米片锂氧气电池正极催化剂材料及制备方法

本发明涉及一种高性能磷化钴颗粒修饰的氮,磷负载碳纳米片锂氧气电池正极催化剂材料及制备方法,属于电化学和新能源领域。该复合材料由纳米量级的磷化钴颗粒和片层状的碳基体材料组成。磷化钴颗粒具有优异的导电性以及极高的电催化活性,能够提高材料的电化学性能;三维片层状的碳材料能力,能够容纳电池反应过程产生的中间产物,有效缓解电极的体积变化,进而提高电池寿命。采用的一步热解法制备复合材料,生产工艺简单,无须严苛的反应条件与额外的磷源,节约成本,有利于其商业化生产;同时,该方法绿色环保,易于规模化生产。由本发明制备的磷化钴颗粒修饰的氮,磷负载碳纳米片具有较大的容量和优异的循环稳定性等优良的综合电化学性能。

标签:
加工技术
山东 - 济南 来源:中冶有色网 2023-03-18
金属修饰三维碳网负载金属有机骨架作为锂/钠硫电池正极材料的制备方法

本发明公开一种金属修饰三维碳网负载金属有机骨架作为锂/钠硫电池正极材料的制备方法。其特点在于利用玉米生产淀粉过程中的废料‑玉米皮,玉米渣等作为原料合成三维导电碳网,做到废物利用。具体包括以下步骤:首先将玉米皮,玉米渣等挑选并清洗一遍,之后在含金属离子的溶液中搅拌,使金属离子附着,烘干、低温预碳化后在氢氧化钾溶液中浸泡进一步活化,之后高温煅烧;然后将煅烧后的产物在二甲基咪唑甲醇溶液中混合,加入适量的硝酸锌搅拌,混合均匀以后离心、干燥,最后惰性气氛煅烧,获得金属修饰三维碳网负载金属有机骨架复合材料。本发明以导电碳网为基体,填充有机金属骨架进一步碳化,提高了材料的导电性,同时也提高了材料的载硫量,材料具有良好的电化学性能。

标签:
加工技术
山东 - 济南 来源:中冶有色网 2023-03-18
锂铁层状双金属氢氧化物催化剂的制备及其电催化氮气还原应用

氨对人类的生存和发展具有重要意义。目前的工业合成氨方案是德国化学家Haber和Bosch在20世纪初开发的以氮气和氢气为原料的合成氨工艺。然而,Haber‑Bosch工艺存在条件苛刻、对设备要求高、能耗高、转化率低等问题,越来越不符合经济社会发展的要求。相比Haber‑Bosch法,电化学合成氨近年来已被证实是可在温和条件下进行的潜在的合成氨替代技术。鉴于此,在大量实验测试的基础上,本发明研究了一种锂铁层状双金属氢氧化物催化剂的制备及其电催化氮气还原应用,并表现出较高的氨产量及法拉第效率。该发明将会为常温常压下电化学合成氨研究进展做出一定的贡献。

标签:
加工技术
山东 - 济南 来源:中冶有色网 2023-03-18
锂硫电池硫-石墨烯复合正极材料及其制备方法

本发明公开了一种锂硫电池硫‑石墨烯复合正极材料及其制备方法,包括如下步骤:将硫源溶于氧化石墨烯的悬浮液中,得到混合液;将硝酸溶液滴加到所述混合液中,超声、搅拌,得到黑色絮凝状沉淀;将黑色絮凝状沉淀经过洗涤、干燥,得到目标材料。本发明以氧化石墨烯、硫源和硝酸为原料,原材料廉价易得,降低了生产成本。硝酸氧化硫源中的硫制备单质硫,可以提高正极材料中硫单质的含量,进而提高正极的体积容量和能量密度。

标签:
加工技术
山东 - 济南 来源:中冶有色网 2023-03-18
Se@MXene复合材料及其制备方法与全固态锂电池

本发明公开了一种Se@MXene复合材料及其制备方法与全固态锂电池,制备方法,包括如下步骤:将MAX相与HF溶液混合反应,反应结束后,将沉淀离心、分离、洗涤、干燥后制得手风琴状MXene粉末;将手风琴状MXene粉末与Se粉末混合均匀后,真空密封加热至220‑300℃,保温6‑12h,即得。使用高导电性的二维材MXene作为Se的载体,有效避免了Se转变为无定形状态,维持高结晶状态Se的高电导率,使得全固态电池具有良好的倍率性能。另外,MXene具有独特的柔韧性和良好的导电性能够有效的缓冲了硒正极在充放电过程中的体积膨胀效应,并且保持良好导电骨架和活性物质的电极结构,同时进一步提高了正极材料的导电性能。

标签:
加工技术
山东 - 济南 来源:中冶有色网 2023-03-18
锂电池负极材料纳米多孔硅的制备方法

本发明涉及一种多孔硅或多孔硅金属及其制备方法,包括:1)将纳米硅基合金中置于真空热处理炉中,真空度保持在‑0.095~0Mpa之间;然后加热,温度保持在600~1300℃之间,并保温0.1‑10h;3)待纳米硅基合金中的易挥发合金元素在真空条件下逐渐挥发,即得锂电池负极材料纳米多孔硅;与现有技术相比,本发明的制备方法简单、制备的纳米多孔硅孔径分散均匀,比能量高、循环性好、倍率性能好,反应过程简单以及耗时少等优点,同时,本发明的制备方法成本低、制备效率高,能更好地满足工业化生产的需要,实现大规模生产。

标签:
加工技术
山东 - 济南 来源:中冶有色网 2023-03-18
锂离子电池负极材料FeS/Fe/C及其制备方法

本发明提供一种锂离子电池负极材料FeS/Fe/C及其制备方法,按照Fe:S=1:1的摩尔比,将铁源和硫源分别溶于蒸馏水中,得到铁源水溶液和硫源水溶液;向铁源水溶液中滴加造纸红液,然后滴加硫源水溶液,最后加入添加剂,混合均匀,经水热处理、洗涤、干燥、研磨、惰性气体保护下煅烧即得。本发明制备得到的负极材料具有良好的电化学性能,包括高的比容量和良好的循环稳定性。本发明的方法简单,并且以工业废弃物造纸红液为主要原料之一,实现废弃物再利用的同时降低了成本。

标签:
加工技术
山东 - 济南 来源:中冶有色网 2023-03-18
48V矿用隔爆兼本安型锂离子蓄电池电源

本实用新型公开了一种48V矿用隔爆兼本安型锂离子蓄电池电源,由主控箱和蓄电池电源构成;电源箱包括箱体,箱体内设有两块内隔板,将箱体的内腔分为三个腔体,由左至右依次是电源接线腔、电源控制腔和电池腔;电池腔内安装电池组,电源控制腔内安装控制系统,第一内隔板上安装数个蓄电池电源接线端子;第二内隔板上有过线槽,电池组通过导线经过导线槽与控制系统连接;控制系统通过导线与蓄电池电源接线端子连接;箱体上均安装密封盖;主控箱包括外壳,外壳内水平设置主控箱内隔板,主控箱内隔板将外壳的内腔分主控箱接线腔和主控箱控制腔,主控箱内隔板上安装数个主控箱接线端子;主控箱控制腔的一侧安装控制腔门,控制腔门与外壳铰接。

标签:
加工技术
山东 - 济南 来源:中冶有色网 2023-03-18
锂电池生产废水的先进处理工艺

本发明公开了一种锂电池生产废水的先进处理工艺,属于废水处理领域,步骤为:含重金属废水经过沉淀、除去水中大部分杂质。含酸废水加入碱性溶液中和废水中的酸,并控制过程的pH值。在废水中预先投加破乳剂、络合絮凝剂、PAC和PAM来破坏胶体的稳定性,使废水中的胶体和细小悬浮物聚集成具有可分离性的絮凝体,再加以分离,使游离态的Pb沉淀,从而被除去。混凝后的废水进入斜管沉淀池中进行沉淀,以分离废水中的含Pb沉淀物。经过斜管沉淀后的废水进入沙滤塔过滤,去除细小悬浮物。过滤后的水流入回调槽进行pH值调节,调节到6‑9之间后排入清水池,由清水池最终排放口排出厂外。该工艺可实现降低悬浮、漂浮、溶解、堵塞等问题,且可降低污水处理成本。

标签:
加工技术
山东 - 济南 来源:中冶有色网 2023-03-18
花状四氧化三钴/石墨烯中空微球锂离子电池负极材料及其制备方法

本发明公开了一种花状四氧化三钴/石墨烯中空微球锂离子电池负极材料及其制备方法,该负极材料由微米量级中空微球组成,中空微球的壁由二维纳米片大体沿径向排列围成,二维纳米片上分布有直径为2‑5纳米的孔,二维纳米片的主体材料为四氧化三钴,其表面附着有石墨烯片层。该电极材料具有制备工艺简便、形貌独特,制备得到的四氧化三钴/石墨烯中空复合微球虽然为微米量级,仍然表现出较好的循环性能和倍率性能。而且微米量级的微球可以解决纳米结构在充放电过程中容易发生团聚的问题。

标签:
加工技术
山东 - 济南 来源:中冶有色网 2023-03-18
用离子注入和退火制备铌酸锂晶体波导的方法

本发明用离子注入和退火制备铌酸锂晶体波导 的方法,至少应包含离子注入和电子束退火等步骤。采用能量1MeV~6MeV的C+,Cu+等离子注入,注入剂量在1×1013离子/平方厘米到5×1015离子/平方厘米范围内,在注入区内造成折射率的改变,然后利用聚焦电子束或者激光束扫描,使扫描区的折射率增高,形成埋层或者沟道形式的光波导。光波导的导波模式可以由工艺参数控制。该方法的线宽可以达到纳米量级。可以制成基于条形波导结构的光器件和折射率光栅。

标签:
加工技术
山东 - 济南 来源:中冶有色网 2023-03-18
锂电池极耳90度贴胶装置

本实用新型公开了一种锂电池极耳90度贴胶装置,属于贴胶装置,其结构包括胶带固定机构、胶带导向机构、压胶机构、拉胶驱动机构、夹胶机构、剪切机构、胶带滚压机构、位置移动机构、电池下压机构和胶带敲打机构;所述的胶带固定机构、胶带导向机构、压胶机构和剪切机构分别设置在胶带固定板上;所述的拉胶驱动机构、夹胶机构、胶带滚压机构和胶带固定板分别设置在滑动板上,滑动板通过位置移动机构与固定底板相连;胶带滚压机构设置在拉胶驱动机构的后侧,电池下压机构和胶带敲打机构设置在拉胶驱动机构的前侧。本实用新型具有提高了生产效率,在一定程度上减少劳动率,提高自动化程度,填补了电池极耳贴90度胶带的空缺等特点。

标签:
加工技术
山东 - 济南 来源:中冶有色网 2023-03-18
形貌均匀的MWCNT@a-C@Co9S8复合电极材料的制备方法及在锂电中的应用

本发明涉及一种形貌均匀的MWCNT@a-C@Co9S8复合电极材料的制备方法及应用,制备过程为:首先,将多壁碳纳米管进行无定形碳包覆5~10h,得到MWCNT@a-C,然后将MWCNT@a-C,过渡金属钴盐、硫脲混合,加入到混合溶剂中密封反应12~30h,所得产物经洗涤、分离、干燥后在氩氢混合气氛中煅烧1~10h,得到最终产物。本发明的方法所需条件简易、原料廉价易得、形貌均匀,产量高,易于实现工业化生产。以所制备的MWCNT@a-C@Co9S8复合材料作为活性物质制备储锂电极,在大电流密度下具有高的可逆比容量和稳定的循环性能,同时具有优异的倍率性能,能够解决未来电动车等各类电子产品的日益增长的能源需求。

标签:
加工技术
山东 - 济南 来源:中冶有色网 2023-03-18
基于绝对可充放容量的全阶段动力锂电池均衡方法及装置

本发明具体公开了基于绝对可充放容量的全阶段动力锂电池均衡方法及装置,均衡装置包含两个部分,第一部分为一个能量来源切换装置,第二部分为充电装置,所述第一部分给第二部分提供供电标准直流电压。方法以包括:步骤(1)通过每个电池的电池管理系统采集单体电芯的数据;步骤(2)估算单体电芯的电池剩余容量值、满充容量值;步骤(3)计算单体电芯的绝对可充容量值和绝对可放电容量值;步骤(4)实现充电均衡:步骤(5)实现放电均衡。本发明采用在充电阶段依据电芯电压、放电阶段依据电芯剩余电量估计值的方法,既解决了充电阶段,所有电芯不能充满的问题,又解决了放电阶段由于某些节电芯容量低而造成的放电能力不足的问题。

标签:
加工技术
山东 - 济南 来源:中冶有色网 2023-03-18
锂电池极耳剪切机构
锂电池极耳剪切机构 1068     
 0

本实用新型公开了一种锂电池极耳剪切机构,属于剪切机构,其结构包括支架、切刀移动驱动机构和切刀装置,所述的切刀移动驱动机构设置在支架的上部,切刀装置设置在切刀移动驱动机构的上部;所述的切刀移动驱动机构包括下底板、前后移动导轨、前后推动气缸、上底板、左右移动导轨和左右推动气缸;所述的切刀装置包括下切刀座板、下切刀、上切刀、上切刀座板和下压气缸。本实用新型具有使用安全、结构简单,方便安装、拆卸和调节,在一定程度上减轻劳动力,又能满足自动化生产要求等特点。

标签:
加工技术
山东 - 济南 来源:中冶有色网 2023-03-18
上一页 31 32 33 34 35 ... 53 下一页
共53页    到第

中冶有色为您提供最新的山东济南有色金属加工技术理论与应用信息,涵盖发明专利、权利要求、说明书、技术领域、背景技术、实用新型内容及具体实施方式等有色技术内容。打造最具专业性的有色金属技术理论与应用平台!

全国热门有色金属设备推荐
展开更多 +
全国热门有色金属技术推荐
展开更多 +

 

江西省隆恩特环保设备有限公司
宣传

报名参会
更多+

报告下载

有色专家
更多+

南昌航空大学
副院长/教授
矿冶科技集团有限公司
所长/研究员级高工
湖南有色金属研究院
教授级高工/原总工程师
中南大学
教授、博士生导师
北京科技大学、中国科学院
院士
赤泥综合利用研究报告2025
推广

热门技术
更多+

推荐企业
更多+

福建省金龙稀土股份有限公司
宣传

发布

在线客服

公众号

电话

顶部
咨询电话:
010-88793500-807