青岛垚鑫智能科技有限公司
宣传

位置:中冶有色 >

有色技术频道 >

> 加工技术

分类:
全部
矿山技术
冶金技术
材料制备及加工技术
环境保护技术
分析检测技术
 
全部
功能材料技术
复合材料技术
新能源材料技术
合金材料技术
加工技术
地区:
全部
北京
天津
上海
重庆
河北
山西
辽宁
吉林
黑龙江
江苏
浙江
安徽
福建
江西
山东
河南
湖北
湖南
广东
海南
四川
贵州
云南
陕西
甘肃
青海
内蒙
广西
西藏
宁夏
新疆
其他
其他
展开
 
全部
济南
青岛
淄博
枣庄
东营
烟台
潍坊
济宁
泰安
威海
日照
滨州
德州
聊城
临沂
菏泽

山东济南有色金属加工技术理论与应用

免费发布技术信息>>
自修复聚氨酯离子导电体制备及应用

本发明涉及一种自修复聚氨酯离子导电体制备及应用,包括:以含有PY的聚氨酯PUs作为配体,锌盐作为中心离子,在锂盐存在的条件下,配位络合,干燥,即得自修复聚氨酯离子导电体;其中,PY为吡啶二醇单体。合成了不同锂盐含量的聚氨酯离子导电体。其机械性能可以通过调节锂盐含量来获得。锂盐含量为20%和30%的聚氨酯离子导电体体系具有超拉伸性能,应变值都大于2000%。聚氨酯离子导电体还具有自修复性能,通过不同温度下的拉曼测试,可以发现络合与解络合的进程。聚氨酯离子导电体具有对蒸汽湿度敏感的特性,同一湿度下随着锂盐含量的增加敏感程度增加,同一锂盐含量的情况下随着蒸汽湿度的增加敏感度也增大。

标签:
加工技术
山东 - 济南 来源:中冶有色网 2023-03-18
建筑施工晚间多功能照明用具

本实用新型涉及建筑施工设备技术领域,具体涉及一种建筑施工晚间多功能照明用具,包括主机、电池槽和锂电池,电池槽开设在主机的右侧。本实用新型克服了现有技术的不足,通过设置有锂电池、电池槽和充电口,使得利用充电口对锂电池充满电后,可以将锂电池对准主机的电池槽进行插入,同时锂电池一侧的卡块会在电池槽内的卡槽处进行滑动,增加锂电池在插入时的稳定性,随后再利用固定板和电池槽上端的锁紧机构进行锁紧,实现对电池槽和锂电池之间的固定连接,增加锂电池在对本照明用具进行供电时的稳定性,使得本照明用具在不方便接电的地方也可以进行正常使用,提高本照明用具的实用性。

标签:
加工技术
山东 - 济南 来源:中冶有色网 2023-03-18
SAS-RAID卡电源自动切换保护方法

一种SAS-RAID卡电源自动切换保护方法,其特征在于包括实时监测SAS-RAID卡电源,并对其电压波动的上下范围做出限制,当电压低于1.3V或高于2.3V时,平滑切断主电,采用备用锂电池,保证整体输出电流的连续性;具体步骤如下:1)实时监测备用锂电池电源电压,在系统电正常时,若锂电池未满,则自动进入执行充电操作;在系统掉电时,锂电池则进入执行放电操作;根据锂电池容量,当掉电时间长时,用户未作处理且锂电池根据当前电能容量大小,做出报警提示;2)对锂电池电源电压进行稳压电路处理,保证输出电压的稳定性。

标签:
加工技术
山东 - 济南 来源:中冶有色网 2023-03-18
柔性三维层状MXene@铟复合膜及其制备方法和应用

本发明公开了一种柔性三维层状MXene@铟复合膜及其制备方法和应用。该柔性复合膜是通过简单且工业化的电沉积方法将低熔点的金属铟(In)沉积到柔性自支撑MXene膜而制备。其中,铟可以与金属锂合金化反应,铟具备极好的亲锂性,可以有效减小形核壁垒,使得锂沉积溶解过程中的实际电流密度降低,有利于减小沉积溶解过电位,改善沉积的均匀性,提高内部锂离子传输速率,能够改变锂沉积方向,缓解锂枝晶刺穿隔膜造成的电池安全问题,这种复合材料具有极好的效果抑制锂枝晶的生长,而且电沉积操作简便、可以规模化生产,因此本发明具有极大的应用价值和科研价值。

标签:
加工技术
山东 - 济南 来源:中冶有色网 2023-03-18
ASA乳液施胶剂及其制备方法

本发明涉及造纸工业施胶剂技术领域,特别涉及一种ASA乳液施胶剂,含有烯基琥珀酸酐、锂皂石、纳米二氧化钛和去离子水,烯基琥珀酸酐与去离子水的质量比为1:0.5~4,锂皂石与烯基琥珀酸酐的质量比为1:20~200,纳米二氧化钛与锂皂石的质量比为1:6~50。所述的ASA乳液施胶剂的制备方法:将锂皂石分散在去离子水中,调节pH值到6~7得到水相;将纳米二氧化钛分散在烯基琥珀酸酐中得到油相,将水相与油相混合均匀,制得ASA乳液施胶剂。不需要添加任何表面活性剂,所制备的烯基琥珀酸酐乳液施胶剂稳定性好、施胶效率高。

标签:
加工技术
山东 - 济南 来源:中冶有色网 2023-03-18
能发电的多功能鞋子
能发电的多功能鞋子 849     
 0

本发明涉及生活用品领域,特别涉及一种能发电的多功能鞋子。它包括鞋体、保温鞋面、开关①、开关②、电量显示屏、锂离子蓄电池、压电体、按摩鞋垫。压电体内嵌于鞋底与鞋垫之间,与锂离子蓄电池相连,开关①控制锂离子蓄电池与保温鞋面之间是否接通,开关②控制锂离子蓄电池与按摩鞋垫之间是否接通,电量显示屏可实时显示锂离子蓄电池的电量。所述保温鞋面粘贴于外鞋面内侧,内嵌有可随意弯曲、不易损坏的电热丝。所述锂离子蓄电池还可以用利用插头给电池充电,其电压控制在安全电压以下。人们穿该鞋子一段时间后,就会有部分电能储存在锂离子蓄电池中,打开开关①可以对鞋子内部加热,不走路时,打开开关②可以使用按摩鞋垫按摩脚底。

标签:
加工技术
山东 - 济南 来源:中冶有色网 2023-03-18
部分刻蚀的MAX材料及其制备方法和应用

本发明属于锂离子电池技术领域,具体涉及一种材料及其制备方法和应用。用部分刻蚀的MAX材料中的层间凹坑作为金属锂的“宿主”,用部分刻蚀的MAX中层间残留的亲锂性的“A”层作为成核剂,诱导锂在层间的均匀沉积和缓解电极的体积膨胀,最终提高金属锂负极稳定性。采用部分刻蚀的MAX中的层间凹坑作为金属锂的“宿主”,锂的沉积、分布更加均匀,缓解了电极在充放电过程中的体积膨胀效应。

标签:
加工技术
山东 - 济南 来源:中冶有色网 2023-03-18
抗热冲击型熔铸合成云母

抗热冲击型熔铸合成云母是用熔铸工艺制得的 含氟的合成云母的微晶集合体,是一种耐高温、抗蠕 变、电绝缘、可切削加工的无机材料。以往含氟的熔 铸合成云母存在着抗热冲击性差的问题,尤其是在 200~500℃温度范围内极易开裂。本发明是在含氟 的熔铸合成云母的配料中加入锂辉石和碳酸锂。最 佳加入量按重量百分比为锂辉石4~6%、碳酸锂 1~4%,解决了上述问题,从而使这种熔铸合成云母 可用于温度变化较大的场合作为绝缘或耐热、抗腐 蚀材料。

标签:
加工技术
山东 - 济南 来源:中冶有色网 2023-03-18
层叠状二氧化钛改性隔膜及其制备方法和应用

本发明公开了一种层叠二氧化钛改性隔膜及其制备方法和应用,包括隔膜层和涂覆于其表面的改性涂层,所述改性涂层由聚丙烯酸和层叠二氧化钛颗粒复合形成。将该改性隔膜用于锂金属电池,隔膜的改性侧面向锂金属负极。本发明利用二氧化钛与锂金属的反应,在锂负极界面原位形成稳定界面保护层,消除锂金属负极与电解液的副反应,最终抑制锂枝晶的生长,实现均匀的锂沉积,最终显著提高了电池的库伦效率,延长了电池的循环寿命,降低了不可控锂枝晶持续生长引起安全问题的可能性。

标签:
加工技术
山东 - 济南 来源:中冶有色网 2023-03-18
一氧化硅/聚丙烯酸改性高安全电池隔膜及其制备方法和应用

本发明公开了一氧化硅/聚丙烯酸改性高安全电池隔膜及其制备方法和应用,包括依次连接隔膜层和改性涂层,所述改性涂层由聚丙烯酸和一氧化硅颗粒复合形成,所述一氧化硅颗粒为纳米颗粒和/或微米颗粒。将该改性隔膜用于锂电池,隔膜的改性侧面向锂金属负极。本发明利用一氧化硅和丙烯酸与锂金属的反应,在锂负极界面原位形成刚柔并济的稳定界面保护层,消除锂金属负极与电解液的副反应并缓冲其体积膨胀,最终抑制锂枝晶的生长,实现均匀的锂沉积,最终显著提高了电池的库伦效率,延长了电池的循环寿命,降低了不可控锂枝晶持续生长引起安全问题的可能性。

标签:
加工技术
山东 - 济南 来源:中冶有色网 2023-03-18
单晶薄膜键合体及其制造方法

本发明提供了一种单晶薄膜键合体和一种制造单晶薄膜键合体的方法,所述单晶薄膜键合体包括硅基底、铌酸锂单晶薄膜或钽酸锂单晶薄膜以及位于硅基底与铌酸锂单晶薄膜或钽酸锂单晶薄膜之间的硅基薄膜,其中,硅基薄膜通过沉积形成在铌酸锂单晶薄膜或钽酸锂单晶薄膜上,并通过直接键合法与硅基底进行键合,硅基薄膜为硅薄膜、二氧化硅薄膜或氮化硅薄膜。本发明的三层结构的单晶薄膜键合体能够有效地降低甚至消除在钽酸锂或铌酸锂单晶薄膜和硅基板之间的界面对光波和声波的反射作用,并且降低或消除了界面间的反射作用对于光或声波信号所造成的干扰。

标签:
加工技术
山东 - 济南 来源:中冶有色网 2023-03-18
高容量、高循环稳定性负极材料及其制备方法

本申请公开了一种高容量、高循环稳定性负极材料及其制备方法,属于新能源技术领域,其中,高容量、高循环稳定性负极材料的制备方法包括:在硅的表面沉积锂源,得到补锂包覆层;在所述补锂包覆层的表面制备碳包覆层,得到预锂化的硅碳材料;将所述硅碳材料与石墨混合,将得到硅碳‑石墨混合物;在所述硅碳‑石墨混合物的表面制备补锂包覆层,得到目标预锂混合物;在所述预锂混合物的表面制备碳包覆层,得到目标负极材料。该方法可有效提高负极材料的能量密度;显著提高负极材料的首次库伦效率;同时可以更好地维持结构的稳定性,提升循环性能;显著加强接触预锂化的反应深度,提高电池的容量保持率和循环稳定性。

标签:
加工技术
山东 - 济南 来源:中冶有色网 2023-03-18
绿泥间蜡石的合成方法
绿泥间蜡石的合成方法 1149     
 0

本发明属于天然矿物的人工合成技术领域,尤其涉及天然间层矿物绿泥间蜡石的人工合成方法。本发明的技术方案为:绿泥间蜡石的合成方法,所述的工艺步骤为:(1)1~5份硅粉和1~5份铝粉混合后放入容器,向容器内分三次依次分别加入不同浓度的氢氧化锂水溶液,每次加入氢氧化锂后在45~95℃油浴下持续反应8~24小时,在加入氢氧化锂溶液和反应过程中持续搅拌。(2)将反应得到的物质离心分离后,用水洗涤至中性,干燥后得到绿泥间蜡石和水合铝酸锂的混合物。(3)将步骤(2)所得的混合物加入水中搅拌,分散均匀后静止,使其自然沉降,沉降完全后将上面的水倒掉,干燥后分为上下两层,上层为绿泥间蜡石。该合成方法工艺简单,合成原材料成本较低,合成温度只需在100℃以下的低温条件下就能完成。

标签:
加工技术
山东 - 济南 来源:中冶有色网 2023-03-18
包含硅的炔基咔唑超支化聚合物及其制备方法

本发明公开了一种包含硅的炔基咔唑超支化聚合物及其制备方法,该超支化聚合物的化学结构式为所述超支化聚合物的重均分子量为4800~5100g/mol。其制备方法为:将丁基锂与三炔基咔唑中炔基上的氢进行锂化反应生成炔基锂试剂,将炔基锂试剂与二氯二苯基硅烷进行缩聚即可获得包含硅的炔基咔唑超支化聚合物,其中,所述三炔基咔唑的化学结构式为本发明提供的超支化聚合物具有更高的溶解性以及更稳定的热化学性质。

标签:
加工技术
山东 - 济南 来源:中冶有色网 2023-03-18
AKD乳液施胶剂的制备方法

本发明公开了一种AKD乳液施胶剂的制备方法,其步骤为:将锂皂石纳米粒子用去离子水润湿、分散,放置一定时间制得锂皂石胶体,同时将小分子胺溶于水中配制成水溶液;在锂皂石胶体中加入小分子胺溶液并用稀酸调节胶体的pH值,将该胶体加热到AKD的熔点以上备用;加热AKD使之熔融,在机械搅拌的作用下,将上述加热的锂皂石胶体与熔融的AKD混合、乳化得稳定的AKD乳液。该方法不仅乳化剂用量少、乳化工艺简单、完全不使用传统表面活性剂,而且所得乳状液的施胶效率可得到大幅度提高。

标签:
加工技术
山东 - 济南 来源:中冶有色网 2023-03-18
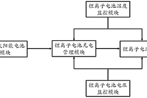
扑翼仿鸟飞行器的混合动力源系统及方法

本发明公开了一种扑翼仿鸟飞行器的混合动力源系统及方法,包括锂离子电池模块、柔性太阳能电池模块、锂离子电池充电管理模块、锂离子电池电压监控模块及锂离子电池温度监控模块。锂离子电池模块安装在扑翼仿鸟飞行器机身内部,直接为飞行器提供动力;柔性太阳能电池模块安装在扑翼仿鸟飞行器机身表面,在光照允许和锂离子电池需要的条件下,对锂离子电池进行充电;锂离子电池充电管理模块能够跟踪太阳能电池的最大功率电压;锂离子电池电压监控模块采用开尔文四线检测技术准确地测量锂离子电池的电压;锂离子电池温度监控模块能够实时监控锂离子电池的温度。本发明能够在不明显增加动力源系统重量的前提下,有效提高了扑翼仿鸟飞行器的续航能力。

标签:
加工技术
山东 - 济南 来源:中冶有色网 2023-03-18
提高钢结构寿命的表面处理方法

本发明涉及一种钢结构表面处理领域,特别是适应于钢结构防锈、抗氧化和防火的要求的复合磷酸亚铁锂-硫酸钙-磷酸钙盐膜用于提高钢结构的寿命。根据发明给出化学成分比例,配置一种适应于提高钢结构寿命的复合磷酸亚铁锂-硫酸钙-磷酸钙盐溶液:首先通过氧化铁Fe2O3,氢氧化锂LiOH·H2O,氢氧化锂LiOH·H2O,磷酸二氢铵(NH4)2HPO4,碳源C合成磷酸亚铁锂,其次将包括氧化钙CaO超细粉末,硫酸钙CaSO4超细粉末,磷酸二氢钙Ca(H2PO4)2超细粉末,磷酸H3PO4,磷酸亚铁锂超细粉末LiFePO4,硫酸H2SO4和蒸馏水H2O,按其质量配比为:(5-10):(15-30):(40-60):(10-30):(5-10):(5-10):(808-912)。将待处理的钢结构零部件放入55°-60°C的磷化溶液,钢结构零部件可获得一种深灰色的磷化膜。

标签:
加工技术
山东 - 济南 来源:中冶有色网 2023-03-18
适应超高强度钢板料热冲压的复合磷酸盐膜溶液配方

本发明涉及一种磷酸盐溶液配方领域,该溶液特别是适应于超高强度钢板料毛坯热冲压前进行的磷化工艺,需要通过复合磷酸盐溶液对超高强度钢板料毛坯进行表面处理,获得一层能耐高温的复合磷酸亚铁锂-硫酸钙盐膜用于提高模具寿命。根据发明给出化学成分比例,配置一种适应于超高强度钢板料热冲压的复合磷酸亚铁锂-硫酸钙盐表面处理液:首先通过氧化铁Fe2O3,氢氧化锂LiOH·H2O,氢氧化锂LiOH·H2O,磷酸二氢铵(NH4)2HPO4,碳源C合成磷酸亚铁锂,其次将硫酸钙CaSO4超细粉末,磷酸亚铁锂超细粉末LiFePO4,磷酸H3PO4,和蒸馏水H2O,按其质量配比为:(40-60):(10-30):(5-10):(808-912)。将待处理的超高强度钢毛坯件放入55°-60°C的磷化溶液,毛坯可获得一种深灰色的磷化膜。最后对毛坯进行加热除氢工艺,减少氢脆的危害。进行皂化工艺,进一步增强热冲压板料与模具之间润滑。

标签:
加工技术
山东 - 济南 来源:中冶有色网 2023-03-18
适应温挤压的金属表面复合磷酸盐膜制备方法

本发明涉及一种金属表面处理领域,特别是适应于黑色金属进行温挤压,需要通过复合磷酸盐溶液对黑色金属毛坯进行表面处理,获得一层能耐高温的复合磷酸亚铁锂-磷酸钙盐膜用于提高模具寿命。根据发明给出化学成分比例,配置一种适应于黑色金属温挤压的复合磷酸亚铁锂-磷酸钙盐表面处理液:首先通过氧化铁Fe2O3,氢氧化锂LiOH·H2O,氢氧化锂LiOH·H2O,磷酸二氢铵(NH4)2HPO4,碳源C合成磷酸亚铁锂,其次将包括氧化钙CaO超细粉末,磷酸二氢钙Ca(H2PO4)2超细粉末,磷酸H3PO4,磷酸亚铁锂超细粉末LiFePO4,和蒸馏水H2O,其质量配比为:(5-10):(40-60):(10-30):(5-10):(808-912)。将待处理的毛坯件放入55°-60°C的磷化溶液,毛坯可获得一种深灰色的磷化膜。最后对毛坯进行加热除氢工艺,减少氢脆的危害。进行皂化工艺,进一步增强挤压坯料与模具之间润滑。

标签:
加工技术
山东 - 济南 来源:中冶有色网 2023-03-18
锂电池正极材料焙烧及冷却系统

本实用新型公开了一种锂电池正极材料焙烧及冷却系统,包括:依次连接的破拱进料装置、焙烧装置、冷却装置和尾气处理装置;所述焙烧装置包括回转焙烧窑,所述回转焙烧窑的进料端和出料端存在设定的倾角;所述回转焙烧窑设置多组加热单元,以独立控制焙烧窑不同位段的温度;焙烧过程中所需气体由焙烧窑出料端进入窑内,由焙烧窑进料端排风口出焙烧窑,进入尾气处理装置。本实用新型可以通过调下料关风器、回转焙烧窑、冷却滚筒等设备的转速以及电加热装置输出功率,实现各设备的有效衔接和能源的高效利用,从而实现整个系统的连续、高效生产。

标签:
加工技术
山东 - 济南 来源:中冶有色网 2023-03-18
锂电池在线耐压检测机构

本实用新型公开了一种锂电池在线耐压检测机构,属于检测机构,其结构包括支架、上压板机构、工装顶升机构和极耳上顶机构,所述的上压板机构、工装顶升机构和极耳上顶机构分别设置在支架上,所述的工装顶升机构和极耳上顶机构分别设置在上压板机构的下部;所述的上压板机构包括上压板、上压板固定板和导电块;所述的工装顶升机构包括顶升气缸、顶升气缸固定板和顶升板;所述的极耳上顶机构包括极耳上顶气缸、极耳气缸固定板和极耳顶块;所述的顶升板和极耳顶块分别设置在上压板的下部,所述的极耳顶块位于导电块的正下方。本实用新型具有方便安装、拆卸和调节,在一定程度上减轻劳动力,适用于自动化生产等特点。

标签:
加工技术
山东 - 济南 来源:中冶有色网 2023-03-18
用于解决锂电芯散热与安全的电池壳体

本实用新型公开了一种用于解决锂电芯散热与安全的电池壳体,包括壳体主体,壳体主体上留有放置电池的开口;在壳体主体的侧面上设有若干圈第一散热凸沿,每一圈第一散热凸沿之间互相平行;在壳体主体的侧面上沿与所述第一散热凸沿垂直的方向分别平行设置第二散热凸沿;在每一圈第一散热凸沿的相对应的位置处分别设置若干凹槽,每一圈第一散热凸沿相对应位置处的凹槽共同组成第一散热通道。本实用新型有益效果:电池壳体条纹凸起设计,便于安装人员的搬运、取放,更好地避免了在电池搬运或取放过程中,因掉落等引起的安全隐患。

标签:
加工技术
山东 - 济南 来源:中冶有色网 2023-03-18
锂电池极耳贴胶装置
锂电池极耳贴胶装置 962     
 0

本实用新型公开了一种锂电池极耳贴胶装置,属于贴胶装置,其结构包括固定胶带机构、压胶机构、切胶机构、胶带导向机构、下压胶机构、步进拉胶驱动机构、拉胶机构、极耳上顶保护机构、铝型材支架、贴胶机固定板、贴胶机移动板和固定底板,所述的拉胶机构包括夹爪固定板、夹胶机构和滚胶机构,所述的铝型材支架前侧的贴胶机移动板上还设置有极耳上顶保护机构,极耳上顶保护机构与下压胶机构上下对应设置,固定底板上还设置有贴胶机移动板移动气缸,贴胶机移动板气缸的缸杆与贴胶机移动板相连。本实用新型具有能很好的模仿人工完成贴胶动作,提高贴胶质量,并在一定程度上减少劳动率,提高生产效率、能实现自动化生产等特点。

标签:
加工技术
山东 - 济南 来源:中冶有色网 2023-03-18
三维多孔Cu3Si@Si锂电负极材料的制备方法及应用

本发明属于材料领域,具体涉及一种三维多孔Cu3Si@Si锂电负极材料的制备方法及应用。使用一定浓度的稀释盐酸对铝硅铜合金进行浸泡处理,随后进行抽滤、真空干燥;将酸洗后的产物置于管式炉中在真空条件下热处理,即可得到三维多孔Cu3Si@Si复合材料。本发明采用的前驱体是商业化的合金,经过简单的酸洗和热处理就可以获得三维多孔Cu3Si@Si复合材料。本发明制备的Cu3Si@Si复合材料由于结构上是三维多孔的,可以有效缓解体积膨胀,维持结构完整性。此外,Cu3Si纳米颗粒的原位嵌入,改善了硅的导电性,加快了材料界面电荷转移速率。该过程通过简单热处理实现,Cu3Si纳米颗粒分布均匀。

标签:
加工技术
山东 - 济南 来源:中冶有色网 2023-03-18
锂离子电池配组方法
锂离子电池配组方法 852     
 0

本发明提供了一种锂离子电池配组方法,步骤如下:未配组电池进行充电至原始容量C0,进行C1,C2,V0检测,计算C1,C2标准差和利用C1、C2、V0控制差值配组;本方法以容量C1作为自放电率的判断依据,相比以电压差判断精确度更高。同批次电芯自放电率同时测量,相比电压逐个测量方法避免了因电池下柜后测量时间不同,电池极化作用消失导致准确度不高的缺点。

标签:
加工技术
山东 - 济南 来源:中冶有色网 2023-03-18
高性能锂离子电池负极材料铁酸铜超细粉的制备方法

本发明公开了一种高性能锂离子电池负极材料铁酸铜超细粉的制备方法,属于电化学和新能源材料技术领域;将铁源和铜源按摩尔比(1.5~3):1置于容器中并加入助溶剂后搅拌混合均匀;干燥后在气氛中于300~850℃条件下烧结4~8小时即得;本发明制备出的CuFe2O4超细粉为单晶粉体,粒径分布窄且具有比容量高,循环性能好,倍率性能优等电化学优势,应用前景广阔;所用的原料廉价易得,一步烧结即能得到纯相产品,而且无需后续处理过程,易于工业化生产。

标签:
加工技术
山东 - 济南 来源:中冶有色网 2023-03-18
叠片式锂离子电池的电化学-热-结构耦合多尺度建模方法

本发明提供了一种叠片式锂离子电池的电化学‑热‑结构耦合多尺度建模方法,在介观尺度下,建立单个电池单元的三维几何模型,进行赋值和网格划分,构建相应三维电化学模型;在宏观尺度下,建立包含多个电池单元的电池单体的三维热‑结构耦合模型;基于充放电条件,利用三维电化学模型得到电池单元中的三维电流密度分布与三维生热率分布,并映射到电池单体的三维热‑结构耦合模型上,计算电池单体内部的三维温度分布、三维热应力分布和三维扩散应力分布,建立三维电化学模型和三维热‑结构耦合模型的耦合关系,本发明可以高精度预测电池内部的三维温度分布和三维应力分布,同时大幅度缩减计算量。

标签:
加工技术
山东 - 济南 来源:中冶有色网 2023-03-18
石墨烯片改性尖晶石型锰酸锂或α型二氧化锰电极的制备方法

本发明涉及一种石墨烯片改性尖晶石型锰酸锂或α型二氧化锰电极的制备方法,按质量比80:15:5称取含锰电极材料、导电剂和PVDF粘结剂粉末,导电剂为石墨烯片或石墨烯片与乙炔黑导电剂的混合物,先将各原料配成浆液,然后涂在铝箔集流体和镍网集流体上辊压制得。本发明制备工艺较为容易,得到的电极的导电性明显提高,速率性能显著改善。

标签:
加工技术
山东 - 济南 来源:中冶有色网 2023-03-18
锂电池电池片组后侧面贴胶装置

本发明公开了一种锂电池电池片组后侧面贴胶装置,属于贴胶设备,其结构包括胶带固定转动机构、第一压胶机构、第二压胶机构、夹胶送胶机构、胶带导向机构、切胶机构、上下移动板、导轨固定板、移动板上下移动气缸、导轨和垫块,所述的胶带固定转动机构设置在上下移动板的左侧上部,胶带导向机构、第一压胶机构、夹胶送胶机构、切胶机构、第二压胶机构分别设置在胶带固定转动机构的下部,导轨固定板的前侧固定有移动板上下移动气缸,移动板上下移动气缸的缸杆与上下移动板相连。本发明具有结构简单,解决了外形尺寸较大的电池片组后侧面贴固定胶,能很好的模仿人的动作完成贴固定胶,减轻了工人的劳动强度,提高生产效率等特点。

标签:
加工技术
山东 - 济南 来源:中冶有色网 2023-03-18
考虑非线性固相扩散的锂离子电池模型及参数辨识方法

本发明提供了一种考虑非线性固相扩散的锂离子电池模型及参数辨识方法,所述模型包括:第一子电路和第二子电路;第一子电路包括串联的第一电容和第一电阻,第一电容的正极端与第一电阻的第一端连接,第一电阻并联有第二电容,第一电容的负极端与第一电阻的第二端之间为电池表面SOC;第二子电路包括串联的电压偏移元件、可控电压源、第二电阻和第三电阻,第三电阻并联有第三电容,可控电压源的电压为电池表面开路电压,表示为表面SOC的函数;电压偏移元件的第一端与可控电压源的负极端连接,第二电阻的第一端与可控电压源的正极端连接,第三电阻的第一端与第二电阻的第二端连接,第三电阻的第二端与电压偏移元件的第二端之间为电池端电压;本发明提高了电池等效电路模型的建模精度,保证了电池的安全有效管理。

标签:
加工技术
山东 - 济南 来源:中冶有色网 2023-03-18
上一页 29 30 31 32 33 ... 53 下一页
共53页    到第

中冶有色为您提供最新的山东济南有色金属加工技术理论与应用信息,涵盖发明专利、权利要求、说明书、技术领域、背景技术、实用新型内容及具体实施方式等有色技术内容。打造最具专业性的有色金属技术理论与应用平台!

全国热门有色金属设备推荐
展开更多 +
全国热门有色金属技术推荐
展开更多 +

 

江西省隆恩特环保设备有限公司
宣传

报名参会
更多+

报告下载

有色专家
更多+

中国瑞林工程技术有限公司
中国工程院院士
矿冶科技集团有限公司工程公司
副总经理
辽宁忠旺集团
教授级高工
江西省科学院应用化学研究所
副主任/副研究员
有研资源环境技术研究院(北京)有限公司
副总经理/教授级高工
赤泥综合利用研究报告2025
推广

热门技术
更多+

推荐企业
更多+

福建省金龙稀土股份有限公司
宣传

发布

在线客服

公众号

电话

顶部
咨询电话:
010-88793500-807