青岛垚鑫智能科技有限公司
宣传

位置:中冶有色 >

有色技术频道 >

> 加工技术

分类:
全部
矿山技术
冶金技术
材料制备及加工技术
环境保护技术
分析检测技术
 
全部
功能材料技术
复合材料技术
新能源材料技术
合金材料技术
加工技术
地区:
全部
北京
天津
上海
重庆
河北
山西
辽宁
吉林
黑龙江
江苏
浙江
安徽
福建
江西
山东
河南
湖北
湖南
广东
海南
四川
贵州
云南
陕西
甘肃
青海
内蒙
广西
西藏
宁夏
新疆
其他
其他
展开
 
全部
济南
青岛
淄博
枣庄
东营
烟台
潍坊
济宁
泰安
威海
日照
滨州
德州
聊城
临沂
菏泽

山东济南有色金属加工技术理论与应用

免费发布技术信息>>
锂离子电池生产用负极材料自动化压实装置

一种锂离子电池生产用负极材料自动化压实装置,包括底座,底座的顶面中部通过安装支架固定连接匣钵,匣钵的上侧有顶板,顶板与底座之间通过升降装置相连,顶板底面连接套管,套管内有气缸,套管的底部连接圆盘,顶板的底面右侧有电机,气缸的下侧有压实板,压实板的外侧壁与匣钵内侧壁全面接触配合,压实板上有长方形通孔,长方形通孔内有活动板,活动板与压实板的底面平齐,活动板的顶面中部连接推杆,顶板上有进料口,进料口的外端有堵头。本装置通过自动化的负极材料平铺减少了工人的劳动强度,提高了负极材料的铺设速度,从而提高了负极材料的压实效率,且铺设过程基本密封,减少了灰尘进入匣钵与负极材料混合的可能,提高了成品的质量。

标签:
加工技术
山东 - 济南 来源:中冶有色网 2023-03-18
锂电芯隔板及其制造方法

本发明公开了一种锂电芯隔板及其制造方法,其中,包括发泡体和骨架,所述骨架为金属冲压件,且在所述骨架上通过冲压的形式向两侧形成均匀布置的Z形折弯,所述Z形折弯的端部为用于和电芯配合的平面状支撑点;所述发泡体复合在骨架上且发泡体的两侧主表面位于Z形折弯的内部;所述发泡体是由基准含普通硅酸盐水泥、铁铝酸盐水泥、玻化微珠、石粉、双氧水、减水剂、水和胶粉经发泡工艺形成的一定厚度的发泡板;发泡体的两侧主表层设有一织物支持层;在所述发泡体的表面喷一层涂料层。本隔板综合了无机发泡体和金属板的双重优点,金属板具有抗冲击、弹力、支撑的作用,无机发泡具有抗爆的性能要求,具有很广的使用空间。

标签:
加工技术
山东 - 济南 来源:中冶有色网 2023-03-18
锂电池配件绝缘垫圈制作加工叠片码垛机械

本发明涉及一种锂电池配件绝缘垫圈制作加工叠片码垛机械,包括L底座、下料机构、定位腔室、转盘和码垛杆,所述L底座一侧安装有下料机构,下料机构的左下方设置有定位腔室,定位腔室的正下方设置有码垛杆,码垛杆插接在转盘上,转盘安装在L底座的底部,第一V型下料板和第二V型下料板均通过螺栓安装在L底座的侧壁,第一V型下料板的顶部安装有第二变向板,且第二变向板与第一V型下料板的顶部内壁平行,第二V型下料板的顶部安装有第一变向板,且第一变向板与第二V型下料板的顶部内壁平行,第一V型下料板和第二V型下料板的间隙处嵌入有L型导向板,L型导向板的末端设置有限位挡板,本发明,具有码垛效果好、质量高和节能环保等特性。

标签:
加工技术
山东 - 济南 来源:中冶有色网 2023-03-18
基于恒流恒压充放电的低温锂离子电池交流预热方法

本公开提出了基于恒流恒压充放电的低温锂离子电池交流预热方法及系统,包括:确定待充电电池的安全电流阈值及电池电压安全阈值;采用恒流恒压充电模式和恒流恒压放电模式交替对电池进行交流预热;其中,恒流恒压充电模式下以待充电电池的安全电流阈值对电池进行充电,检测到电池端电压达到安全电压阈值上限时,恒定电压安全电压阈值上限继续充电;恒流恒压放电模式下以电池的安全电流阈值对电池进行放电,检测到电池端电压达到安全电压阈值下限时,恒定电压安全电压阈值上限继续放电。在电池电流电压安全阈值内进行预热,降低对电池的损伤;以电池安全电流最大值进行预热,提高预热效率。

标签:
加工技术
山东 - 济南 来源:中冶有色网 2023-03-18
锂离子动力电池模组
锂离子动力电池模组 980     
 0

本实用新型实施例公开了一种锂离子动力电池模组,包括模组端板、绝缘板、打包带和蓄电池,所述电池模组还包括涂胶底板,所述蓄电池胶接在所述涂胶底板上,所述涂胶底板上包括底板导热胶区域和分布在所述底板导热胶区域两侧的底板结构胶区域,所述蓄电池的侧板包括侧板导热胶区域和分布在侧板导热胶区域两侧的侧板结构胶区域,所述底板导热胶区域与侧板导热胶区域连通,所述侧板结构胶区域和底板结构胶区域连通。本实用新型在保证结构强度的基础上,降低蓄电池模组或PACK的整体温度、并且降低不同蓄电池之间的温差。

标签:
加工技术
山东 - 济南 来源:中冶有色网 2023-03-18
气动式铌酸锂晶体周期性极化夹具

本实用新型公开了一种气动式铌酸锂晶体周期性极化夹具,包括夹具左夹板、夹具右夹板、金属电极板,所述的金属电极板的两极分别设置在夹具左夹板和夹具右夹板上且两极之间形成液体电极腔,该夹具还包括夹具支架、活塞缸、压板和顶杆,所述的夹具支架为U型结构,夹了铌酸锂晶体的夹具左夹板和夹具右夹板整体放置于夹具支架的中间靠右的位置,夹具右夹板后侧抵在夹具支架右侧的内侧面上,压板的右侧抵在夹具左夹板的左侧面上,压板左侧与顶杆连接,顶杆的外端连接活塞缸。本实用新型的优点在于:实现夹紧与松脱缓慢平稳进行,有效避免冲击,增加操作的准确度,降低了对操作人员的要求。

标签:
加工技术
山东 - 济南 来源:中冶有色网 2023-03-18
锂电池电池片组底部贴胶装置

本实用新型公开了一种锂电池电池片组底部贴胶装置,属于贴胶装置,其结构包括固定胶带机构、压胶机构、切胶机构、胶带导向机构、下压胶机构、步进拉胶驱动机构、滚胶机构和夹胶机构,固定胶带机构、压胶机构、切胶机构和胶带导向机构分别固定在胶带固定板上,滚胶机构和夹胶机构分别设置在步进拉胶驱动机构上,步进拉胶驱动机构、下压胶机构和胶带固定板分别设置在下固定板上,所述的支架包括纵向型材、横向型材、型材固定座和滑动固定板。本实用新型具有解决了外形尺寸较大的锂电池电池片组贴胶带,能很好的模仿人工完成贴胶动作,更能保护电池,结构简单、提高贴胶质量,并在一定程度上减少劳动率,提高生产效率、提高自动化程度等特点。

标签:
加工技术
山东 - 济南 来源:中冶有色网 2023-03-18
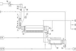
锂电池正极材料焙烧及冷却系统及方法

本发明公开了一种锂电池正极材料焙烧及冷却系统及方法,包括:依次连接的破拱进料装置、焙烧装置、冷却装置和尾气处理装置;所述焙烧装置包括回转焙烧窑,所述回转焙烧窑的进料端和出料端存在设定的倾角;所述回转焙烧窑设置多组加热单元,以独立控制焙烧窑不同位段的温度;焙烧过程中所需气体由焙烧窑出料端进入窑内,由焙烧窑进料端排风口出焙烧窑,进入尾气处理装置。本发明可以通过调下料关风器、回转焙烧窑、冷却滚筒等设备的转速以及电加热装置输出功率,实现各设备的有效衔接和能源的高效利用,从而实现整个系统的连续、高效生产。

标签:
加工技术
山东 - 济南 来源:中冶有色网 2023-03-18
锂电池电池片组左右两侧贴胶装置

本发明公开了一种锂电池电池片组左右两侧贴胶装置,属于贴胶装置,其结构包括前后移动机构和两套侧贴胶装置,前后移动机构包括固定支架、活动支架和移动驱动机构,两套侧贴胶装置设置在活动支架的两侧,两套侧贴胶装置分别包括固定底板、滑动板、上下移动驱动机构、胶带固定机构、贴胶驱动机构、胶带导向机构、贴胶执行机构、胶带滚压机构和剪切机构。本发明具有解决了外形尺寸较大的电池片组左右两侧贴胶带问题,能很好的模仿人工完成贴胶动作,能同时在电池片组的左右两侧贴胶,提高生产效率,在一定程度上减少劳动率,尤其能避免电池片变形,可以保证电池的稳定性,提高电池品质等特点。

标签:
加工技术
山东 - 济南 来源:中冶有色网 2023-03-18
锂空气电池用阴极纳米复合催化剂材料的制备方法

本发明公开了一种锂空气电池用阴极纳米复合催化剂材料的制备方法,该材料由纳米稀土金属氧化物、贵金属、二氧化硅和二氧化钛通过球磨获得催化剂前体混合料,接着将混合料配制成溶液滴加到聚合物溶液中,通过静电纺丝技术制备获得催化剂前体/聚合物纳米纤维膜,然后热处理碳化制得一种金属空气电池用阴极纳米复合催化剂材料。本发明制备的极催化剂大大提高了电池的比容量,有效提高了电池的能量转换效率和循环性能;并且本发明制备方法工艺简单,易于操作,重复性好,适于大规模工业化生产,具有极大的应用价值。

标签:
加工技术
山东 - 济南 来源:中冶有色网 2023-03-18
高性能球花状磷掺杂氧化镍锂二氧化碳电池正极催化材料及其制备方法

本发明属于电化学和新能源领域,涉及一种高性能球花状磷掺杂氧化镍锂二氧化碳电池正极催化材料及其制备方法。本发明制备材料为大小均一的磷掺杂氧化镍球花,球花的平均直径约为6微米,具有较大的比表面积(约235m2g‑1),可用于锂二氧化碳电池的正极催化材料,可以得到很高的比容量和优异的循环稳定性,同时制备方法简便,仅通过简单水热反应和后续热处理即可获得,极具工业化生产价值和实际应用价值。

标签:
加工技术
山东 - 济南 来源:中冶有色网 2023-03-18
高性能石墨烯改性锂硫电池正极活性材料及其制备方法

本发明提供的一种高性能石墨烯改性锂硫电池正极活性材料的制备方法,包括如下步骤:(1)氧化石墨烯悬浮液的制备;(2)纳米银/氧化石墨烯悬浮液的制备;(3)混合悬浮液的制备;(4)固体材料的制备;(5)复合材料粉末的制备;(6)将粘结剂溶解在有机溶剂中,再加入步骤(5)中得到的复合材料粉末,将浆料搅匀混合后涂敷到集流体上,然后把涂片放到真空烘箱中在50‑70℃下烘2‑5h以除去溶剂,再刮去涂片上多余的浆料,于0.5‑1MPa的压力下压制制片,最后再放到真空烘箱中烘12‑16h,得到高性能石墨烯改性锂硫电池正极活性材料。本发明具有良好的导电性,并且表现出较高的比容量。

标签:
加工技术
山东 - 济南 来源:中冶有色网 2023-03-18
锂电池分数阶变阶等效电路模型及其辨识方法

本发明公开了一种锂电池分数阶变阶等效电路模型及其辨识方法,包括运行时间电路及电池I-V特性电路,电池I-V特性电路中的电容采用变阶的分数阶电容。本发明将二阶RC电路模型推广到非整数阶,并基于最小二乘法辨识不同SOC处的模型参数和分数阶阶数,从而获得一个根据SOC变阶的分数阶等效电路模型。分数阶的引入实现了模型阶数的连续变化,使得模型更加稳定、动态性能更优、精度更高;分数阶的变阶实现了模型更多的自由度、更大的柔性和新意。由于未增加RC网络的个数,本发明的分数阶模型有效解决了模型准确性和实用性之间的矛盾,适用于电池的各种工况,具有较高的实用价值,为SOC的精确估计提供了一个精确且易实现的电池模型。

标签:
加工技术
山东 - 济南 来源:中冶有色网 2023-03-18
溴化锂空气源吸收式热泵

本实用新型公开了溴化锂空气源吸收式热泵,包括底座,底座的顶端设置有进水口,进水口的顶端设置有蒸发器,蒸发器的左侧设置有吸收器,蒸发器的右侧设置有控制箱,控制箱的右侧设置有自抽气装置,蒸发器的顶端设置有发生器,发生器的右侧设置有冷凝器,冷凝器的右侧设置有出水口。通过设置了固定装置和固定槽,解决了现有的溴化锂空气源吸收式热泵在使用过程中需要将控制箱打开关闭,而传统的固定方式较为繁琐,不论是打开门板还是关闭门板都较为麻烦,所以需要一种便捷、高效、安全的固定方式的问题。

标签:
加工技术
山东 - 济南 来源:中冶有色网 2023-03-18
落叶资源制备锂硫电池正极复合材料的方法

本发明公开了一种落叶资源制备锂硫电池正极复合材料的方法。其特征在于制备的过程包括以下步骤:(1)收集树木落叶,进行简单预处理后得到备用原料;(2)按照一定的质量比,使用配置的造孔剂溶液处理前述备用原料后干燥得前躯体;(3)将前驱体放入管式炉中在惰性气体氛围下煅烧,之后洗涤、干燥、研磨即得生物质多孔碳;(4)将升华硫与多孔碳进行复合,得到锂硫电池用正极材料。该方法操作工艺简单、安全环保、实现了废弃生物质资源的二次利用,节约了生产成本。得到的介孔碳材料具有理想的比表面积和孔容,此外还具有优秀的导电性。形成的碳硫正极复合材料,有效改善了硫在充放电过程中的体积效应和穿梭效应,提升了电池的电化学性能。

标签:
加工技术
山东 - 济南 来源:中冶有色网 2023-03-18
胺基苯胺基锂化合物及其应用

本发明公开了一种胺基苯胺基锂化合物及其应用,该化合物结构式如下式Ⅰ所示。式中,Ar为取代的芳基。本发明胺基苯胺基锂化合物结构变化多样、安全无毒,不需加入醇助催化剂即可进行聚合反应,催化活性高,反应速率快,可以调控聚合物的分子量,得到的产物分子量可控、产率高,可以广泛用于环内酯开环聚合,是一种十分理想的催化剂。该化合物制备方法简单,成本低,产品收率高,便于工业化生产,能够满足市场的需要。

标签:
加工技术
山东 - 济南 来源:中冶有色网 2023-03-18
功能性离子液体的应用以及从盐湖卤水中萃取锂的方法

本发明公开了一种功能性离子液体的应用以及从盐湖卤水中萃取锂的方法,属于萃取技术领域。该方法萃取体系有机相中包括功能化离子液体,所述离子液体中含有与锂有相互作用的酰胺基团,能够降低其他离子的干扰。与现有技术相比,本发明的萃取方法具有低成本、操作简单、萃取效率高、清洁环保等特点,具有重要的应用价值。

标签:
加工技术
山东 - 济南 来源:中冶有色网 2023-03-18
用于锂-二氧化碳电池正极的纳米多孔Ni3Al/Ni异质结构催化剂的制备方法

本发明公开了一种用于锂‑二氧化碳电池正极的纳米多孔Ni3Al/Ni异质结构催化剂的制备方法,通过脱合金化技术制备三维双连续的纳米多孔Ni3Al/Ni异质结构正极催化剂。该Ni3Al/Ni异质结构正极催化剂中,Ni3Al金属间化合物有序的晶格结构,使其具有独特的电子和几何结构,且Ni3Al金属间化合物与Ni之间丰富的界面可以产生显著电子结构效应优化其催化性能;三维多孔结构具有开放的通道和导电骨架,能够促进高效传质和电子传导,容纳沉积的放电产物,高度曲折的内部结构,暴露出更多的活性位点,提高CO2还原和析出催化性能,大幅改善锂‑二氧化碳电池的循环性能和可逆性;同时,Ni3Al/Ni异质结构催化剂制备工艺简单,重复性好,能够实现安全、绿色、高效的制备。

标签:
加工技术
山东 - 济南 来源:中冶有色网 2023-03-18
锂基催化剂及其制备方法和在过硫酸盐降解废水中的应用

本发明涉及锂基催化剂及其制备方法和在过硫酸盐降解废水中的应用。所述方法为:将一水氯化锂和六水氯化铝混合溶于水中,然后加入醇类,得到A液,所述醇类为乙醇、异丙醇、正丁醇、正辛醇中的两种;氨水、醇类混合,得到B液,所述醇类为乙醇、异丙醇、正丁醇、正辛醇中的两种;将B液滴入到A液中,进行反应后,得到产物。得到的双金属氢氧化物催化剂具有良好的催化性能,可以高效活化过硫酸盐,可以循环使用,物理化学性质稳定。

标签:
加工技术
山东 - 济南 来源:中冶有色网 2023-03-18
锂电池PACK用圆柱电芯理料装置

本发明提供一种锂电池PACK用圆柱电芯理料装置,主要涉及电芯输送领域。一种锂电池PACK用圆柱电芯理料装置,包括输送机构、料仓、填装机构、填装线以及控制器,所述填装线上可拆卸设置若干料仓,所述输送机构、填装机构以及填装线均与控制器电气连接,所述料仓设置在输送机构前端,所述填装机构包括填装架、夹持气缸、伸展气缸以及驱动气缸;所述夹持气缸两端的气缸杆上均设置夹持头,所述夹持头上设置接触传感器,所述填装机构下方设置用于检测电芯位置的位置传感器;所述填装线设置两组。本发明的有益效果在于:本发明能够将杂乱的圆柱电芯整理为朝向一致的方式进行排列,使其满足后续电芯流水线检测的需求,以提高电芯的检测效率以及准确。

标签:
加工技术
山东 - 济南 来源:中冶有色网 2023-03-18
用于锂萃取的功能化离子液体及其合成方法

本发明公开了一种用于锂萃取的功能化离子液体及其合成方法,属于化学合成领域。该方法以卤代酰氯、二取代胺、4?N, N?二甲基吡啶及六氟磷酸钾为原料,经酰胺化反应、成盐反应及交换反应得到具有酰胺基团的功能化离子液体。与现有技术相比,本发明的离子液体及其合成方法具有操作简单、适于工业化推广应用等特点,具有重要的应用价值。

标签:
加工技术
山东 - 济南 来源:中冶有色网 2023-03-18
低温锂离子电池负极膨胀石墨

本发明公开了一种低温锂离子电池负极膨胀石墨,其制备步骤如下:(1)将电池级粉体石墨与浓酸混合后磁力搅拌后,通过抽虑分离粉体,并对粉体洗涤,真空保温干燥;(2)干燥后的粉体与葡萄糖通过丙酮球磨后,真空保温干燥;(3)干燥后研磨,并在惰性气体中保温后冷却至室温;所述粉体石墨与浓酸的摩尔比为1:10~20,所述浓酸为浓硝酸或浓硫酸中的至少一种;所述丙酮球磨时,粉体与葡萄糖的质量比为1:0.125。本发明制备的微膨胀石墨容量可达400mAh/g,可以在-20℃正常工作,适应锂离子电池低温工作的要求。

标签:
加工技术
山东 - 济南 来源:中冶有色网 2023-03-18
家用多功能锂电池
家用多功能锂电池 1155     
 0

本实用新型公开了一种家用多功能锂电池,包括箱体、电池组、支撑架、控制模块、滑轨、滑杆、安装板、组合机构和散热机构,所述箱体中间设置有隔板,所述箱体内部的右侧固定连接有电池组,所述支撑架固定连接在箱体左侧靠后位置的表面上,所述控制模块固定连接在支撑架的上端,所述滑轨固定连接在箱体左侧靠前位置的表面上,所述滑杆滑动连接在滑轨上,所述滑杆的上端固定连接有安装板,所述散热机构连接在电池组上端的箱体上,所述组合机构包含第一伸缩杆、横杆、第二伸缩杆、定位销、照明灯和插座,该家用多功能锂电池,电路连接较为方便,实用性强,稳定性好,更容易被人们所接受。

标签:
加工技术
山东 - 济南 来源:中冶有色网 2023-03-18
用于电动汽车锂电池模块组装后极柱绝缘装置

本实用新型公开了一种用于电动汽车锂电池模块组装后极柱绝缘装置,包括盖帽,所述盖帽一侧通过筋与固定套相连,盖帽侧面上设有至少一个接线端子引出槽。使用时,固定套紧紧套在导电带(或导电片)上,即使电池组处在倒置或剧烈振动的极端情况下,该绝缘装置也不会脱落或偏离电池极柱,避免了锂电池极柱绝缘短路的问题。本实用新型所采用的材料优选硅橡胶材料,在保证绝缘防短路的基础上,也具有良好的散热性。又因该材料具有良好的弹性,所以安装维护人员在检查或装卸极柱时,可直接掀开盖帽,如此既方便了安装维护,又不会影响该实用新型的使用寿命。另外从电池组整体上看,绝缘装置覆盖在电池组模块的极柱上,也具有较好平整度和美观度。

标签:
加工技术
山东 - 济南 来源:中冶有色网 2023-03-18
锂离子电池二硫化钼二氧化钛负极材料及其制备方法与应用

本发明涉及锂离子电池二硫化钼二氧化钛负极材料及其制备方法与应用,该方法利用高温水热法先后合成了青铜矿TiO2(TiO2‑B)纳米带及MoS2@TiO2‑B纳米带,经过在氨气气氛下高温煅烧,得到1T MoS2@TiO2‑B复合材料,该材料是由金属相MoS2和青铜矿TiO2纳米带复合而成。本发明的锂离子电池负极材料1T MoS2@TiO2‑B组装的电池具有高的充放电比容量,平滑的充放电曲线,倍率及循环性能好。

标签:
加工技术
山东 - 济南 来源:中冶有色网 2023-03-18
高镍锂离子电池正极材料改性方法

一种高镍锂电池正极材料的改性方法,包括以下步骤:1)将高镍过渡金属氧化物电极材料浸渍在铵盐溶液中24‑72h,然后在110‑130℃下干燥,在400‑500℃下焙烧1‑12h;2)将酸和去离子水配制成pH值为0.5‑5.0的溶液,将高镍过渡金属氧化物正极材料与酸溶液按照一定的质量比均匀搅拌混合;3)将混合后的溶液在100‑120℃下加热,直到完全溶剂挥发;4)将干燥后的固体粉末在一定气氛下和温度下,在550‑750℃热处理4‑8h。所述方法不仅可以大大降低表面锂残留的含量,并且改善了材料的循环保持率。

标签:
加工技术
山东 - 济南 来源:中冶有色网 2023-03-18
利用周期极化铌酸锂薄膜波导的非简并极化纠缠源系统及其工作方法

本发明涉及一种利用周期极化铌酸锂薄膜波导的非简并极化纠缠源系统及其工作方法,包括激光器、第一半波片、二色向镜、第一探测器、第二探测器、极化分束器、第二半波片、第一反射镜、第二反射镜、周期极化铌酸锂波导;本发明只用一块周期极化晶体就可以得到我们所需要的纠缠源结构,当激光通过一个极化分束器分成两个可能的路径后从相对方向通过周期极化光波导,泵浦光在两个路径中各产生一对纠缠光子对。本发明装置结构紧凑,干涉仪部分所用光学器件都可以制作在一个集成光路中,为纠缠源的集成化与规模化生产奠定了基础。

标签:
加工技术
山东 - 济南 来源:中冶有色网 2023-03-18
锂电池快速散热结构
锂电池快速散热结构 867     
 0

本实用新型涉及锂电池技术领域,尤其涉及一种锂电池快速散热结构,包括保护盖、保护座和电池组;保护座上设置有凸起的插销件,保护盖的对应位置处设置有与插销件配合的插槽;保护座与保护盖之间设置有多个密封垫片;保护盖的顶部设置有第一导热板;保护盖的内部嵌入设置有温差发电板,温差发电板的底部设置有第二导热板;第一导热板、第二导热板均与温差发电板热传递;保护盖的内部中空;保护盖的内部设置有多个加强件;电池组设置在空腔内,电池组上设置有电极片;保护座的对应位置处设置有与电极片配合导电连接的转接头;保护座上设置有接线柱;本实用新型中热能散热快,同时能够利用热能发电供温度传感器使用,节约能源。

标签:
加工技术
山东 - 济南 来源:中冶有色网 2023-03-18
动力锂电池注液装置
动力锂电池注液装置 920     
 0

本实用新型公开了一种动力锂电池注液装置,属于注液装置,其结构包括注液支架、注液机构和真空吸盘组件,注液机构设置在注液支架的顶端,真空吸盘组件包括两个,对称设置在注液支架的中部两侧;注液机构包括注液嘴、注液嘴升降气缸和注液泵,注液嘴通过注液管与注液泵出口相连接,注液嘴设置在注液嘴升降气缸上,注液嘴升降气缸设置在注液支架上;真空吸盘组件包括真空吸盘和真空吸盘驱动气缸,真空吸盘与真空吸盘驱动气缸相连,真空吸盘驱动气缸设置在注液支架上;注液嘴设置在两侧真空吸盘的上部。本实用新型具有不需要人工注液,降低了劳动强度,提高了生产效率,而且不会影响锂电池的质量,实现了动力锂电池的自动化生产等特点。

标签:
加工技术
山东 - 济南 来源:中冶有色网 2023-03-18
动力锂电池二阶RC等效模型的辨识方法

本发明公开了一种基于二阶RC模型的动力锂电池RC等效模型的辨识方法,包括二阶RC等效模型的辨识方程的确定、辨识数据的采集、电池欧姆内阻的计算、最小二乘法辨识。本发明能较好地体现电池的动静态特性;一方面,本发明的模型有较高的精度表征电量参数,在考虑到温度、电流以及充放电过程中内阻差异的情况下,可以较科学准确地模拟电池充放电的动态行为;另一方面,该模型的阶数为二阶,不需要太复杂的数学计算,便于进行计算机处理。因此,应用二阶RC等效模型的辨识方法建立数学模型,可以更科学准确地估计电池的SOC,在动力锂电池的研究应用中能更广泛的应用。

标签:
加工技术
山东 - 济南 来源:中冶有色网 2023-03-18
上一页 33 34 35 36 37 ... 53 下一页
共53页    到第

中冶有色为您提供最新的山东济南有色金属加工技术理论与应用信息,涵盖发明专利、权利要求、说明书、技术领域、背景技术、实用新型内容及具体实施方式等有色技术内容。打造最具专业性的有色金属技术理论与应用平台!

全国热门有色金属设备推荐
展开更多 +
全国热门有色金属技术推荐
展开更多 +

 

江西省隆恩特环保设备有限公司
宣传

报名参会
更多+

报告下载

有色专家
更多+

鞍钢集团有限公司
中国工程院院士
广西大学
处长/教授
江西理工大学
副处长/教授
中冶沈勘秦皇岛工程技术有限公司
原矿山院院长/教授级高工
西安建筑科技大学
教授
赤泥综合利用研究报告2025
推广

热门技术
更多+

推荐企业
更多+

福建省金龙稀土股份有限公司
宣传

发布

在线客服

公众号

电话

顶部
咨询电话:
010-88793500-807