青岛垚鑫智能科技有限公司
宣传

位置:中冶有色 >

有色技术频道 >

> 加工技术

分类:
全部
矿山技术
冶金技术
材料制备及加工技术
环境保护技术
分析检测技术
 
全部
功能材料技术
复合材料技术
新能源材料技术
合金材料技术
加工技术
地区:
全部
北京
天津
上海
重庆
河北
山西
辽宁
吉林
黑龙江
江苏
浙江
安徽
福建
江西
山东
河南
湖北
湖南
广东
海南
四川
贵州
云南
陕西
甘肃
青海
内蒙
广西
西藏
宁夏
新疆
其他
其他
展开
 
全部
沈阳
大连
鞍山
抚顺
本溪
丹东
锦州
营口
阜新
辽阳
盘锦
铁岭
朝阳
葫芦岛

辽宁沈阳有色金属加工技术理论与应用

免费发布技术信息>>
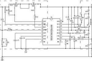
磷酸铁锂电池宽温保护装置

本发明公开了电池保护技术领域的一种磷酸铁锂电池宽温保护装置,包括四节磷酸铁锂电池BT、芯片U1、电阻R、MOSFET管Q、电容C、热保护器KT,四节磷酸铁锂电池串联后,第四节磷酸铁锂电池BT4正极连接到芯片U1的16脚VDD为芯片U1提供电源正极,第一节磷酸铁锂电池BT1负极通过电阻R4接到芯片U1的7脚VSS为芯片U1供电源负极,本发明主要针对可充电磷酸铁锂电池,起保护作用的集成电路板,能有效防止电池过充,过放,过流,短路,及超高温的工作环境安全,微加热控制线路,解决极端低温环境下电池组的高效工作。

标签:
加工技术
辽宁 - 沈阳 来源:中冶有色网 2023-03-18
消除镁锂合金搅拌摩擦焊焊缝表面起皮缺陷的方法

一种消除镁锂合金搅拌摩擦焊焊缝表面起皮缺陷的方法,属于搅拌摩擦焊接领域。该方法包括搅拌头定位、搅拌头旋转下压、保压、焊接过程,在保压和焊接过程中,增加热力平衡维持过程,具体为:根据参考件镁锂合金搅拌摩擦焊焊缝表面起皮缺陷的距离,确定镁锂合金搅拌摩擦焊起始阶段焊缝表层金属能够稳定脱离轴肩边缘的最短时间,从而确定热力平衡维持时间。该方法解决现有FSW技术在镁锂合金FSW中起始端极易出现的起皮缺陷,严重影响焊缝美观、接头性能及质量的问题,对于提高镁锂合金FSW接头的质量与性能,推进镁锂合金FSW的工业化应用具有重要的意义。

标签:
加工技术
辽宁 - 沈阳 来源:中冶有色网 2023-03-18
介孔硅/石墨烯复合的锂离子电池负极材料的制备方法

本发明属于电极材料制备领域,提供了介孔硅/石墨烯复合的锂离子电池负极材料的制备方法,包括:(1)Al‑20Si‑5Mg合金的制备,(2)电子束处理铝硅合金制备介孔硅,(3)介孔硅材料处理,(4)介孔硅/石墨烯负极材料的复合。本发明成功地将在电子束处理过程中出现的被视为是缺陷的孔洞及小坑加以利用,使得Al‑20Si‑5Mg合金经过强流脉冲电子束处理之后成为具有多孔结构的介孔硅,最终得到能够有效吸收硅在放电过程中的体积膨胀的硅负极材料。将所得到的介孔硅材料与石墨烯进行复合,应用于锂电子负极材料,最终获得了电化学性能及循环性能优良,容量大,安全性高的新型锂离子电池,为锂离子电池的发展做出了贡献。

标签:
加工技术
辽宁 - 沈阳 来源:中冶有色网 2023-03-18
有机聚合物硫/碳纳米管复合材料及其在锂硫电池中的应用

本发明公开了一种有机聚合物硫/碳纳米管复合材料及其在锂硫电池中的应用,属于锂硫电池材料技术领域。本发明将聚合物硫填充在碳纳米管管腔内,构成由有机聚合物硫与碳纳米管的复合材料,并将其直接用于锂硫电池正极。本发明利用碳纳米管的优异电子输运和束缚多硫离子作用,实现了优异的电化学性能。有机聚合物硫与碳纳米管复合材料用于锂硫电池,不需要使用粘结剂、导电剂和金属集流体,可实现一体化整体结构,得到的锂硫电池具有优异的循环稳定性与倍率性能特点。本发明操作简便、易于结构调控,为有机聚合物硫在锂硫电池方面的应用提供了广阔的前景。

标签:
加工技术
辽宁 - 沈阳 来源:中冶有色网 2023-03-18
锂离子电池导电剂氮掺杂石墨烯的制备方法及其应用

本发明提供了一种锂离子电池导电剂氮掺杂石墨烯的制备方法及其应用,属于锂电池技术领域。具体制备方法为:1)室温下,将石墨烯置于蒸馏水中超声后,加入氮源室温放置10‑14h,50℃真空干燥12h;2)将上述产物置于管式炉氩气氛围,600℃煅烧1h;3)向上述产物中加入活化剂,红外灯下研磨后,置于管式炉氩气氛围下煅烧,自然冷却至室温,蒸馏水洗涤离心,50℃真空干燥12h,研磨,得目标产物。锂离子电池导电剂氮掺杂石墨烯材料,一方面安全环保,可以解决锂电池材料的安全隐患问题,另一方面氮原子的掺入,可提高材料的电负性,从而提高材料的电化学性能。

标签:
加工技术
辽宁 - 沈阳 来源:中冶有色网 2023-03-18
用于锂电池生产的充放电检测装置

本实用新型涉及锂电池生产技术领域,具体为一种用于锂电池生产的充放电检测装置,包括电连箱,所述电连箱的下表面安装有检测控制箱,所述检测控制箱的内部安装有锂电池检测仪,所述电连箱的内部上表面位置处安装有夹持卡具,所述夹持卡具的内部卡合安装有锂电池,所述锂电池检测仪的输出端电极连接有通电线,所述电连箱与检测控制箱的侧表面位置处均设置有散热网,所述电连箱的内部下表面对应锂电池的位置处安装有电连板,所述锂电池的下端设置有锂电池电极头。本实用新型的锂电池生产的充放电检测装置,设置有锂电池固定结构,锂电池卡具为弹簧自动挤压固定结构,本装置的结构集中,体积较小,装置的电联结构为插入式结构。

标签:
加工技术
辽宁 - 沈阳 来源:中冶有色网 2023-03-18
锂离子电池用多孔导电LiFePO4正极板的制备方法

本发明涉及锂离子电池用磷酸盐型正极板的制备技术,具体为一种不含粘合剂的锂离子电池用多孔导电LiFePO4正极板的制备方法。该方法通过低温烧结冷压成型的LiFePO4正极材料粉末形成多孔结构,再通过化学气相沉积的方法在已经形成多孔结构的LiFePO4颗粒表面均匀包覆一层导电性碳膜来获得多孔导电LiFePO4正极板。本发明可以在不使用任何粘合剂和溶解粘合剂的溶剂的情况下制备出多孔导电LiFePO4正极板。采用该方法制备的极板导电性好,放电比容量高。本发明工艺简单、电极板制造成本低,大幅度缩短了传统工艺流程,解决了常规制备LiFePO4正极片冗长繁琐的工艺,需要多种工艺设备以及价格昂贵的粘合剂和溶解粘合剂的溶剂的问题。

标签:
加工技术
辽宁 - 沈阳 来源:中冶有色网 2023-03-18
铝锂合金的电场均匀化处理方法

本发明公开了一种铝锂合金的电场均匀化处理 方法,先将坯料作为正极,放入强电场作用装置内,然 后打开强电场发生器,在坯料和极板之间产生高压强 电场,再加热坯料进行均匀化处理,温度为430- 540℃,时间8-16小时,再进行8-16小时非电场 均匀化处理。本发明可应用在铝锂合金材料进行均 匀化处理。

标签:
加工技术
辽宁 - 沈阳 来源:中冶有色网 2023-03-18
铝电解质中锂元素选择性盐酸浸出的方法

本发明公开一种铝电解质中锂元素选择性盐酸浸出的方法,涉及铝电解质提取回收技术领域。其包括以下步骤:将含有锂元素的铝电解质粉碎并筛分;将盐酸与水混合,并调整酸溶液pH值小于5.5;将铝电解质加入到酸溶液中,搅拌并加热进行浸出,反应温度为20‑95℃,铝电解质加入量依据氟离子浓度和酸度控制,酸度为pH值小于5.5,氟离子浓度大于0.2g/L;反应结束后,将混合液进行过滤、洗涤,得到滤液和过滤物;滤液用于提取锂元素,过滤物经洗涤、干燥,返回电解铝厂生产电解质,和/或,返回浸出过程中。本发明选择性浸出锂盐,回收高附加值锂盐,同时得到纯度较高适用于铝电解质生产的工业电解质,电解铝生产的能耗和提取成本低。

标签:
加工技术
辽宁 - 沈阳 来源:中冶有色网 2023-03-18
机械力辅助固相合成钛酸锂负极材料的方法

本发明属于电池技术领域,尤其涉及一种机械力辅助固相合成钛酸锂负极材料的方法,采用固相合成法合成钛酸锂负极材料时,利用机械力辅助对钛源材料和锂源材料进行研磨处理,得到纯相钛酸锂负极材料。还包括如下步骤:S1、将钛源材料和锂源材料按照计量比混合,获得混合反应物料;S2、将获得的混合反应物料置入反应区;S3、对位于反应区的混合反应物料加热、保温和冷却流程的同时,借助于研磨球对混合反应物进行研磨处理,冷却完成后得到纯相钛酸锂负极材料。本发明提供的合成钛酸锂负极材料的方法能够达到缩短工艺时间、降低工艺能耗,提高产品性能的目的。

标签:
加工技术
辽宁 - 沈阳 来源:中冶有色网 2023-03-18
锂膨润土悬浮剂的制造方法

本发明属于铸造用防粘砂醇基快干涂料悬浮剂 的制造方法。克服了有机膨润土等已知悬浮剂,制造 复杂、价格昂贵、在醇溶剂中悬浮性差等缺点,而具 有悬浮性好、价格便宜、制造方便、劳动条件好等优 点。锂膨润土悬浮剂的制造方法是通过阳离子交换 反应,把钙膨润土变为锂膨润土,然后用桥连剂桥 连,并用变性酒精制成醇凝胶。用锂膨润土悬浮剂配制的醇基快干涂料,具有 悬浮性好、渗透适中、涂敷性好、激热抗裂性好、价格 便宜、劳动条件好等优点。

标签:
加工技术
辽宁 - 沈阳 来源:中冶有色网 2023-03-18
碳纳米管/磷酸铁锂复合正极材料及其原位制备方法

本发明属于锂离子电池材料技术领域,特别是涉及一种碳纳米管/磷酸铁锂复合正极材料及其原位制备方法。将碳纳米管、乙炔黑和分散剂,在水或有机溶剂中超声分散制成混合物;将锂源、铁源和磷酸盐混料,同时加入有机碳源和上述混合物,经球磨、烘干;将其干燥后,在惰性保护气氛下煅烧,过筛,即得到碳纳米管均匀分散在磷酸铁锂体相和表面的复合正极材料,其中碳纳米管重量占0.5~15%,磷酸铁锂占85~99.5%。所获得复合正极材料作为锂离子电池正极时,可大幅度提高功率输出和循环特性,同时与铝箔集流体的结合能力强,电极片具有高的压实密度,且极片的柔软性和卷绕性良好。

标签:
加工技术
辽宁 - 沈阳 来源:中冶有色网 2023-03-18
石墨烯锂电池结构
石墨烯锂电池结构 957     
 0

本实用新型属于锂电池技术领域,尤其是一种石墨烯锂电池结构,包括石墨烯锂电池、保护壳和密封盖,所述石墨烯锂电池包括正极材料、负极材料、电解液、石墨烯隔膜、电池壳体和顶盖,所述顶盖的顶部固定连接有正极端子和负极端子,所述正极端子和负极端子均贯穿顶盖,所述正极端子的底部固定连接有正极材料,所述负极端子的底部固定连接有负极材料,所述保护壳呈无顶壁中空状,所述电池壳体与保护壳滑动套接。该石墨烯锂电池结构,通过设置保护壳和密封盖将石墨烯锂电池完全包裹,再通过减震弹簧来减少石墨烯锂电池受到外部物理损伤,从而引发安全隐患,而当电池内部发生事故时,保护壳同样可以保护到保护壳外面的人和物。

标签:
加工技术
辽宁 - 沈阳 来源:中冶有色网 2023-03-18
应用于锂硫电池正极的MXene基负载铂催化剂的制备方法

本发明公开了一种应用于锂硫电池正极的MXene基负载铂催化剂制备方法,涉及能源催化领域。该方法分为两个部分,首先制备所需的MXene纳米片和铂纳米粒子;然后通过浸渍法将铂纳米粒子均匀负载到MXene纳米片上,以获得最终的催化剂材料。通过本发明制得的MXene基负载铂催化剂应用于锂硫电池正极材料中,可以有效加快锂硫电池在电池循环过程中多硫化物的转化速率以抑制穿梭效应,从而对降低锂硫电池电阻,提升倍率性能和循环稳定性起到有益的作用。

标签:
加工技术
辽宁 - 沈阳 来源:中冶有色网 2023-03-18
基于生物质多孔碳材料为负极材料的新型锂离子电池

本发明公开了一种基于生物质多孔碳材料为负极材料的新型锂离子电池。以生物质多孔碳材料作为负极材料,将适量导电剂、粘结剂和生物质多孔碳材料混合均匀成膏后,均匀涂覆于铜箔上作为负极,以锂片作为正极,装配成锂离子电池。所述生物质多孔碳材料为碳化橘子叶。本发明将碳化橘子叶应用到锂离子电池负极材料中,一方面原材料容易获得,绿色环保,另一方面碳化橘子叶具有多孔结构,增加反应的活性位点,可提高材料的电负性,从而提高材料的电化学性能。

标签:
加工技术
辽宁 - 沈阳 来源:中冶有色网 2023-03-18
碳纳米管复合锂电池负极材料及其制备方法

本发明属于锂离子电池电极材料技术领域,特别涉及了一种具有高循环寿命及高压实密度的碳纳米管复合锂子电池负极材料及制备方法。本发明通过在负极材料制备过程中将碳纳米管原位加入,不仅使碳纳米管在负极材料表面均匀分散,且在负极材料内部也实现了均匀体相分散,形成连续贯通的三维碳纳米管导电网络,从而延长了锂离子电池循环寿命,同时也改善了复合电极材料制成极片的渗液能力,制得的锂离子电池具有高倍率放电性能。本发明具有成本低,易于工业化特点,可望在高功率锂离子电池方面得到应用。

标签:
加工技术
辽宁 - 沈阳 来源:中冶有色网 2023-03-18
晶硅切割废弃料制备氮化硅复合碳化硅陶瓷的方法

本发明公开了属于陶瓷技术和二次资源综合利用技术领域的一种晶硅切割废弃料制备氮化硅复合碳化硅陶瓷的方法。本发明利用金刚石线切割晶硅的废弃物中的高纯Si粉和多丝线切割晶硅废料中易收集的SiC微粉,混合氮化反应常压烧结制备氮化硅结合碳化硅陶瓷。对于降低生产成本,二次资源利用,改善环境,控制产品质量,提高陶瓷制品的制成率具有很大作用,特别适合于作为低压铸造升液管用氮化硅结合碳化硅复合材料。

标签:
加工技术
辽宁 - 沈阳 来源:中冶有色网 2023-03-18
锂离子蓄电池地面维护系统

本实用新型公开了一种锂离子蓄电池地面维护系统。所述锂离子蓄电池地面维护系统包括:数控电源,其与锂离子蓄电池组连接;电子负载,其与锂离子蓄电池组连接;调理控制箱,其分别与锂离子蓄电池组、数控电源以及电子负载连接;工控机,其分别与数控电源、电子负载以及调理控制箱连接。本申请的锂离子蓄电池地面维护系统中,调理控制箱用于控制数控电源以及电子负载工作,并检测锂离子蓄电池组充电电流以及故障保护;工控机用于控制调理控制箱工作并采集锂离子蓄电池组电量以及充放电电流变化,从而实时监测锂离子蓄电池充电或放电状态,采用这种系统,可实时监测,自动判断故障并保护,充电或放电完成后自动停止设备等,实现了过程完全自动控制。

标签:
加工技术
辽宁 - 沈阳 来源:中冶有色网 2023-03-18
数显锂电扳手的双扳头中心距调整机构

本实用新型公开了一种数显锂电扳手的双扳头中心距调整机构,包括数显锂电扳手主体,数显锂电扳手主体的下方安装有可动支架,可动支架的侧壁安装有操作杆,数显锂电扳手主体的里侧对称安装有动力组件。在进行螺栓与螺母的装卸前,先对调整组件进行旋动,通过螺纹的特性,调整组件会向两侧同步伸长或缩短,调整组件与可动支架相铰接,使操作杆与动力组件向外展开或收近,向下压动操作杆,使数显锂电扳手动力组件进行拧转工作,两侧板头间距保持一致,同时具备限位功能,防止扳头的位置偏移,影响整体的安装效率。

标签:
加工技术
辽宁 - 沈阳 来源:中冶有色网 2023-03-18
零点电源与锂离子电池的电池组作为电脑电源的应用

本发明公开了一种零点电源与锂离子电池的电池组作为电脑电源的应用,该电池组包括至少一个零点电源单体和至少一个锂离子电池单体,所述零点电源单体与所述锂离子电池单体能够串联和/或并联。本发明提供的用作电脑电源的电池组将零点电源和锂离子电池整合在一起,所述零点电源单体与所述锂离子电池单体可以串联和/或并联,也可以断开连接。例如,在使用时,如果锂离子电池的电量能够满足使用要求,则可以将所述零点电源单体与所述锂离子电池单体断开连接,锂离子电池与用电设备相连提供稳定的电压和电流;当锂离子电池使用一段时间之后(例如电量不足时),可以将所述零点电源单体与所述锂离子电池单体串联和/或并联,零点电源可以持续不断地为锂离子电池充电,适合用作电脑特别是笔记本电脑的电源,使用方便。

标签:
加工技术
辽宁 - 沈阳 来源:中冶有色网 2023-03-18
铝锂合金表面裂纹与剩余强度关系分析方法

本发明公开了一种铝锂合金表面裂纹与剩余强度关系分析方法。所述铝锂合金表面裂纹分析方法包括如下步骤:步骤1:进行分组;步骤2:对每组中的每个待测铝锂合金零件进行缺口处理;步骤3:对待测铝锂合金零件进行裂纹扩展试验,直至形成初始裂纹尖端;步骤4:停止一组正在进行裂纹扩展试验的待测铝锂合金零件组,并继续进行所述裂纹扩展试验;步骤5:裂纹扩展试验每加载预定次数循环载荷,停止一组待测铝锂合金零件组,直至待测铝锂合金零件组均停止;步骤6:测量待测铝锂合金零件的裂纹长度以及循环次数;步骤7:进行剩余强度试验;步骤8:建立关系表。采用这种方法能够将裂纹长度与剩余强度以及裂纹扩展速率与剩余强度分别建立起联系。

标签:
加工技术
辽宁 - 沈阳 来源:中冶有色网 2023-03-18
温度时变下的钛酸锂电池状态估计方法

本发明提供了一种温度时变下的钛酸锂电池状态估计方法,建立温度时变的三阶RC网络等效电路钛酸锂电池模型,运用改进平方根容积卡尔曼滤波算法对钛酸锂电池SOC进行在线估计。该算法通过设置阈值判断和校正规则,对状态预测值或卡尔曼滤波增益进行校正以平衡先验预测值与后验反馈的量测值在滤波中所占的比重,解决因先验噪声统计特性未知而导致平方根容积卡尔曼滤波算法估计钛酸锂电池SOC精度下降的问题,更大程度地提高钛酸锂电池SOC的估计精度。

标签:
加工技术
辽宁 - 沈阳 来源:中冶有色网 2023-03-18
由锂电池供电的USB程序烧写电路

本实用新型公开了一种由锂电池供电的USB程序烧写电路,包括:单片机电路、USB转串口电路和锂电池,其中,单片机电路与USB转串口电路连接,锂电池分别与单片机电路和USB转串口电路连接,用于为单片机电路和USB转串口电路供电,锂电池与单片机电路之间还设置有电压转换电路,用于为单片机电路提供3.3V电压,USB转串口电路还与USB座的转换插件连接。该由锂电池供电的USB程序烧写电路通过对STM32与CH340之间的连接电路的合理设计,使得CH340在4.2V‑3.6V锂电池供电的情况下工作也不会影响STM32内的程序的正常启动,同时,在外接USB对STM32进行程序烧写时,该电路依然可以保证程序烧写的顺利进行。

标签:
加工技术
辽宁 - 沈阳 来源:中冶有色网 2023-03-18
用微波技术合成锂离子蓄电池材料的方法

一种用微波技术合成锂离子蓄电池材料的方法,属于锂离子蓄电池材料的合成方法,以氢氧化锂或碳酸锂、氧化钴、氧化镍和二氧化锰为原料,将选好的粉末状原料根据化学反应方程式按相应的摩尔比各取一定的量充分混合后放入微波炉内的反应器中,通入保护气体,启动微波炉,控制输出功率1-100千瓦,反应时间1-60分钟,反应温度在600℃-900℃,达到要求时间后,取出反应产物,本发明具有工艺简单、易于控制、能耗低、产品性能好等优点。

标签:
加工技术
辽宁 - 沈阳 来源:中冶有色网 2023-03-18
锂离子电池负极材料改性方法

本发明涉及一种锂离子电池负极材料改性方法,将需要改性负极材料添加催化剂均匀混合,催化剂占改性负极材料的重量百分比为0.1%-10%,将处理完毕的材料放入反应炉内,用碳氢化合物做碳源,与缓冲气体按比例混合,碳氢化合物与缓冲气体的体积比为1∶(0-10),通入温度在600-1300℃反应炉中,经过1-900分钟的反应后,得到一种在表面上原位生长纳米炭纤维/碳管的改性复合负极材料。本发明通过化学反应,在现有的负极材料表面原位生长纳米炭纤维/碳管,完成了对负极材料的改性,使其具有很好的电池动力学性能、循环性能、充放电容量和与电解液的相容性,从而提高了以该材料为负极材料的锂离子电池性能。

标签:
加工技术
辽宁 - 沈阳 来源:中冶有色网 2023-03-18
锂电池活性材料的分离的方法

本发明涉及废旧锂离子电池的回收利用,具体涉及一种锂电池活性材料的分离的方法。向破碎后电池芯中加入过量的溶剂搅拌0.5~5h,进而实现电池活性材料的脱落与分离,而后筛分收集锂电池活性材料。本发明分离过程中采用混合溶剂对废旧动力锂电池中的正负极活性材料进行回收,回收率约97%,剥离完材料的废溶剂进行回收套用,溶剂套用损耗约2%~5%;并且本发明方法简单、条件温和,电池活性材料的溶剂剥离工艺与传统的高温焙烧水浸剥离工艺相比,节省了高温焙烧及水浸过程的能耗,环境效益显著。同时,本发明对锂电池中电解液中的部分锂盐和PVDF等进行回收,提升了回收物价值,降低锂电回收成本。

标签:
加工技术
辽宁 - 沈阳 来源:中冶有色网 2023-03-18
二硅酸锂微晶玻璃、其制备方法及用于牙科材料的应用

本发明属于医用材料领域,涉及一种二硅酸锂微晶玻璃、其制备方法及应用。本发明的二硅酸锂微晶玻璃按质量百分比包括如下组分:SiO2?55%~65%、Li2O?16%~24%、P2O5?2%~5%、Al2O3?8%~12%、K2O?2%~5%和TbO2?1%~10%。本发明的方法为将原料进行预烧、煅烧、浇注成型,再经退火、核化、析晶后制得偏硅酸锂微晶玻璃块体,其具有良好的可加工性,经机械加工后再次热处理得到二硅酸锂微晶玻璃。本发明所制备的二硅酸锂微晶玻璃经特定含量的稀土元素Tb掺杂,可破坏玻璃网络结构,降低粘度,有利于析晶,提高微晶玻璃的硬度和抗弯强度,为二硅酸锂微晶玻璃的制备提供了一种新的方法。

标签:
加工技术
辽宁 - 沈阳 来源:中冶有色网 2023-03-18
钙钛矿型锂离子固体电解质隔膜及其制备和使用方法

一种钙钛矿型锂离子固体电解质隔膜及其制备和使用方法,隔膜的分子式为Li2x‑ySr1‑xTi1‑yNbyO3,其中,0.5≤y≤0.7,x=0.75y;制备方法为:(1)准备Li2CO3、SrCO3、TiO2和Nb2O5作为原料;(2)加入分散剂球磨混合,然后烘干;(3)升温至1100±5℃预烧,随炉冷却;(4)过100目筛,压制成片;(5置于氧化铝板上,母粉覆盖后置于电阻炉中升温至1250±5℃后煅烧,随炉冷却,抛光;作为锂离子隔膜使用;本发明的钙钛矿型锂离子固体电解质隔膜在室温下具有较高的锂离子电导率,较低的电子电导率,有良好的致密性,机械强度高可以作为锂离子隔膜使用。

标签:
加工技术
辽宁 - 沈阳 来源:中冶有色网 2023-03-18
基于初值补偿无迹卡尔曼滤波算法的锂离子电池自适应荷电估计方法

一种基于初值补偿无迹卡尔曼滤波算法的锂离子电池自适应荷电估计方法,包括如下步骤:步骤1,选择等效电路模型;步骤2,采用增广向量法处理状态初始值、未知阶次以及未知参数,通过迭代法处理噪声,更新自适应分数阶无迹卡尔曼滤波算法;步骤3,根据所提带有初值补偿的无迹卡尔曼滤波算法对噪声的协方差矩阵进行自适应估计,进而估计锂离子电池的SOC值。本发明提供一种基于初值补偿的自适应分数阶无迹卡尔曼滤波器设计方法,该方法相比于未初值补偿、噪声协方差矩阵已知时的自适应分数阶无迹卡尔曼滤波算法,有效地提升了锂离子电池的SOC估计精度,提高了锂离子电池在不同工况下的SOC估计的自适应能力。

标签:
加工技术
辽宁 - 沈阳 来源:中冶有色网 2023-03-18
受围挡的锂离子电池组热滥用实验装置

一种受围挡的锂离子电池组热滥用实验装置,包括防爆仓体、围挡外壳、锂离子电池组、电加热棒、电加热板及电子秤,防爆仓体内设有温度传感器、导热传感器、烟气传感器及辐射热流计,防爆仓体外设有红外摄像仪。实验方法为:开展受围挡的由内部热源导致的锂离子电池组热失控及燃烧实验时,组装锂离子电池组并放置电加热棒,启动电加热棒,直至锂离子电池组发生热失控或燃烧,记录实验数据,调整实验参数后重复实验;开展受围挡的由外部热源导致的锂离子电池组热失控及燃烧实验时,组装锂离子电池组且不放置电加热棒,启动电加热板,直至锂离子电池组发生热失控或燃烧,记录实验数据,调整实验参数后重复实验。

标签:
加工技术
辽宁 - 沈阳 来源:中冶有色网 2023-03-18
上一页 26 27 28 29 30 ... 33 下一页
共33页    到第

中冶有色为您提供最新的辽宁沈阳有色金属加工技术理论与应用信息,涵盖发明专利、权利要求、说明书、技术领域、背景技术、实用新型内容及具体实施方式等有色技术内容。打造最具专业性的有色金属技术理论与应用平台!

全国热门有色金属设备推荐
展开更多 +
全国热门有色金属技术推荐
展开更多 +

 

江西省隆恩特环保设备有限公司
宣传

报名参会
更多+

报告下载

有色专家
更多+

江西理工大学
副校长
鞍钢集团有限公司
中国工程院院士
北京科技大学
主任/教授
矿冶科技集团
副所长/研究员
赣州江钨钨合金有限公司
副总经理
赤泥综合利用研究报告2025
推广

热门技术
更多+

推荐企业
更多+

福建省金龙稀土股份有限公司
宣传

发布

在线客服

公众号

电话

顶部
咨询电话:
010-88793500-807