青岛垚鑫智能科技有限公司
宣传

位置:中冶有色 >

有色技术频道 >

> 加工技术

分类:
全部
矿山技术
冶金技术
材料制备及加工技术
环境保护技术
分析检测技术
 
全部
功能材料技术
复合材料技术
新能源材料技术
合金材料技术
加工技术
地区:
全部
北京
天津
上海
重庆
河北
山西
辽宁
吉林
黑龙江
江苏
浙江
安徽
福建
江西
山东
河南
湖北
湖南
广东
海南
四川
贵州
云南
陕西
甘肃
青海
内蒙
广西
西藏
宁夏
新疆
其他
其他
展开
 
全部
沈阳
大连
鞍山
抚顺
本溪
丹东
锦州
营口
阜新
辽阳
盘锦
铁岭
朝阳
葫芦岛

辽宁沈阳有色金属加工技术理论与应用

免费发布技术信息>>
风力发电机用钛酸锂电池模组

本实用新型提出了一种风力发电机用钛酸锂电池模组,包括模组安装底座、钛酸锂电池、压板、线路连接板、接线箱;所述模组安装底座上设有2排底座安装槽,每个底座安装槽上安装一个钛酸锂电池,2排所述钛酸锂电池的接线端相对设置,且2排所述钛酸锂电池的接线端与设置其上方的线路连接板对应的电极片连接,所述线路连接板上的电极片与接线箱上的其对应的线路板接线端子电性连接,所述钛酸锂电池的上方通过压板压紧固定。本实用新型优化了安装结构和布线设置,散热效果好,还有利于现场维护,降低维修成本,提高维修效率。

标签:
加工技术
辽宁 - 沈阳 来源:中冶有色网 2023-03-18
低温锂电池组
低温锂电池组 983     
 0

本实用新型提出一种低温锂电池组,纵隔层和横隔层与外壳内壁固定,下端与外壳间留第一过风间隙;纵隔层与横隔层形成若干电池腔,其下方的外壳设卡接座;电池腔内置锂电池单体,其下端有卡接槽,卡合于卡接座上,锂电池单体与外壳间有第二过风间隙;外壳设通风口;外壳底壁设风扇;纵隔层和横隔层有两层蓄热腔层和加热腔层;蓄热腔层内填充相变储热介质;加热腔层内设电加热片;锂电池单体上设正极耳、负极耳和温度传感器,正极耳与正极母线连接,负极耳与负极母线连接;锂电池单体、纵隔层和横隔层上方设绝缘层、隔热层和电路板;电路板与温度传感器、风扇和电加热片、正极母线和负极母线电连接;电路板设控制器。本实用新型可在低温环境工作。

标签:
加工技术
辽宁 - 沈阳 来源:中冶有色网 2023-03-18
利用无锂钙基熔盐法处理冶金废气并资源化利用的方法

一种利用无锂钙基熔盐法处理冶金废气并资源化利用的方法,属于冶金废气资源化利用领域。该方法为:将冶金废气通入无锂钙基熔盐中,当冶金废气被无锂钙基熔盐充分吸收后,以金属片作为金属阴极,以镍基合金作为阳极;在不同的电解参数下进行电解,根据电解条件控制金属阴极产物,然后进行后处理。该方法是一种清洁高效的处理冶金废气并将其转化为电池负极材料和氧气或者CO燃料和氧气的方法,采用高温熔盐电化学方法处理冶金废气无需设置中间降温冷却工艺,可直接通入,同时,该方法具有气体吸收选择性强、吸收效率高、资源化产品种类不单一、附加值高等优点,并且其市场广阔,全流程绿色分离回收处理,过程清洁高效,经济性好。

标签:
加工技术
辽宁 - 沈阳 来源:中冶有色网 2023-03-18
硬碳-无机锂盐复合电极材料及其制备方法和应用

本发明实施例公开了一种硬碳‑无机锂盐复合电极材料,具有核壳结构,内核为磷掺杂硬碳,外壳为无机锂盐层,以复合材料的总重量计,外壳所占的质量百分比为1%~10%。先通过制备多孔硬碳材料,并在其孔隙和表面沉积三氯化磷,得到磷掺杂硬碳的内核,再通过原子气相沉积法在内核表面循环沉积无机锂盐,得到所述复合材料。本发明的硬碳‑无机锂盐电极复合材料可作为电池负极材料,其内核中掺杂磷,掺杂均匀、一致性好,赋予材料较高的比容量,外壳中是无机锂盐的有序循环沉积层,大大提升材料的首次充放电效率、倍率性能和循环性能。

标签:
加工技术
辽宁 - 沈阳 来源:中冶有色网 2023-03-18
特殊结构锂离子电池隔膜及其制备方法

本发明涉及锂离子电池隔膜制备领域,特别是一种具有特殊结构无机涂层的耐高温型锂离子电池隔膜及其制备方法。锂离子电池隔膜包括多孔柔性底膜以及涂覆于底膜两侧的涂层,其中,涂层中含有无机粒子和有机微球的混合物。将无机粒子与有机微球在溶剂中按照一定比例混合,得到均一的涂膜浆料,上述浆料涂覆于柔性有机底膜的两个表面,再经一定温度下热辊压制得性能良好的复合隔膜。本发明提供的无机涂层锂电隔膜制备方法,涂膜浆料中未直接加入粘合剂,避免了粘合剂对隔膜微结构的破坏,大大提高了隔膜的耐高温性和电解液浸润性,用此方法制备的复合锂电隔膜具有综合性能优越、易大规模大尺寸生产等优点。

标签:
加工技术
辽宁 - 沈阳 来源:中冶有色网 2023-03-18
含锂氧化铝的制取方法
含锂氧化铝的制取方法 1132     
 0

本发明提供了一种含锂氧化铝的制取方法。 本发明的特征是将铝土矿、石灰、锂辉石及烧碱 配制矿浆后,经高压浸出—液固分离—浸出液分解— 液固分离后将固体焙烧而制得含锂氧化铝。本发明 在制铝过程中可以取缔碳酸锂及其生产工艺可直接 电解生产铝,因而折算碳酸锂的生产成本可以降低 50~62.5%,生产每吨铝电耗下降500度。本发明不 需其它设备投资可直接用于以拜耳法生产氧化铝的 企业,因而具有上马快、经济效益显著等特点。

标签:
加工技术
辽宁 - 沈阳 来源:中冶有色网 2023-03-18
可进行光催化反应的锂氧气电池模具

本实用新型公开了一种可进行光催化反应的锂氧气电池模具,包括底座,所述底座的上端固定连接有液氧箱,所述液氧箱的上端固定连接有工作台,所述工作台的上端中部设置有驱动箱,所述驱动箱的内底壁中部固定连接有液压杆,所述液压杆的上端驱动端依次贯穿驱动箱的上端中部和透明模具箱的下端中部并固定连接有透明正极,所述透明模具箱的右端开口内固定连接有进气管。本实用新型中,通过使透明模具箱内保持全氧环境,实现了锂氧气电池在透明模具箱中全氧环境下光催化反应,加速了反应速度,通过液压杆带动透明正极上升,从而将锂氧气电池从透明模具箱内升起,实现了方便拿取锂氧气电池。

标签:
加工技术
辽宁 - 沈阳 来源:中冶有色网 2023-03-18
三元锂电池组
三元锂电池组 931     
 0

本实用新型提供了一种三元锂电池组,所述三元锂电池组由壳体、电池组、固定支架、防护芯片和胶层组成;所述壳体为中空腔体;所述电池组设置在所述壳体的内部;所述固定支架设置在所述壳体的内部,且将其设置在所述电池组的外侧,以将所述电池组固定;所述防护芯片与所述电池组相连接,且将其设置在所述电池组的四周,以防止所述电池组过充;所述胶层填充在所述壳体、所述电池组、所述固定支架和所述防护芯片之间;其中,所述胶层为硅胶体。通过将胶层填充在壳体、电池组、固定支架和防护芯片之间的间隙内,且胶层设置为硅胶体,以实现将三元锂电池组全注胶,从而实现三元锂电池组防水、防爆、阻燃和防撞击的技术效果。

标签:
加工技术
辽宁 - 沈阳 来源:中冶有色网 2023-03-18
机载锂电池组投退电网控制方法及控制装置

本发明涉及电源系统设计技术领域,具体提供了一种机载锂电池组投退电网控制方法,通过判断直流电网的整流装置和锂电池之间的电气隔离是否有效,来决定切断/连通整流装置和锂电池之间的电气连接,本发明还提供了一种机载锂电池组投退电网控制方法控制装置,通过锂电池控制器检测电气隔离件两端压降及锂电池是否有反向灌电流,进而控制接通接触器的通断,以实现锂电池投退电网的功能,并为飞机应急供电。

标签:
加工技术
辽宁 - 沈阳 来源:中冶有色网 2023-03-18
含锂氧化铝的生产工艺
含锂氧化铝的生产工艺 1439     
 0

本发明将以铝土矿、石灰石、纯碱而制成的铝酸 钠溶液中,加入由锂辉石、石灰、烧碱而制成的含锂溶 液,将此混合溶液经过碳酸化分解、所析出的含锂氢 氧化铝进行焙烧即得含锂氧化铝。含锂氧化铝用来 电解生产铝,可不必补加碳酸锂,同样可使吨铝电耗 下降500度左右。因而若折算碳酸锂的生产成本可 降低50~62.5%。 本发明具有工艺简单、设备投资少、经济效益显 著等特点,适用于以烧结法生产氧化铝的企业。

标签:
加工技术
辽宁 - 沈阳 来源:中冶有色网 2023-03-18
全固态锂金属电池的聚合物薄膜电解质及其制备方法和在宽温区间的应用

本发明公开了一种全固态锂金属电池的聚合物薄膜电解质及其制备方法和在宽温区间的应用,属于全固态电解质技术领域。该聚合物薄膜由聚环氧乙烷、塑料晶体材料和锂盐组成。该聚合物薄膜具有高离子电导率、宽电化学稳定窗口的特点。本发明的聚合物薄膜作为电解质的全固态锂金属电池在宽温区间(‑5℃~100℃)具有较高的容量发挥。本发明工艺过程简单并且与现有工艺兼容,可有效简化固态锂金属电池的生产、匹配流程,提高电池性能,因而具有极大的应用前景。

标签:
加工技术
辽宁 - 沈阳 来源:中冶有色网 2023-03-18
利用氟化焙烧和酸浸出提取铝电解质中锂盐的方法

一种利用氟化焙烧和酸浸出提取铝电解质中锂盐的方法,属于无机化学技术领域,包括以下步骤:步骤1:混料;步骤2:氟化焙烧;步骤3:(1)酸浸出,过滤,得到一次滤液和一次过滤物;(2)分别处理一次过滤物和一次滤液,得到二次滤液和二次过滤物;(3)分别处理二次过滤物和二次滤液,得到三次滤液和三次过滤物;(4)分别处理三次过滤物和三次滤液。本发明的方法,能有效提取电解质中锂元素,降低电解铝生产的能耗;回收高附加值碳酸锂化工原料,所用均为化工领域常见原料,综合平均提取费用较低;可分离出多种物质,所得物质纯度较高;为铝电解行业解决了锂元素影响问题,也增加了效益,提升了我国铝电解工业的综合水平。

标签:
加工技术
辽宁 - 沈阳 来源:中冶有色网 2023-03-18
磷酸铁锂电池正极片的制备方法

一种磷酸铁锂电池正极片的制备方法,包括以下步骤:1)按质量配比,磷酸铁锂:乙炔黑:PVDF=(4~6):(0.5~0.75):(0.5~0.75),称取磷酸铁锂,乙炔黑和PVDF,置于容器中,并向容器中添加N‑甲基吡咯烷酮,调节粘度后,搅拌8~10h,获得正极浆料;2)将浆料涂敷于铝箔上,形成涂敷好的样品;3)将所述的涂敷好的样品进行真空冷冻干燥处理,形成干燥后的样品;其中:所述的真空冷冻干燥温度为‑50~‑30℃,真空冷冻干燥时间为12~16h;4)将干燥后的样品经压片与切片操作,获得磷酸铁锂电池正极片。该方法工艺流程简单,成本低,所制备的电池正极片性能良好,经测试,具有较高的首次放电比容量与放电效率。

标签:
加工技术
辽宁 - 沈阳 来源:中冶有色网 2023-03-18
改性的锂离子电池负极材料、负极及电池

一种改性的锂离子电池负极材料、负极及电池, 负极材料由平均直径范围在1nm-500nm的准一维纳米碳材料 改性而成,准一维纳米碳材料占负极材料总重量的0.1%- 50%;负极材料的基础材料选自天然石墨、中间相炭微球、无 定形炭、硬炭、热解炭、石油焦、沥青基碳纤维等碳质材料、 锡基、硅基材料之一种或多种。大量实验证明,经纳米碳管/ 纳米碳纤维改性的锂离子电池负极的循环寿命、充放电容量、 放电倍率等技术指标均获得提高,从而有效提高了锂离子电池 的性能。

标签:
加工技术
辽宁 - 沈阳 来源:中冶有色网 2023-03-18
聚合物电解质薄膜及其制备方法和在全固态锂电池中的应用

本发明公开了一种聚合物电解质薄膜及其制备方法和在全固态锂电池中的应用。属于全固态电池技术领域。该聚合物薄膜由聚环氧乙烷和锂盐组成,具有高离子电导率,优异机械性能和宽电化学稳定窗口的特点。本发明的制备方法具有绿色环保,成本低廉,工艺过程简单且与现有工艺兼容,可有效简化固态锂电池的生产匹配流程,提高电池性能,因而具有极大的应用前景。

标签:
加工技术
辽宁 - 沈阳 来源:中冶有色网 2023-03-18
铝锂合金热顶连铸的装置及方法

铝锂合金热顶连铸的装置及方法,装置包括结晶器、上顶和下顶;上顶的横段通道的上方设有氩气保护导管;上顶和下顶之间固定有过滤网;其中上顶和下顶的材质为硅酸钙板,内表面涂覆有BN涂料、BN‑纳米碳化硅涂料或MgO‑MgCl涂料。方法为:(1)熔炼制成铝锂合金熔体;(2)拉动控流钎子使熔体经上顶流入下顶内,进入结晶器,冷却形成凝固壳;(3)启动引锭台进行连铸;向上顶喷洒覆盖剂;(4)控制上顶内熔体液面波动高度差≤5mm;(5)当液面低于过滤网时,停止热顶连铸,完成铸造。本发明的方法能够使热顶连铸工艺用于铝锂合金的熔炼,减少连铸过程中的夹杂,获得的合金具有良好的力学性能。

标签:
加工技术
辽宁 - 沈阳 来源:中冶有色网 2023-03-18
制备纳米级锂离子电池正极材料的方法

本发明提供一种制备纳米级锂离子电池正极材料的方法,属于锂离子电池正极材料制备技术领域。将原材料按一定比例混合并研磨均匀,将混合物焙烧一定时间,得到前驱体,将前驱体置于高能球磨机中,球磨焙烧得到锂离子电池正极材料。本发明方法工艺简单,特别是焙烧时间短、温度低、生产成本低,制得的材料循环性能好。

标签:
加工技术
辽宁 - 沈阳 来源:中冶有色网 2023-03-18
新型锂离子电池导电添加剂碳化蚕丝的制备方法及应用

本发明提供了一种新型锂离子电池导电添加剂碳化蚕丝的制备方法及应用,属于锂电池技术领域。具体制备方法为:1)室温下,将氯化钾溶解于蒸馏水中,制备氯化钾饱和溶液;2)将茧蛹壳剪成0.2cm2大小碎片,浸泡在氯化钾饱和溶液中45‑50h;3)将浸泡氯化钾饱和溶液后的茧蛹壳50℃真空干燥;4)将上述产物置于管式炉氩气氛围,700‑900℃煅烧2‑6h;5)将上述产物用蒸馏水洗涤离心,80℃真空干燥,研磨得目标产物碳化蚕丝。锂离子电池导电剂碳化蚕丝材料,一方面原材料容易获得,绿色环保,另一方面碳化蚕丝具有蜂窝状多孔结构,有利于增加反应的活性位点,从而提高材料的电化学性能。

标签:
加工技术
辽宁 - 沈阳 来源:中冶有色网 2023-03-18
铝电解质中锂元素选择性硝酸浸出的方法

本发明公开一种铝电解质中锂元素选择性硝酸浸出的方法,涉及铝电解质提取回收技术领域。其包括以下步骤:S1、将含有锂元素的铝电解质粉碎并筛分;S2、将硝酸与水混合,并调整酸溶液pH值小于4,电位0.015‑0.8V之间;S3、将铝电解质加入到酸溶液中,搅拌并加热进行浸出,反应温度为20‑85℃,铝电解质加入量依据溶液中氟离子浓度和酸度控制,酸度为pH值小于4,氟离子浓度大于1g/L;S4、将混合液进行过滤、洗涤,得到滤液和过滤物;S5、滤液用于提取锂元素,过滤物经洗涤、干燥,返回电解铝厂生产铝电解质,和/或,返回浸出过程中。本发明选择性浸出锂盐,回收高附加值锂盐,同时得到纯度较高适用于铝电解质生产的工业电解质,电解铝生产的能耗和提取成本低。

标签:
加工技术
辽宁 - 沈阳 来源:中冶有色网 2023-03-18
耐热收缩的有机/无机复合型锂电隔膜及其制备方法

本发明涉及一种耐热收缩的有机/无机复合型锂电隔膜及其制备方法,属于锂电池隔膜领域。该复合型锂电隔膜以具有微孔结构的膨体聚四氟乙烯薄膜为载体,以具有极强粘附性的聚多巴胺为粘结层,通过自组装的形式将纳米二氧化硅陶瓷颗粒原位粘附于整个膨体聚四氟乙烯薄膜结构中。所制隔膜厚度为10~30μm,孔隙率为45~65%,孔径为0.08~0.70μm。具有微孔结构的膨体聚四氟乙烯单向拉伸薄膜由具有结点和纤维的微观结构组成;聚多巴胺粘结层由多巴胺单体氧化聚合而成;纳米二氧化硅粒径为10~50nm,占复合型锂电隔膜重量的1.5~6.0wt.%,由含正硅酸乙酯、去离子水和氨水的乙醇溶液脱水缩合而制成。本发明制备工艺简单易行,拓宽了膨体聚四氟乙烯薄膜在锂电隔膜领域的应用。

标签:
加工技术
辽宁 - 沈阳 来源:中冶有色网 2023-03-18
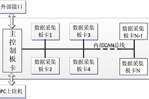
锂电池组管理系统
锂电池组管理系统 1050     
 0

本发明涉及一种锂电池组管理系统,该系统包括N组锂电池、N个从控制板卡、一个主控制板卡及一个上位机。该系统可实时监测锂电池单体的电压、充放电电流、工作温度及环境温度。根据检测的锂电池电压,及提出的均衡算法,可对状态差异大的电池单体进行均衡控制,提高电池的一致性。主控制板卡根据采集的参数,可给出SOC估算值,并提供充放电管理策略,提高电池的使用寿命。上位机会将采集的锂电池组状态信息、控制信息、异常及报警信息进行显示,提供友好的人机交互。同时,本发明对系统的硬件开发提出一种类模块化设计方案,可以有效的降低维护成本。

标签:
加工技术
辽宁 - 沈阳 来源:中冶有色网 2023-03-18
无极柱方形锂电池电化学测试装置

本实用新型涉及方形锂电池电化学测试技术领域,特别是涉及一种无极柱方形锂电池电化学测试装置。该装置包括:带螺纹铜柱、可滑动木块、固定木块、主体木板,具体结构如下:固定木块与可滑动木块相对设置于主体木板上,固定木块固定安装于主体木板上的一侧,可滑动木块通过螺栓活动安装于主体木板上的另一侧,可滑动木块背面对应的主体木板上开设两个相对平行的条形孔,螺栓穿过条形孔与可滑动木块通过螺母连接固定,固定木块上穿设两个相对平行的带螺纹铜柱。本实用新型解决其他模具使用的局限性,同一套测试装置适合多个型号尺寸的锂电池。

标签:
加工技术
辽宁 - 沈阳 来源:中冶有色网 2023-03-18
光伏发电、直流输电和磷酸铁锂电池储能电站

本发明涉及一种光伏发电、直流输电和磷酸铁锂电池储能电站,由光伏电池板、汇流箱、DC/DC变换器、轻型直流输电系统、磷酸铁锂电池储能系统、逆变系统依次相连接组成,磷酸铁锂电池储能系统还与电网相连接,实现在夜间由电网储能。与现有技术相比,本发明的有益效果是:由光伏发电,直接通过轻型直流输电系统传输直流电,在电能传输过程中,可省去光伏发电至交流传输时的逆变器,且本系统采用电能存储系统,结构简单,成本较低,可实现发电、轻型直流传输、储能一体化。

标签:
加工技术
辽宁 - 沈阳 来源:中冶有色网 2023-03-18
制备锂离子电池硅-碳负极材料的方法

一种制备锂离子电池硅‑碳负极材料的方法,属于锂离子电池的领域。该方法为:1)将SiO2粉末加入蔗糖水溶液中,搅拌混合,将溶液蒸干,固体干燥;2)将蔗糖包覆SiO2研磨、加热至300~1100℃蔗糖裂解,再研磨、压片、烧结;3)将得到的碳包裹SiO2压片用泡沫镍包裹,用细钼丝绑在金属钼丝上为阴极,石墨棒与不锈钢丝连接为阳极,银‑氯化银电极为参比电极;4)将CaCl2加热至熔化后,将阴极、阳极、参比电极插入熔盐中,在阴极和阳极间施加电压1.5~3.0V,恒槽压电解10~15h,电解后的阴极从熔盐中取出冷却,清洗,干燥,得到锂离子电池硅‑碳负极材料。该方法可以制成性能优良的锂离子电池硅‑碳负极材料,环境友好、成本较低、操作简单。

标签:
加工技术
辽宁 - 沈阳 来源:中冶有色网 2023-03-18
低温锂电池用混合醚基电解液

本发明公开了一种低温锂电池用混合醚基电解液,属于锂电池电解液技术领域。本发明将锂盐溶解在醚基高极性溶剂和氟代低极性溶剂的混合溶剂,得到混合醚基低温电解液,可实现锂电池优异的低温电化学性能。本发明为锂电池用低温电解液的设计和调控提供了参考,并具有实际应用的价值。

标签:
加工技术
辽宁 - 沈阳 来源:中冶有色网 2023-03-18
抑制准晶强化镁锂合金塑性失稳的热处理工艺

本发明涉及镁锂合金领域,具体为一种抑制准晶强化镁锂合金塑性失稳的热处理工艺。该工艺包括以下步骤:将变形态镁锂合金用铝箔包裹严密,在330~470℃固溶,保温4~8小时,水淬冷却至室温,在100~200℃下时效12~24小时,再水淬冷却至室温。本发明能够显著抑制镁锂合金的塑性失稳现象,同时保留着合金较高的屈服强度和抗拉强度,解决了镁锂合金塑性随拉伸过程出现的锯齿屈服问题。本发明的热处理工艺适用合金的组分及其含量为:Li1.0~11.5%,Zn5~10%,Y0.5~2%,Mg余。本发明所用的设备简单,成本较低,操作简单、方便。

标签:
加工技术
辽宁 - 沈阳 来源:中冶有色网 2023-03-18
铝酸锂多孔模板及其制备方法

本发明公开了一种铝酸锂多孔模板及其制备方法,该方法包括如下步骤:1)制备阳极氧化铝模板;2)以阳极氧化铝模板为铝源,水热法制备铝酸锂多孔模板。本发明还提供一种铝酸锂多孔模板,按照上述的制备方法制备得到。本发明通过控制阳极氧化铝的制备条件,以阳极氧化铝既作为模板,又作为制备LiAlO2的铝源,水热制备快离子导体LiAlO2多孔模板,具有工艺简单、过程易控、成本低、产率高的优点,与其他模板法制备多孔材料的方法相比,利用模板作为原料,继承其形貌特征,制备出具有特殊微观形貌的铝酸锂多孔模板,为制备纳米多孔材料提供了新方法。

标签:
加工技术
辽宁 - 沈阳 来源:中冶有色网 2023-03-18
协同提升Mg-Li-Zn-Y镁锂合金力学强度和塑性的加工变形方法

本发明涉及超轻镁锂合金力学微观组织优化与力学性能提升领域,具体为一种协同提升Mg‑Li‑Zn‑Y镁锂合金力学强度和塑性的加工变形方法。将铸态Mg‑Li‑Zn‑Y镁锂合金进行均匀化处理,即在300~350℃温度下保温2~4小时后,水淬冷却至室温。然后,对合金进行多道次高低温交替的循环交叉轧制加工变形,具体工艺为:第一道次在200~350℃温度下进行压下量为5~10%的轧制,第二道次将板材旋转90度并在室温条件下进行压下量为3~5%的轧制,第三道次将板材沿第二道次方向在200~350℃温度下进行压下量为5~10%的轧制,第四道次将板材旋转90度并在室温条件下进行压下量为3~5%的轧制。本发明能够显著提高镁锂合金的力学性能,并有效消除了镁锂合金存在的力学各向异性。

标签:
加工技术
辽宁 - 沈阳 来源:中冶有色网 2023-03-18
石墨烯锂电池超级电容双能源控制方法及系统

本申请公开了一种石墨烯锂电池超级电容双能源控制方法及系统,涉及电力电子技术领域,为石墨烯锂电池使用寿命而发明。其系统包括石墨烯锂电池、第一检测单元、输出单元、采集单元、控制单元、制动输入单元、双向DC‑DC单元、第二检测单元和超级电容。其方法包括:获取启动信号;控制石墨烯锂电池向输出单元输出主驱动电压;获取电动汽车的运动状态;如果运动状态为加速或爬坡,则控制超级电容向输出单元输出瞬时高电压;在输出单元叠加主驱动电压和瞬时高电压,生成总输出电压;如果运动状态为减速或下坡,则控制制动输入单元输出第一电容充电电压,为超级电容充电。本申请主要应用于控制石墨烯锂电池与超级电容供能的过程中。

标签:
加工技术
辽宁 - 沈阳 来源:中冶有色网 2023-03-18
锂电池装置
锂电池装置 1134     
 0

本实用新型提出了一种锂电池装置,包括电池单元、与电池单元连接的充电器、与电池单元连接并控制电池单元输出的电池控制器,充电器与外部电源连接,充电器还连接有控制部,电池控制器连接输出端,电池单元包括多个层叠设置的锂离子电池,每相邻的两锂离子电池之间设有加热膜,各加热膜通过导线共同连接有总线,总线的末端形成伸设至控制部内的第一端子,电池控制器连接有第二端子,控制部还连接有设于靠近电池单元位置的温度传感器,该控制部用于根据温度传感器感测到的温度情况控制其在第一端子与第二端子中进行切换连接。该锂电池装置通过控制部根据温度传感器检测到的电池单元的温度情况,控制加热膜通断,从而起到保护作用。

标签:
加工技术
辽宁 - 沈阳 来源:中冶有色网 2023-03-18
上一页 24 25 26 27 28 ... 33 下一页
共33页    到第

中冶有色为您提供最新的辽宁沈阳有色金属加工技术理论与应用信息,涵盖发明专利、权利要求、说明书、技术领域、背景技术、实用新型内容及具体实施方式等有色技术内容。打造最具专业性的有色金属技术理论与应用平台!

全国热门有色金属设备推荐
展开更多 +
全国热门有色金属技术推荐
展开更多 +

 

江西省隆恩特环保设备有限公司
宣传

报名参会
更多+

报告下载

有色专家
更多+

江西理工大学
副校长
太原理工大学
院长/教授
有研科技集团有限公司
中国工程院 院士
广西大学
处长/教授
中国矿业大学(北京)
院长/教授
赤泥综合利用研究报告2025
推广

热门技术
更多+

推荐企业
更多+

福建省金龙稀土股份有限公司
宣传

发布

在线客服

公众号

电话

顶部
咨询电话:
010-88793500-807