青岛垚鑫智能科技有限公司
宣传

位置:中冶有色 >

有色技术频道 >

> 加工技术

分类:
全部
矿山技术
冶金技术
材料制备及加工技术
环境保护技术
分析检测技术
 
全部
功能材料技术
复合材料技术
新能源材料技术
合金材料技术
加工技术
地区:
全部
北京
天津
上海
重庆
河北
山西
辽宁
吉林
黑龙江
江苏
浙江
安徽
福建
江西
山东
河南
湖北
湖南
广东
海南
四川
贵州
云南
陕西
甘肃
青海
内蒙
广西
西藏
宁夏
新疆
其他
其他
展开
 
全部
沈阳
大连
鞍山
抚顺
本溪
丹东
锦州
营口
阜新
辽阳
盘锦
铁岭
朝阳
葫芦岛

辽宁沈阳有色金属加工技术理论与应用

免费发布技术信息>>
高性能铝锂合金变角度航空零件的加工工装及加工方法

本发明属于航空钣金零件制造技术领域,具体涉及一种高性能铝锂合金变角度航空零件的加工工装及加工方法,所述的加工工装包括专用闸刀和型胎,专用闸刀包括模柄、刀体、刀头、工具销和吊环螺钉;型胎包括下模、上模、合模销、蘑菇头定位和吊环螺钉;本发明的加工方法避免了铝锂合金零件组合成形过程中多次定位产生的公差累积,从根源解决了铝锂合金零件成形困难及定位误差问题。按照此加工方法制造的零件在自然状态下外形的公差符合≤0.5㎜,所有导孔孔位精度满足±0.2㎜。

标签:
加工技术
辽宁 - 沈阳 来源:中冶有色网 2023-03-18
高温熔盐恒电压电解制备锂电池负极材料的方法

一种高温熔盐恒电压电解制备锂电池负极材料的方法,按以下步骤进行:将煤粉与二氧化锰经混合制成复合材料;压片后与集流体制成复合阴极;准备泡沫镍阴极和阳极;将碳酸钠和碳酸钾混合真空加热获得混合盐;将复合阴极、泡沫镍阴极和阳极悬吊在混合盐上方,封闭反应器并通入氩气流通;将混合盐熔化形成熔盐,继续加热至750±5℃;进行恒电压预电解;将复合阴极插入熔盐中进行恒电压电解;复合阴极取出冷却,去除表面的熔盐,烘干制成锂电池负极材料。本发明的方法具有原料来源广泛,对环境友好、成本较低、操作简单等优点;制得的电池负极材料性能优良,有利于改善碳表面结构。

标签:
加工技术
辽宁 - 沈阳 来源:中冶有色网 2023-03-18
多室连续锂电池材料制取装置

本发明公开了一种多室连续锂电池材料制取装置,包括轨道,所述轨道的顶端滑动连接有轨道车,所述轨道的一侧放置在地表面上有装料平台,所述装料平台相邻的一侧放置有预热室,所述预热室远离装料平台的一侧依次放置有工艺室,所述工艺室远离预热室的一侧放置有冷却室。该多室连续锂电池材料制取装置,将材料装入预热室对材料加热完成,便可以通过轨道车带动料室将材料转移到工艺室内侧,送入工艺室后便可以直接进行工作加工,不在使用单个炉体同时进行预热、升华、冷却的工艺,从而预热室、工艺室、冷却可以始终保持在一定的温度区域内,有效节省了能源消耗的同时又减少了加热和降温所需要的时间,有效的提高了加工效率。

标签:
加工技术
辽宁 - 沈阳 来源:中冶有色网 2023-03-18
提高长程结构有序相强化双相镁锂合金性能的热处理工艺

本发明涉及镁合金性能优化领域,具体为一种显著提高长程结构有序相强化双相镁锂合金使役性能的热处理工艺。将铸态长程结构有序相强化Mg‑Li‑Zn‑Y合金进行固溶处理,在350~550℃保温1~20小时,然后水淬冷却至室温。本发明能够显著提高合金的耐腐蚀性能,解决了长周期相强化镁锂合金抗腐蚀能力差的问题。同时,还提高了合金的强度和塑性,拓宽了该类高强度镁锂合金的实际工程应用。

标签:
加工技术
辽宁 - 沈阳 来源:中冶有色网 2023-03-18
锂电池铝塑膜内层胶黏剂及其制备方法

本发明属于有机合成领域,涉及一种高分子改性的技术,具体涉及一种锂电池铝塑膜内层胶黏剂的制备方法。将聚烯烃、不饱和酸、溶剂1和引发剂在抗氧剂的作用下,于常压下的惰性气体中进行溶液聚合反应,向反应物中加入溶剂2溶解后,加入溶剂3沉淀出接枝物,从而获得分子量10000~35000,接枝率2.5~4.0%的聚合物固体粉末。将产物溶于溶剂4制得聚合物溶液。本发明操作工艺简便,分子量分布合理,产品品质、应用性能稳定,产品不易结晶,柔韧性能好,抗拉伸性能优良,具有较好的耐电解液性、粘结性和抗冲击性能。本发明制备的胶黏剂产品,可完全满足锂电池铝塑膜对内层胶的应用性能要求。

标签:
加工技术
辽宁 - 沈阳 来源:中冶有色网 2023-03-18
柔性锂离子电池负极电池集流体的制备方法

本发明涉及一种柔性锂离子电池负极集流体的制备方法,其包括有以下步骤:S1、将布料作为基底材料进行预处理,之后超声处理、敏化、活化处理;S2、使用化学镀镍法在步骤S1处理后的布料上生长一层纳米镍颗粒层,制备出镀镍布料作为柔性集流体;S3、对镀镍布料进行原位生长Ni(OH)2纳米片阵列;S4、通过热处理方法Ni(OH)2纳米片阵列转变为纳米级氧化镍阵列,同时将柔性布料基底转变为氮、磷共掺杂的柔性碳基底。本发明制备的柔性锂离子电池负极活性材料NiO与导电基底结合力强、镍/碳支撑的集流体具有良好的导电性、稳定性和柔韧性,制备方法简便。

标签:
加工技术
辽宁 - 沈阳 来源:中冶有色网 2023-03-18
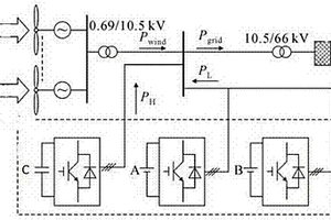
锂电池电容器混合储能系统控制方法

一种锂电池电容器混合储能系统控制方法,包括储能系统的主电路、上层目标控制和双电池储能单元协调控制三个部分。本发明考虑到能量型储能介质和功率型储能介质的优势互补以及单电池储能运行充放电循环深度对电池带来的不利影响,采用混合储能系统主电路结构,并根据分段均值方法确定储能系统的参考功率,设计了锂电池运行在最佳充放电深度内的运行控制策略。双电池储能A、B单元能在所提出的协调控制策略下尽可能运行在标准充放电循环深度,提高了电池储能的使用寿命和经济效益。

标签:
加工技术
辽宁 - 沈阳 来源:中冶有色网 2023-03-18
聚合物电解质及其制备方法和在宽温区、高倍率固态锂电池中的应用

本发明公开了一种聚合物电解质及其制备方法和在宽温区、高倍率固态锂电池中的应用,属于固态电池技术领域。该聚合物电解质由聚合物骨架、锂盐及少量限域的溶剂组成,具有高离子电导率,高热稳定性和稳定电解质/电极界面的特点。由该聚合物电解质组装的固态锂金属电池,在宽温度区间(‑10~100℃)及高倍率(1~50C)下,保持高容量发挥。本发明的制备方法可与现有工艺兼容,可有效简化固态锂金属电池的生产匹配流程,显著提高电池性能,并进一步实现电解质制备过程中溶剂的回收和再利用,因而具有较好的应用前景。

标签:
加工技术
辽宁 - 沈阳 来源:中冶有色网 2023-03-18
真空金属热还原炼锂的装置及方法

一种真空金属热还原炼锂的装置及方法,装置包括加热电阻炉和反应罐;反应罐内放置有料桶、活动支架和支撑筒;活动支架放置在料桶顶部,支撑筒放置在活动支架上;收集器放置在固定支架上,冷凝器放置在收集器上;方法按以下步骤进行:(1)将炼锂用反应物料置于料桶中;(2)封闭反应罐,抽真空,通入冷却水,将料桶内的物料加热,进行真空热还原反应;金属锂蒸汽在冷凝器上冷凝后进入收集器;(3)停止加热,通入惰性气体至常压,将反应罐降至常温,在收集器中获得金属锂。本发明的装置结构简单,操作方便,适用于大规模生产,通过料桶,活动支架和支撑筒的组合,使物料的放置和取出更方便。

标签:
加工技术
辽宁 - 沈阳 来源:中冶有色网 2023-03-18
锂氧化物电极微熔盐陶瓷燃料电池及其制备方法

本发明涉及一种锂氧化物电极微熔盐陶瓷燃料电池,包括对称设置的双极板以及设置在双极板之间的电解质,电解质为GDC、MgO、NaAlO2、LiAlO2、STO、LST或BCY纳米陶瓷粉体,电解质内部含有LiOH和Li2CO3。LiOH和Li2CO3包覆在电解质内部的纳米陶瓷粉体表面形成核壳结构。本发明以锂氧化物作为阳极,具有少量微孔的纳米粉体颗粒构成的陶瓷片作为电解质隔膜,在锂氧化物被H2还原时,有LiOH和Li2CO3生成,其在化学势的作用下扩散进电解质并和电解质内部的纳米陶瓷粉末形成微量熔盐包覆在陶瓷颗粒表面的特殊核壳结构,该核壳结构具有非常高的离子电导率。本发明的电池结构制备成本低廉,低温发电性能优异,有利于实现燃料电池的商业化。

标签:
加工技术
辽宁 - 沈阳 来源:中冶有色网 2023-03-18
应用于锂电池的微介孔聚三苯胺衍生物及其制备方法

一种应用于锂电池的微介孔聚三苯胺衍生物及其制备方法,涉及一种锂离子电池材料及其制备方法,本发明公开了一种具有高自由基密度的微介孔结构聚三苯胺衍生物、其应用以及由其制备的锂电池,所述微介孔结构的聚三苯胺衍生物材料是以4,4′,4"?三(N, N?二苯基氨基)三苯基胺?(TDATA)为单体,通过化学氧化聚合法制得。所述的聚三苯胺衍生物材料具有微介孔结构和纤维形貌。将其作为锂离子电池正极材料,具有良好的充放电性能、循环稳定性以及高倍率性能。

标签:
加工技术
辽宁 - 沈阳 来源:中冶有色网 2023-03-18
基于支持向量机模型和卡尔曼滤波的锂电池SOC估计方法

本发明公开了一种基于支持向量机模型和卡尔曼滤波的锂电池SOC估计方法,包括:获取锂电池充放电历史数据;电池电压、将电流、工作温度作为支持向量机模型的输入,将SOC作为模型输出,利用支持向量机模型对锂电池SOC进行估计;确定模型参数,将估计误差控制在预设范围内;当估计值在预设范围内时,将该模型的输出SOC、经过卡尔曼滤波器进行滤波,得到精度高、动态适应性强的SOC估计值。本发明的数据处理方法和预测模型可以有效地对锂电池SOC进行估计,估计精度较高,可广泛应用于动力电池SOC估计领域中。

标签:
加工技术
辽宁 - 沈阳 来源:中冶有色网 2023-03-18
高性能聚芳醚树脂锂电池隔膜的电纺丝制备方法

本发明所提出的高性能聚芳醚树脂锂电池隔膜的电纺丝制备方法,属于高压电纺丝技术领域。它是通过采用高性能聚芳醚树脂溶液与通用工程树脂溶液(或熔体),同时进行混合电纺丝,利用纺丝过程中射流的鞭动效应而互相缠结,形成共编织的网络结构,使聚芳醚纤维与通用树脂纤维相复合,而获得高性能聚芳醚纤维无纺布。该无纺布兼具聚芳醚树脂优良的耐热性能及通用工程树脂良好的自关闭性能。此外,该无纺布还具有良好的离子透过性能及对电解液优良的浸润性能的特点,使采用该聚芳醚隔膜的锂电池性能得到显著提高,在国防、航空、航天以及民用、工业等领域的应用得到拓展,具有较高的应用价值。

标签:
加工技术
辽宁 - 沈阳 来源:中冶有色网 2023-03-18
基于双级模型预测的锂离子电池组外部短路故障诊断方法

本发明提出一种基于双级模型预测的锂离子电池组外部短路故障诊断方法,涉及锂离子动力电池安全技术领域。首先,对锂离子电池组进行外部短路实验,构建电池组外部短路双级等效电路模型,利用被测实验数据对电池模型参数进行离线最优性辨识;然后,运行时根据电池测量数据判断电池组中电池状态,发现部分电池电压出现异常时,对产生异常的相邻电池单元标记为整体,记作异常电池组,启动第一级电池模型,若第一级电池模型误差小于临界阈值,则触发第二级电池模型,计算获得模型误差;最后,通过实测数据与双级模型吻合度,对异常电池进行故障诊断。该方法步骤简单,易于在线实现,且可靠性高,适用于电动汽车动力电池在线故障诊断与安全管理。

标签:
加工技术
辽宁 - 沈阳 来源:中冶有色网 2023-03-18
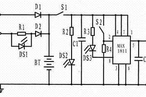
用于镍氢充电电池或锂电池的太阳能充电电器

一种用于镍氢充电电池或锂电池的太阳能充电电器,涉及一种充电电器,包括有电器壳体及配置在壳体的线路板、电路与太阳能电池板,线路板上设有由D1、BT构成的镍氢电池太阳能电池板充电电路;由R1、DS1、D2、BT构成的备用充电电路;由R4,C1,C2,MAX1811构建的锂电池充电电路;太阳能电池板由四块面积为6cm×6cm的硅太阳能电池板组成,四块太阳能电池板两两并联然后再串联。本实用新型使用太阳能电池板,经充电电路给镍氢电池或锂电池充电,并能在电池充电完成后自动停止充电。本实用新型使用灵活,成本低,具有很好的实用性。

标签:
加工技术
辽宁 - 沈阳 来源:中冶有色网 2023-03-18
磷酸铁锂电池的低温充电技术

本发明公开了一种磷酸铁锂电池的低温充电技术,属于电池充电技术领域。所述充电技术包括两个基本步骤:激活及阶梯恒流充电结合脉冲充电。所述充电技术首先通过激活以确保低温下首次充电不发生负极锂金属析出,再通过阶梯恒流结合脉冲充电的方式来减少恒压充电对容量的贡献,与恒流充电相比,该充电技术能够提高磷酸铁锂电池在低温下的有效充电容量,缩短充电时间,提高充电速度,提升低温循环能力。

标签:
加工技术
辽宁 - 沈阳 来源:中冶有色网 2023-03-18
MOF衍生核壳结构锂离子电池负极材料及制备方法

本发明属于二次电池电极材料技术领域,具体涉及一种MOF衍生核壳结构锂离子电池负极材料及制备方法。本发明提供一种MOF(金属有机框架)衍生核壳结构MoS2@Fe2O3‑C锂离子电池负极材料的制备方法,将铁基MOF衍生物Fe2O3‑C作为内核基底材料,在其表面原位生长MoS2纳米外壳形成一种异质结构,在提高导电性的同时,内核材料继承的MOF前驱体框架结构也可以调节电极材料在充放电过程中体积的变化,同时也增加了嵌锂活性位点。本发明制备的电极材料同时改善了MoS2的导电性、结构稳定性和电化学活性,总体制备过程具有低成本、操作简便、环境友好等优点。

标签:
加工技术
辽宁 - 沈阳 来源:中冶有色网 2023-03-18
新型锂离子电池负极材料碳化葡萄皮的制备方法及其应用

本发明提供了一种新型锂离子电池负极材料碳化葡萄皮的制备方法及其应用,属于锂电池技术领域。具体制备方法为:将葡萄皮干燥后磨碎,浸泡在活化剂溶液中,超声浸渍处理6h;过滤,将浸渍处理的葡萄皮于80℃真空干燥12h;干燥后的产物置于管式炉中,氩气氛围下,700‑900℃煅烧1‑3h;将煅烧后的产物依次用盐酸,蒸馏水离心洗涤至中性,80℃真空干燥12h,研磨,得目标产物。将碳化葡萄皮应用到锂离子电池负极材料中,一方面原材料容易获得,绿色环保,在提高容量的同时可以降低成本;另一方面碳化葡萄皮具有多孔结构,增加了反应的活性位点,从而提高了材料的电化学性能。

标签:
加工技术
辽宁 - 沈阳 来源:中冶有色网 2023-03-18
回收处理废旧锂电池过程中热解的方法

本发明属于锂离子电池回收技术领域,具体的说是一种回收处理废旧锂电池过程中热解的方法。将去壳后废电池芯采用灭火沙和导电碳黑的混合物包裹,包裹后置于密闭容器中并通入二氧化碳或含二氧化碳的混合气体或在真空氛围下,而后将密闭容器置于光波炉中调至光波微波组合加热档加热5‑500秒;降温后取出电芯、破碎、筛分,得到电极材料粉末和铜铝箔。本发明的热解采用光波炉的光波微波组合加热方式热解,提高了热解效率,短时间内将粘结剂、隔膜和电解液中的有机物热解破坏,实现电极材料与铜铝箔的分离,同时解决了锂电池集流体在微波场的尖端放电问题,提高热解过程安全性。

标签:
加工技术
辽宁 - 沈阳 来源:中冶有色网 2023-03-18
磷酸锰铁锂的水热合成方法

本发明涉及锂离子电池材料领域,具体为一种磷酸锰铁锂的水热合成方法,解决水热合成磷酸锰铁锂合成周期长,样品颗粒尺寸大,电化学性能差的问题。本发明采用一水氢氧化锂、磷酸、七水硫酸亚铁和一水硫酸锰为原料,在搅拌状态下,利用微波加热,在水中合成出具有不同Fe和Mn摩尔比的纳米棒状磷酸锰铁锂正极材料,经过电化学测试,LiFe0.5Mn0.5PO4固溶体的电化学性能最优异。利用微波搅拌加热的方法,可以减少形核时间窗口,在纯水环境中合成出纳米尺寸的磷酸锰铁锂纳米晶。采用微波水热法能够提高溶液的过饱和度,使合成的纳米棒磷酸锰铁锂可以均匀的悬浮并分散在溶液中,从而使单位体积内可以投入更多的原料,得到更高的产率,更适于工业化生产。

标签:
加工技术
辽宁 - 沈阳 来源:中冶有色网 2023-03-18
基于初值补偿无迹卡尔曼滤波算法的锂离子电池自适应荷电估计方法

本发明基于初值补偿无迹卡尔曼滤波算法的锂离子电池自适应荷电估计方法,包括如下步骤:步骤1,选择等效电路模型;步骤2,采用增广向量法处理状态初始值、未知阶次以及未知参数,通过迭代法处理噪声,更新自适应分数阶无迹卡尔曼滤波算法;步骤3,根据所提带有初值补偿的无迹卡尔曼滤波算法对噪声进行自适应处理,进而估计锂离子电池的SOC值。本发明提供一种基于初值补偿的自适应分数阶无迹卡尔曼滤波器,该方法相比于未初值补偿、噪声已知时的自适应分数阶无迹卡尔曼滤波算法,有效地提升了锂离子电池的SOC估计精度,提高了锂离子电池在不同工况下的自适应能力。

标签:
加工技术
辽宁 - 沈阳 来源:中冶有色网 2023-03-18
锂离子二次电池塑料电极板的制备方法

一种锂离子二次电池塑料电极板的制备方法,涉及一种新型电极材料的制备方法,该方法以聚苯胺、炭黑为导电填料,聚乙烯为基体,包括以下步骤:A.将试样干燥后,称取聚乙烯,炭黑,增塑剂质量,其总质量约为40克,然后,用转矩流变混炼出料,接着,分别用平板硫化机压制成样片,自然冷却,得到制品。B.将上述过程的炭黑改为由炭黑∶聚苯胺按照质量比80~40%∶20~60%混合,后将按照总质量为80G进行称量,将原料混合,加工得到样片,后将得到的制品自然冷却,即得到样品。所制得电极板具有较高的电导率及较高的韧性,可应用于锂离子二次电池上。

标签:
加工技术
辽宁 - 沈阳 来源:中冶有色网 2023-03-18
锂电池用包装膜
锂电池用包装膜 1124     
 0

本实用新型提出了一种锂电池用包装膜,包括由内向外依次设置的热封层、设于该热封层上的金属箔、设于该金属箔上的粘接剂、设于该粘接剂上的PET膜,所述热封层为聚烯烃膜,所述金属箔为铝箔,其机械延伸率为3%以上,该金属箔的厚度至少为20μm。该锂电池用包装膜于金属箔层外设有热封层,一方面保护金属箔,还可提升水气的阻隔能力,从而提高锂电池的性能。

标签:
加工技术
辽宁 - 沈阳 来源:中冶有色网 2023-03-18
从废旧锂电池回收的活性物质中获取镍钴锰氢氧化物的方法

本发明涉及锂电池的回收,具体的说一种从废旧锂电池回收的活性物质中获取镍钴锰氢氧化物的方法。具体为1)将由废旧动力锂电池得到的镍钴锰浸出液在‑20℃~10℃下保温搅拌0.1~5h,滤除析出的结晶盐,得到镍钴锰硫酸盐溶液;2)调节上述镍钴锰硫酸盐溶液中镍钴锰离子总浓度为1~3mol/L;3)调节后向镍钴锰硫酸盐溶液中加氨水至体系pH=8~10进行络合反应,而后再调节反应体系pH=10~12,调节后陈化,过滤的滤饼洗涤干燥得到镍钴锰三元素复合氢氧化物。本发明将回收的镍钴锰浸出液通过结晶除杂质盐操作后,得到了满足锂电池正极材料前驱体制备要求的镍钴锰硫酸盐混合溶液,对有价金属的回收具有重要现实意义。

标签:
加工技术
辽宁 - 沈阳 来源:中冶有色网 2023-03-18
片状介孔Li4Ti5O12锂离子电池纳米负极材料及其制备方法和应用

本发明涉及一种片状介孔Li4Ti5O12锂离子电池纳米负极材料及其制备方法和应用。采用的技术方案是:室温下,将LiOH·H2O于乙醇中,磁力搅拌后,加入钛酸四丁酯,干燥条件下,反应10-12h;向反应液中加去离子水,搅拌,得乳白色溶液;将乳白色溶液移至反应釜中,170-180℃反应34-37h;离心分离,收集沉淀,乙醇洗涤,真空干燥,得产物前驱体;将前驱体于空气氛围中,500-800℃煅烧6-7h,冷却至室温,研磨,得目标产物。本发明不仅解决了嵌锂碳材料的安全隐患问题,而且由于其介孔片状纳米结构,提供了更多的电化学活性位,大大缩短了电子及Li+的传输路径,进一步增强了其高倍率电化学性能。

标签:
加工技术
辽宁 - 沈阳 来源:中冶有色网 2023-03-18
水下潜航器用锂电池组

一种水下潜航器用锂电池组,其包括承压壳体、密封端盖、锂电池芯组;所述承压壳体与密封端盖通过螺纹配合实现紧固连接与密封,密封端盖上安装通讯接口和水密插座;承压壳体内设有半圆柱形的锂电池芯组,锂电池芯组与通讯接口和水密插座相连。本实用新型具有以下优点:1、空间利用率高,可实现轻量化。2、结构稳定性好,易于安装维护。3、电接触性能和防腐性能良好。

标签:
加工技术
辽宁 - 沈阳 来源:中冶有色网 2023-03-18
制备高容量锂离子电池负极材料的方法

本发明涉及可充电二次锂离子电池负极材料制备技术,提供了一种制备高容量锂离子电池负极材料的方法,本发明利用原位碳热还原反应和原位化学反应球磨技术制备利了均匀分散的金属氧化物/碳复合负极材料。本发明得到的复合负极材料能够显着提高锂离子电池的容量同时具有优良的循环性能。利用本发明提供的方法制备出的复合负极材料,不仅可以充分发挥高容量金属氧化物的贡献,而且由于金属氧化物以小颗粒均匀分散在碳质材料表面,界面结合牢固,重放大过程中锂离子嵌入脱出引起的体积变化可以很好的被碳质基体缓冲吸收,优异的循环性能也能够得以保持。

标签:
加工技术
辽宁 - 沈阳 来源:中冶有色网 2023-03-18
单离子导体聚合物全固态电解质及包含其的锂二次电池

本发明涉及一类单离子导体全固态聚合物电解质及其构成的全固态二次锂电池。单离子导体全固态聚合物电解质包括:聚阴离子锂盐,基体有机聚合物及无机填料;其室温离子电导率为2×10‑4S/cm~1.2×10‑3S/cm,电化学氧化窗口大于4V。本发明所述单离子导体全固态聚合物电解质制备简单,机械性能良好,具有较高的离子电导率,电化学氧化窗口较宽;同时可有效抑制锂金属负极循环过程中枝晶的生长,提高了界面稳定性和长循环性能。

标签:
加工技术
辽宁 - 沈阳 来源:中冶有色网 2023-03-18
基于分布式光纤测温的锂电池仓储温度监测系统

基于分布式光纤测温的锂电池仓储温度监测系统,包括分布式光纤测温主机及与分布式光纤测温主机连接的感温光纤;本发明可联动消防报警主机,同时消防报警主机可联动其他消防设备;电池仓储温度监测系统的测温分辨率为0.1℃,准确度为±1℃;可同时进行多重温度点的预警功能和报警功能;可连续测温,实时显示锂电池仓的温度曲线,能够显示温度和电池仓位置信息,可多窗口或同窗口显示;分区报警个数不限制,报警参数预警参数可根据需要自行设置。可对锂电池仓的温度进行7x24小时的不间断监测。每通道的测温响应时间为3S,即3S可监测2500个电池仓位温度。

标签:
加工技术
辽宁 - 沈阳 来源:中冶有色网 2023-03-18
高碳含量低比表面积磷酸铁锂的制备方法及应用

本发明属于锂电池电极材料合成领域,具体为一种高碳含量低比表面积磷酸铁锂的制备方法及应用,解决现有制造方法中材料的高碳含量导致的比表面积过大的问题。该方法包括如下步骤:a、将锂源化合物、铁源化合物、磷源化合物按化学计量比加入溶剂混合,再加入掺杂金属氧化物和一次碳源,预分散球磨均匀后,进行超细砂磨,得到前驱体料浆;b、将步骤a中的前驱体料浆经过离心式喷雾干燥,得到前驱体粉末;c、将步骤b中的前驱体粉末在惰性气氛中进行恒温焙烧,得到磷酸铁锂材料;d、将步骤c中得到的磷酸铁锂材料通过闭式循环气流粉碎、过筛、除铁、包装得到成品。本发明具有生产流程容易控制,产品碳含量高、比表面积小、内阻小等优点。

标签:
加工技术
辽宁 - 沈阳 来源:中冶有色网 2023-03-18
上一页 22 23 24 25 26 ... 33 下一页
共33页    到第

中冶有色为您提供最新的辽宁沈阳有色金属加工技术理论与应用信息,涵盖发明专利、权利要求、说明书、技术领域、背景技术、实用新型内容及具体实施方式等有色技术内容。打造最具专业性的有色金属技术理论与应用平台!

全国热门有色金属设备推荐
展开更多 +
全国热门有色金属技术推荐
展开更多 +

 

江西省隆恩特环保设备有限公司
宣传

报名参会
更多+

报告下载

有色专家
更多+

江西理工大学
副校长
中南大学
中国工程院院士
中南大学
中国工程院院士
赣州江钨钨合金有限公司
工程师
有研资源环境技术研究院(北京)有限公司
副总经理/教授级高工
赤泥综合利用研究报告2025
推广

热门技术
更多+

推荐企业
更多+

福建省金龙稀土股份有限公司
宣传

发布

在线客服

公众号

电话

顶部
咨询电话:
010-88793500-807